INFO: Dieses Forum nutzt Cookies...
Cookies sind für den Betrieb des Forums unverzichtbar. Mit der Nutzung des Forums erklärst Du dich damit einverstanden, dass wir Cookies verwenden.

Es wird in jedem Fall ein Cookie gesetzt um diesen Hinweis nicht mehr zu erhalten. Desweiteren setzen wir Google Adsense und Google Analytics ein.


Antwort schreiben 

Dieses Thema hat akzeptierte Lösungen:

Graphen mit mehreren Plots verschiedener Skalierung



Wenn dein Problem oder deine Frage geklärt worden ist, markiere den Beitrag als "Lösung",
indem du auf den "Lösung" Button rechts unter dem entsprechenden Beitrag klickst. Vielen Dank!

24.06.2019, 06:26
Beitrag #1

sarah_gru Offline
LVF-Grünschnabel
*


Beiträge: 23
Registriert seit: Aug 2018

2017
2016
DE



Graphen mit mehreren Plots verschiedener Skalierung
Hallo,

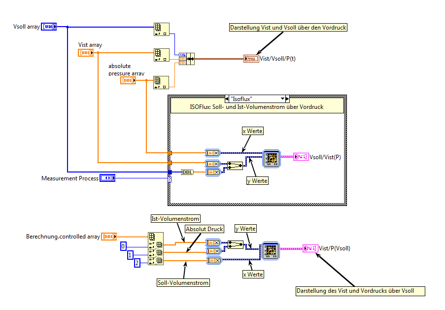
ich habe Daten aus Arrays, die ich in Diagrammen darstellen möchte, sodass ich zwei bis drei Graphen in einem Diagramm habe.
Wie schaffe ich es jetzt, dass ich zwei getrennte Plots der y-Achsen mit verschiedenen Skalierungen habe?

Ich habe hier im Forum schon danach gesucht, aber immer nur Sachen gefunden, bei denen ein erzeugtes Signal direkt angezeigt wird und man somit mit "aktiven Achsen" arbeiten kann - das kann ich bei meinem Aufbau aber nicht verwenden weil meine Daten ja aus den Arrays genommen werden.

Ich habe mein VI einmal als PNG und einmal als SubVI angehängt.
Würde mich freuen, wenn mir damit jemand helfen könnte.

Vielen Dank im Voraus!

Liebe Grüße
Sarah


Angehängte Datei(en) Thumbnail(s)
   

17.0 .vi  Messauswertung.vi (Größe: 195,51 KB / Downloads: 319)
Alle Beiträge dieses Benutzers finden
Diese Nachricht in einer Antwort zitieren to top
Anzeige
24.06.2019, 06:36
Beitrag #2

GerdW Offline
______________
LVF-Team

Beiträge: 17.534
Registriert seit: May 2009

LV2019 (LV2021)
1995
DE_EN

10×××
Deutschland
RE: Graphen mit mehreren Plots verschiedener Skalierung
Hallo Sarah,

Zitat:Daten aus Arrays, die ich in Diagrammen darstellen möchte, sodass ich zwei bis drei Graphen in einem Diagramm habe.
Jetzt schmeisst du aber wirklich alle möglichen Begriffe in einen Topf, und rührst kräftig um… Big Grin

Du willst also einen Graph auf dem Frontpanel, welcher mehrere Plots darstellt?
Erstmal die einfache Antwort:
   
Verzichte auf diese ganzen ExpressVIs - und mache es so, wie es in der Kontexthilfe zum Graph beschrieben wird!

Zitat:Wie schaffe ich es jetzt, dass ich zwei getrennte Plots der y-Achsen mit verschiedenen Skalierungen habe?
Sollen diese Plots unterschiedliche Y-Achsen benutzen?
Erzeuge eine neue Y-Achse und weise den gewünschten Plot dieser Achse zu. Alles per Rechtsklick im Graph…

Zitat:das kann ich bei meinem Aufbau aber nicht verwenden weil meine Daten ja aus den Arrays genommen werden.
Wo die Daten herkommen, ist hier irrelevant! Es geht nur darum, wie man Daten aus einem Array in einen Graph mit mehreren Plots bringt…

Alle Beiträge dieses Benutzers finden
Diese Nachricht in einer Antwort zitieren to top
24.06.2019, 08:00
Beitrag #3

sarah_gru Offline
LVF-Grünschnabel
*


Beiträge: 23
Registriert seit: Aug 2018

2017
2016
DE



RE: Graphen mit mehreren Plots verschiedener Skalierung
Hallo Gerd,

vielen Dank für die schnelle Antwort.

(24.06.2019 06:36 )GerdW schrieb:  Verzichte auf diese ganzen ExpressVIs - und mache es so, wie es in der Kontexthilfe zum Graph beschrieben wird!
Hab ich so abgeändert - danke Smile

(24.06.2019 06:36 )GerdW schrieb:  Sollen diese Plots unterschiedliche Y-Achsen benutzen?
Erzeuge eine neue Y-Achse und weise den gewünschten Plot dieser Achse zu. Alles per Rechtsklick im Graph…

Ja die Skalierungen müssen unterschiedlich sein, da die Wertebereiche so unterschiedlich sind.
Genau hier liegt mein Problem - wie kann ich eine neue Y-Achse erzeugen? Ich habe das jetzt schon mal mit Plots stapeln versucht aber dann werden die Werte ja alle auf verschiedene Diagramme aufgeteilt... das will ich ja auch nicht.
Wenn ich mit Rechtsklick auf den Graphen geh, kann ich unter dem Punkt "Y-Achse" nur Skaleneigenschaften einstellen aber nirgends eine Erzeugen Blink
Muss das mit einem Eigenschaftsfenster gemacht werden? Weil wenn ich dort ja unter "Namensbeschriftung" einen Wert schreibe wird hier ja nur der Name der Achse geändert aber keine neue Achse erzeugt.

Dankeschön im Voraus

LG
Sarah
Alle Beiträge dieses Benutzers finden
Diese Nachricht in einer Antwort zitieren to top
24.06.2019, 08:18 (Dieser Beitrag wurde zuletzt bearbeitet: 24.06.2019 08:19 von GerdW.)
Beitrag #4

GerdW Offline
______________
LVF-Team

Beiträge: 17.534
Registriert seit: May 2009

LV2019 (LV2021)
1995
DE_EN

10×××
Deutschland
RE: Graphen mit mehreren Plots verschiedener Skalierung

Akzeptierte Lösung

Hallo Sarah,

Zitat:wie kann ich eine neue Y-Achse erzeugen?
Rechtsklick auf die vorhandene Y-Achse -> Duplicate Scale. Danach dann noch evtl. "Swap Sides"…

Zitat:Ich habe das jetzt schon mal mit Plots stapeln versucht aber dann werden die Werte ja alle auf verschiedene Diagramme aufgeteilt... das will ich ja auch nicht.
Das funktioniert auch mit deinem Chart.

Zitat:Muss das mit einem Eigenschaftsfenster gemacht werden?
Das funktioniert nur im Rechtsklick-Menü…

Alle Beiträge dieses Benutzers finden
Diese Nachricht in einer Antwort zitieren to top
24.06.2019, 11:32
Beitrag #5

sarah_gru Offline
LVF-Grünschnabel
*


Beiträge: 23
Registriert seit: Aug 2018

2017
2016
DE



RE: Graphen mit mehreren Plots verschiedener Skalierung
Hat geklappt - super danke! Dance
Alle Beiträge dieses Benutzers finden
Diese Nachricht in einer Antwort zitieren to top
Antwort schreiben 


Möglicherweise verwandte Themen...
Themen Verfasser Antworten Views Letzter Beitrag
  Digitalen Signalverlauf mit mehreren Plots erstellen BobbyBau91 6 7.317 24.11.2013 19:50
Letzter Beitrag: GerdW
  Graphen-Array mit individueller Skalierung miha 8 7.340 11.02.2013 09:30
Letzter Beitrag: jg
  ein Grafik in verschiedener Case benutzen heja 2 4.156 29.06.2012 12:43
Letzter Beitrag: heja
  Plotoptionen bei mehreren Plots Technikfreak 2 4.901 13.10.2011 12:29
Letzter Beitrag: Technikfreak
  Graphen aus mehreren Case Hynnel 3 4.494 26.09.2011 14:18
Letzter Beitrag: Der_Elch
  Plots mehreren Y achsen zuweisen Hubert R. 4 11.368 20.07.2011 12:48
Letzter Beitrag: Hubert R.

Gehe zu: