INFO: Dieses Forum nutzt Cookies...
Cookies sind für den Betrieb des Forums unverzichtbar. Mit der Nutzung des Forums erklärst Du dich damit einverstanden, dass wir Cookies verwenden.

Es wird in jedem Fall ein Cookie gesetzt um diesen Hinweis nicht mehr zu erhalten. Desweiteren setzen wir Google Adsense und Google Analytics ein.


Antwort schreiben 

HEX in Dez



Wenn dein Problem oder deine Frage geklärt worden ist, markiere den Beitrag als "Lösung",
indem du auf den "Lösung" Button rechts unter dem entsprechenden Beitrag klickst. Vielen Dank!

11.04.2007, 17:08
Beitrag #11

IchSelbst Offline
LVF-Guru
*****


Beiträge: 3.708
Registriert seit: Feb 2005

11, 14, 15, 17, 18
-
DE

97437
Deutschland
HEX in Dez
' schrieb:Immer das gleiche, immer das gleiche.Big GrinBig GrinBig Grin
Es gibt nicht viele Möglichkeiten - und diese eine ist zu 99% immer die richtige. Auch wenn der Anwender dreimal Hüh sagt, auch er meint immer nur Hott. Cool

Jeder, der zur wahren Erkenntnis hindurchdringen will, muss den Berg Schwierigkeit alleine erklimmen (Helen Keller).
Alle Beiträge dieses Benutzers finden
Diese Nachricht in einer Antwort zitieren to top
Anzeige
11.04.2007, 17:23
Beitrag #12

Lausi Offline
LVF-Grünschnabel
*


Beiträge: 20
Registriert seit: Jan 2007

2011
2006
kA

12058
Deutschland
HEX in Dez
' schrieb:Kannst du denn den gelesenen String - ohne Umwandlung in ein Byte-Array - nicht direkt mit "String to Number" umwandeln?

dadurch wird der Wert verändert bzw. convertiert.Blush

Ich versuche es mit dem "match pattern", da liegt ja einen menge Potential drin.

PS. Mach ich kommende Woche, nu ist erstmal eine LAN-Party bis Sonntag. *yeeehhhhhhaaaaaa*Zocken
Alle Beiträge dieses Benutzers finden
Diese Nachricht in einer Antwort zitieren to top
16.04.2007, 07:55
Beitrag #13

Lausi Offline
LVF-Grünschnabel
*


Beiträge: 20
Registriert seit: Jan 2007

2011
2006
kA

12058
Deutschland
HEX in Dez
wem es interessiert, die Lösung:

hex / 16 * 10 + mod( hex / 16 )

aber es sollte nicht so oft vorkommen, Einzelfall eben

Danke euch trotzdem für die Arbeit Dais


Angehängte Datei(en) Thumbnail(s)
   
Alle Beiträge dieses Benutzers finden
Diese Nachricht in einer Antwort zitieren to top
16.04.2007, 07:58
Beitrag #14

Achim Offline
*****
*****


Beiträge: 4.226
Registriert seit: Nov 2005

20xx
2000
EN

978xx
Deutschland
HEX in Dez
Hi,

mich würde aber trotzdem gern mal sehen, was du aus dem READ (direkt danach!) rauskriegst...kannst da nicht mal nen Screenshot posten und evtl. auch den Ergebnis-String (?) zeigen?

A.

"Is there some mightier sage, of whom we have yet to learn?"

"Opportunity is missed by most people because it is dressed in overalls and looks like work." (Thomas Edison)
Alle Beiträge dieses Benutzers finden
Diese Nachricht in einer Antwort zitieren to top
16.04.2007, 09:06 (Dieser Beitrag wurde zuletzt bearbeitet: 16.04.2007 09:08 von Lausi.)
Beitrag #15

Lausi Offline
LVF-Grünschnabel
*


Beiträge: 20
Registriert seit: Jan 2007

2011
2006
kA

12058
Deutschland
HEX in Dez
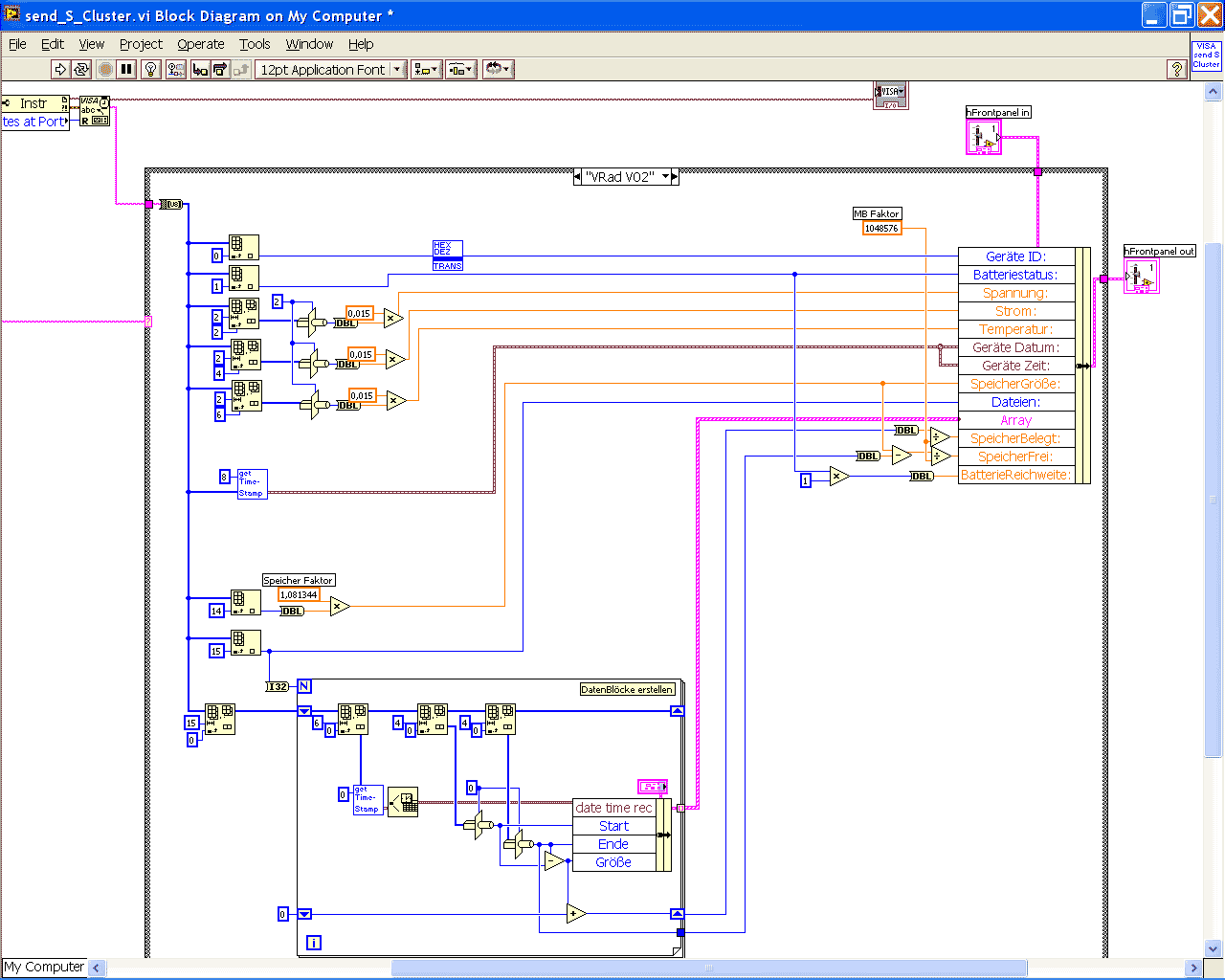
im Anhang ist der Filter für den VISA Stream

das Problem liegt im Datum/Zeit VI (hab ich bebereits gepostet)

das Tranferieren von HEX nach Dez läuft jedenfalls


Angehängte Datei(en) Thumbnail(s)
   
Alle Beiträge dieses Benutzers finden
Diese Nachricht in einer Antwort zitieren to top
30
Antwort schreiben 


Gehe zu: