INFO: Dieses Forum nutzt Cookies...
Cookies sind für den Betrieb des Forums unverzichtbar. Mit der Nutzung des Forums erklärst Du dich damit einverstanden, dass wir Cookies verwenden.

Es wird in jedem Fall ein Cookie gesetzt um diesen Hinweis nicht mehr zu erhalten. Desweiteren setzen wir Google Adsense und Google Analytics ein.


Antwort schreiben 

Hochpass Filter



Wenn dein Problem oder deine Frage geklärt worden ist, markiere den Beitrag als "Lösung",
indem du auf den "Lösung" Button rechts unter dem entsprechenden Beitrag klickst. Vielen Dank!

16.12.2014, 20:34
Beitrag #11

GerdW Offline
______________
LVF-Team

Beiträge: 17.534
Registriert seit: May 2009

LV2019 (LV2021)
1995
DE_EN

10×××
Deutschland
RE: Hochpass Filter
Nachtrag:

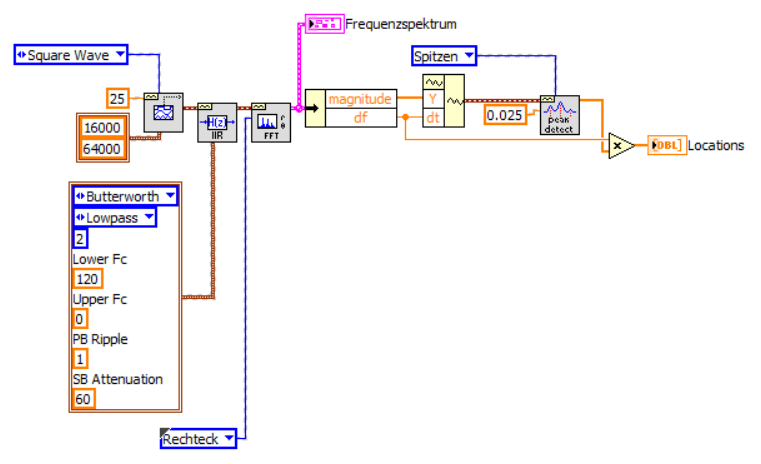
So sieht es mit der PeakDetect-Funktion aus:
   

Alle Beiträge dieses Benutzers finden
Diese Nachricht in einer Antwort zitieren to top
Anzeige
17.12.2014, 22:39 (Dieser Beitrag wurde zuletzt bearbeitet: 17.12.2014 22:39 von se.)
Beitrag #12

se Offline
LVF-Grünschnabel
*


Beiträge: 35
Registriert seit: Aug 2014

2013
-
DE



RE: Hochpass Filter
Einsame Spitze Big Grin
Danke Gerd

Gruß Erich
Alle Beiträge dieses Benutzers finden
Diese Nachricht in einer Antwort zitieren to top
17.12.2014, 23:15
Beitrag #13

se Offline
LVF-Grünschnabel
*


Beiträge: 35
Registriert seit: Aug 2014

2013
-
DE



RE: Hochpass Filter
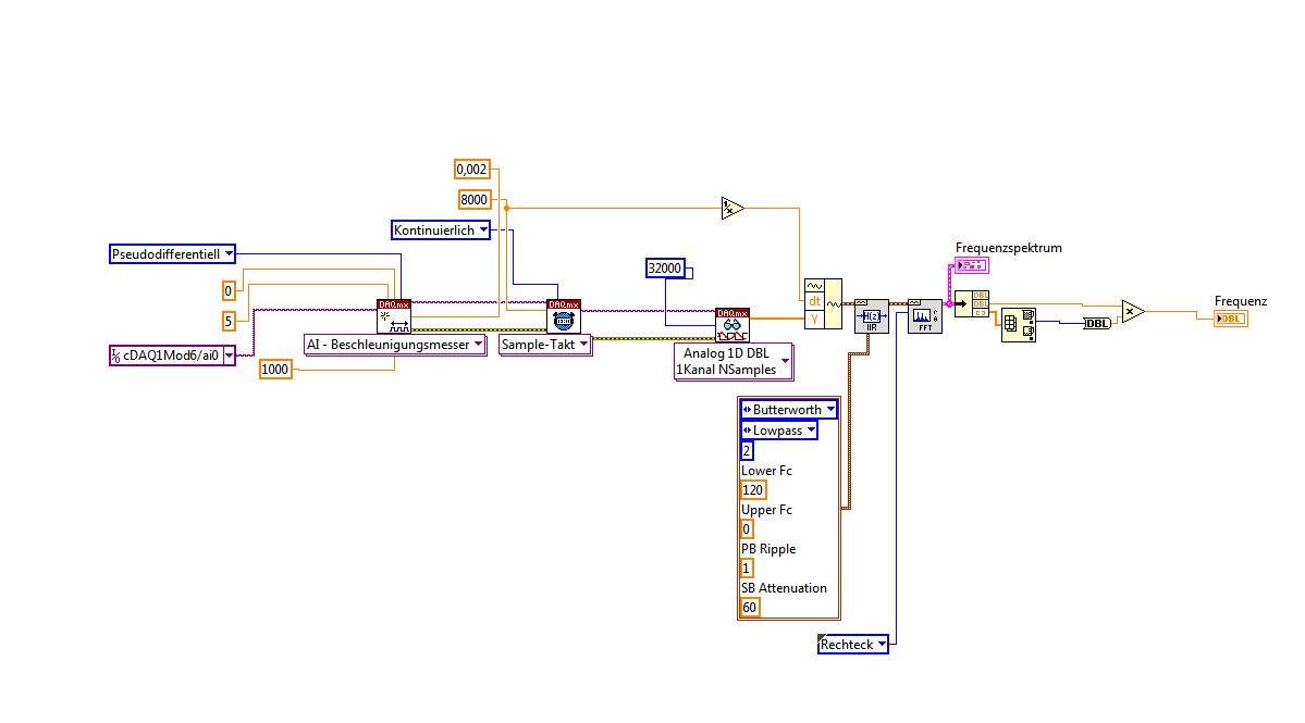
Ein Problem Beschäftigt mich noch.
Ich möchte die Rotationsgeschwindigkeit eines Motors berührungslos zu Messen, was im Ansatz auch funktioniert.
Das df ergibt sich ja aus der Abtastrate (max. 8kHz, der Sensor kann nicht mehr) und der Blockgröße (max. Messzeit 4 sek.). Demnach richtet sich auch die "Auflösung" der FFT müsste in dem Beispiel mit 32k Blockgröße 0,125 Hz sein.
Nun fehlen je nach Drehzahl im Hochlauf 1,5-3 Hz was bei der Drehzahl ein Schwankung von 90 - 180 min-1 bedeutet. Verändere ich das Verhältnis von Abtastrate zu Blockgröße wird der Fehler eher Größer hier kann ich also nichts mehr ändern.

In dem Bild, müsste das Maximum bei 25 Hz bzw. 50 Hz (1.OW) liegen.

Gibt es noch eine andere "Schraube" an der ich drehen kann? Eine Offset vom mittleren Fehler wollte ich gerne vermeiden.


Angehängte Datei(en) Thumbnail(s)
   
Alle Beiträge dieses Benutzers finden
Diese Nachricht in einer Antwort zitieren to top
18.12.2014, 07:51 (Dieser Beitrag wurde zuletzt bearbeitet: 18.12.2014 07:51 von GerdW.)
Beitrag #14

GerdW Offline
______________
LVF-Team

Beiträge: 17.534
Registriert seit: May 2009

LV2019 (LV2021)
1995
DE_EN

10×××
Deutschland
RE: Hochpass Filter
Hallo se,

Zitat:Nun fehlen je nach Drehzahl im Hochlauf 1,5-3 Hz was bei der Drehzahl ein Schwankung von 90 - 180 min-1 bedeutet.
Kannst du erläutern, warum plötzlich Frequenzen "fehlen"?

Zitat:Verändere ich das Verhältnis von Abtastrate zu Blockgröße wird der Fehler eher Größer hier kann ich also nichts mehr ändern.
Eine größere Blockgröße führt bei der FFT zu feinerer Frequenzauflösung - welcher Fehler wird dann größer?

Zitat:In dem Bild, müsste das Maximum bei 25 Hz bzw. 50 Hz (1.OW) liegen.
Ganz offensichtlich hat sich dein Motor ~3% langsamer gedreht. Ist das so unwahrscheinlich?

Alle Beiträge dieses Benutzers finden
Diese Nachricht in einer Antwort zitieren to top
18.12.2014, 11:39 (Dieser Beitrag wurde zuletzt bearbeitet: 18.12.2014 11:40 von se.)
Beitrag #15

se Offline
LVF-Grünschnabel
*


Beiträge: 35
Registriert seit: Aug 2014

2013
-
DE



RE: Hochpass Filter
Hallo,

zu1. Das war zu einer optischen Drehzahlkontrolle als Referenz. 90 - 180min-1 je nach Drehzahlbereich werden zu wenig angezeigt

zu2. Der Messwert weicht mehr vom tatsächlichen Wert ab. Also bringt keine Besserung

zu3. Ja, absolut unmöglich da ich zum Messen
a) die Drehzahl optisch gemessen hab um das Ergebnis zu prüfen und
b) mit einem Kalibrator (DKD -Kalibriert) der Konstante 159,2Hz ausgibt und das VI gibt 151,5 Hz aus. >:-(

Habe den Sensor heute Vormittag nochmals überprüfen lassen. Der ist i.O.

Nachtrag: In dem Bild Fehlt die Addition der f0, ist aber bei der Messung gemacht worden. Hab es vor dem Posten ausversehen rausgelöscht!


Angehängte Datei(en) Thumbnail(s)
   
Alle Beiträge dieses Benutzers finden
Diese Nachricht in einer Antwort zitieren to top
18.12.2014, 11:48 (Dieser Beitrag wurde zuletzt bearbeitet: 18.12.2014 12:39 von GerdW.)
Beitrag #16

GerdW Offline
______________
LVF-Team

Beiträge: 17.534
Registriert seit: May 2009

LV2019 (LV2021)
1995
DE_EN

10×××
Deutschland
RE: Hochpass Filter
Hallo se,

deine FFT oben zeigt eindeutig Peak bei ~24Hz (und Oberwellen davon) an. Da ich an der Berechnung der FFT selbst nicht zweifle, werden die Ausgangsdaten also entsprechende Frequenzanteile haben…

Kannst du entsprechende Messdaten bereitstellen bzw. überprüfen?
Arbeitet der Sensor auch bei seiner maximalen Samplerate von 8kHz noch "korrekt" (oder greift dort schon eine Störung im Frequenzgang des Sensors selbst)?

Das sind so Dinge, die mir dazu einfallen und die ich überprüfen würde…

Wichtiger Nachtrag: Lies dir unbedingt das Manual deiner NI9234 durch, insbesondere den Absatz zu den möglichen Sampleraten. Und dann prüfst du mal, welche Samplerate dein Messkanal wirklich verwendet! Ich wette, du liest Daten mit nur 7314 8533Hz ein…

Alle Beiträge dieses Benutzers finden
Diese Nachricht in einer Antwort zitieren to top
Anzeige
18.12.2014, 15:25
Beitrag #17

se Offline
LVF-Grünschnabel
*


Beiträge: 35
Registriert seit: Aug 2014

2013
-
DE



RE: Hochpass Filter
Großartig, das wars.
Klar wenn der FFT 8k statt 8,533k übergeben werden, das die Werte nicht stimmen.

Dankeschön!
Alle Beiträge dieses Benutzers finden
Diese Nachricht in einer Antwort zitieren to top
13.06.2015, 20:57 (Dieser Beitrag wurde zuletzt bearbeitet: 13.06.2015 21:45 von se.)
Beitrag #18

se Offline
LVF-Grünschnabel
*


Beiträge: 35
Registriert seit: Aug 2014

2013
-
DE



RE: Hochpass Filter
Hallo Zusammen,

reiße ungern dieses Thread wieder auf, aber eine Sache ist mir in einem ähnlichem Zusammenhang unverständlich.
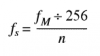
Die Abtasrate soll dem Manual nach wie im Bild anbei Berechnet werden fs= (fm ÷ 256)/ n.
Nun bin ich gerade wie vor dem Kopf gestossen, wie Gerd vor einem halbem Jahr auf den Wert kam.

Zitat:Wichtiger Nachtrag: Lies dir unbedingt das Manual deiner NI9234 durch, insbesondere den Absatz zu den möglichen Sampleraten. Und dann prüfst du mal, welche Samplerate dein Messkanal wirklich verwendet! Ich wette, du liest Daten mit nur 7314 8533Hz ein…

Viele Grüße
Erich

EDIT:

Der einfachste Weg ist bei NI nachschauen : http://digital.ni.com/public.nsf/allkb/5...DE005F6836


Angehängte Datei(en) Thumbnail(s)
   
Alle Beiträge dieses Benutzers finden
Diese Nachricht in einer Antwort zitieren to top
14.06.2015, 06:32 (Dieser Beitrag wurde zuletzt bearbeitet: 14.06.2015 06:33 von Lucki.)
Beitrag #19

Lucki Offline
Tech.Exp.2.Klasse
LVF-Team

Beiträge: 7.699
Registriert seit: Mar 2006

LV 2016-18 prof.
1995
DE

01108
Deutschland
RE: Hochpass Filter
(13.06.2015 20:57 )se schrieb:  EDIT:
Der einfachste Weg ist bei NI nachschauen :
Vermutlich willst Du damit sagen, dass sich die Frage erledigt hat. Es wäre nicht schlecht gewesen, wenn Du das als Klartext gesagt hättest...
Alle Beiträge dieses Benutzers finden
Diese Nachricht in einer Antwort zitieren to top
14.06.2015, 18:32
Beitrag #20

se Offline
LVF-Grünschnabel
*


Beiträge: 35
Registriert seit: Aug 2014

2013
-
DE



RE: Hochpass Filter
Ja, klar. Hat sich erledigt2hands

Danke der Nachfrage.

Gruß Erich
Alle Beiträge dieses Benutzers finden
Diese Nachricht in einer Antwort zitieren to top
30
Antwort schreiben 


Möglicherweise verwandte Themen...
Themen Verfasser Antworten Views Letzter Beitrag
  Wer kann diesen Filter erklären? Philipp841 12 9.530 25.07.2020 07:32
Letzter Beitrag: Martin.Henz
  Hochpass/Tiefpass - Anzahl Abgriffe Sakis 8 7.685 19.09.2018 07:07
Letzter Beitrag: Sakis
  Extended Kalman Filter in LabVIEW Heber 11 11.036 20.04.2017 09:26
Letzter Beitrag: Heber
  Filter selbst erstellen creo_123 13 15.243 23.04.2013 14:20
Letzter Beitrag: Lucki
  Filter tetef 5 7.522 09.04.2013 09:52
Letzter Beitrag: creo_123
  IIR-Notch-Filter 50Hz JaDa 4 8.582 25.11.2012 09:01
Letzter Beitrag: Lucki

Gehe zu: