INFO: Dieses Forum nutzt Cookies...
Cookies sind für den Betrieb des Forums unverzichtbar. Mit der Nutzung des Forums erklärst Du dich damit einverstanden, dass wir Cookies verwenden.

Es wird in jedem Fall ein Cookie gesetzt um diesen Hinweis nicht mehr zu erhalten. Desweiteren setzen wir Google Adsense und Google Analytics ein.


Antwort schreiben 

ID Query failed error 1074003951 Keithley 2400 Labview 2011



Wenn dein Problem oder deine Frage geklärt worden ist, markiere den Beitrag als "Lösung",
indem du auf den "Lösung" Button rechts unter dem entsprechenden Beitrag klickst. Vielen Dank!

10.03.2015, 16:20 (Dieser Beitrag wurde zuletzt bearbeitet: 10.03.2015 16:23 von flabbergasted_cookie.)
Beitrag #1

flabbergasted_cookie Offline
LVF-Neueinsteiger


Beiträge: 5
Registriert seit: Mar 2015

2011
-
DE



ID Query failed error 1074003951 Keithley 2400 Labview 2011
        Hallo,

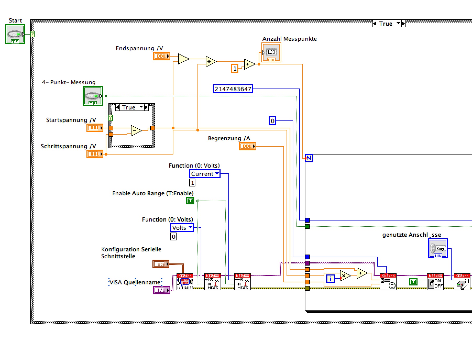
ich verwende das Keithley 2400 Sourcemeter und möchte damit IV-Kennlinien aufnehmen. (VI anbei)
Beim Ausführen der VI habe ich das Problem, dass unregelmäßig der Fehler "ID Query failed" der Initialize.vi auftritt. Sprich: mal funktioniert die Vi und mal nicht. (Ich erstelle aus der VI eine .exe, welche ich dann auf einem anderen Rechner mittels der Runtime ausführe. Auf dem Rechner, auf dem Labview installiert ist und auf dem ich die .exe erstelle läuft diese problemlos. Die Schwierigkeiten bekomme ich erst auf dem Rechner, auf dem die .exe schlussendlich laufen soll)

Es ist möglich, in der Initialize.vi die ID Query nicht durchzuführen, jedoch funktioniert dann die Kommunikation mit dem Gerät gar nicht mehr.

Ich bin sehr gespannt auf eure Lösungsvorschläge!

Vielen Dank und Liebe Grüße

P.s. die Keithley eigenen VI's findet ihr auf:

https://www.keithley.de/products/dcac/dm.../Downloads
Alle Beiträge dieses Benutzers finden
Diese Nachricht in einer Antwort zitieren to top
Anzeige
10.03.2015, 17:32
Beitrag #2

dali4u Offline
LVF-Stammgast
***


Beiträge: 298
Registriert seit: Aug 2008

12SP1, 14SP1
2007
DE


Deutschland
RE: ID Query failed error 1074003951 Keithley 2400 Labview 2011
(10.03.2015 16:20 )flabbergasted_cookie schrieb:  ich verwende das Keithley 2400 Sourcemeter und möchte damit IV-Kennlinien aufnehmen. (VI anbei)
VI fehlt, es sind nur Screenshots.

(10.03.2015 16:20 )flabbergasted_cookie schrieb:  Beim Ausführen der VI habe ich das Problem, dass unregelmäßig der Fehler "ID Query failed" der Initialize.vi auftritt. Sprich: mal funktioniert die Vi und mal nicht.
Das ist vermutlich ein erzeugter Fehlercode von Keithley. Was sagt denn die Anleitung etc. dazu?
Kannst Du das Inizialize.vi aufmachen? Dann kannst Du per Debug schauen warum der Fehler erzeugt wird.

(10.03.2015 16:20 )flabbergasted_cookie schrieb:  Die Schwierigkeiten bekomme ich erst auf dem Rechner, auf dem die .exe schlussendlich laufen soll)
Es ist möglich, in der Initialize.vi die ID Query nicht durchzuführen, jedoch funktioniert dann die Kommunikation mit dem Gerät gar nicht mehr.
Und welche Schwierigkeiten genau? Fehlerbeschreibung etc., raten können wir nicht.
Ein Fehlerbeschreibung "Kommunikation mit dem Gerät geht nicht" hilft nicht.

Stefan
Alle Beiträge dieses Benutzers finden
Diese Nachricht in einer Antwort zitieren to top
10.03.2015, 18:17
Beitrag #3

jg Offline
CLA & CLED
LVF-Team

Beiträge: 15.864
Registriert seit: Jun 2005

20xx / 8.x
1999
EN

Franken...
Deutschland
RE: ID Query failed error 1074003951 Keithley 2400 Labview 2011
@dali4u:
Den Fehlercode gibt es durchaus:
http://zone.ni.com/reference/en-XX/help/...ror_codes/

Beschreibung:
Zitat:Identification query failed. Instrument identification failed. This error can occur if you selected the wrong instrument or your instrument did not respond. This error also can occur if you used a model that is not officially supported by this driver. If you are sure that you have selected the correct instrument and it is responding, try disabling ID Query in the instrument driver's initialize VI.

Gruß, Jens

Wer die erhabene Weisheit der Mathematik tadelt, nährt sich von Verwirrung. (Leonardo da Vinci)

!! BITTE !! stellt mir keine Fragen über PM, dafür ist das Forum da - andere haben vielleicht auch Interesse an der Antwort!

Einführende Links zu LabVIEW, s. GerdWs Signatur.
Alle Beiträge dieses Benutzers finden
Diese Nachricht in einer Antwort zitieren to top
10.03.2015, 18:21 (Dieser Beitrag wurde zuletzt bearbeitet: 10.03.2015 18:22 von Holy.)
Beitrag #4

Holy Offline
LVF-Stammgast
***


Beiträge: 339
Registriert seit: Sep 2008

2014
2007
EN

09XXX
Deutschland
RE: ID Query failed error 1074003951 Keithley 2400 Labview 2011
Ist der genaue Fehlercode evtl. -"1074003951"? Dieser ist entsprechend Instrument Driver Error Codes als "Identification query failed" definiert. Dieser wird auch für einige andere Gerätetreiber verwendet. Die vorgeschlagene Deaktivierung des ID Query hast du ja schon ausprobiert. Eine weitere Möglichkeit ist evtl. die Timeoutzeit zu erhöhen.
Eine weiter Ansatz ist die Initialisierung robuster zu gestalten. D.h. die Schnittstelle vorher explizit zu schließen und nachfolgend neu zu öffnen und den gesamten Vorgang der Initialisierung ggf. mehrfach zu wiederholen.

EDIT: Da war ich wohl zu langsam
Alle Beiträge dieses Benutzers finden
Diese Nachricht in einer Antwort zitieren to top
10.03.2015, 18:28
Beitrag #5

jg Offline
CLA & CLED
LVF-Team

Beiträge: 15.864
Registriert seit: Jun 2005

20xx / 8.x
1999
EN

Franken...
Deutschland
RE: ID Query failed error 1074003951 Keithley 2400 Labview 2011
@flabbergasted:
Du verweist beim Download auf die Keithley Homepage.
Laut Webseite hat der LabVIEW-Treiber dort Versions-Nr. 1.1.1
Im Instrument Driver Network von NI gibt es Version 1.2.3, vielleicht hilft ein Update?!

Gruß, Jens

Wer die erhabene Weisheit der Mathematik tadelt, nährt sich von Verwirrung. (Leonardo da Vinci)

!! BITTE !! stellt mir keine Fragen über PM, dafür ist das Forum da - andere haben vielleicht auch Interesse an der Antwort!

Einführende Links zu LabVIEW, s. GerdWs Signatur.
Alle Beiträge dieses Benutzers finden
Diese Nachricht in einer Antwort zitieren to top
11.03.2015, 10:15
Beitrag #6

flabbergasted_cookie Offline
LVF-Neueinsteiger


Beiträge: 5
Registriert seit: Mar 2015

2011
-
DE



RE: ID Query failed error 1074003951 Keithley 2400 Labview 2011
hi danke für die Antworten

@dali4u: Initialize.vi und die zuvor gescreenshottete VI anbei:
11.0 .vi  I-V-Characterisitcs_PbyP.vi (Größe: 49,55 KB / Downloads: 396)

11.0 .vi  Initialize.vi (Größe: 32 KB / Downloads: 370)

Die "Schwierigkeit" ist der beschriebene ID Query Fehler, welcher auf dem anderen Rechner nicht auftritt. Wenn ich die ID Abfrage auf false setzt, kommt eine Meldung, dass das Keithley einen unerwarteten Datenstring erhält.

@Jens: gute Idee, ich werde den Treiber mal updaten und dann nochmal Rückmeldung geben!

LG

Christian
Alle Beiträge dieses Benutzers finden
Diese Nachricht in einer Antwort zitieren to top
Anzeige
11.03.2015, 10:30 (Dieser Beitrag wurde zuletzt bearbeitet: 11.03.2015 10:30 von GerdW.)
Beitrag #7

GerdW Offline
______________
LVF-Team

Beiträge: 17.540
Registriert seit: May 2009

LV2019 (LV2021)
1995
DE_EN

10×××
Deutschland
RE: ID Query failed error 1074003951 Keithley 2400 Labview 2011
Hallo cookie,

Zitat:ID Query Fehler, welcher auf dem anderen Rechner nicht auftritt. Wenn ich die ID Abfrage auf false setzt, kommt eine Meldung, dass das Keithley einen unerwarteten Datenstring erhält.
Glas1
Du benutzt auf den beiden Rechnern unterschiedliche Regionaleinstellungen. Auf dem Rechner, wo es funktioniert, ist das Dezimaltrennzeichen ein Punkt, auf dem anderen ein Komma…

Ein häufiges Problem bei Gerätetreibern, die von Firmen aus dem englischen Sprachraum erstellt wurden, ist die Nichtbeachtung der Regionaleinstellungen…

Alle Beiträge dieses Benutzers finden
Diese Nachricht in einer Antwort zitieren to top
16.03.2015, 15:45
Beitrag #8

flabbergasted_cookie Offline
LVF-Neueinsteiger


Beiträge: 5
Registriert seit: Mar 2015

2011
-
DE



RE: ID Query failed error 1074003951 Keithley 2400 Labview 2011
Hi,

habe all eure Vorschläge umgesetzt, dennoch besteht das Problem nach wie vor. Der Fehler liegt auch definitiv in der Initialize VI. Gibt es weitere Lösungsansätze?

LG

Christian
Alle Beiträge dieses Benutzers finden
Diese Nachricht in einer Antwort zitieren to top
16.03.2015, 16:41
Beitrag #9

flabbergasted_cookie Offline
LVF-Neueinsteiger


Beiträge: 5
Registriert seit: Mar 2015

2011
-
DE



RE: ID Query failed error 1074003951 Keithley 2400 Labview 2011
Das komische ist wie gesagt, dass in c.a. 30% der Versuche die Kommunikation mit dem Gerät funktioniert. Manchmal auf Anhieb, manchmal nicht.
Alle Beiträge dieses Benutzers finden
Diese Nachricht in einer Antwort zitieren to top
16.03.2015, 16:48
Beitrag #10

GerdW Offline
______________
LVF-Team

Beiträge: 17.540
Registriert seit: May 2009

LV2019 (LV2021)
1995
DE_EN

10×××
Deutschland
RE: ID Query failed error 1074003951 Keithley 2400 Labview 2011
Hallo flabber,

welche Antwort gibt dein Gerät bei einer "*IDN?"-Anfrage?

Wieso wird der Fehler angezeigt? Bekommst du einen TimeOut beim Lesen der Antwort oder ist die Antwort inkorrekt?

Was hat das Debugging bisher gebracht?

Zitat:Das komische ist wie gesagt, dass in c.a. 30% der Versuche die Kommunikation mit dem Gerät funktioniert.
Pragmatischer Ansatz: die Anfrage in einer Schleife laufen lassen, bis sie erfolgreich absolviert ist…

Alle Beiträge dieses Benutzers finden
Diese Nachricht in einer Antwort zitieren to top
Antwort schreiben 


Möglicherweise verwandte Themen...
Themen Verfasser Antworten Views Letzter Beitrag
  Langzeitmessung mit Keithley 6485 und Labview? Vlansch 20 21.328 29.04.2016 10:46
Letzter Beitrag: Vlansch
  Agillent GPIB - Keithley 2400 SMU grba123 0 5.009 03.11.2014 15:12
Letzter Beitrag: grba123
  Keithley 2182 Nanovoltmeter mit Labview -Hilfe- d03 2 5.803 29.10.2013 09:13
Letzter Beitrag: GerdW
  Error -410 bei Keithley Switch System annef 6 12.189 02.12.2011 09:28
Letzter Beitrag: GerdW
  Keithley 2700 JoW 9 20.159 03.02.2011 00:03
Letzter Beitrag: Cruzaderz
  Keithley Ansteuerung Tower 3 9.458 21.09.2010 08:15
Letzter Beitrag: Martin Heller

Gehe zu: