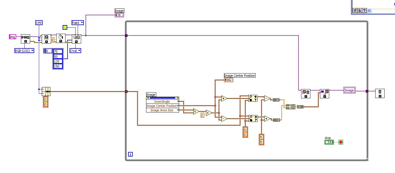
IMAQ Anzeige: sichtbaren Bildausschnitt (nach Zoomen) auslesen |
Wenn dein Problem oder deine Frage geklärt worden ist, markiere den Beitrag als "Lösung",
indem du auf den "Lösung" Button rechts unter dem entsprechenden Beitrag klickst. Vielen Dank!
|
|
|
| Möglicherweise verwandte Themen... | |||||
| Themen | Verfasser | Antworten | Views | Letzter Beitrag | |
| String nach IMAQ Bild | Zelos | 3 | 7.030 |
20.03.2024 18:53 Letzter Beitrag: Martin.Henz |
|
| Bildausschnitt mittels Maske ohne schwarzen Rand | ostone | 2 | 6.994 |
29.06.2015 12:56 Letzter Beitrag: ostone |
|
| Image control Bildausschnitt auslesen bei Zoom | proggiman | 1 | 5.362 |
01.10.2013 08:49 Letzter Beitrag: proggiman |
|
| Bildausschnitt festlegen und Intensität bestimmen | Saem_ma | 3 | 7.416 |
13.01.2012 05:58 Letzter Beitrag: b.p |
|
| Raus zoomen in Image Display | Emanuel | 2 | 6.843 |
30.12.2009 10:15 Letzter Beitrag: Emanuel |
|
| String nach IMAQ Image Referenz | Suzirider | 2 | 6.273 |
15.12.2008 15:52 Letzter Beitrag: Suzirider |
|







