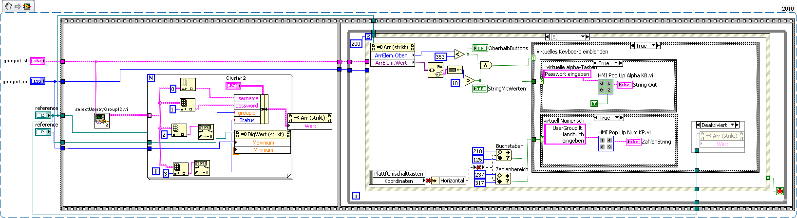
Index in einem Array aus Cluster bestimmen |
Wenn dein Problem oder deine Frage geklärt worden ist, markiere den Beitrag als "Lösung",
indem du auf den "Lösung" Button rechts unter dem entsprechenden Beitrag klickst. Vielen Dank!
| 30
|
|
|
| Möglicherweise verwandte Themen... | |||||
| Themen | Verfasser | Antworten | Views | Letzter Beitrag | |
| Elemente Cluster in Cluster ansprechen | simcum | 3 | 5.474 |
02.10.2023 10:49 Letzter Beitrag: th13 |
|
| Wann schließe ich (ActiveX, Excel) Referenzen? + wie Cluster to Array? | TpunktN | 9 | 12.169 |
28.01.2020 14:14 Letzter Beitrag: TpunktN |
|
| (Array of )Cluster direkt als Icon? | NoWay | 4 | 5.457 |
16.10.2019 11:16 Letzter Beitrag: Trinitatis |
|
| Combobox Eintrag per Index wählen | Natalie1984 | 12 | 11.884 |
02.07.2019 22:40 Letzter Beitrag: Natalie1984 |
|
| 1D Array mit einer Spalte von einem 2D vergleich dementsprechend die 2 Spalte sortien | Baron | 4 | 6.635 |
25.10.2018 10:39 Letzter Beitrag: Baron |
|
| Aus einem Array festgelegte Werte zuweisen | Kahlua | 7 | 8.779 |
19.01.2018 13:42 Letzter Beitrag: Kahlua |
|







