INFO: Dieses Forum nutzt Cookies...
Cookies sind für den Betrieb des Forums unverzichtbar. Mit der Nutzung des Forums erklärst Du dich damit einverstanden, dass wir Cookies verwenden.

Es wird in jedem Fall ein Cookie gesetzt um diesen Hinweis nicht mehr zu erhalten. Desweiteren setzen wir Google Adsense und Google Analytics ein.


Antwort schreiben 

Interpolation



Wenn dein Problem oder deine Frage geklärt worden ist, markiere den Beitrag als "Lösung",
indem du auf den "Lösung" Button rechts unter dem entsprechenden Beitrag klickst. Vielen Dank!

17.04.2010, 19:17 (Dieser Beitrag wurde zuletzt bearbeitet: 17.04.2010 21:40 von jg.)
Beitrag #1

Lecojon Offline
LVF-Gelegenheitsschreiber
**


Beiträge: 65
Registriert seit: Apr 2010

8.5
2010
en

-
Deutschland
Interpolation
Hallöle, ich wieder...
keine Angst, diesmal konnte ich mit meinem Erlernten selbst einen guten Ansatz machen für meine Berechnungen....
Allerdings ist mein Niveau viel zu hoch für LabVIEW, er will mich einfach nicht verstehnBig Grin

Anbei hab ich die Txt-Datei...

Man sieht in der letzten Spalte einige Werte, die in Abhängigkeit von der vorletzten Spalte, plötzlich 0 werden.
Was ich machen will, ist diese 0er wegbekommen, d.h. das Prog soll, sobald die erste 0 kommt, den vorrigen Wert drüber schreiben, bis eine Zahl > 0 kommt usw....

also wenn da steht in der letzten Spalte.... 247,5....248,3....0,00...0,00....273,2....274...0,00...0,00
dann soll nacher dastehen: 247,5....248,3...248,3..248,3..273,2....274....274....274

weiß jemand, wo mein Fehler liegt?

Lv85_img


Angehängte Datei(en)
Sonstige .txt  GPS.txt (Größe: 2,45 KB / Downloads: 328)

Sonstige .vi  Interpolieren.vi (Größe: 14,91 KB / Downloads: 305)
Webseite des Benutzers besuchen Alle Beiträge dieses Benutzers finden
Diese Nachricht in einer Antwort zitieren to top
Anzeige
17.04.2010, 19:28
Beitrag #2

SeBa Offline
LVF-Guru
*****


Beiträge: 2.025
Registriert seit: Oct 2008

09SP1 & 10 FDS
2008
DE

65xxx
Deutschland
Interpolation
Das hat jetzt aber nix mit interpolation zu tun. Mellow

Aber ich schau trotzdem mal rein.


Gruß SeBa

Dieser Beitrag soll weder nützlich, informativ noch lesbar sein.

Er erhebt lediglich den Anspruch dort wo er ungenau ist, wenigstens eindeutig ungenau zu sein.
In Fällen größerer Abweichungen ist es immer der Leser, der sich geirrt hat.

Rette einen Baum!
Diesen Beitrag nur ausdrucken, wenn unbedingt nötig!
Alle Beiträge dieses Benutzers finden
Diese Nachricht in einer Antwort zitieren to top
17.04.2010, 19:48
Beitrag #3

SeBa Offline
LVF-Guru
*****


Beiträge: 2.025
Registriert seit: Oct 2008

09SP1 & 10 FDS
2008
DE

65xxx
Deutschland
Interpolation
Hmm...



vielleicht so: Wink
       

Buersten
Gruß SeBa

Dieser Beitrag soll weder nützlich, informativ noch lesbar sein.

Er erhebt lediglich den Anspruch dort wo er ungenau ist, wenigstens eindeutig ungenau zu sein.
In Fällen größerer Abweichungen ist es immer der Leser, der sich geirrt hat.

Rette einen Baum!
Diesen Beitrag nur ausdrucken, wenn unbedingt nötig!
Alle Beiträge dieses Benutzers finden
Diese Nachricht in einer Antwort zitieren to top
17.04.2010, 23:31 (Dieser Beitrag wurde zuletzt bearbeitet: 17.04.2010 23:32 von Lecojon.)
Beitrag #4

Lecojon Offline
LVF-Gelegenheitsschreiber
**


Beiträge: 65
Registriert seit: Apr 2010

8.5
2010
en

-
Deutschland
Interpolation
...Respekt....mehr saggi net!
Webseite des Benutzers besuchen Alle Beiträge dieses Benutzers finden
Diese Nachricht in einer Antwort zitieren to top
18.04.2010, 10:13 (Dieser Beitrag wurde zuletzt bearbeitet: 18.04.2010 19:35 von Lucki.)
Beitrag #5

Lucki Offline
Tech.Exp.2.Klasse
LVF-Team

Beiträge: 7.699
Registriert seit: Mar 2006

LV 2016-18 prof.
1995
DE

01108
Deutschland
Interpolation
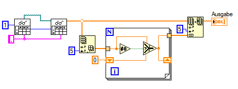
Hab mirs mal angesehen, und dabei konnte ich es nicht lassen eine Alternative zu basteln:
   
Lv85_img
Sonstige .vi  Interpolieren.vi (Größe: 11,46 KB / Downloads: 272)


BTW: Bei wem dieses VI nicht funktioniert, weil bei ihm das Komma in LV als Dezimalzeichen voreingestellt ist, ist selbst schuldMellow

Nachtrag, was ich noch sagen wollte: Seba hat ja schon gesagt, daß das nichts mit Interpolieren zu tun hat. Aber wäre nicht ein echte Interpolation der Zwischenwerte die bessere Alternative, und Du wolltes das nur nicht machen, weil du vor dem vermuteten Aufwand kapituliert hast?
Alle Beiträge dieses Benutzers finden
Diese Nachricht in einer Antwort zitieren to top
18.04.2010, 16:51 (Dieser Beitrag wurde zuletzt bearbeitet: 18.04.2010 16:51 von jg.)
Beitrag #6

jg Offline
CLA & CLED
LVF-Team

Beiträge: 15.864
Registriert seit: Jun 2005

20xx / 8.x
1999
EN

Franken...
Deutschland
Interpolation
' schrieb:BTW: Bei wem dieses VI nicht funktioniert, weil bei ihm das Komma in LV als Dezimalzeichen voreingestellt ist, ist selbst schuldMellow
LolRoflTop1

Gruß, Jens

Wer die erhabene Weisheit der Mathematik tadelt, nährt sich von Verwirrung. (Leonardo da Vinci)

!! BITTE !! stellt mir keine Fragen über PM, dafür ist das Forum da - andere haben vielleicht auch Interesse an der Antwort!

Einführende Links zu LabVIEW, s. GerdWs Signatur.
Alle Beiträge dieses Benutzers finden
Diese Nachricht in einer Antwort zitieren to top
Anzeige
19.04.2010, 13:15
Beitrag #7

Lucki Offline
Tech.Exp.2.Klasse
LVF-Team

Beiträge: 7.699
Registriert seit: Mar 2006

LV 2016-18 prof.
1995
DE

01108
Deutschland
Interpolation
Hier noch ein VI zur echten Interpolation.
Lv85_img
Sonstige .vi  Interpolieren_echt.vi (Größe: 17,28 KB / Downloads: 371)
Alle Beiträge dieses Benutzers finden
Diese Nachricht in einer Antwort zitieren to top
19.04.2010, 22:21
Beitrag #8

Lecojon Offline
LVF-Gelegenheitsschreiber
**


Beiträge: 65
Registriert seit: Apr 2010

8.5
2010
en

-
Deutschland
Interpolation
Mal so ne allgemeine Frage:

Wie ist das eigentlich mit den Arrays in LabVIEW? zum Teil habe ich hier files , die 40 MB groß sind....mein Rechner zu Hause packt die nicht, zu viele Daten.
Kann man da mit LV was machen?

Mir würd da jetzt einfallen mal ne riesen FOR-Schleife zu machen und Zeilenweise (also disable col oder sowas) einlesen---->rechnen----->ausgeben...
Webseite des Benutzers besuchen Alle Beiträge dieses Benutzers finden
Diese Nachricht in einer Antwort zitieren to top
20.04.2010, 07:13 (Dieser Beitrag wurde zuletzt bearbeitet: 20.04.2010 07:15 von GerdW.)
Beitrag #9

GerdW Offline
______________
LVF-Team

Beiträge: 17.536
Registriert seit: May 2009

LV2019 (LV2021)
1995
DE_EN

10×××
Deutschland
Interpolation
Hallo Lecojon,

40MB sind eigentlich noch eine "verträgliche" Größe für einen modernen PC (oder läuft LV auf einem Atom-Nettop mit 512MB RAM???).
Auf einem Rechner mit 2GB (echtem) RAM schafft mein LV Arrays von knapp 1GB Größe...

Das Problem sind eher unnötige Speicherkopien aufgrund umständlicher/ungeeigneter Programmierung. Schon mal Tools->...->Show Buffer Allocations aufgerufen?

Alle Beiträge dieses Benutzers finden
Diese Nachricht in einer Antwort zitieren to top
20.04.2010, 12:44
Beitrag #10

Lecojon Offline
LVF-Gelegenheitsschreiber
**


Beiträge: 65
Registriert seit: Apr 2010

8.5
2010
en

-
Deutschland
Interpolation
Ich hab wirklich 512 MB RAMBig Grin
In Fortran hatte ich dasselbe Problem, das File als Array eingelesen war zu viel, ich musste zeilenweise einlesen bzw für Mittelungen nur eine bnestimmte Anzahl einlesen und bearbeiten....

Ich merk auch, dass LV bei größeren Datenmengen i-wie zu keinem Ende kommt.... es läuft und läuft....ich muss es dann stoppen nach einer Weile....
Webseite des Benutzers besuchen Alle Beiträge dieses Benutzers finden
Diese Nachricht in einer Antwort zitieren to top
Antwort schreiben 


Gehe zu: