INFO: Dieses Forum nutzt Cookies...
Cookies sind für den Betrieb des Forums unverzichtbar. Mit der Nutzung des Forums erklärst Du dich damit einverstanden, dass wir Cookies verwenden.

Es wird in jedem Fall ein Cookie gesetzt um diesen Hinweis nicht mehr zu erhalten. Desweiteren setzen wir Google Adsense und Google Analytics ein.


Antwort schreiben 

Knight Rider



Wenn dein Problem oder deine Frage geklärt worden ist, markiere den Beitrag als "Lösung",
indem du auf den "Lösung" Button rechts unter dem entsprechenden Beitrag klickst. Vielen Dank!

23.06.2010, 10:42
Beitrag #1

FloKun Offline
LVF-Neueinsteiger


Beiträge: 5
Registriert seit: Jul 2009

2010
2008
de

20146
Deutschland
Knight Rider
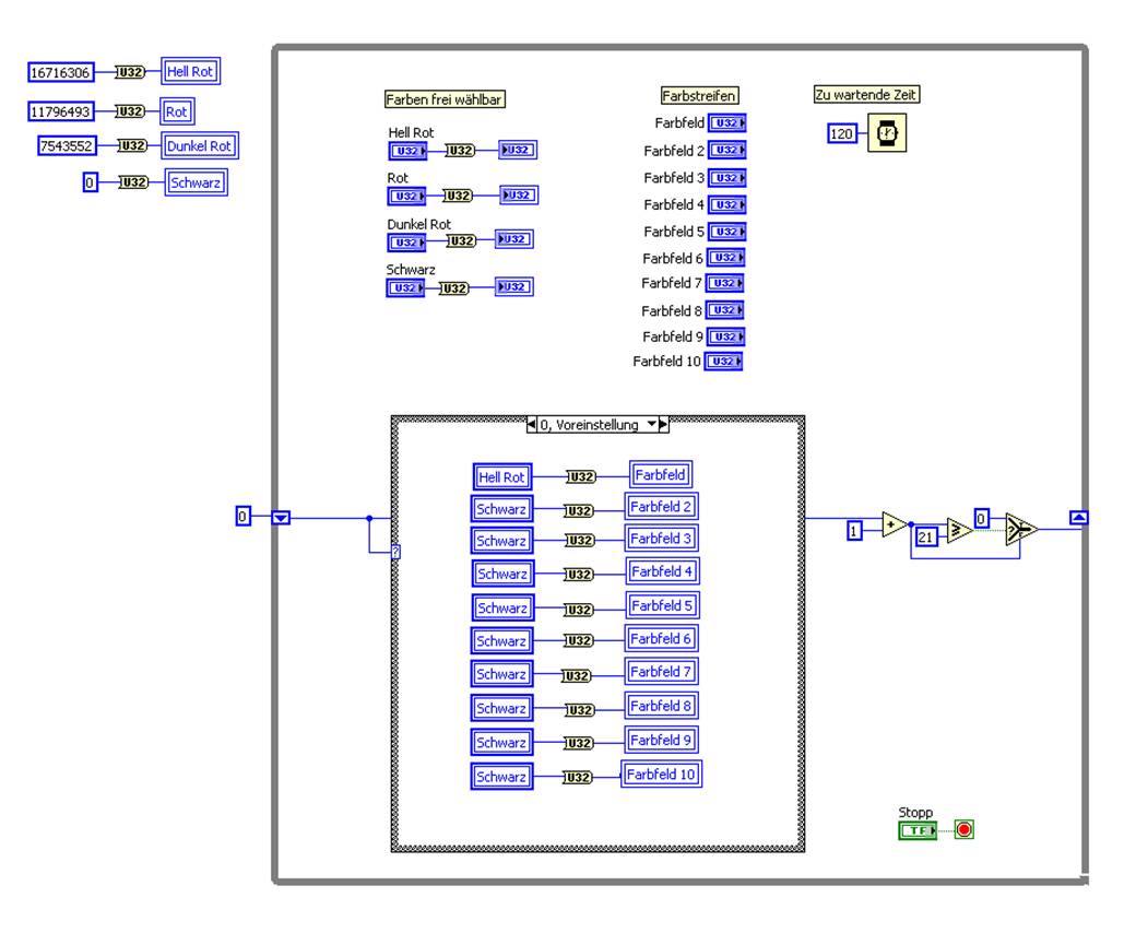
Hallo liebes Forum,

ich habe mir einen Knight Rider Balken gebastelt, finde meinen Lösungsweg aber viel zu kompliziert.

Vielleicht fällt euch eine einfache Lösung ein!?

Knight Rider ist so schön retro Big Grin


Lv85_img


Angehängte Datei(en) Thumbnail(s)
       

Sonstige .vi  Knight_Rider_2.0.vi (Größe: 153,01 KB / Downloads: 380)
Alle Beiträge dieses Benutzers finden
Diese Nachricht in einer Antwort zitieren to top
Anzeige
23.06.2010, 10:52 (Dieser Beitrag wurde zuletzt bearbeitet: 23.06.2010 10:55 von GerdW.)
Beitrag #2

GerdW Offline
______________
LVF-Team

Beiträge: 17.540
Registriert seit: May 2009

LV2019 (LV2021)
1995
DE_EN

10×××
Deutschland
Knight Rider
Hallo FloKun,

bitte die lokalen Variablen entfernen und deine ColorBoxen in ein Array packen!
Ich persönlich verwende beim Umgang mit Farben 1) ColorBox-Konstanten oder 2) numerische Konstanten/Anzeigen in hexadezimal-Displaymode.

Edit:
- Dein ">=21"-Vergleich etc. könnte man durch eine Quotient&Remainder-Operation ersetzen...
- Warum konvertierst du ständig aufs Neue nach U32? Du arbeitest doch schon mit U32-Werten...

Alle Beiträge dieses Benutzers finden
Diese Nachricht in einer Antwort zitieren to top
23.06.2010, 12:28
Beitrag #3

SeBa Offline
LVF-Guru
*****


Beiträge: 2.025
Registriert seit: Oct 2008

09SP1 & 10 FDS
2008
DE

65xxx
Deutschland
Knight Rider
Coole Idee.

Wofür wirst du das benutzen, oder ist das nur zum Spass?


Gruß SeBa

Dieser Beitrag soll weder nützlich, informativ noch lesbar sein.

Er erhebt lediglich den Anspruch dort wo er ungenau ist, wenigstens eindeutig ungenau zu sein.
In Fällen größerer Abweichungen ist es immer der Leser, der sich geirrt hat.

Rette einen Baum!
Diesen Beitrag nur ausdrucken, wenn unbedingt nötig!
Alle Beiträge dieses Benutzers finden
Diese Nachricht in einer Antwort zitieren to top
23.06.2010, 13:22
Beitrag #4

SeBa Offline
LVF-Guru
*****


Beiträge: 2.025
Registriert seit: Oct 2008

09SP1 & 10 FDS
2008
DE

65xxx
Deutschland
Knight Rider
:push:

Hab auch mal eins gebastelt...
(Das Konzept nennt sich State Machine)

Bei Fragen einfach Fragen fragenBig Grin


Lv80_img
Sonstige .vi  KnightRider_Bar.vi (Größe: 32,19 KB / Downloads: 433)


       


Gruß SeBa

EDIT:
Man, ich habs heute nicht so mit Rechtschreibung und Tippfehlern... S&R... ihr dürft sie behalten.

Dieser Beitrag soll weder nützlich, informativ noch lesbar sein.

Er erhebt lediglich den Anspruch dort wo er ungenau ist, wenigstens eindeutig ungenau zu sein.
In Fällen größerer Abweichungen ist es immer der Leser, der sich geirrt hat.

Rette einen Baum!
Diesen Beitrag nur ausdrucken, wenn unbedingt nötig!
Alle Beiträge dieses Benutzers finden
Diese Nachricht in einer Antwort zitieren to top
23.06.2010, 14:17 (Dieser Beitrag wurde zuletzt bearbeitet: 23.06.2010 14:22 von FloKun.)
Beitrag #5

FloKun Offline
LVF-Neueinsteiger


Beiträge: 5
Registriert seit: Jul 2009

2010
2008
de

20146
Deutschland
Knight Rider
@GerdW: Danke für den Tipp! Hab's mal mit Arrays versucht. Das Ergebnis ist im Anhang. Leider läuft der Balken rechts aus dem Bild und links nicht. An den "Randbedingungen" muss noch gearbeitet werden. Sehe gerade, dass SeBa dafür eine simple Lösung hat.



@Seba: Cool, dass du auch etwas gebaut hast. Muss mich noch ein wenig in dein Programm herein denken. Sieht aber echt gut aus.



Hintergrund ist eine Cocktail-Maschine, die unser Arbeitskreis (Uni Hamburg) bei verschiedenen Anlässen aufbaut. Diese besteht aus Schlauchpumpen, einer Waage, einem Kryostat, ein paar Pt-100 und vielen Glasteilen. Alles zusammen wird durch ein LabVIEW Programm gesteuert. Das allein ist schon nicht schlecht, aber ich würde gerne einen "sprechenden Automaten" bauen. Knight Rider Balken, bisschen Sound, vielleicht eine Frequenz-Analyse,...Bei der Anlage geht es halt um den Showeffekt.



Lv85_img


P.S.: Wie verändere ich das Design der Anzeigeelemente, so dass sie keinen Rahmen mehr haben. Kenn grob den Weg über "Fortgeschritte -> Anpassen", aber dann....

Vielen Dank!!!


Angehängte Datei(en) Thumbnail(s)
   

Sonstige .vi  Knight_Rider_2.1.vi (Größe: 15,81 KB / Downloads: 307)
Alle Beiträge dieses Benutzers finden
Diese Nachricht in einer Antwort zitieren to top
23.06.2010, 14:37
Beitrag #6

SeBa Offline
LVF-Guru
*****


Beiträge: 2.025
Registriert seit: Oct 2008

09SP1 & 10 FDS
2008
DE

65xxx
Deutschland
Knight Rider
' schrieb:P.S.: Wie verändere ich das Design der Anzeigeelemente, so dass sie keinen Rahmen mehr haben. Kenn grob den Weg über "Fortgeschritte -> Anpassen", aber dann....

Nimm doch das Array und das Farbfeld (ohne Rahmen) von der klassischen Palette.

-->
   


Gruß SeBa

Dieser Beitrag soll weder nützlich, informativ noch lesbar sein.

Er erhebt lediglich den Anspruch dort wo er ungenau ist, wenigstens eindeutig ungenau zu sein.
In Fällen größerer Abweichungen ist es immer der Leser, der sich geirrt hat.

Rette einen Baum!
Diesen Beitrag nur ausdrucken, wenn unbedingt nötig!
Alle Beiträge dieses Benutzers finden
Diese Nachricht in einer Antwort zitieren to top
Anzeige
23.06.2010, 19:12 (Dieser Beitrag wurde zuletzt bearbeitet: 23.06.2010 19:15 von Lucki.)
Beitrag #7

Lucki Offline
Tech.Exp.2.Klasse
LVF-Team

Beiträge: 7.699
Registriert seit: Mar 2006

LV 2016-18 prof.
1995
DE

01108
Deutschland
Knight Rider
Tolles VI von Seba, da geniere ich mich richtig, meine Eindampfungs-Bemühungen hier ebenfalls zu posten. (Es ist seit heute Mittag fertig, aber ich konnte nichts posten und habe stundenlang mit dem Firefox-Fehler "Die Verbindung zum Server wurde zurückgesetzt, während die Seite geladen wurde" gekämpft).
Lv80_img
Sonstige .vi  Knight_Rider_2.0WA.vi (Größe: 17,43 KB / Downloads: 339)
Alle Beiträge dieses Benutzers finden
Diese Nachricht in einer Antwort zitieren to top
23.06.2010, 22:26
Beitrag #8

SeBa Offline
LVF-Guru
*****


Beiträge: 2.025
Registriert seit: Oct 2008

09SP1 & 10 FDS
2008
DE

65xxx
Deutschland
Knight Rider
' schrieb:Tolles VI von Seba, da geniere ich mich richtig, meine Eindampfungs-Bemühungen hier ebenfalls zu posten.

Naja, hab da beim Wechseln der Laufrichtung etwas geschludert... da gibt es bestimmt elegeantere Möglichkeiten.
Aber so für ne Mittagspausen-Klickerei fand ichs ausreichendBig Grin


Deiner Lösung muss man aber auch zugestehen, dass sie wesentlcih schlanker wirkt.



Gruß SeBa

Dieser Beitrag soll weder nützlich, informativ noch lesbar sein.

Er erhebt lediglich den Anspruch dort wo er ungenau ist, wenigstens eindeutig ungenau zu sein.
In Fällen größerer Abweichungen ist es immer der Leser, der sich geirrt hat.

Rette einen Baum!
Diesen Beitrag nur ausdrucken, wenn unbedingt nötig!
Alle Beiträge dieses Benutzers finden
Diese Nachricht in einer Antwort zitieren to top
24.06.2010, 08:20
Beitrag #9

Lucki Offline
Tech.Exp.2.Klasse
LVF-Team

Beiträge: 7.699
Registriert seit: Mar 2006

LV 2016-18 prof.
1995
DE

01108
Deutschland
Knight Rider
@Seba
Hatte mal mit dem Gedanken gespielt, mich der CLD-Prüfung zu stellen (um meine Eitelkeit zu befriedigen). Eine Anforderung an das VI, welches man da erstellen so, ist: Es soll skalierbar sein. D.h. im Idealfall: durch einfaches Aufziehen eines Arrays soll es mit unterschiedlicher Elementezahl funktionieren. Deine Lösung passt da schon sehr gut rein.
Alle Beiträge dieses Benutzers finden
Diese Nachricht in einer Antwort zitieren to top
26.06.2010, 14:56 (Dieser Beitrag wurde zuletzt bearbeitet: 26.06.2010 15:18 von Achimedes.)
Beitrag #10

Achimedes Offline
LVF-Freak
****


Beiträge: 544
Registriert seit: Aug 2005

2011
2001
DE

72461
Deutschland
Knight Rider
das gefällt mir. Big Grin

hab auch mal gebastelt.

Sonstige .vi  NR.vi (Größe: 12,07 KB / Downloads: 344)

Lv09_img2


Sonstige .vi  NR.vi (Größe: 13,48 KB / Downloads: 282)

Lv85_img

Wer Rechtschreibfehler findet .... darf sie behalten.
Alle Beiträge dieses Benutzers finden
Diese Nachricht in einer Antwort zitieren to top
Antwort schreiben 


Gehe zu: