INFO: Dieses Forum nutzt Cookies...
Cookies sind für den Betrieb des Forums unverzichtbar. Mit der Nutzung des Forums erklärst Du dich damit einverstanden, dass wir Cookies verwenden.

Es wird in jedem Fall ein Cookie gesetzt um diesen Hinweis nicht mehr zu erhalten. Desweiteren setzen wir Google Adsense und Google Analytics ein.


Antwort schreiben 

LV Absturz nach ca. 11 Stunden, letzter Wert "NUL" - Was tun ?



Wenn dein Problem oder deine Frage geklärt worden ist, markiere den Beitrag als "Lösung",
indem du auf den "Lösung" Button rechts unter dem entsprechenden Beitrag klickst. Vielen Dank!

07.03.2012, 12:38 (Dieser Beitrag wurde zuletzt bearbeitet: 07.03.2012 12:38 von bernysberny.)
Beitrag #1

bernysberny Offline
LVF-Neueinsteiger


Beiträge: 9
Registriert seit: Mar 2012

2011
2009
EN



LV Absturz nach ca. 11 Stunden, letzter Wert "NUL" - Was tun ?
Hi, erst mal ein freundliches "Hallo" in dieses Forum,

leider habe ich ein recht schlecht debug-bares Problem:


Programm (LV 2011) läuft auf Intel Atom PC mit Karte 6210 und 6361 (beide USB) , Win XP problemfrei über 11 Stunden, dann friert der PC ein - also letzter Wert wird ( vgl Anhang ) "NUL" - Wert geschrieben. Beim nächsten Start kommt dann die Meldung ( LV im Programiermodus ) dass LV abgestützt sei.


Kennt jemand das Problem ?

Gibt es einen workaround ?

Hat jemand einen Tipp ?


Vielen Dank !

Viele Grüße

Berny


Angehängte Datei(en)
0.0 .dat  B3413947546.dat (Größe: 460,67 KB / Downloads: 345)
Alle Beiträge dieses Benutzers finden
Diese Nachricht in einer Antwort zitieren to top
Anzeige
07.03.2012, 12:55
Beitrag #2

jg Offline
CLA & CLED
LVF-Team

Beiträge: 15.864
Registriert seit: Jun 2005

20xx / 8.x
1999
EN

Franken...
Deutschland
RE: LV Absturz nach ca. 11 Stunden, letzter Wert "NUL" - Was tun ?
Standardsuche: Schon mal den Speicherverbrauch beobachtet? Öffnest du unnötig Referenzen, die du nicht schließt?

Ansonsten ist mit der bisherigen Fehlerbeschreibung nichts Konkreteres zu sagen.

Gruß, Jens

Wer die erhabene Weisheit der Mathematik tadelt, nährt sich von Verwirrung. (Leonardo da Vinci)

!! BITTE !! stellt mir keine Fragen über PM, dafür ist das Forum da - andere haben vielleicht auch Interesse an der Antwort!

Einführende Links zu LabVIEW, s. GerdWs Signatur.
Alle Beiträge dieses Benutzers finden
Diese Nachricht in einer Antwort zitieren to top
07.03.2012, 13:15 (Dieser Beitrag wurde zuletzt bearbeitet: 07.03.2012 13:16 von bernysberny.)
Beitrag #3

bernysberny Offline
LVF-Neueinsteiger


Beiträge: 9
Registriert seit: Mar 2012

2011
2009
EN



RE: LV Absturz nach ca. 11 Stunden, letzter Wert "NUL" - Was tun ?
Hi,

ja Speicherverbrauch ist konstant, hab das gleiche schon mit dem einem eigenen VI (Expressvi zur Datenaufnahme + direktes Speichern) - gleiches Verhalten. Da wir zwei baugleiche HW-Systeme haben ist ein HW-Defekt unwahrscheinlich, beide haben das Problem, da der Fehler ja "nur" zweimal pro Tag vorkommt ist er sehr schwer besser zu beschreiben....

Weitere Tipps ? :-)


Viele Grüße

Berny
Alle Beiträge dieses Benutzers finden
Diese Nachricht in einer Antwort zitieren to top
07.03.2012, 15:16
Beitrag #4

GerdW Offline
______________
LVF-Team

Beiträge: 17.538
Registriert seit: May 2009

LV2019 (LV2021)
1995
DE_EN

10×××
Deutschland
RE: LV Absturz nach ca. 11 Stunden, letzter Wert "NUL" - Was tun ?
Hallo Berny,

Tipp: auf ExpressVIs verzichten, wenn ein Programm langzeit-stabil laufen soll!

Alle Beiträge dieses Benutzers finden
Diese Nachricht in einer Antwort zitieren to top
07.03.2012, 15:24
Beitrag #5

bernysberny Offline
LVF-Neueinsteiger


Beiträge: 9
Registriert seit: Mar 2012

2011
2009
EN



RE: LV Absturz nach ca. 11 Stunden, letzter Wert "NUL" - Was tun ?
Hi,

jup - das Test VI hatte ich auch "nur" weil ich dachte, dass ich vielleicht ja doch was selber bei DAQmx falsch gemacht habe Wink


--> was mich so wundert - wie kann es sein, dass "Nul" als Wert noch geschrieben wird - also was kann der Grund dafür sein ?

---> es ist immer 100% das gleiche Bild - letzte Zeile "Nul"

Gruß

Berny
Alle Beiträge dieses Benutzers finden
Diese Nachricht in einer Antwort zitieren to top
07.03.2012, 15:30 (Dieser Beitrag wurde zuletzt bearbeitet: 07.03.2012 15:31 von GerdW.)
Beitrag #6

GerdW Offline
______________
LVF-Team

Beiträge: 17.538
Registriert seit: May 2009

LV2019 (LV2021)
1995
DE_EN

10×××
Deutschland
RE: LV Absturz nach ca. 11 Stunden, letzter Wert "NUL" - Was tun ?
Hallo Berny,

du zeigst uns weder das VI noch ein Bild des BDs - und wir sollen raten, was kaputt ist? Glas1

Also wirklich...

Alle Beiträge dieses Benutzers finden
Diese Nachricht in einer Antwort zitieren to top
Anzeige
07.03.2012, 15:48 (Dieser Beitrag wurde zuletzt bearbeitet: 07.03.2012 15:49 von bernysberny.)
Beitrag #7

bernysberny Offline
LVF-Neueinsteiger


Beiträge: 9
Registriert seit: Mar 2012

2011
2009
EN



RE: LV Absturz nach ca. 11 Stunden, letzter Wert "NUL" - Was tun ?
aber gerne - is ja quasi "nix" drin Smile


Angehängte Datei(en) Thumbnail(s)
   

11.0 .vi  DAQ-TEST.vi (Größe: 69,2 KB / Downloads: 240)
Alle Beiträge dieses Benutzers finden
Diese Nachricht in einer Antwort zitieren to top
07.03.2012, 15:52
Beitrag #8

GerdW Offline
______________
LVF-Team

Beiträge: 17.538
Registriert seit: May 2009

LV2019 (LV2021)
1995
DE_EN

10×××
Deutschland
RE: LV Absturz nach ca. 11 Stunden, letzter Wert "NUL" - Was tun ?
Hallo Berny,

ich wiederhole mich ungern, aber: Auf ExpressVI verzichten!

Weder erscheint es mir sinnvoll, im 20ms-Takt Dateien zu öffnen, Daten zu schreiben und die Datei wieder zu schließen, noch erscheint es mir sinnvoll, im gleichen 20ms-Takt DAQ-HW zu initialisieren, zu lesen und wieder auszuschalten. Und das Ganze auch noch endlos vorzuhaben...

Alle Beiträge dieses Benutzers finden
Diese Nachricht in einer Antwort zitieren to top
07.03.2012, 15:58
Beitrag #9

bernysberny Offline
LVF-Neueinsteiger


Beiträge: 9
Registriert seit: Mar 2012

2011
2009
EN



RE: LV Absturz nach ca. 11 Stunden, letzter Wert "NUL" - Was tun ?
Hi,

alles klar - ich werde das mal testen und mich dann wieder melden - vielen vielen Dank schon mal an euch !!!!

Gruß

Berny
Alle Beiträge dieses Benutzers finden
Diese Nachricht in einer Antwort zitieren to top
17.03.2012, 19:39
Beitrag #10

bernysberny Offline
LVF-Neueinsteiger


Beiträge: 9
Registriert seit: Mar 2012

2011
2009
EN



RE: LV Absturz nach ca. 11 Stunden, letzter Wert "NUL" - Was tun ?
[/align]Hi @all,


in der Zwischenzeit habe ich mal bisschen getestet:

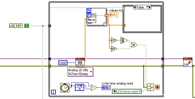
Das Lesen ist über DAQmx gemacht - nun tritt folgendes auf ( ebenfalls nach etlichen Stunden)

Es werden keine neuen analogen Daten mehr gelesen. Klickt man dann ins das VI rein, so sieht man folgendes:


a) Die Digitalports der Karte laufen noch

b) die DAQmx Read-Schleife (siehe Anlage) tut einfach "nix" (=no execution), man kann bis zum dll-Code reinklicken. Hält man das Program an und startet neu, dann geht wieder alles weiter

Hat jemand nen Tipp ? (oder nen Workaround Big Grin)

Grüße
Berny

P.S. DAQmx 9.4 installiert, um das noch auszuschließen...


Angehängte Datei(en) Thumbnail(s)
       
Alle Beiträge dieses Benutzers finden
Diese Nachricht in einer Antwort zitieren to top
Antwort schreiben 


Möglicherweise verwandte Themen...
Themen Verfasser Antworten Views Letzter Beitrag
  Absturz von LabView bei Doppelklick auf DAQ-Assistant jaqui 0 4.528 06.08.2015 07:58
Letzter Beitrag: jaqui
  Nach 250 Stunden, Fehler 50352 steffenm 2 4.639 26.08.2009 22:25
Letzter Beitrag: Newton2k1
  Problem mit Dauermessung - immer wieder Absturz ph1211 38 31.547 29.08.2008 20:06
Letzter Beitrag: Achim
  getriggertes Signal(Y-Wert) bei bestimmtem X-Wert cedus 1 4.828 14.12.2007 23:56
Letzter Beitrag: ernie

Gehe zu: