INFO: Dieses Forum nutzt Cookies...
Cookies sind für den Betrieb des Forums unverzichtbar. Mit der Nutzung des Forums erklärst Du dich damit einverstanden, dass wir Cookies verwenden.

Es wird in jedem Fall ein Cookie gesetzt um diesen Hinweis nicht mehr zu erhalten. Desweiteren setzen wir Google Adsense und Google Analytics ein.


LabVIEW --> DIAdem



Wenn dein Problem oder deine Frage geklärt worden ist, markiere den Beitrag als "Lösung",
indem du auf den "Lösung" Button rechts unter dem entsprechenden Beitrag klickst. Vielen Dank!

18.02.2008, 02:10
Beitrag #1

Stoney Offline
LVF-Grünschnabel
*


Beiträge: 16
Registriert seit: Feb 2008

8.20
2008
kA

40223
Deutschland
LabVIEW --> DIAdem
Hallo Zusammen!

Würde gerne Kurvendaten einer Regelung, die ich bisher in LabVIEW über ein Waveform-Chart zur Anzeige gebracht habe, in Diadem auswerten (u.a. ausdrucken).

Habe leider bisher noch keine Kenntnisse in Sachen Diadem.
Mich würde vorallem interessieren, wie die Anbindung in LabVIEW an Diadem funktioniert?!
Wie gehe ich am besten vor?

Habe mal mein LabVIEW VI in den Anhang gepackt!


Gruß Stoney

Lv82_img


Angehängte Datei(en)
Sonstige .vi  Regelung_mit_PID_Regler_3.vi (Größe: 36,72 KB / Downloads: 389)
Alle Beiträge dieses Benutzers finden
to top
Anzeige
18.02.2008, 09:54
Beitrag #2

Carpe_DIAdem Offline
LVF-Gelegenheitsschreiber
**


Beiträge: 94
Registriert seit: Jul 2007

alle DIAdem-Versionen
1989
de


Deutschland
LabVIEW --> DIAdem
Hallo Stoney,

es gibt unterschiedliche Möglichkeiten Daten zwischen LabVIEW und DIAdem auszutauschen (Datei, OLE, Connectivity VI's).
Die einfachste Variante ist aber das Speichern der Daten im TDM/TDMS-Datenformat. Hierzu gibt es fertige VI's mit denen das Speichern ein Kinderspiel ist. Das TDM/TDMS-Datenformat ist das NI-Standard-Datenformat, dass von immer mehr Produkten (nicht nur NI-Produkte) unterstützt wird. Übrigens können so gespeicherte Daten auch direkt in Excel eingelesen werden, wenn ein entsprchendes, kostenfreies Excel-Add-In installiert ist.
Ausführliche Hilfe zu LabVIEW und TDMS findest du in der NI-KnowledgeBase.

Wenn die Daten als Datei vorliegen, können sie leicht in DIAdem geladen und weiterverarbeitet werden. Wenn noch keine Kenntnisse zu DIAdem vorhanden sind, ist sicherlich das "Getting Started" hilfreich. Hier wird kurz und knapp beschrieben, wie man mit DIAdem arbeiten kann.

Carpe DIAdem
Alle Beiträge dieses Benutzers finden
to top
19.02.2008, 02:29 (Dieser Beitrag wurde zuletzt bearbeitet: 19.02.2008 02:30 von Stoney.)
Beitrag #3

Stoney Offline
LVF-Grünschnabel
*


Beiträge: 16
Registriert seit: Feb 2008

8.20
2008
kA

40223
Deutschland
LabVIEW --> DIAdem
Danke für die schnelle Antwort!

Soo...habe es mal mit dem Express VI "Diadem Report" probiert...leider nur mit geringem
Erfolg.

-->Express VI so eingestellt, dass Diadem mir die Daten als PDF ausspuckt.
-->Dateipfad angegeben
-->Signal (2D-Array --> Dynamic Data Type) angelegt
-->das VI "Diadem Report" liegt selbst in einer Case-Struktur

Mein Ziel ist es, in LabVIEW, über einen bool'schen Wert den Report zu starten und auch wieder zu beenden.
Nach Beendigung des Reports sollen die Daten dann als PDF angezeigt werden.

Was mache ich falsch?

Gruß Stoney


Hier nochmal mein Programm mit dem Express VI...

Lv82_img


Angehängte Datei(en)
Sonstige .vi  Regelung_mit_PID_Regler_4.vi (Größe: 212,74 KB / Downloads: 338)
Alle Beiträge dieses Benutzers finden
to top
19.02.2008, 11:24
Beitrag #4

Carpe_DIAdem Offline
LVF-Gelegenheitsschreiber
**


Beiträge: 94
Registriert seit: Jul 2007

alle DIAdem-Versionen
1989
de


Deutschland
LabVIEW --> DIAdem
Hallo Stoney,

es sollte mit den Expross VP's funktionieren. Aber ich kenne mich damit nicht aus. Aber vielleicht findest du im LV Forum eine Antwort.

Carpe DIAdem
Alle Beiträge dieses Benutzers finden
to top
20.02.2008, 02:26
Beitrag #5

Stoney Offline
LVF-Grünschnabel
*


Beiträge: 16
Registriert seit: Feb 2008

8.20
2008
kA

40223
Deutschland
LabVIEW --> DIAdem
So..., ich glaube das Problem gefunden zu haben (aber nicht die Lösung):

Mein Express VI befindet sich innerhalb einer While-Schleife, wo auch meine Messdaten generiert
werden. Folglich werden die "einzelnen" Abtastwerte der Regelung ständig in eine neue Datei geschrieben (somit erhält man quasi für jede Messung hunderte von Dateien bzw. einzelne Graphen
pro abgetasteten Wert).

Habe auch versucht das Express VI ausserhalb der Schleife zu platzieren, was natürlich auch nicht geht, da so nur ein Punkt gespeichert wird (da es ja nur einmal aufgerufen wird).

Gruß Dirk
Alle Beiträge dieses Benutzers finden
to top
27.03.2008, 18:47
Beitrag #6

MP_79 Offline
LVF-Grünschnabel
*


Beiträge: 12
Registriert seit: Nov 2007

8.5
2007
kA

22547
Deutschland
LabVIEW --> DIAdem
Hallo,

scahu dir mal das bsp. aus LV an:

Cont Acq&Graph Voltage - Write Data to File (TDMS).vi


Viel Erfolg!


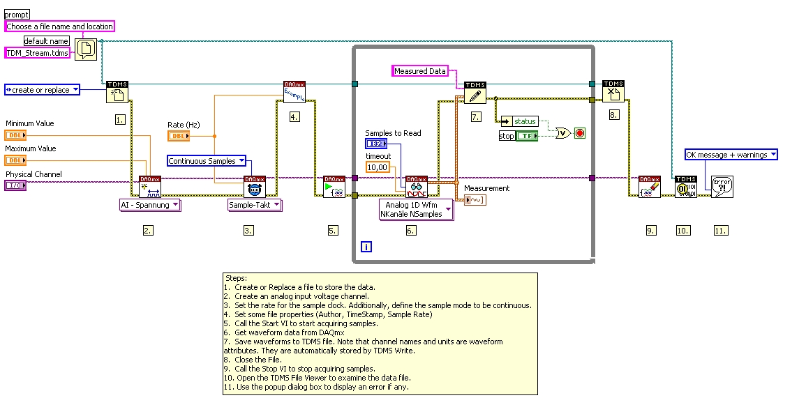
Angehängte Datei(en) Thumbnail(s)
   
Alle Beiträge dieses Benutzers finden
to top
Anzeige


Möglicherweise verwandte Themen...
Themen Verfasser Antworten Views Letzter Beitrag
  Diadem Ramen-Cursor mit Einbeziehen ThZieg 2 4.647 26.09.2008 13:44
Letzter Beitrag: ThZieg
  VBS-Script in DIAdem farbig drucken? Maxe 5 8.470 04.09.2008 16:16
Letzter Beitrag: ThomAC
  SQL-Datenbankabfrage in DIAdem Ert 1 6.939 28.08.2008 06:58
Letzter Beitrag: Carpe_DIAdem
  DIAdem 10.2 und MGC+ MP_79 3 8.211 28.07.2008 10:37
Letzter Beitrag: haussh
  In DIAdem Report, Arbeitsblätter verlinken Hans-Hermann 2 5.642 06.06.2008 09:19
Letzter Beitrag: Hans-Hermann
  Fehler beim Öffnen von LabVIEW über Diadem Joachim.Franck 1 4.200 28.05.2008 10:30
Letzter Beitrag: Carpe_DIAdem

Gehe zu: