INFO: Dieses Forum nutzt Cookies...
Cookies sind für den Betrieb des Forums unverzichtbar. Mit der Nutzung des Forums erklärst Du dich damit einverstanden, dass wir Cookies verwenden.

Es wird in jedem Fall ein Cookie gesetzt um diesen Hinweis nicht mehr zu erhalten. Desweiteren setzen wir Google Adsense und Google Analytics ein.


Antwort schreiben 

Laufende Datenabspeicherung samt Datum und Zeit?



Wenn dein Problem oder deine Frage geklärt worden ist, markiere den Beitrag als "Lösung",
indem du auf den "Lösung" Button rechts unter dem entsprechenden Beitrag klickst. Vielen Dank!

16.03.2006, 14:31
Beitrag #1

Maria Fürmetz Offline
LVF-Grünschnabel
*


Beiträge: 11
Registriert seit: Mar 2006



kA



Laufende Datenabspeicherung samt Datum und Zeit?
Hallo,

ich arbeite gerade zum ersten Mal mit LabVIEW - schreibe ein Programm zur Steuerung eines Stirling-Kühlers - und komme eigentlich auch ganz gut zurecht. Nun habe ich aber ein Problem:

Die empfangenen Daten sollen laufend samt Datum und Zeit gespeichert werden, und zwar immer eine Datei pro Tag.
Ich habe mich hier im Forum schon etwas schlau gemacht und gefunden, wie das prinzipiell funktioniert (der Beitrag "Meßwerte mit Datum in Excel"). Das funktioniert auch, ich habe aber noch keine Möglichkeit gefunden, einzustellen, dass nach bestimmter Zeit eine neue Datei angefangen wird. Geht das irgendwie? Außerdem wüßte ich dann nicht, wie ich die stetige Speicherung hinbekomme, da ich das Array ja erst habe, wenn die Messung gestoppt wird...

Alternative ist das Express-VI "Write to Measurement File", wo diese Einstellung vorhanden ist, da habe ich es aber noch nicht geschafft, die Daten in das gewünschte dynamic-data-Format zu bringen, da hier die time stamp Probleme macht, die ich nur zu einem String hinbekomme.

Meine dritte Überlegung ist die, dass ich die aktuelle Zeit und das aktuelle Datum direkt in den Waveform Chart, den ich zur ständigen Anzeige der aktuellen Meßwerte benutze, einbaue. Denn dann müßte man nur noch einstellen, dass in der Datei die X-Werte angezeigt werden. Dies wäre vermutlich die einfachste Möglichkeit. Allerdings müßte dazu bei Programmstart die aktuelle Zeit automatisch als X-Achsen-Skalierung auftauchen. Aber wenn ich absolute Zeit wähle, kommt als Offset Januar 1904 und man müßte immer per Hand den akutellen Offset einstellen. Gibt es da eine Möglichkeit, dies zu automatisieren?
Oder gibt es auf der anderen Seite eine Möglichkeit, in einem Graphen laufend die Meßwerte anzuzeigen? Mit einem Graphen wäre nämlich das Datum/Zeit-Problem gelöst.

Schon mal vielen Dank im Voraus, ich hoffe, dass mir jemand helfen kann!
Alle Beiträge dieses Benutzers finden
Diese Nachricht in einer Antwort zitieren to top
Anzeige
16.03.2006, 14:42
Beitrag #2

eg Offline
LVF-SeniorMod


Beiträge: 3.868
Registriert seit: Nov 2005

2016
2003
kA

66111
Deutschland
Laufende Datenabspeicherung samt Datum und Zeit?
Hallo Maria, ich habe sowas schon gemacht.

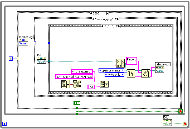
Und zwar läuft bei mir eine unabhängige Task, die neue jede Stunde Dateien kreiert.

Hier ein Screenshot davon.


Gruss, Eugen


Angehängte Datei(en) Thumbnail(s)
   
Webseite des Benutzers besuchen Alle Beiträge dieses Benutzers finden
Diese Nachricht in einer Antwort zitieren to top
16.03.2006, 14:52
Beitrag #3

Maria Fürmetz Offline
LVF-Grünschnabel
*


Beiträge: 11
Registriert seit: Mar 2006



kA



Laufende Datenabspeicherung samt Datum und Zeit?
Hallo Eugen,

vielen Dank für die wahnsinnig schnelle Antwort! Ich habe den Screenshot auch gleich auf mich wirken lassen, muß aber gestehen, dass es mir als Anfänger noch schwer fällt, genau nachzuvollziehen, was da passiert. Mir fehlt die Kontexthilfe ein bißchen Wink .
Deswegen meine Frage: Könnten Sie mir das Programm schicken bzw. es online stellen?
Alle Beiträge dieses Benutzers finden
Diese Nachricht in einer Antwort zitieren to top
16.03.2006, 15:46
Beitrag #4

eg Offline
LVF-SeniorMod


Beiträge: 3.868
Registriert seit: Nov 2005

2016
2003
kA

66111
Deutschland
Laufende Datenabspeicherung samt Datum und Zeit?
Das Programm ist viel zu gross und duzu noch geheim. Ich könnte aber mehr Screenshots senden und kommentieren.

Gruss
Webseite des Benutzers besuchen Alle Beiträge dieses Benutzers finden
Diese Nachricht in einer Antwort zitieren to top
16.03.2006, 17:05
Beitrag #5

Maria Fürmetz Offline
LVF-Grünschnabel
*


Beiträge: 11
Registriert seit: Mar 2006



kA



Laufende Datenabspeicherung samt Datum und Zeit?
Das wäre auf alle Fälle sehr nett!
Alle Beiträge dieses Benutzers finden
Diese Nachricht in einer Antwort zitieren to top
27.03.2006, 15:00
Beitrag #6

Maria Fürmetz Offline
LVF-Grünschnabel
*


Beiträge: 11
Registriert seit: Mar 2006



kA



Laufende Datenabspeicherung samt Datum und Zeit?
Gilt das Angebot mit den zusätzlichen Screenshots noch? Ich wäre Ihnen wirklich sehr dankbar, habe mein Problem nämlich immer noch nicht zufriedenstellend gelöst... Speziell würde ich gerne wissen, woher man die ganzen Value-Property-Nodes bekommt - also welche Controls dahinterstecken. Wie man eine Property Node allgemein erzeugt, das weiß ich.
Alle Beiträge dieses Benutzers finden
Diese Nachricht in einer Antwort zitieren to top
Anzeige
03.04.2006, 12:15
Beitrag #7

Maria Fürmetz Offline
LVF-Grünschnabel
*


Beiträge: 11
Registriert seit: Mar 2006



kA



Laufende Datenabspeicherung samt Datum und Zeit?
Hat sich erledigt, habe es selbst auf eine andere Art und Weise hingekriegt.
Alle Beiträge dieses Benutzers finden
Diese Nachricht in einer Antwort zitieren to top
30
Antwort schreiben 


Möglicherweise verwandte Themen...
Themen Verfasser Antworten Views Letzter Beitrag
  Stringformat, Umwandlung von Zeit/Datum Lecojon 5 11.642 29.04.2010 07:13
Letzter Beitrag: GerdW
  Dateiname mit Datum Garth 2 10.833 08.01.2010 18:13
Letzter Beitrag: Garth
  PopUp-Fenster zur Eingabe von Filename samt Pfad BeFu 2 6.933 20.08.2009 10:36
Letzter Beitrag: BeFu
  Datum und Zeit einlesen und vergleichen Caleb 5 11.810 18.05.2008 13:05
Letzter Beitrag: Lucki
  aktuelle Zeit und Datum als Dateiname Kabum 2 7.154 22.05.2006 20:19
Letzter Beitrag: Kabum

Gehe zu: