INFO: Dieses Forum nutzt Cookies...
Cookies sind für den Betrieb des Forums unverzichtbar. Mit der Nutzung des Forums erklärst Du dich damit einverstanden, dass wir Cookies verwenden.

Es wird in jedem Fall ein Cookie gesetzt um diesen Hinweis nicht mehr zu erhalten. Desweiteren setzen wir Google Adsense und Google Analytics ein.


Antwort schreiben 

Mehrere Instanzen aufrufen



Wenn dein Problem oder deine Frage geklärt worden ist, markiere den Beitrag als "Lösung",
indem du auf den "Lösung" Button rechts unter dem entsprechenden Beitrag klickst. Vielen Dank!

20.09.2010, 14:46
Beitrag #1

eg Offline
LVF-SeniorMod


Beiträge: 3.868
Registriert seit: Nov 2005

2016
2003
kA

66111
Deutschland
Mehrere Instanzen aufrufen
Hallo!

Habe ein Programm erstellt, dass auf vier unterschidlichen PCs laufen wird. Nun bin ich noch im Entwicklungsstadium. Habe das VI reentrant gemacht und in ein weiteres VI mehrmals platziert. Wenn ich das VI starte, fliegt LV raus.

Wo kann das Problem sein? Wie entwickelt und testet ihr solche Progs?


Angehängte Datei(en) Thumbnail(s)
   

Webseite des Benutzers besuchen Alle Beiträge dieses Benutzers finden
Diese Nachricht in einer Antwort zitieren to top
Anzeige
20.09.2010, 14:53 (Dieser Beitrag wurde zuletzt bearbeitet: 20.09.2010 14:53 von Matze.)
Beitrag #2

Matze Offline
LVF-Team
LVF-Team

Beiträge: 1.027
Registriert seit: Apr 2010

20xx
2010
DE_EN

7xxxx
Deutschland
Mehrere Instanzen aufrufen
Hallo

Was heißt, LV fliegt raus?

Kannst du evtl. ein Beispiel-VI anhängen, damit wir das nachvollziehen können?
Ich mache es genau so wie du und das funktioniert bei mir (Reentrant + Option für separate Speicherbereiche).

Grüße
Alle Beiträge dieses Benutzers finden
Diese Nachricht in einer Antwort zitieren to top
20.09.2010, 14:58 (Dieser Beitrag wurde zuletzt bearbeitet: 20.09.2010 15:05 von eg.)
Beitrag #3

eg Offline
LVF-SeniorMod


Beiträge: 3.868
Registriert seit: Nov 2005

2016
2003
kA

66111
Deutschland
Mehrere Instanzen aufrufen
LV beendet sich komplett, ohne etwas zu sagen.
Das Problem kann in gemeinsamen Ressourcen liegen. Jedes Prog ist ein dreifacher Server auf drei Ports.

Webseite des Benutzers besuchen Alle Beiträge dieses Benutzers finden
Diese Nachricht in einer Antwort zitieren to top
20.09.2010, 15:03
Beitrag #4

IchSelbst Offline
LVF-Guru
*****


Beiträge: 3.708
Registriert seit: Feb 2005

11, 14, 15, 17, 18
-
DE

97437
Deutschland
Mehrere Instanzen aufrufen
Rausfliegen heißt doch bestimmt, LV beendet sich ohne Kommentar - respektive wird vom BS ohne Kommentar, also ohne Fehlermeldung, beendet.

' schrieb:Wo kann das Problem sein?
Ich würde sagen, da stimmt was mit den Speichermanager nicht. Irgendwo, vermutlich im reentranten VI, treten derart tief im Speichermanager Probleme auf, dass selbst das BS nichts mehr anzeigen will/kann. Neben dem Speichermanager könnte auch eine ungültige TDMS-Referenz derartige Erscheinungen erzeugen.

Nachtrag:
Wenn TDMS-Referenzen derartige Erscheinungsbilder haben, warum nicht auch TCP/IP-Referenzen? Eben alles, was ganz tief ins BS geht.

Problembehebung ist natürlich entsprechend schwierig. Denk mal so: eine TCP/IP-Referenz wird zwar verwendet - ist aber ungültig!

Jeder, der zur wahren Erkenntnis hindurchdringen will, muss den Berg Schwierigkeit alleine erklimmen (Helen Keller).
Alle Beiträge dieses Benutzers finden
Diese Nachricht in einer Antwort zitieren to top
20.09.2010, 15:11
Beitrag #5

macmarvin Offline
CLA
***


Beiträge: 445
Registriert seit: Sep 2006

2014
2004
EN

81373
Deutschland
Mehrere Instanzen aufrufen
' schrieb:Wenn TDMS-Referenzen derartige Erscheinungsbilder haben, warum nicht auch TCP/IP-Referenzen? Eben alles, was ganz tief ins BS geht.

TCP-IP Referenzen sind meiner Erfahrung nach unkritisch. TDMS über USI? ... die sind immer ein heißer Kandidat für "LV schließt sich wortlos".

Welche LV-Version eigentlich?
Alle Beiträge dieses Benutzers finden
Diese Nachricht in einer Antwort zitieren to top
20.09.2010, 15:17 (Dieser Beitrag wurde zuletzt bearbeitet: 20.09.2010 15:17 von eg.)
Beitrag #6

eg Offline
LVF-SeniorMod


Beiträge: 3.868
Registriert seit: Nov 2005

2016
2003
kA

66111
Deutschland
Mehrere Instanzen aufrufen
LV 2009.

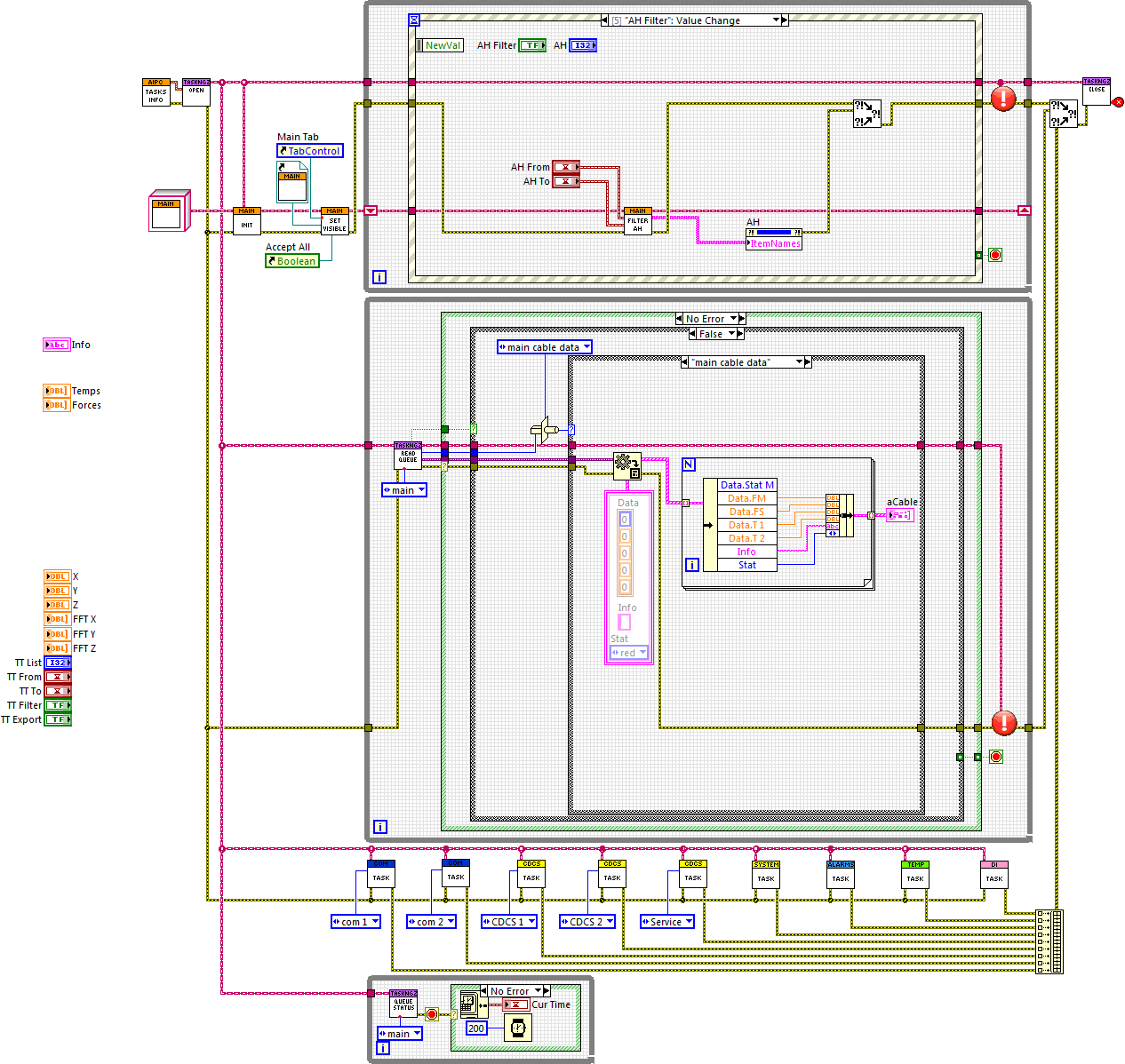
TDMS wird nicht verwendet. Das Prog sieht so aus und ist ziemlich koplex. Unten sind die parallelen Tasks (Schleifen), die ersten zwei sind reentrant und bedienen je ein COM-Port, die nächsten drei sind reentrante Server (für je ein Port), die nächste überwacht und verarbeitet die Daten, die nächste überwacht Alarme, die nächste noch eine COM-Schnittstelle mit Temp.Sensor und die letzte digitale Eingänge. Es werden auch Daten online geloggt und im Main angezeigt.


Angehängte Datei(en) Thumbnail(s)
   

Webseite des Benutzers besuchen Alle Beiträge dieses Benutzers finden
Diese Nachricht in einer Antwort zitieren to top
Anzeige
20.09.2010, 15:28
Beitrag #7

macmarvin Offline
CLA
***


Beiträge: 445
Registriert seit: Sep 2006

2014
2004
EN

81373
Deutschland
Mehrere Instanzen aufrufen
Was macht den kurz nach dem Init das VI mit den Referenzen "Main Tab" und "Accept All"?
So im ersten Ansatz würde ich sagen, daß da keine statische VI-Ref, sondern eher "This VI" als Konstante rein gehen sollte.

just wild guessing
Alle Beiträge dieses Benutzers finden
Diese Nachricht in einer Antwort zitieren to top
20.09.2010, 15:32
Beitrag #8

eg Offline
LVF-SeniorMod


Beiträge: 3.868
Registriert seit: Nov 2005

2016
2003
kA

66111
Deutschland
Mehrere Instanzen aufrufen
Das VI deaktiviert einige Buttons und Pages auf dem FP. Ich denke schon, dass es mit den statischen Refs funktionierten sollte.
Aber dankeBig Grin


Angehängte Datei(en) Thumbnail(s)
   

Webseite des Benutzers besuchen Alle Beiträge dieses Benutzers finden
Diese Nachricht in einer Antwort zitieren to top
20.09.2010, 15:38 (Dieser Beitrag wurde zuletzt bearbeitet: 20.09.2010 15:38 von macmarvin.)
Beitrag #9

macmarvin Offline
CLA
***


Beiträge: 445
Registriert seit: Sep 2006

2014
2004
EN

81373
Deutschland
Mehrere Instanzen aufrufen
Nur auf welcher Referenz arbeitest du dabei? Du hast eine statische VI-Ref auf ein Reentrant VI...welche Instanz...?
Ich meinte folgende Änderung:
   
Alle Beiträge dieses Benutzers finden
Diese Nachricht in einer Antwort zitieren to top
20.09.2010, 15:44 (Dieser Beitrag wurde zuletzt bearbeitet: 20.09.2010 15:47 von eg.)
Beitrag #10

eg Offline
LVF-SeniorMod


Beiträge: 3.868
Registriert seit: Nov 2005

2016
2003
kA

66111
Deutschland
Mehrere Instanzen aufrufen
Ok, hab ich gemacht, aber es fliegt trotzdem raus, sobald ich die zweite Instanz starte -_-

P.S. habe das VI eben disabled, hilft aber nix.

Webseite des Benutzers besuchen Alle Beiträge dieses Benutzers finden
Diese Nachricht in einer Antwort zitieren to top
Antwort schreiben 


Möglicherweise verwandte Themen...
Themen Verfasser Antworten Views Letzter Beitrag
  Instanzen identischer SubVi's, Verhalten unerklärbar studmt 5 6.319 22.07.2015 22:11
Letzter Beitrag: studmt
  Fensterpositionen mehrerer Instanzen speichern und laden NoWay 2 5.075 15.07.2014 14:11
Letzter Beitrag: NoWay
  Kommunikation zw. 2 Instanzen einer Exe Trinitatis 3 5.155 14.04.2014 22:15
Letzter Beitrag: jg
  Variable Anzahl von Instanzen zur Laufzeit D_Sev 13 12.092 04.11.2013 09:18
Letzter Beitrag: GerdW
  Wie mache ich zwei Instanzen einer FGV im selben Projekt? Lupin 13 14.913 06.10.2013 19:10
Letzter Beitrag: jg
  "Relink to SubVI" für alle Instanzen möglich? joerg030284 4 7.121 20.04.2011 09:09
Letzter Beitrag: joerg030284

Gehe zu: