INFO: Dieses Forum nutzt Cookies...
Cookies sind für den Betrieb des Forums unverzichtbar. Mit der Nutzung des Forums erklärst Du dich damit einverstanden, dass wir Cookies verwenden.

Es wird in jedem Fall ein Cookie gesetzt um diesen Hinweis nicht mehr zu erhalten. Desweiteren setzen wir Google Adsense und Google Analytics ein.


Antwort schreiben 

Dieses Thema hat akzeptierte Lösungen:

Messbereich einstellen



Wenn dein Problem oder deine Frage geklärt worden ist, markiere den Beitrag als "Lösung",
indem du auf den "Lösung" Button rechts unter dem entsprechenden Beitrag klickst. Vielen Dank!

09.12.2019, 09:43
Beitrag #1

pixie_2 Offline
LVF-Neueinsteiger


Beiträge: 6
Registriert seit: Dec 2019

2019
2019
DE



Tongue Messbereich einstellen
Hallo,

Ich arbeite mit der QuantumX von HBM & hier sind die Kanäle voreingestellt. Ich möchte gerne einen Messbereich via LabVIEW einstellen, obwohl er vorher in im MX-Assistenten eingestellt wurde. Es handelt sich hierbei um ein Linearpotentiometer.
Leider speichert mein VI den Wert nicht, sprich es stellt den Wert nur kurz auf den Sollwert ein uns springt sofort wieder auf den alten Wert zurück.
Kann mir hierbei jemand helfen?

(Ich bin neu in dem Forum und auch absoluter LabVIEW Anfänger - ich hoffe, dass ich den Beitrag ins richtige Forum schreibe. Ich bitte um Nachsicht Blush )

P.S.: Ich benutze LabVIEW2019 und das SubVI unten links ist von HBM vorgefertigt. Nicht sichtbar ist die Verbindung und die Trennung der QuantumX.

Vielen Dank schon mal!

Grüße Angel


       
Alle Beiträge dieses Benutzers finden
Diese Nachricht in einer Antwort zitieren to top
Anzeige
09.12.2019, 10:48
Beitrag #2

GerdW Offline
______________
LVF-Team

Beiträge: 17.534
Registriert seit: May 2009

LV2019 (LV2021)
1995
DE_EN

10×××
Deutschland
RE: Messbereich einstellen
Hallo Pixie,

herzlich willkommen im Forum!

Zitat:Leider speichert mein VI den Wert nicht, sprich es stellt den Wert nur kurz auf den Sollwert ein uns springt sofort wieder auf den alten Wert zurück.
Wie arbeitet dieser "OK"-Button? Switch oder Latch?

Wenn dein Sollwert immer verwendet werden soll, dann muss "OK" auf TRUE bleiben. Ansonsten wird (bei FALSE) wieder der Wert aus der Mean-Funktion verwendet…

Zum VI:
Was soll das Multiplizieren mit Null und Addieren von Sollwert? Warum nicht einfach gleich Sollwert verwenden? Wozu dann das Schieberegister?

Alle Beiträge dieses Benutzers finden
Diese Nachricht in einer Antwort zitieren to top
09.12.2019, 13:16 (Dieser Beitrag wurde zuletzt bearbeitet: 09.12.2019 14:00 von pixie_2.)
Beitrag #3

pixie_2 Offline
LVF-Neueinsteiger


Beiträge: 6
Registriert seit: Dec 2019

2019
2019
DE



RE: Messbereich einstellen
(09.12.2019 10:48 )GerdW schrieb:  Hallo Pixie,

herzlich willkommen im Forum!

Zitat:Leider speichert mein VI den Wert nicht, sprich es stellt den Wert nur kurz auf den Sollwert ein uns springt sofort wieder auf den alten Wert zurück.
Wie arbeitet dieser "OK"-Button? Switch oder Latch?

Wenn dein Sollwert immer verwendet werden soll, dann muss "OK" auf TRUE bleiben. Ansonsten wird (bei FALSE) wieder der Wert aus der Mean-Funktion verwendet…

Zum VI:
Was soll das Multiplizieren mit Null und Addieren von Sollwert? Warum nicht einfach gleich Sollwert verwenden? Wozu dann das Schieberegister?


Hallo GerdW,

vielen Dank für die schnelle Antwort.

Der Button arbeitet als Latch. Ich habe es mit als Switch versucht, dann springt er auf den Sollwert, aber er misst dann auch keinen anderen Wert mehr, auch wenn ich das Linearpoti verstelle.
Aber trotzdem vielen Dank für diesen Tipp, ich wusste nicht, dass man es umstellen kann.

Das mit dem Multiplizieren war Blödsinn. Hmm

Vielen Dank! Blush


Angehängte Datei(en) Thumbnail(s)
       
Alle Beiträge dieses Benutzers finden
Diese Nachricht in einer Antwort zitieren to top
09.12.2019, 14:02
Beitrag #4

GerdW Offline
______________
LVF-Team

Beiträge: 17.534
Registriert seit: May 2009

LV2019 (LV2021)
1995
DE_EN

10×××
Deutschland
RE: Messbereich einstellen
Hallo Pixie,

es wäre hilfreich, wenn du erstmal genau erklären würdest, was du eigentlich willst!
Was willst du einstellen?
Was soll mit diesem Wert geschehen?
Wo kommt jetzt der Istwert her und was hat er mit dem Sollwert zu tun?
Wie (und warum) werden die beiden verrechnet?

Alle Beiträge dieses Benutzers finden
Diese Nachricht in einer Antwort zitieren to top
09.12.2019, 14:55
Beitrag #5

pixie_2 Offline
LVF-Neueinsteiger


Beiträge: 6
Registriert seit: Dec 2019

2019
2019
DE



RE: Messbereich einstellen
(09.12.2019 14:02 )GerdW schrieb:  Hallo Pixie,

es wäre hilfreich, wenn du erstmal genau erklären würdest, was du eigentlich willst!
Was willst du einstellen?
Was soll mit diesem Wert geschehen?
Wo kommt jetzt der Istwert her und was hat er mit dem Sollwert zu tun?
Wie (und warum) werden die beiden verrechnet?

Confused huch ich hatte meinen Beitrag überarbeitet, aber die Thumbnails sind trotzdem geblieben.
Ich habe meinen Fehler vom vorherigen VI schon entdeckt.

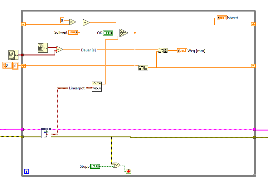
Ich möchte den Messbereich verstellen können. Das Linearpoti hat einen Messbereich von 50mm. Den Messbereich könnte ich dann von bspw. 0-50mm oder bspw. auch von -25 - +25mm einstellen wollen.

Leider geht meine obige Rechnung nicht auf, da hatte ich einen groben Denkfehler. Durch das Schieberegister merkt es sich zwar den letzten "Istwert", aber der wird im Anschluss dann falsch weiter verrechnet, da das VI mathematisch nicht logisch durchdacht ist. (deshalb wollte ich auch meinen Beitrag löschen bzw. bearbeiten und die Thumbnails entfernen) Trottel

Der "Sollwert" soll demnach eine Grenze bzw. einen Wert bestimmen.
Also wenn ich das Linearpoti auf physikalisch 0mm setze und dann bspw. an dieser Stelle -25mm angezeigt haben möchte, soll der OK-Button gedrückt werden und damit der gemessene Wert (MEAN) die -25mm annehmen. Dennoch soll das ganze dann weiterhin gemessen werden können. Sprich, wenn ich physikalisch 50mm einstelle sollte mir nun automatisch +25mm angezeigt werden und natürlich auch alle Werte während des verstellen des Wegaufnehmers. Deshalb auch das untere Schieberegister, damit die Werte im Graphen immer aneinandergereiht werden.
Ist das logisch?

Ich sollte das ganze vielleicht noch einmal mathematsich durchdenken, bevor ich einfach drauf los programmiere. Sorry für den Spam! Sad

Für Tipps wäre ich natürlich trotzdem sehr dankbar Angel

Danke Blush
Alle Beiträge dieses Benutzers finden
Diese Nachricht in einer Antwort zitieren to top
09.12.2019, 16:27
Beitrag #6

GerdW Offline
______________
LVF-Team

Beiträge: 17.534
Registriert seit: May 2009

LV2019 (LV2021)
1995
DE_EN

10×××
Deutschland
RE: Messbereich einstellen
Hallo pixie,

du willst also ein simples "TARE" (oder "AutoZero")-Verhalten programmieren?
Dann suche doch mal nach diesen Begriffen, das kommt recht häufig vor…

Alle Beiträge dieses Benutzers finden
Diese Nachricht in einer Antwort zitieren to top
Anzeige
10.12.2019, 17:02
Beitrag #7

seuk Offline
LVF-Grünschnabel
*


Beiträge: 38
Registriert seit: May 2018

2019x64
-
EN


Deutschland
RE: Messbereich einstellen
(09.12.2019 14:55 )pixie_2 schrieb:  Für Tipps wäre ich natürlich trotzdem sehr dankbar Angel

Hallo Pixie,

hier mal ein paar Gedankenanstöße, ich habe jetzt nicht in deine VIs geschaut...

- du hast einen Eingangswert y (z.B. 30)
- Sollwert ist Eingangswert minus Offset (z.B. 10 = 30-20)
- Offset ist demnach Eingangswert minus Sollwert (z.B. 20 = 30-10)

-> ein VI: Kalibriere()
- Eingabe: Sollwert, Eingangswert
- beim Klick auf "Kalibriere" berechnest du für jeden Kanal den Offset
- wenn du mit mehreren Kanälen arbeitest benötigst du ggf. ein Array, jeweils einen Offset für jeden Kanal speichert
- Ausgabe: Offset

-> ein VI: neueMessung()
- in jedem Messdurchlauf subtrahierst du dann den Offset vom Eingangswert

Wenn der Messbereich immer gleich groß ist, und nur verschoben wird, also z.B. 0-50, oder 25 - 75, dann reicht ja die Kalibrierung und die Anpassung der Y-Achse von dem Graph oder so. Falls sich die Größe des Messbereiches ändert, benötigst du einen Multiplikator.

Beispiele:
0 bis 10 V entsprichen 0 bis 100mm: Multiplikator von V in mm: 100/10
5 bis 10 V entsprichen -2 bis 2mm: Multiplikator von V in mm: 5/4

Schau mal nach dem VI: C:\Program Files\National Instruments\LabVIEW 2019\examples\Waveform\Waveform - Scale and Offset.vi ;-)

Was du dem Quietscheentchen auf einem Blatt Papier erklären kannst, das schaffst du auch mit Labview zu programmieren :-)
Alle Beiträge dieses Benutzers finden
Diese Nachricht in einer Antwort zitieren to top
16.12.2019, 11:01 (Dieser Beitrag wurde zuletzt bearbeitet: 16.12.2019 11:02 von pixie_2.)
Beitrag #8

pixie_2 Offline
LVF-Neueinsteiger


Beiträge: 6
Registriert seit: Dec 2019

2019
2019
DE



RE: Messbereich einstellen
(10.12.2019 17:02 )seuk schrieb:  
(09.12.2019 14:55 )pixie_2 schrieb:  Für Tipps wäre ich natürlich trotzdem sehr dankbar Angel

Hallo Pixie,

hier mal ein paar Gedankenanstöße, ich habe jetzt nicht in deine VIs geschaut...

- du hast einen Eingangswert y (z.B. 30)
- Sollwert ist Eingangswert minus Offset (z.B. 10 = 30-20)
- Offset ist demnach Eingangswert minus Sollwert (z.B. 20 = 30-10)

-> ein VI: Kalibriere()
- Eingabe: Sollwert, Eingangswert
- beim Klick auf "Kalibriere" berechnest du für jeden Kanal den Offset
- wenn du mit mehreren Kanälen arbeitest benötigst du ggf. ein Array, jeweils einen Offset für jeden Kanal speichert
- Ausgabe: Offset

-> ein VI: neueMessung()
- in jedem Messdurchlauf subtrahierst du dann den Offset vom Eingangswert

Wenn der Messbereich immer gleich groß ist, und nur verschoben wird, also z.B. 0-50, oder 25 - 75, dann reicht ja die Kalibrierung und die Anpassung der Y-Achse von dem Graph oder so. Falls sich die Größe des Messbereiches ändert, benötigst du einen Multiplikator.

Beispiele:
0 bis 10 V entsprichen 0 bis 100mm: Multiplikator von V in mm: 100/10
5 bis 10 V entsprichen -2 bis 2mm: Multiplikator von V in mm: 5/4

Schau mal nach dem VI: C:\Program Files\National Instruments\LabVIEW 2019\examples\Waveform\Waveform - Scale and Offset.vi ;-)

Was du dem Quietscheentchen auf einem Blatt Papier erklären kannst, das schaffst du auch mit Labview zu programmieren :-)

Hallo seuk,
vielen Dank für den Gedankenanstoß! Das hat mir wirklich weitergeholfen. Big Grin

Vielleicht hast du oder sonst jemand noch einen Tipp für mich.

Der Sollwert stellt sich nun ein, aber leider nur 1x & springt dann zurück auf den alten Wert. Was auch nach meiner VI-Konstruktion logisch ist. Weil nach Betätigen von Select-VI einmal den true-Wert ausgegeben wird & danach wieder der false-Wert.
Ich möchte also, dass der Sollwert für die laufende Messung gespeichert wird bzw. die Messspanne demnach neu ausgelegt ist. (Bspw. statt -25mm - 25mm nun jetzt 0mm - 50mm)

Vielen Dank schonmal! Blush

Hier mein jetziges VI.

   
Alle Beiträge dieses Benutzers finden
Diese Nachricht in einer Antwort zitieren to top
16.12.2019, 11:22 (Dieser Beitrag wurde zuletzt bearbeitet: 16.12.2019 11:24 von GerdW.)
Beitrag #9

GerdW Offline
______________
LVF-Team

Beiträge: 17.534
Registriert seit: May 2009

LV2019 (LV2021)
1995
DE_EN

10×××
Deutschland
RE: Messbereich einstellen

Akzeptierte Lösung

Hallo Pixie,

Zitat:Ich möchte also, dass der Sollwert für die laufende Messung gespeichert wird bzw. die Messspanne demnach neu ausgelegt ist. (Bspw. statt -25mm - 25mm nun jetzt 0mm - 50mm)
Du möchtest dir also einen Wert für die nächsten Iterationen merken? Wie geht das am einfachsten? Ja, richtig: mit einem Schieberegister!

Code:
IF OK THEN
  write new Setpoint value into shift register
ELSE
  keep old value in shift register
ENDIF

Alle Beiträge dieses Benutzers finden
Diese Nachricht in einer Antwort zitieren to top
30
Antwort schreiben 


Gehe zu: