INFO: Dieses Forum nutzt Cookies...
Cookies sind für den Betrieb des Forums unverzichtbar. Mit der Nutzung des Forums erklärst Du dich damit einverstanden, dass wir Cookies verwenden.

Es wird in jedem Fall ein Cookie gesetzt um diesen Hinweis nicht mehr zu erhalten. Desweiteren setzen wir Google Adsense und Google Analytics ein.


Antwort schreiben 

Messdaten direkt in Excel



Wenn dein Problem oder deine Frage geklärt worden ist, markiere den Beitrag als "Lösung",
indem du auf den "Lösung" Button rechts unter dem entsprechenden Beitrag klickst. Vielen Dank!

01.02.2007, 11:37
Beitrag #21

Kvasir Offline
LVF-Freak
****


Beiträge: 642
Registriert seit: May 2006

10
2004
DE_EN

0000
Oesterreich
Messdaten direkt in Excel
oO

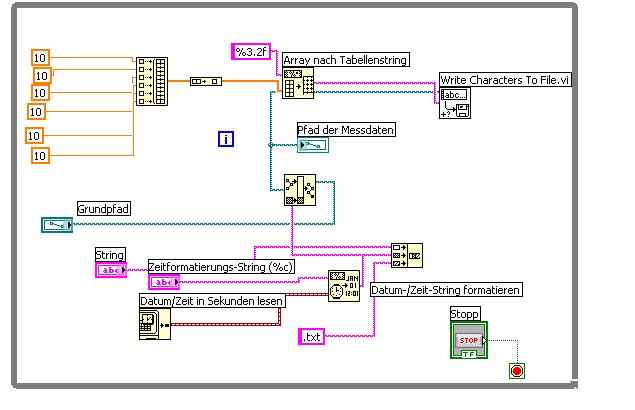
Dieser Stop Button auf der Leiste ist sozusagen ein Not-Aus. Wenn du diesen drückst, dann stoppt sofort alles, was auch immer gerade erledigt wird. Das ist sehr problematisch, da du nie genau kontrollieren kannst, wann genau gestoppt wird. Du kannst also nie sicher sein, dass etwaige deeinitialisierungen durchgeführt wurden, die Aufnahme auch wirklich am Ende ist, ...

Dieses Stop kannst du übrigens auch nicht abfangen. Das heißt du kannst nicht programmieren, dass er nach dem drücken dieses Buttons speichert, da das Stop ja sofort Alles beendet.

Richtig macht man es so:
- Zuerst kommt ein Initialisierungteil. Hier setzt du Variablen, erstellst Tasks, öffnest Ressourcen, ...
- Als Hauptteil kommt dann eine While Schleife. Hier setzt du dein gesamtes Programm rein. In deinem Fall also die Messung. Die Schleife beendest du über einen Stop Button.
- Am Schluß kommt die Deeinitialisierung. Also das Schließen offener Referenzen, ... In deinem Fall auch das Speichern der Daten.

Beispiel angehängt. Ich hoffe es erklärt was ich meine.


Angehängte Datei(en) Thumbnail(s)
   

A few weeks of developement and testing can save a WHOLE afternoon in the library!
Alle Beiträge dieses Benutzers finden
Diese Nachricht in einer Antwort zitieren to top
Anzeige
01.02.2007, 14:28
Beitrag #22

Silence Offline
LVF-Grünschnabel
*


Beiträge: 31
Registriert seit: Jan 2007

6.1
-
kA

34119
Deutschland
Messdaten direkt in Excel
ok vielen Dank. werde ich mal versuchen. Habe jetzt den Excel Teil soweit angepasst, das ich die 6 Werte lese. siehe Bild.
Aber wie komme ich in die nächste Zeile? Es nimmt immer die Werte auf und frag nach dem Pfad für die Datei zum überschreiben...

Ich will das ganze ja in ein Array schreiben das dann beim "Stop" der While schleife in die Excel Datei schreibt. Wie geht das
bzw. wie sage ich ihm das mit jedem Rutsch (6 neue Werte sind da) an der RS232 Schnittstelle er in die nächhste Zeile muss...


Angehängte Datei(en) Thumbnail(s)
   
Alle Beiträge dieses Benutzers finden
Diese Nachricht in einer Antwort zitieren to top
07.02.2007, 11:37 (Dieser Beitrag wurde zuletzt bearbeitet: 07.02.2007 11:38 von Silence.)
Beitrag #23

Silence Offline
LVF-Grünschnabel
*


Beiträge: 31
Registriert seit: Jan 2007

6.1
-
kA

34119
Deutschland
Messdaten direkt in Excel
hy

ich habe es jetzt geschafft, das er jeweils in eine neue Zeile schreibt. Leider initialisiert er jedes mal das Array neu und es steht immer NUR der letzte Durchlauf drin... Der Rest ist wieder mit Nullen gefüllt. Das ganze läuft ja siehe Bild in einer WHILE schleife. wie kann ich das korrigieren. habe schon versucht das "Array initialisieren" nach außerhalb zu verlagern aber blieb das selbe!! Ich möchte halt erst alle Werte in dem Array sammeln und dann per Taste in die Datei schreiben.

"Numerisch" ist die Anzeige der Zeile, in die geschrieben werden soll bei dem Durchlauf


Angehängte Datei(en) Thumbnail(s)
   
Alle Beiträge dieses Benutzers finden
Diese Nachricht in einer Antwort zitieren to top
30
Antwort schreiben 


Möglicherweise verwandte Themen...
Themen Verfasser Antworten Views Letzter Beitrag
  muss Excel auf dem Zielsystem für Excel-Report installiert sein? Trinitatis 2 6.256 01.08.2016 20:51
Letzter Beitrag: Trinitatis
  Daten direkt nach Excel übertragen Kubi1 7 9.647 24.06.2016 13:39
Letzter Beitrag: GerdW
  Messdaten Daten in verschiedene Excel Mappen Schreiben Michael1984 7 8.677 16.10.2013 17:07
Letzter Beitrag: DATAAHEAD
  Messdaten in Excel Dokument Übertragen. Wie? Moses 7 11.093 17.06.2010 13:54
Letzter Beitrag: Mike###
  Messdaten nach Excel jimmy2 28 37.647 29.06.2008 14:39
Letzter Beitrag: elmatzetos

Gehe zu: