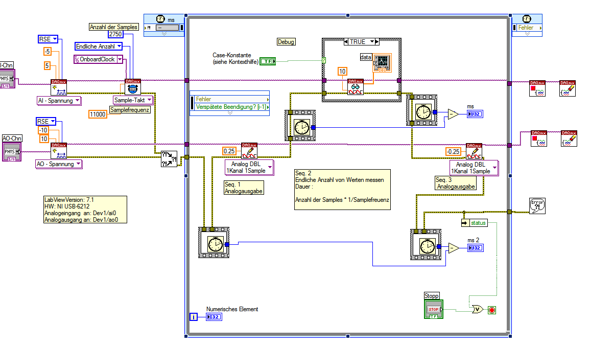
Messdauer zu lang bei endlicher Sampleanzahl |
Wenn dein Problem oder deine Frage geklärt worden ist, markiere den Beitrag als "Lösung",
indem du auf den "Lösung" Button rechts unter dem entsprechenden Beitrag klickst. Vielen Dank!
|
|
|
| Möglicherweise verwandte Themen... | |||||
| Themen | Verfasser | Antworten | Views | Letzter Beitrag | |
| NI USB 6251, DAQ, Frequenz bleibt nicht konstant über die Messdauer | Rick2017 | 11 | 12.280 |
15.09.2017 21:28 Letzter Beitrag: GerdW |
|
| Signal-Speicherung mit definierter Messdauer | gifo | 27 | 21.662 |
25.11.2015 14:03 Letzter Beitrag: gifo |
|
| Ausführungszeit DAQmx Task zu lang | Kiesch | 3 | 6.619 |
18.04.2013 20:13 Letzter Beitrag: Holy |
|
| DO-Signal liegt nicht lang genug an | cRio | 4 | 5.579 |
12.12.2011 22:13 Letzter Beitrag: GerdW |
|
| Abtastrate, Sampleanzahl - was mach ich falsch? | schroepel | 8 | 10.380 |
10.06.2009 14:16 Letzter Beitrag: jg |
|
| Anzahl der Samples einstellen und Messdauer im Graph anzeigen | Der_Schorsch | 3 | 6.510 |
24.04.2007 09:29 Letzter Beitrag: jg |
|





