INFO: Dieses Forum nutzt Cookies...
Cookies sind für den Betrieb des Forums unverzichtbar. Mit der Nutzung des Forums erklärst Du dich damit einverstanden, dass wir Cookies verwenden.

Es wird in jedem Fall ein Cookie gesetzt um diesen Hinweis nicht mehr zu erhalten. Desweiteren setzen wir Google Adsense und Google Analytics ein.


Antwort schreiben 

Messpunkte im XY-Graph abspeichern (Kennlinie)



Wenn dein Problem oder deine Frage geklärt worden ist, markiere den Beitrag als "Lösung",
indem du auf den "Lösung" Button rechts unter dem entsprechenden Beitrag klickst. Vielen Dank!

11.10.2010, 09:32 (Dieser Beitrag wurde zuletzt bearbeitet: 11.10.2010 09:38 von dom2475.)
Beitrag #1

dom2475 Offline
LVF-Grünschnabel
*


Beiträge: 30
Registriert seit: Oct 2010

8.6
2010
de


Deutschland
Messpunkte im XY-Graph abspeichern (Kennlinie)
Hallo,

ich arbeite zur Zeit an einem Projekt, bei welchem ich eine Kennlinie darstellen muss. Im Anhang befindet sich das dazugehörige VI (Frontpanel und Blockdiagramm).
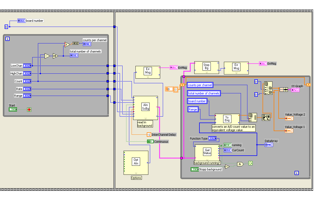
In diesem VI sind zwei gleiche Spannungen (zweite Spannung überbrückt) dargestellt, jeweils aufgetragen nach x und y. Somit erhält man in diesem Fall als Kennlinie eine (Punkt-) Gerade.

Wird nun die Spannung am Netzgerät verändert, wird die zuletzt eingestellte Spannung im Graph gelöscht und ein neuer Messpunkt wird dargestellt.

Wie können die zuletzt eingestellten Spannungen im Graph mit angezeigt werden, sodass eine sichtbare Kennlinie zu erkennen ist?

Hab mir auch schon überlegt, weitere Schieberegister einzubauen und diese dann mit Cluster (XY-Graph) zu verbinden.


Gruß
Dominik


Angehängte Datei(en) Thumbnail(s)
       
Alle Beiträge dieses Benutzers finden
Diese Nachricht in einer Antwort zitieren to top
Anzeige
11.10.2010, 09:46
Beitrag #2

Y-P Offline
☻ᴥᴥᴥ☻ᴥᴥᴥ☻
LVF-Team

Beiträge: 12.612
Registriert seit: Feb 2006

Developer Suite Core -> LabVIEW 2015 Prof.
2006
EN

71083
Deutschland
Messpunkte im XY-Graph abspeichern (Kennlinie)
Ich blicke nicht, was Du da mit Deinem 3D-Array machst und wo Du Deine Werte herkriegst. Ich würde nur ein 2D-Array verwenden und dort in der ersten Spalte die x-Werte und in der zweiten Spalte die y-Werte reinschreiben. Dieses Array würde ich in ein Schieberegister schreiben und nach jedem Schleifendurchlauf mit dem x- und y-Wert erweitern,....

Gruß Markus

--------------------------------------------------------------------------
Bitte stellt mir keine Fragen über PM, dafür ist das Forum da - andere haben vielleicht auch Interesse an der Antwort !!
--------------------------------------------------------------------------
Alle Beiträge dieses Benutzers finden
Diese Nachricht in einer Antwort zitieren to top
11.10.2010, 10:01 (Dieser Beitrag wurde zuletzt bearbeitet: 11.10.2010 10:05 von dom2475.)
Beitrag #3

dom2475 Offline
LVF-Grünschnabel
*


Beiträge: 30
Registriert seit: Oct 2010

8.6
2010
de


Deutschland
Messpunkte im XY-Graph abspeichern (Kennlinie)
Hallo Markus,

ich verwende ein 2-dim. Array. Das VI läuft auch, bloß dass zuletzt eingestellte Spannungen nicht abgespeichert werden. Welches Array meinst Du, welches ich mit dem Schieberegister verbinden soll?

Gruß
Dominik
Alle Beiträge dieses Benutzers finden
Diese Nachricht in einer Antwort zitieren to top
11.10.2010, 11:41
Beitrag #4

dom2475 Offline
LVF-Grünschnabel
*


Beiträge: 30
Registriert seit: Oct 2010

8.6
2010
de


Deutschland
Messpunkte im XY-Graph abspeichern (Kennlinie)
Hallo Markus,

ich muss mich entschuldigen. ...Hatte doch ein 3-dim.Array.

Hab nun mein VI soweit abgeändert, dass es ebenfalls läuft, jedoch mit einem 2-dim. Array. Oben angesprochene Speicherung wurde mit einer Arraykonstanten und den Schieberegistern angedeutet.
Ich kann jedoch die Schieberegister nicht mit dem 'Array aus Clustern-Funktion' verbinden.
Fehlermeldung: Dieser Draht verbindet mehr als eine Datenquelle!!

Kannst Du mir oder jemand anders sagen, wie ich die Schieberegister mit der Funktion verbinde?


Gruß
Dominik


Angehängte Datei(en) Thumbnail(s)
   
Alle Beiträge dieses Benutzers finden
Diese Nachricht in einer Antwort zitieren to top
11.10.2010, 12:29
Beitrag #5

Y-P Offline
☻ᴥᴥᴥ☻ᴥᴥᴥ☻
LVF-Team

Beiträge: 12.612
Registriert seit: Feb 2006

Developer Suite Core -> LabVIEW 2015 Prof.
2006
EN

71083
Deutschland
Messpunkte im XY-Graph abspeichern (Kennlinie)
Ich meinte so:

Sonstige .vi  xy_Graph.vi (Größe: 10,71 KB / Downloads: 426)

Lv86_img

Gruß Markus

--------------------------------------------------------------------------
Bitte stellt mir keine Fragen über PM, dafür ist das Forum da - andere haben vielleicht auch Interesse an der Antwort !!
--------------------------------------------------------------------------
Alle Beiträge dieses Benutzers finden
Diese Nachricht in einer Antwort zitieren to top
11.10.2010, 13:19 (Dieser Beitrag wurde zuletzt bearbeitet: 11.10.2010 13:23 von dom2475.)
Beitrag #6

dom2475 Offline
LVF-Grünschnabel
*


Beiträge: 30
Registriert seit: Oct 2010

8.6
2010
de


Deutschland
Messpunkte im XY-Graph abspeichern (Kennlinie)
Hallo Markus,

recht herzlichen Dank für Deine elegantere Lösung. Hab zwischenzeitlich etwas "gebastelt" und hab nun diese Lösungsvariante:


Angehängte Datei(en) Thumbnail(s)
   
Alle Beiträge dieses Benutzers finden
Diese Nachricht in einer Antwort zitieren to top
Anzeige
06.09.2013, 06:41
Beitrag #7

Masterg4941 Offline
LVF-Gelegenheitsschreiber
**


Beiträge: 58
Registriert seit: Aug 2013

2012
2013
DE


Deutschland
RE: Messpunkte im XY-Graph abspeichern (Kennlinie)
(11.10.2010 12:29 )Y-P schrieb:  Ich meinte so:

Lv86_img

Gruß Markus



Hallo, wäre es vielleicht möglich das VI in Version 8.2 zu speichern? Würde es mir gerne angucken.

Danke
Alle Beiträge dieses Benutzers finden
Diese Nachricht in einer Antwort zitieren to top
06.09.2013, 07:54
Beitrag #8

GerdW Offline
______________
LVF-Team

Beiträge: 17.538
Registriert seit: May 2009

LV2019 (LV2021)
1995
DE_EN

10×××
Deutschland
RE: Messpunkte im XY-Graph abspeichern (Kennlinie)
Hallo MasterG,

bitte sehr... (Ich habe noch eine Wartezeit in die Schleife eingefügt Smile )


Angehängte Datei(en)
8.2 .vi  xy_Graph.vi (Größe: 16,61 KB / Downloads: 329)

Alle Beiträge dieses Benutzers finden
Diese Nachricht in einer Antwort zitieren to top
06.09.2013, 08:47 (Dieser Beitrag wurde zuletzt bearbeitet: 06.09.2013 08:49 von Masterg4941.)
Beitrag #9

Masterg4941 Offline
LVF-Gelegenheitsschreiber
**


Beiträge: 58
Registriert seit: Aug 2013

2012
2013
DE


Deutschland
RE: Messpunkte im XY-Graph abspeichern (Kennlinie)
Vielen Dank Gerd!

ich bin seit heute morgen auch schon an meinem Programm am basteln und habe den xy-Graph wohl so ziehmlich gleich realisiert, wie im vi von Y-P.

Allerdings habe ich ein Problem, wo ich nicht wirklich weiter weiß.
Ich schreibe Messwerte in ein xy-Graph indem ich auf einen "Button" drücke. Das Problem liegt jetzt darin, dass ich den Cursor bei der Messung (realtime) nicht sehe. Erst wenn ich "Messpunkt setzen" gedrückt habe, erscheint dieser. Wie kann ich mein vi abändern, damit der Cursor immer zu sehen ist und der Punkt erst nach dem drücken gesetzt wird?

Für einen Tipp wäreich dankbar 2hands

LG

edit:
P.S. sorry, dass ich kein neues Thema aufgemacht habe. Ich dachte das passt hier ganz gut rein


Angehängte Datei(en)
8.2 .vi  leerlaufkennlinie.vi (Größe: 163,25 KB / Downloads: 317)
Alle Beiträge dieses Benutzers finden
Diese Nachricht in einer Antwort zitieren to top
06.09.2013, 09:00 (Dieser Beitrag wurde zuletzt bearbeitet: 06.09.2013 09:01 von GerdW.)
Beitrag #10

GerdW Offline
______________
LVF-Team

Beiträge: 17.538
Registriert seit: May 2009

LV2019 (LV2021)
1995
DE_EN

10×××
Deutschland
RE: Messpunkte im XY-Graph abspeichern (Kennlinie)
Hallo MasterG,

Zitat:Ich schreibe Messwerte in ein xy-Graph indem ich auf einen "Button" drücke.
Ich sehe auf dem Frontpanel nirgends etwas, was mit "Button" beschriftet ist...

Zitat:Das Problem liegt jetzt darin, dass ich den Cursor bei der Messung (realtime) nicht sehe.
??? Der Cursor ist doch schon angelegt und sichtbar?

Zitat:Erst wenn ich "Messpunkt setzen" gedrückt habe, erscheint dieser.
Wenn "Messpunkt setzen" FALSE ist (d.h. nicht gedrückt), dann werden in deiner Case-Struktur Defautl-Werte ausgegeben: du plottest also bei 0,0 einen Punkt (und dort dürfte auch der Cursor liegen)...

Zitat:Wie kann ich mein vi abändern, damit der Cursor immer zu sehen ist und der Punkt erst nach dem drücken gesetzt wird?
Vielleicht nicht immer Defaultwerte plotten?
Code:
WENN "Messpunkt setzen" gedrückt
DANN Werte zum Array hinzufügen und plotten
SONST nichts tun (!)
THINK DATAFLOW!

Tipps:
- Highlight-Debugging nutzen, um solche Fehler zu entdecken...
- Wenn du deine Werte schon in Arrays sammelst, brauchst du kein ExpressVI zum Erstellen des Plots mehr...
- Werte fügt man mit BuildArray an ein Array an - InsertIntoArray ist hier Overkill...
- Du weißt schon, dass man mehrere globale Variablen in einem VI anlegen kann? Man muss nicht für jede globale ein eigenes VI abspeichern...
- Du vergleichst DBL-Werte mit EXT-Konstanten. Wozu? Warum reichen nicht DBL-Konstanten?
- Du dividierst durch Null. Wozu?

Alle Beiträge dieses Benutzers finden
Diese Nachricht in einer Antwort zitieren to top
30
Antwort schreiben 


Möglicherweise verwandte Themen...
Themen Verfasser Antworten Views Letzter Beitrag
  XY Graph zeigt einzelne Vektoren anstatt durchgehende Kennlinie Daniel90 19 15.366 08.11.2015 17:59
Letzter Beitrag: Lucki
  Anzahl Messpunkte auf X-Achse zählen BobbyBau91 3 5.049 14.03.2014 10:26
Letzter Beitrag: GerdW
  Einzelne Messpunkte per Mausklick entfernen shibbbbby 21 17.177 02.05.2013 15:16
Letzter Beitrag: jg
  Polynomfunktion über Messpunkte legen CamilloN 2 5.988 14.02.2011 09:08
Letzter Beitrag: Lucki
  Graph Eigenschaften abspeichern F.Bi 2 5.843 24.11.2010 06:45
Letzter Beitrag: F.Bi
  Messwerte im XY-Graph des Hauptprogrammes abspeichern dom2475 5 6.537 22.10.2010 10:51
Letzter Beitrag: dom2475

Gehe zu: