INFO: Dieses Forum nutzt Cookies...
Cookies sind für den Betrieb des Forums unverzichtbar. Mit der Nutzung des Forums erklärst Du dich damit einverstanden, dass wir Cookies verwenden.

Es wird in jedem Fall ein Cookie gesetzt um diesen Hinweis nicht mehr zu erhalten. Desweiteren setzen wir Google Adsense und Google Analytics ein.


Antwort schreiben 

Dieses Thema hat akzeptierte Lösungen:

Messung mit Spectrum Analyzer



Wenn dein Problem oder deine Frage geklärt worden ist, markiere den Beitrag als "Lösung",
indem du auf den "Lösung" Button rechts unter dem entsprechenden Beitrag klickst. Vielen Dank!

20.10.2016, 10:17
Beitrag #1

Jenni Offline
LVF-Grünschnabel
*


Beiträge: 45
Registriert seit: Aug 2016

2012
-
EN



Messung mit Spectrum Analyzer
Hallo,

ich habe wieder ein Problem, bei dem ich nicht weiter komme.
Und zwar geht es darum, dass ich eine Messung mit dem Spectrum Analyzer 8561E von hp durchführen möchte.
Dazu würde ich gerne über Labview alle wichtigen Messgrößen einstellen, also die Bandbreite, Center Frequenz, den Span, ...
Alles funktioniert auch soweit, allerdings kann ich die Auflösebandbreite nicht einstellen. Er nimmt den Wert einfach nicht an, stellt dann automatisch die Video Bandbreite ein und das Verhältnis beider Bandbreiten.
Mit der Einstellung der Video Bandbreite gibt es dagegen keine Probleme. Diese kann ich einstellen, und auch das Verhältnis beider Bandbreiten. Die Auflösebandbreite wird dann automatisch dem Verhältnis angepasst.
So würde ich es gerne auch mit der Auflösebandbreite machen.

Kann mir jemand helfen?


Liebe Grüße,
Jenni


Angehängte Datei(en) Thumbnail(s)
   

12.0 .vi  Steuerung_Drehmotor.vi (Größe: 101,47 KB / Downloads: 306)
Alle Beiträge dieses Benutzers finden
Diese Nachricht in einer Antwort zitieren to top
Anzeige
20.10.2016, 10:38
Beitrag #2

GerdW Offline
______________
LVF-Team

Beiträge: 17.536
Registriert seit: May 2009

LV2019 (LV2021)
1995
DE_EN

10×××
Deutschland
RE: Messung mit Spectrum Analyzer
Hallo Jenni,

Zitat:allerdings kann ich die Auflösebandbreite nicht einstellen. Er nimmt den Wert einfach nicht an, stellt dann automatisch die Video Bandbreite ein und das Verhältnis beider Bandbreiten. Mit der Einstellung der Video Bandbreite gibt es dagegen keine Probleme. Diese kann ich einstellen, und auch das Verhältnis beider Bandbreiten.
Dies dürfte wahrscheinlich kein LabVIEW-Problem sein, sondern eher eines deines HP-Gerätes!
Von daher kann man nur sagen: Rtmfx
Was sagt das Manual zu den Einstellungen/Parametern, die du hier vorgeben willst?
Gibt es eine Reaktion des Gerätes? Manche zeigen ja an, wenn sie einen Parameter nicht mögen…

Alle Beiträge dieses Benutzers finden
Diese Nachricht in einer Antwort zitieren to top
20.10.2016, 10:46
Beitrag #3

Jenni Offline
LVF-Grünschnabel
*


Beiträge: 45
Registriert seit: Aug 2016

2012
-
EN



RE: Messung mit Spectrum Analyzer
Hallo Gerd,

im Handbuch steht, dass ich die Auflösebandbreite einstellen kann.
Auch mit welchen Befehlen. Diese habe ich in den entsprechenden SubVIs in einem String eingefügt.
Wenn das Gerät die Einstellung verweigert (weil sie beispielsweise unzulässig ist) würde mir das Gerät dies anzeigen.
Tut es aber nicht.
Es scheint, als würde das Gerät meine Eingabe einfach ignorieren.
Wenn ich das Gerät manuell bediene kann ich beides einstellen, je nachdem welches ich auf manuelle Eingabe stelle.

Bahn
Alle Beiträge dieses Benutzers finden
Diese Nachricht in einer Antwort zitieren to top
20.10.2016, 11:41
Beitrag #4

GerdW Offline
______________
LVF-Team

Beiträge: 17.536
Registriert seit: May 2009

LV2019 (LV2021)
1995
DE_EN

10×××
Deutschland
RE: Messung mit Spectrum Analyzer
Hallo Jenni,

Zitat:Tut es aber nicht. Es scheint, als würde das Gerät meine Eingabe einfach ignorieren.
Hast du den Befehl korrekt terminiert?
Manche Geräte erwarten ein bestimmtes Zeichen am Ende eines Strings, um den Befehl darin auch wirklich abzuarbeiten.
Bei SCPI ist das meist ein CR/LF oder auch ein Semikolon - sollte aber auch in deinem Handbuch stehen…

Alle Beiträge dieses Benutzers finden
Diese Nachricht in einer Antwort zitieren to top
20.10.2016, 11:53
Beitrag #5

Freddy Offline
Oldtimer
****


Beiträge: 729
Registriert seit: Aug 2008

2019, 2020, 2021
1996
DE

76275
Deutschland
RE: Messung mit Spectrum Analyzer
Hallo Jenni,
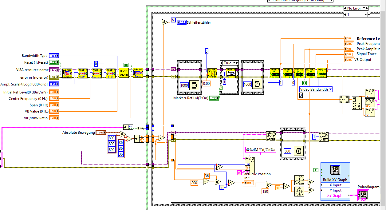
Ich habe Dein VI angeschaut, da wird der "Bandwidth Typ" fest auf "Video Bandwidth" eingestellt.
der ist versteckt hinter dem Signal Trace.

Gruß
Freddy

Einführende Links zu LabVIEW, s. GerdWs Signatur.
Webseite des Benutzers besuchen Alle Beiträge dieses Benutzers finden
Diese Nachricht in einer Antwort zitieren to top
20.10.2016, 12:27
Beitrag #6

Jenni Offline
LVF-Grünschnabel
*


Beiträge: 45
Registriert seit: Aug 2016

2012
-
EN



RE: Messung mit Spectrum Analyzer
Danke für die Antworten,

ich hatte wirklich ein Leerzeichen zu wenig bei den Befehlen und habe es geändert.
Allerdings funktioniert es immer noch nicht.
Die Wahl des Bandbreiten Typs hinter dem Signal habe ich bei mir manuell schon geändert.
Auch in den SubVIs.

Habt ihr noch eine Idee?
Alle Beiträge dieses Benutzers finden
Diese Nachricht in einer Antwort zitieren to top
Anzeige
20.10.2016, 13:38
Beitrag #7

kpa Offline
LVF-Stammgast
***


Beiträge: 385
Registriert seit: Mar 2007

2019
2002
DE

88***
Deutschland
RE: Messung mit Spectrum Analyzer
Hallo Jenni,

beim VI "Config Coupling Ratio" ist ein "T" - steht das für "Verhältnis aktivieren" ?
Schalt's mal auf "F".

Grüße

kpa
Alle Beiträge dieses Benutzers finden
Diese Nachricht in einer Antwort zitieren to top
20.10.2016, 14:00
Beitrag #8

Jenni Offline
LVF-Grünschnabel
*


Beiträge: 45
Registriert seit: Aug 2016

2012
-
EN



RE: Messung mit Spectrum Analyzer
Hallo kpa,

wenn ich es auf false stelle wird das Verhältnis der Auflösebandbreite und des Spans genommen.
Ich habe es aber auch mal ausprobiert.
Klappt leider auch nicht
Alle Beiträge dieses Benutzers finden
Diese Nachricht in einer Antwort zitieren to top
20.10.2016, 15:00
Beitrag #9

kpa Offline
LVF-Stammgast
***


Beiträge: 385
Registriert seit: Mar 2007

2019
2002
DE

88***
Deutschland
RE: Messung mit Spectrum Analyzer
Hallo Jenni,

beim hp 8561A steht im Handbuch das verschiedene Einstellungen "auto gecoupled" werden können.
Vllt. kannst Du "Auto Coupling" am Gerät selber ausschalten.

Grüße

kpa


Angehängte Datei(en) Thumbnail(s)
   
Alle Beiträge dieses Benutzers finden
Diese Nachricht in einer Antwort zitieren to top
25.10.2016, 09:38
Beitrag #10

Jenni Offline
LVF-Grünschnabel
*


Beiträge: 45
Registriert seit: Aug 2016

2012
-
EN



RE: Messung mit Spectrum Analyzer

Akzeptierte Lösung

Hallo zusammen Smile

Will euch nochmal kurz berichten, dass ich meinen Fehler gefunden habe.
Ich hatte im SubVI "Bandwidth" am Line Index eine Auswahl eingefügt, um auswählen zu können, ob ich die Auflöse- oder Videobandbreite einstellen möchte.
Nun habe ich eine Konstante (0) eingefügt und die Auswahl gelöscht und nun kann ich die Auflösebandbreite einstellen.
Danke für eure Hilfe Smile
Alle Beiträge dieses Benutzers finden
Diese Nachricht in einer Antwort zitieren to top
30
Antwort schreiben 


Gehe zu: