INFO: Dieses Forum nutzt Cookies...
Cookies sind für den Betrieb des Forums unverzichtbar. Mit der Nutzung des Forums erklärst Du dich damit einverstanden, dass wir Cookies verwenden.

Es wird in jedem Fall ein Cookie gesetzt um diesen Hinweis nicht mehr zu erhalten. Desweiteren setzen wir Google Adsense und Google Analytics ein.


Antwort schreiben 

Messung zu langsam



Wenn dein Problem oder deine Frage geklärt worden ist, markiere den Beitrag als "Lösung",
indem du auf den "Lösung" Button rechts unter dem entsprechenden Beitrag klickst. Vielen Dank!

07.04.2011, 09:54
Beitrag #1

Schwand Offline
LVF-Stammgast
***


Beiträge: 276
Registriert seit: Nov 2007

2014
2006
DE

31789
Deutschland
Messung zu langsam
Hallo zusammen,

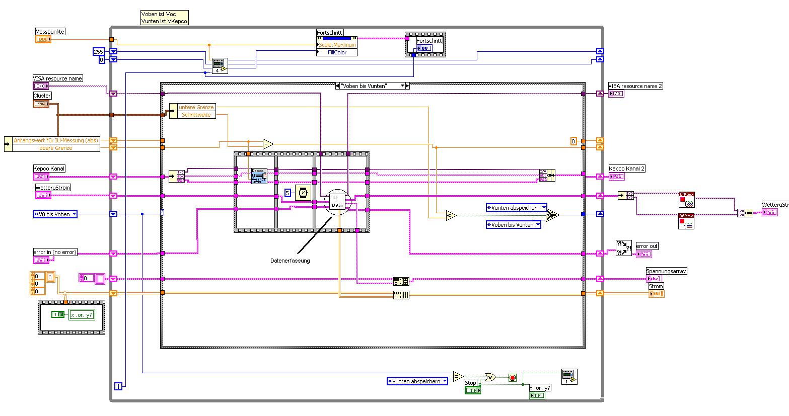
ich habe ein Programm geschrieben, mit dem Spannungen angelegt und ausgelesen werden sollen. Das klappt soweit auch ganz gut, nur dass eine Messung (ein Schleifendurchlauf) fast eine Sekunde dauert, ist nicht ganz optimal.
Der Messablauf erfolgt in einer StateMachine, da die einzelnen Punkte automatisch abgefahren werden sollen.
Zuerst wird an eine Spannungsquelle, die über GPIB verbunden ist, eine Spannung angelegt. Anschließend werden über ein NI-USB 6229 7 Kanäle ausgelesen und zusätzlich über VISA mit einem Multimeter von Keithley eine Spannung gemessen. Mit dem NI Gerät werden die ersten 3 Kanäle von 0-10 Volt, die nächsten 3 von 0-0.2 V, der letzte wieder von 0-10V ausgelesen, jeweils 20 Samples.

Erst hatte ich das Multimeter in Verdacht, aber wenn ich das einzeln auslese, dauert die Messung zwischen 30-150ms. Ich könnte mir jetzt vorstellen, dass vielleicht die ungünstige Verteilung der Bereiche in der USB-6229 den Monsteranteil an der Messzeit hat. Oder hab ich, abgesehen von der etwas wirren Verdrahtung, nen grundsätzlichen Fehler bei der Programmierung gemacht?

Grüßle
S.


Angehängte Datei(en) Thumbnail(s)
       
Alle Beiträge dieses Benutzers finden
Diese Nachricht in einer Antwort zitieren to top
Anzeige
07.04.2011, 10:32
Beitrag #2

GerdW Offline
______________
LVF-Team

Beiträge: 17.536
Registriert seit: May 2009

LV2019 (LV2021)
1995
DE_EN

10×××
Deutschland
RE: Messung zu langsam
Hallo Schwand,

wozu bitte die Sequenzstruktur beim DatenLesen? Die verhindert nur die parallele Abarbeitung potenziell simultaner Prozesse (bei dir: 3mal Datenlesen von unabhängigen (?) Quellen)!

- Dann liest du bis zu 4096 Werte vom seriellen Port. Das kann dauern...
Außerdem ist nicht ersichtlich, wie du die DAQmx-Reads konfiguriert hast (Samplerate, Anzahl Samples)...

Alle Beiträge dieses Benutzers finden
Diese Nachricht in einer Antwort zitieren to top
07.04.2011, 11:42
Beitrag #3

Schwand Offline
LVF-Stammgast
***


Beiträge: 276
Registriert seit: Nov 2007

2014
2006
DE

31789
Deutschland
RE: Messung zu langsam
Hi Gerd,

danke für deine Antwort.

Unten dran mal die Konfig der Daq-Kanäle.

Die Sequenzstruktur kann ich weglassen, ich glaub, die ist nur ein Überbleibsel von früher...

Die 4096 Bytes lese ich aus, weil ich immer Fehlermeldungen bekommen habe, wenn ich weniger auslese.

Grüßle
S.

P.S.: Das ist noch so verzweigt, da die Kanäle 0-16 erst gleich konfiguriert waren und 20 anders.


Angehängte Datei(en) Thumbnail(s)
   
Alle Beiträge dieses Benutzers finden
Diese Nachricht in einer Antwort zitieren to top
Antwort schreiben 


Gehe zu: