INFO: Dieses Forum nutzt Cookies...
Cookies sind für den Betrieb des Forums unverzichtbar. Mit der Nutzung des Forums erklärst Du dich damit einverstanden, dass wir Cookies verwenden.

Es wird in jedem Fall ein Cookie gesetzt um diesen Hinweis nicht mehr zu erhalten. Desweiteren setzen wir Google Adsense und Google Analytics ein.


Antwort schreiben 

Messwertspeichern falsches Datum



Wenn dein Problem oder deine Frage geklärt worden ist, markiere den Beitrag als "Lösung",
indem du auf den "Lösung" Button rechts unter dem entsprechenden Beitrag klickst. Vielen Dank!

09.12.2025, 13:51
Beitrag #1

aeronaut03 Offline
LVF-Neueinsteiger


Beiträge: 2
Registriert seit: Dec 2025

Labview 2023 Q3
2019
kA



Messwertspeichern falsches Datum
Hallo liebes Forum,

ich kaempfe seit einiger Zeit mit folgendem Problem:

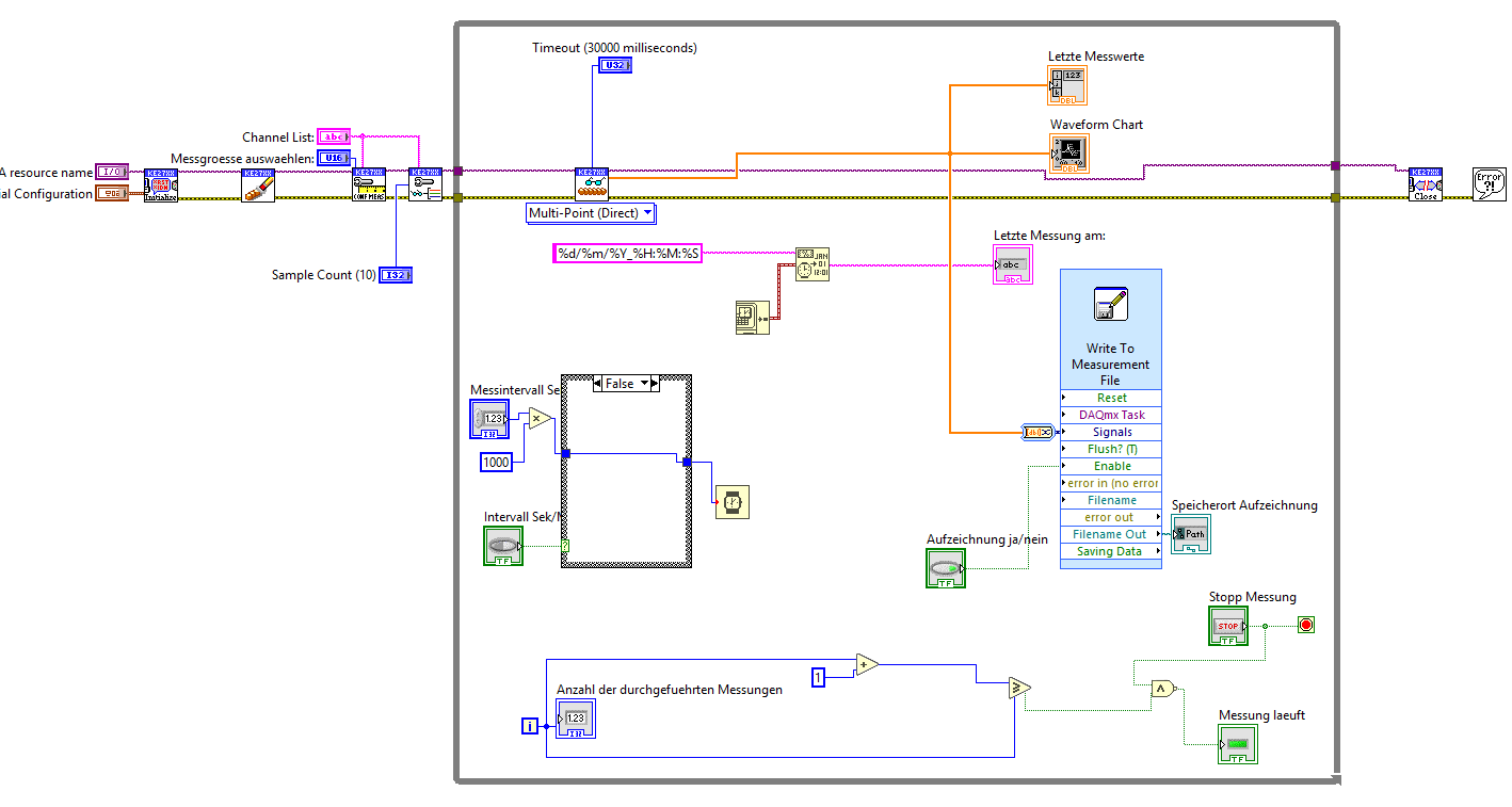
Ich erfasse Messwerte (Spannung, Strom, Widerstand) mit einem Keithley 2700 Multimeter (und einer Keithley 7700 20 Channel Karte).
Je nachdem lese ich 1 -5 Channels nacheinander aus. Das Messintervall kann ich einstellen.
Die erfassten Werte werden in einem Waveform Chartangezeigt. Die letzten Messwerte lasse ich mir auch noch numerisch anzeigen.
Ausserdem werden die Messwerte ueber das "Write to Measurement File" VI in ein Excelfile geschrieben.

Und jetzt zum Problem.
Im Excelfile wird nur beim ersten Messvorgang (koennen bis zu 5 Werte sein) das korrekte Datum geschrieben. Die nachfolgenden Messwerte
werden mit dem Datum vom 1/1/1904 geschrieben.

Ich hab jetzt schon mehrfach rumprobiert (Time Stamps, Datumsformat etc.) und komme nicht drauf an was es liegt.
Das gleiche Labviewprogramm nur mit der Messung ueber das Frontpanel (also ohne Channel Multiplexer) laeuft problemlos. Zum erfassen der Werte
benutze ich das vom Keithley Treiber "Read Data" (==> Frontpanel Messung) oder das "Read Multiple Direct" (==> Multichannel Messung).

Ich hab mal zwei Screenshots hinzugefuegt vom Labviewprogramm und von einem Aufzeichnungsfile.


Vielleicht hat jemand einen Tip fuer mich.


Angehängte Datei(en) Thumbnail(s)
           
Alle Beiträge dieses Benutzers finden
Diese Nachricht in einer Antwort zitieren to top
09.12.2025, 15:37 (Dieser Beitrag wurde zuletzt bearbeitet: 09.12.2025 16:06 von GerdW.)
Beitrag #2

GerdW Offline
______________
LVF-Team

Beiträge: 17.532
Registriert seit: May 2009

LV2019 (LV2021)
1995
DE_EN

10×××
Deutschland
RE: Messwertspeichern falsches Datum
Hallo aeronaut,

herzlich willkommen im LabVIEW-Forum!

Zitat:Und jetzt zum Problem.
Im Excelfile wird nur beim ersten Messvorgang (koennen bis zu 5 Werte sein) das korrekte Datum geschrieben. Die nachfolgenden Messwerte
werden mit dem Datum vom 1/1/1904 geschrieben.
Oberflächliche Fehler-Analyse: zuviele ExpressVIs im Zusammenspiel mit einfache Array-Daten…

- Deine Messwerte sind "zeitlos", die kennen keinen Zeitpunkt! (Eine Waveform könnte so etwas leicht speichern.)
- Dein "zeitloses" Array wird per ToDDT-ExpressVI in einen anderen (ungünstigen) Datentyp gewandelt, und evtl. wird hier ein Timestamp hinzugefügt.
- Ein weiteres ExpressVI verarbeitet die DDT-Daten und macht evtl. seine eigenen Verrenkungen mit den Timestamps…

Warum speicherst du die Daten nicht in eine CSV-Datei?
Viel einfacher, viel performanter, viel besser konfigurierbar!

Was soll der Vergleich von "i" mit "i+1"? Der liefert IMMER das selbe Ergebnis! (Na gut: nicht, wenn i einen Überlauf bei 2^31 hat…)
Hast du wirklich 6 Jahre LabVIEW-Erfahrung? Hmm

Alle Beiträge dieses Benutzers finden
Diese Nachricht in einer Antwort zitieren to top
09.12.2025, 15:51
Beitrag #3

aeronaut03 Offline
LVF-Neueinsteiger


Beiträge: 2
Registriert seit: Dec 2025

Labview 2023 Q3
2019
kA



RE: Messwertspeichern falsches Datum
Hallo GerdW,

danke fuer deine Antwort.

Gleich mal zum Wichtigen. Nein ich habe keine 6 Jahre Labview Erfahrung. Ich konnte in meinem Browser bei der Anmeldung im Forum nur bis 2019 auswahlen...........(Ich versuche es nachtraeglich noch zu aendern).
Ich hab mit Labview erst kuerzlich angefangen..........
Ich dachte mir schon das mein Programm eher stuemperhaft ist.

Ich werde mir jetzt deine Inputs mal zu Gemuete fuehren.


Gruesse
Andreas
Alle Beiträge dieses Benutzers finden
Diese Nachricht in einer Antwort zitieren to top
Gestern, 10:58
Beitrag #4

TpunktN Offline
LVF-Gelegenheitsschreiber
**


Beiträge: 239
Registriert seit: Jul 2011

2025
2011
EN

70***
Deutschland
RE: Messwertspeichern falsches Datum
(09.12.2025 13:51 )aeronaut03 schrieb:  Und jetzt zum Problem.
Im Excelfile wird nur beim ersten Messvorgang (koennen bis zu 5 Werte sein) das korrekte Datum geschrieben. Die nachfolgenden Messwerte
werden mit dem Datum vom 1/1/1904 geschrieben.
Das ist der Startwert und dann immer die Messzeit zwischen den Messpunkten (dt), die 1904 ist quasi Datumswert 0 mit 00:00:01, das wandelt Excel so um.

Zitat:Das gleiche Labviewprogramm nur mit der Messung ueber das Frontpanel (also ohne Channel Multiplexer) laeuft problemlos. Zum erfassen der Werte
Da scheint es dann anders gespeichert zu werden, sicherlich gibt es da irgendwo eine passende Doku zu, ob jetzt das Keithley, der Treiber oder das Express-VI so verhält.

Viel Erfolg
Timo

Justieren ist dem Gerät sagen was es anzeigen soll, kalibrieren ist die Kontrolle dieser Anzeige. Eichen ist ein längerer Prüfprozess und darf nur das Eichamt!
Alle Beiträge dieses Benutzers finden
Diese Nachricht in einer Antwort zitieren to top
30
Antwort schreiben 


Who read this thread?
4 User(s) read this thread:
cordm, aeronaut03, TpunktN, GerdW

Gehe zu: