INFO: Dieses Forum nutzt Cookies...
Cookies sind für den Betrieb des Forums unverzichtbar. Mit der Nutzung des Forums erklärst Du dich damit einverstanden, dass wir Cookies verwenden.

Es wird in jedem Fall ein Cookie gesetzt um diesen Hinweis nicht mehr zu erhalten. Desweiteren setzen wir Google Adsense und Google Analytics ein.


Antwort schreiben 

PDF wird (nicht mehr) angezeigt



Wenn dein Problem oder deine Frage geklärt worden ist, markiere den Beitrag als "Lösung",
indem du auf den "Lösung" Button rechts unter dem entsprechenden Beitrag klickst. Vielen Dank!

08.10.2009, 08:51
Beitrag #1

tt-web Offline
LVF-Gelegenheitsschreiber
**


Beiträge: 123
Registriert seit: Jul 2009

8.6
2008
de

64354
Deutschland
PDF wird (nicht mehr) angezeigt
Hallo!
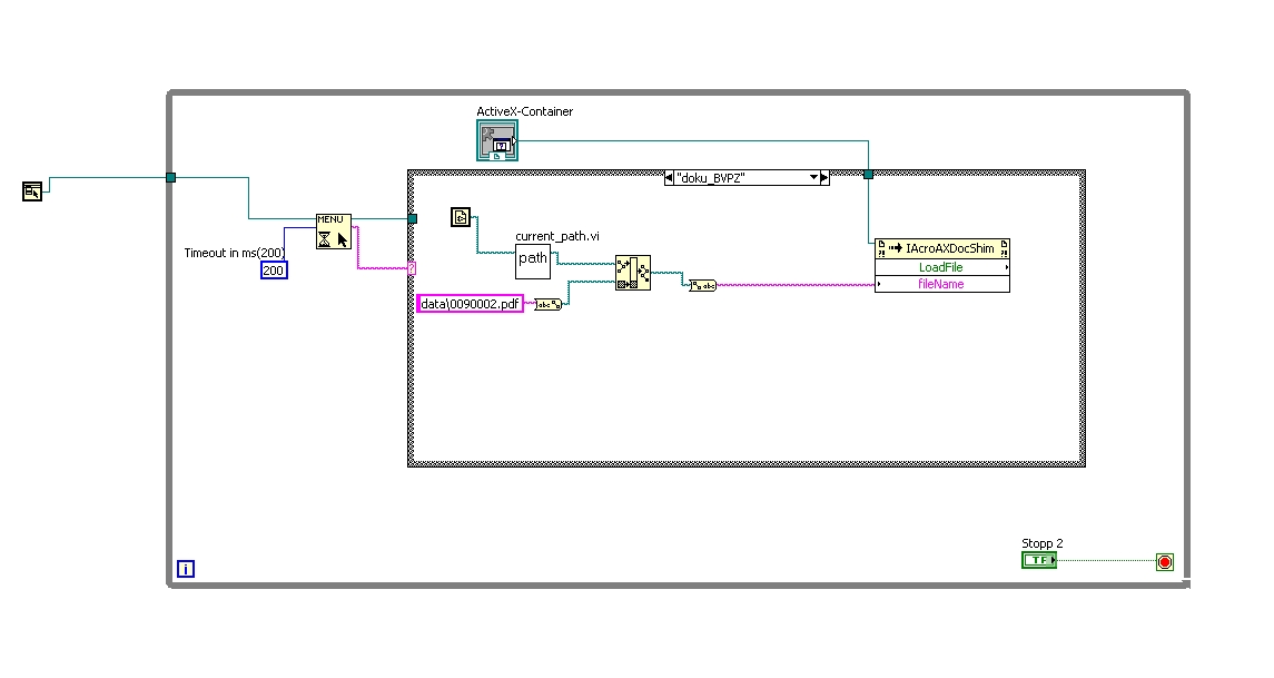
Mit Hilfe eurer Anleitung und dem sagenhaften Buch, welches ich bei dem LabVIEWforum-Gewinnspiel gewonnen habe, ist es mir gelungen in meiner Anwendung PDF-Dateien anzeigen zu lassen. Jetzt ist folgendes passiert: Ich hatte einen teilweisen Systemausfall und musste LabVIEW, Acrobat und noch zwei drei Sachen völlig neu installieren.
Beim erneuten öffnen der Projektdateien bemerkte ich den Fehler zunächst nicht, bis ich dann beim Testen urplötzlich nicht mehr auf das PDF zugreifen konnte. Mir wurde - für den erststart typisch - der Lizenzvertrag von Adobe präsentiert, aber das ActiveX Fenster blieb leer. Keine Fehlermeldung oder sonstiges was hilfreich gewesen wäre.

Ich hänge mal an was ich gemacht habe:

   
Webseite des Benutzers besuchen Alle Beiträge dieses Benutzers finden
Diese Nachricht in einer Antwort zitieren to top
Anzeige
09.10.2009, 06:01
Beitrag #2

tt-web Offline
LVF-Gelegenheitsschreiber
**


Beiträge: 123
Registriert seit: Jul 2009

8.6
2008
de

64354
Deutschland
PDF wird (nicht mehr) angezeigt
Hallo!
Das Problem wurde "gelöst". Ich bin aber mehr als unzufrieden damit... Der Haken war, dass ich einfach nur die neueste Acrobat Reader Version installiert hatte. Falls dieser eine ActiveX Schnittstelle hat... so funktioniert sie bei mir nicht. Die Version 6.0.2 hat das Problem bei mir gelöst. Und ich hab 1000ende male das Element neu eingerichtet und neu verbunden und und und... dachte schon ich bin bescheuert, bis die Anwendung dann auf einem alten Rechner plötzlich lief!

Wie bringe ich dem neuen Acrobat bei bitte ein ActiveX Control für meine Anwendung zuzulassen?
Gruß htomas
Webseite des Benutzers besuchen Alle Beiträge dieses Benutzers finden
Diese Nachricht in einer Antwort zitieren to top
Antwort schreiben 


Möglicherweise verwandte Themen...
Themen Verfasser Antworten Views Letzter Beitrag
  LabVIEW schließt sich und Tabelle wird nicht mehr in Word eingefügt matzimus 9 10.575 01.07.2010 12:18
Letzter Beitrag: SeBa

Gehe zu: