INFO: Dieses Forum nutzt Cookies...
Cookies sind für den Betrieb des Forums unverzichtbar. Mit der Nutzung des Forums erklärst Du dich damit einverstanden, dass wir Cookies verwenden.

Es wird in jedem Fall ein Cookie gesetzt um diesen Hinweis nicht mehr zu erhalten. Desweiteren setzen wir Google Adsense und Google Analytics ein.


Antwort schreiben 

Dieses Thema hat akzeptierte Lösungen:

Polynomgleichung



Wenn dein Problem oder deine Frage geklärt worden ist, markiere den Beitrag als "Lösung",
indem du auf den "Lösung" Button rechts unter dem entsprechenden Beitrag klickst. Vielen Dank!

15.02.2022, 14:02 (Dieser Beitrag wurde zuletzt bearbeitet: 15.02.2022 14:18 von simcum.)
Beitrag #1

simcum Offline
LVF-Gelegenheitsschreiber
**


Beiträge: 137
Registriert seit: May 2015

2016
2010
DE


Deutschland
Polynomgleichung
Hallo zusammen,

ich habe ein Problem, bei der ich nicht weiterkomme.

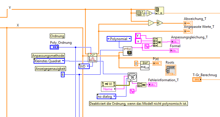
Bei meiner Anwendung bestimme ich die Polynomgleichung einer vorhandenen Kurve.
Ursprünglich 2. Ordnung jetzt auch 3. Ordnung.
Soweit klappt auch alles.
Musste aber aufgrund einer Änderung der Darstellung die Polynomgleichung nach X auflösen und für einen bestimmten Y Wert X ausrechnen lassen.
Das habe ich für die Polynomgleichung 2. Ordnung mit der PQ-formel gelöst.

Wie kann man so etwas mit der Polynomgleichung 3.Ordnung machen?
Habe die Nullstellen der Gleichung bestimmt, weiß aber jetzt nicht mehr weiter.
Muss für Y = 160 den X Wert bestimmen.

Hoffe jemand kann mir hierbei helfen.

Füge zwei Screenshot mit ein
Einmal die Polynomgleichung und einmal ein Ausschnitt vom Code.

Zur Ergänzung: Die Lösung soll für eine beliebige Polynomgleichung 3. Ordnung anwendbar sein und nicht nur für die von mir angehängten Gleichung.


Gruß

simcum


Angehängte Datei(en) Thumbnail(s)
       
Alle Beiträge dieses Benutzers finden
Diese Nachricht in einer Antwort zitieren to top
Anzeige
15.02.2022, 16:15
Beitrag #2

GerdW Offline
______________
LVF-Team

Beiträge: 17.534
Registriert seit: May 2009

LV2019 (LV2021)
1995
DE_EN

10×××
Deutschland
RE: Polynomgleichung

Akzeptierte Lösung

Hallo simcum,

suche dir eine der drei möglichen Lösungen aus:
   

Alle Beiträge dieses Benutzers finden
Diese Nachricht in einer Antwort zitieren to top
15.02.2022, 19:43
Beitrag #3

Martin.Henz Offline
LVF-Team
LVF-Team

Beiträge: 449
Registriert seit: Jan 2005

2.5.1 bis 20
1992
kA

74363
Deutschland
RE: Polynomgleichung

Akzeptierte Lösung

Hallo sicum,

Zitat:Bei meiner Anwendung bestimme ich die Polynomgleichung einer vorhandenen Kurve.

Du kannst die X und Y Daten auch einfach vertauscht in diesen Algorithmus stopfen.

Zitat:Zur Ergänzung: Die Lösung soll für eine beliebige Polynomgleichung 3. Ordnung anwendbar sein und nicht nur für die von mir angehängten Gleichung.

zum Beispiel https://de.numberempire.com/equationsolver.php aufrufen und "a*x^3+b*x^2+c*x+d" eingeben. Dann bekommst du die drei Lösungen. 2hands

Martin Henz
Webseite des Benutzers besuchen Alle Beiträge dieses Benutzers finden
Diese Nachricht in einer Antwort zitieren to top
16.02.2022, 06:14
Beitrag #4

simcum Offline
LVF-Gelegenheitsschreiber
**


Beiträge: 137
Registriert seit: May 2015

2016
2010
DE


Deutschland
RE: Polynomgleichung
Hallo zusammen,

ich danke euch für die Tipps. Das hat mir sehr geholfen.

Gruß

simcum
Alle Beiträge dieses Benutzers finden
Diese Nachricht in einer Antwort zitieren to top
16.02.2022, 07:30
Beitrag #5

simcum Offline
LVF-Gelegenheitsschreiber
**


Beiträge: 137
Registriert seit: May 2015

2016
2010
DE


Deutschland
RE: Polynomgleichung
Ich hatte den Sollwert Y nicht auf die andere Seite der Gleichung gebracht.
Deshalb waren meine Nullstellen nicht wie gewünscht.

Danke nochmals

Gruß

simcum
Alle Beiträge dieses Benutzers finden
Diese Nachricht in einer Antwort zitieren to top
16.02.2022, 08:55
Beitrag #6

simcum Offline
LVF-Gelegenheitsschreiber
**


Beiträge: 137
Registriert seit: May 2015

2016
2010
DE


Deutschland
RE: Polynomgleichung
Hallo zusammen,

es funktioniert alles wie es soll aber etwas verstehe ich nicht.

Der berechnete X-Wert bei Y = 160 muss bei ca. 415 liegen. Das sehe ich anhand der Kurve.

Nun ist es so, das sich die Arraypositionen der plausiblen X Werte für die ermittelten Nullstellen je nach Polynomgrad ändern.

Habe ein kleines Vi erstellt um es zu verdeutlichen.

Bei Polynom 2. und 3. Ordnung ist es in Arrayposition 1
Bei Polynom 4. und 5. Ordnung ist es in Arrayposition 2

Könnt ihr mir vielleicht erklären wieso das so ist?
Das wäre super.

Noch eine Frage zum anderen Thema.

Ich möchte gerne über die Software die Autoskalliereung der X und Y-Achsen im XY Graphen ein und ausschalten.
Habe dafür aber keine Eigenschaft gefunden. Gibt es da etwas was ich übersehen habe?

Danke nochmals für die Mühe

Gruß

simcum


Angehängte Datei(en)
16.0 .vi  Poylnom.vi (Größe: 14,37 KB / Downloads: 360)
Alle Beiträge dieses Benutzers finden
Diese Nachricht in einer Antwort zitieren to top
16.02.2022, 10:28
Beitrag #7

jg Offline
CLA & CLED
LVF-Team

Beiträge: 15.864
Registriert seit: Jun 2005

20xx / 8.x
1999
EN

Franken...
Deutschland
RE: Polynomgleichung

Akzeptierte Lösung

Hallo,

zwecks deiner Skalierungsfrage:
   
   

Gruß, Jens

Wer die erhabene Weisheit der Mathematik tadelt, nährt sich von Verwirrung. (Leonardo da Vinci)

!! BITTE !! stellt mir keine Fragen über PM, dafür ist das Forum da - andere haben vielleicht auch Interesse an der Antwort!

Einführende Links zu LabVIEW, s. GerdWs Signatur.
Alle Beiträge dieses Benutzers finden
Diese Nachricht in einer Antwort zitieren to top
16.02.2022, 11:20
Beitrag #8

simcum Offline
LVF-Gelegenheitsschreiber
**


Beiträge: 137
Registriert seit: May 2015

2016
2010
DE


Deutschland
RE: Polynomgleichung
Vielen Dank Jens

Danach suche ich schon sehr lange.

Ich habe die deutsche LabView Version und dort sind die Begriffe nicht immer Eindeutig.

Ich habe auch immer nach einer direkten Eigenschaft gesucht.

Das ich vorher die aktive X-Achse definieren muss war mir bis jetzt nicht klar.

Super von dir

Gruß

simcum




Gruß

simcum
Alle Beiträge dieses Benutzers finden
Diese Nachricht in einer Antwort zitieren to top
16.02.2022, 11:37
Beitrag #9

GerdW Offline
______________
LVF-Team

Beiträge: 17.534
Registriert seit: May 2009

LV2019 (LV2021)
1995
DE_EN

10×××
Deutschland
RE: Polynomgleichung
Hallo simcum,

Zitat:Das ich vorher die aktive X-Achse definieren muss war mir bis jetzt nicht klar.
X-/Y-Achse, Cursor, Plot: alles, was mehrfach in einem Graph vorkommen kann, musst du vorher per "Active…"-Property auswählen…

Alle Beiträge dieses Benutzers finden
Diese Nachricht in einer Antwort zitieren to top
17.02.2022, 12:30
Beitrag #10

Martin.Henz Offline
LVF-Team
LVF-Team

Beiträge: 449
Registriert seit: Jan 2005

2.5.1 bis 20
1992
kA

74363
Deutschland
RE: Polynomgleichung
(16.02.2022 08:55 )simcum schrieb:  Nun ist es so, das sich die Arraypositionen der plausiblen X Werte für die ermittelten Nullstellen je nach Polynomgrad ändern.

Habe ein kleines Vi erstellt um es zu verdeutlichen.

Bei Polynom 2. und 3. Ordnung ist es in Arrayposition 1
Bei Polynom 4. und 5. Ordnung ist es in Arrayposition 2

Könnt ihr mir vielleicht erklären wieso das so ist?

Um es ganz kurz zu machen: Es kommt in der Reihenfolge aus dem VI heraus.

Die Option des Polynomial Roots VI auf "General" umstellst, dann bekommst du die Nullstellen so, wie sie aus dem dahinter steckenden Algorithmus ermittelt werden. Das hilft dir zwar nicht, aber es stellt zunächst einmal dar, dass das schlicht etwas damit zu tun hat, wie der Algorithmus arbeitet.

Die Option "Simple Classification" bietet etwas Komfort, verwirft kleine imaginäre Anteile und sortiert teilweise das Ergebnis neu. Tut also nicht wirklich etwas, was dir größere Vorteile bringen würde.

Martin Henz
Webseite des Benutzers besuchen Alle Beiträge dieses Benutzers finden
Diese Nachricht in einer Antwort zitieren to top
30
Antwort schreiben 


Gehe zu: