INFO: Dieses Forum nutzt Cookies...
Cookies sind für den Betrieb des Forums unverzichtbar. Mit der Nutzung des Forums erklärst Du dich damit einverstanden, dass wir Cookies verwenden.

Es wird in jedem Fall ein Cookie gesetzt um diesen Hinweis nicht mehr zu erhalten. Desweiteren setzen wir Google Adsense und Google Analytics ein.


Antwort schreiben 

Problem Zuschalten DO`s / Fehlermeldung



Wenn dein Problem oder deine Frage geklärt worden ist, markiere den Beitrag als "Lösung",
indem du auf den "Lösung" Button rechts unter dem entsprechenden Beitrag klickst. Vielen Dank!

12.11.2013, 15:02
Beitrag #1

Lifter Offline
LVF-Grünschnabel
*


Beiträge: 37
Registriert seit: Oct 2013

2013
-
kA



Problem Zuschalten DO`s / Fehlermeldung
Hallo,


ich habe in einem Programm an zwei stellen ein paar problemchen:


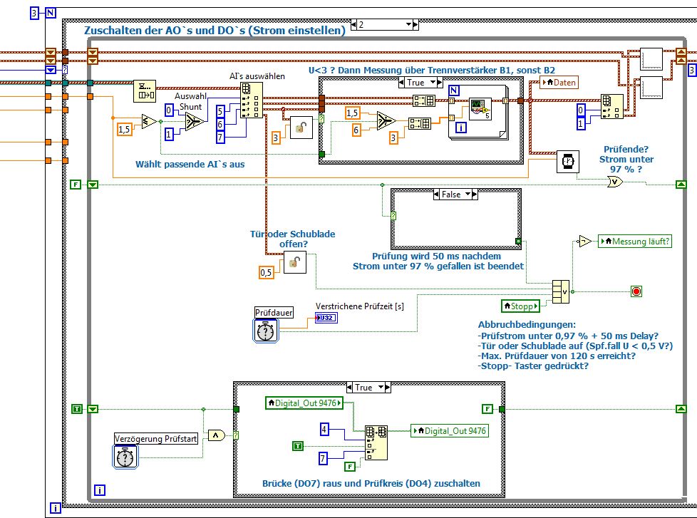
-In dem Prüfablauf soll nach einer kleinen wartezeit ein DO gesetzt und ein anderer nicht mehr gesetzt werden. Leider führt das programm diesen schritt nicht aus, da die prüfung bereits vorher unterbrochen wird. DIe Messung oben starten natürlich etwas vor der Prüfung, damit alle Messdaten ausgewertet werden können. Hat jemand eine Idee? (siehe Bild)



-In 90 % der Fälle taucht Fehler 1801 auf. Variieren der Werte am Eingang brachte bisher keine Lösung weiss jemand etwas? (siehe Bild)



Vielen dank.


Angehängte Datei(en) Thumbnail(s)
       
Alle Beiträge dieses Benutzers finden
Diese Nachricht in einer Antwort zitieren to top
Anzeige
12.11.2013, 17:27 (Dieser Beitrag wurde zuletzt bearbeitet: 12.11.2013 17:28 von GerdW.)
Beitrag #2

GerdW Offline
______________
LVF-Team

Beiträge: 17.536
Registriert seit: May 2009

LV2019 (LV2021)
1995
DE_EN

10×××
Deutschland
RE: Problem Zuschalten DO`s / Fehlermeldung
Hallo Lifter,

Zitat:In dem Prüfablauf soll nach einer kleinen wartezeit ein DO gesetzt und ein anderer nicht mehr gesetzt werden. Leider führt das programm diesen schritt nicht aus, da die prüfung bereits vorher unterbrochen wird.
Soll das Setzen der DOs unabhängig von dieser Prüfung geschehen? Dann sollte es auch unabhängig davon programmiert werden, z.B. in einer parallel laufenden Schleife...

Zitat:Fehler 1801
Bei welcher Funktion im VI? Bei welchen Eingangsparametern? Die Fehlererläuterung ist doch recht eindeutig...
Alternativ könnte man natürlich eine Fehlerauswertung programmieren, dann würde dieses Popup nicht erscheinen...

Alle Beiträge dieses Benutzers finden
Diese Nachricht in einer Antwort zitieren to top
14.11.2013, 14:32
Beitrag #3

Lifter Offline
LVF-Grünschnabel
*


Beiträge: 37
Registriert seit: Oct 2013

2013
-
kA



RE: Problem Zuschalten DO`s / Fehlermeldung
Also nochmal zu der Fehlermeldung: Die kommt immer bei den Signalverlaufsabschnitt lesen Funktionen.


ich habe das in dem Bild mal mit roten kreisen markiert. Als Lösung dachte ich einfach das ganzzahlige Vielfache von dt zu berechnen, siehe anderes Bild (rot eingekreist).Leider ist das nicht möglich, das Programm will dann so nichtmal starten. Ich musste jetzt erstmal eine Deaktivierungsstruktur dadrum legen damit ich überhaupt das Programm starten konnte.


Sehr ärgerlich.


-Dann noch eine Frage zu einer Fehlermeldung:

Ich habe das mal als Bild angehängt. Dort öffnet sich wenn man bei der ersten Fehlermeldung nicht auf Programmende klickt eine weitere Meldung in der man die Parameter Prüfspannung und Prüfstrom neu vorgeben kann. Leider nimmt das Programm diese Werte nicht an und springt immer wieder in die Eingabe zurück. Sieht jemand ein Problem?


-Dann noch ein Problem mit der Messung:

Es läuft alles soweit richtig, nur scheinbar werden zuviele Werte genommen / dargestellt, sodass der Rechner während des Prüfablaufs sehr stark hängt und es kaum möglich ist den Stopp Button zu betätigen. Mit Glück wird dieser nach Betätigung nach 5 Sekunden etc. gesetzt und das Programm beendet. Inwiefern lässt sich dies bereinigen / umgehen, da doch grade der Stopp Taster sehr wichtig ist, falls es Probleme mit der Anlage gibt. (ebenfalls als Bild angehängt)



Vielen Dank für die Infos.


Angehängte Datei(en) Thumbnail(s)
               
Alle Beiträge dieses Benutzers finden
Diese Nachricht in einer Antwort zitieren to top
15.11.2013, 07:49 (Dieser Beitrag wurde zuletzt bearbeitet: 15.11.2013 07:51 von GerdW.)
Beitrag #4

GerdW Offline
______________
LVF-Team

Beiträge: 17.536
Registriert seit: May 2009

LV2019 (LV2021)
1995
DE_EN

10×××
Deutschland
RE: Problem Zuschalten DO`s / Fehlermeldung
Hallo Lifter,

Zitat:Leider nimmt das Programm diese Werte nicht an und springt immer wieder in die Eingabe zurück. Sieht jemand ein Problem?
Spiel das doch mal mit Highlighting und Sonden durch, dann siehst du doch, warum in die "Eingabe" zurückgesprungen wird! (Liegt das vielleicht daran, dass du als nächsten State "Netzteil auswählen" vorgibst?)

Zitat:Leider ist das nicht möglich, das Programm will dann so nichtmal starten
Mit welcher Begründung? Was ist der angezeigte Fehler?

Zitat:sodass der Rechner während des Prüfablaufs sehr stark hängt und es kaum möglich ist den Stopp Button zu betätigen.
Vielleicht ist die CPU einfach zu stark belastet? Was sagt der Taskmanager, wenn dein Programm läuft?
- Du hast doch mittlerweile bestimmt die Grundlagenkurse zu LabVIEW durchgearbeitet!? Dann weißt du doch schon, wie man LabVIEW dazu bringt, die CPU zu entlasten...
- Wird der Stopp-Button in deiner Statemachine regelmäßig (und ohne große Verzögerung für den User) abgefragt?

Alle Beiträge dieses Benutzers finden
Diese Nachricht in einer Antwort zitieren to top
15.11.2013, 08:14
Beitrag #5

Lifter Offline
LVF-Grünschnabel
*


Beiträge: 37
Registriert seit: Oct 2013

2013
-
kA



RE: Problem Zuschalten DO`s / Fehlermeldung
Zitat:Spiel das doch mal mit Highlighting und Sonden durch, dann siehst du doch, warum in die "Eingabe" zurückgesprungen wird! (Liegt das vielleicht daran, dass du als nächsten State "Netzteil auswählen" vorgibst?)

Nein, in den nächsten State wird ja auch nicht geschaltet, diese Werte kommen einfach vorne nicht an. Die Leitungen wurden doch richtig mit dem Schieberegister verbunden, das ist mir nicht so ganz jkar warum diese Werte für U und I nicht genommen werden.



Zitat:Mit welcher Begründung? Was ist der angezeigte Fehler?

Wie bereits oben zu sehen Fehler 1801... Das kann doch nicht sein. Gibt es dafür keine einfache Lösung?


Zitat:Vielleicht ist die CPU einfach zu stark belastet? Was sagt der Taskmanager, wenn dein Programm läuft?
- Du hast doch mittlerweile bestimmt die Grundlagenkurse zu LabVIEW durchgearbeitet!? Dann weißt du doch schon, wie man LabVIEW dazu bringt, die CPU zu entlasten...
- Wird der Stopp-Button in deiner Statemachine regelmäßig (und ohne große Verzögerung für den User) abgefragt?

Natürlich, einerseits mit einer warten funktion. Habe ich einfach mal 40 ms eingefügt. Hat dies nicht Einfluss auf die Prüfung bzw. die MEssung? Je nach Prüfling findet der Prüfablauf nur im unteren ms Bereich statt, ist dies ein problem bei Vergabe einer Wartezeit?

Der Stopp button ist einfach die Abbruchbedingung für die While Schleife.





ich habe mich auch schon gefragt ob es nicht einfach an den AI Messungen liegt. Könnte ich das ganze durch neue Vergabe der Samplerate und Samples begradigen? Oder ist die EInstellung so ok? Mir ist nicht ganz klar wie man hier die Werte einstellen soll um eine ausreichende Genauigkeit zu erhalten. ich habe dies mal als Bild angehängt.


Angehängte Datei(en) Thumbnail(s)
   
Alle Beiträge dieses Benutzers finden
Diese Nachricht in einer Antwort zitieren to top
15.11.2013, 12:58 (Dieser Beitrag wurde zuletzt bearbeitet: 15.11.2013 13:01 von GerdW.)
Beitrag #6

GerdW Offline
______________
LVF-Team

Beiträge: 17.536
Registriert seit: May 2009

LV2019 (LV2021)
1995
DE_EN

10×××
Deutschland
RE: Problem Zuschalten DO`s / Fehlermeldung
Hallo Lifter,

Zitat:Wie bereits oben zu sehen Fehler 1801... Das kann doch nicht sein. Gibt es dafür keine einfache Lösung?
Es ist ja nicht so, dass man nicht nachschauen könnte, was GetWaveformSubset so anstellt...
Hast du schon mal diese Funktion per Debugging beobachtet und so herausgefunden, welcher Wert (t0, dt) dieser Funktion nicht gefällt? Tipp: Sonden, Highlighting, SingleStep nutzen...

Zitat:Nein, in den nächsten State wird ja auch nicht geschaltet, diese Werte kommen einfach vorne nicht an.
Wie soll das gehen, wenn du ausdrücklich vorgibst, mit dem aktuellen State weiterzumachen? Welches soll denn der nächste aufzurufende State sein? Ich sage nur: Debugging mit Sonden und Highlighting...

Alle Beiträge dieses Benutzers finden
Diese Nachricht in einer Antwort zitieren to top
Anzeige
30
Antwort schreiben 


Gehe zu: