Moin,
ich hab ein Problem bei der Datenerfassung.
Das VI wurde unter Windows XP 32bit erstellt mit

32bit.
Nach Laptopwechsel soll das Programm unter Windows 7 64bit laufen mit

32bit.
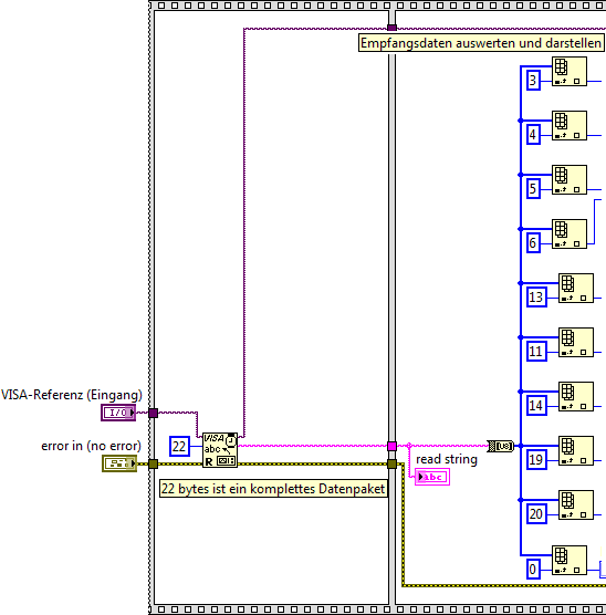
Es sollen Daten von einer NI USB 6215 Box und vom COM Port (via COM-USB Adapter) "synchron/parallel" abgefragt werden.
Mit dem 32bit System lief das ganz gut, auch mehrere Minuten lang. Die Daten wurden mit ausreichend Genauigkeit alle 50ms erfasst.
Mit dem 64bit System kommen meine Daten nach wenigen Sekunden aber spätestens nach 20sekunden irgendwie aus dem Takt. Es ist zu beobachten das die Daten des COM Portes unplausible Werte liefern was darauf mMn. darauf hinweist dass das Datenpaket welches 22bytes sein sollte nicht vollständig gelesen wird etc.
Ich weiss sehr wohl das mein Programmiertes nicht das Gelbe vom Ei ist, wohl eher Müll. Aber es hat funktioniert, zumindest unter 32bit XP.
Kann mir jemand helfen bzw. Tipp geben wie ich es probieren könnte?
Vielen Dank.
Gruss Max