INFO: Dieses Forum nutzt Cookies...
Cookies sind für den Betrieb des Forums unverzichtbar. Mit der Nutzung des Forums erklärst Du dich damit einverstanden, dass wir Cookies verwenden.

Es wird in jedem Fall ein Cookie gesetzt um diesen Hinweis nicht mehr zu erhalten. Desweiteren setzen wir Google Adsense und Google Analytics ein.


Antwort schreiben 

Dieses Thema hat akzeptierte Lösungen:

Punkt in Signalverlaufsgraph



Wenn dein Problem oder deine Frage geklärt worden ist, markiere den Beitrag als "Lösung",
indem du auf den "Lösung" Button rechts unter dem entsprechenden Beitrag klickst. Vielen Dank!

10.12.2014, 16:00
Beitrag #1

Emitter- Offline
LVF-Neueinsteiger


Beiträge: 5
Registriert seit: Aug 2012

14.0
2012
kA


Deutschland
Punkt in Signalverlaufsgraph
Ich möchte einen simplen Punkt in meinen Graphen zeichnen.

P (35000000, 10)

Arrays bekomme ich problemlos geplottet aber keine einfachen Punkte. Weiß jemand Rat? Würde mich freuen.


Angehängte Datei(en) Thumbnail(s)
   

14.0 .vi  Punkt in Graph zeichnen.vi (Größe: 148,98 KB / Downloads: 305)
Alle Beiträge dieses Benutzers finden
Diese Nachricht in einer Antwort zitieren to top
Anzeige
10.12.2014, 16:21 (Dieser Beitrag wurde zuletzt bearbeitet: 10.12.2014 16:22 von Trinitatis.)
Beitrag #2

Trinitatis Offline
LVF-Guru
*****


Beiträge: 1.694
Registriert seit: May 2008

7.1 / 8.0 /2014-1, 18
2002
DE

18055
Deutschland
RE: Punkt in Signalverlaufsgraph
das Problem ist, dass du versuchst, in deinem Array 2 verschiedene Datentypen zu verknüppern. Das eine ist ein Cluster aus 2 Arrays und das andere ein Cluster aus 2 Punkten.

Du könntest also aus den beiden unteren Punkten je ein 1D-Array mit je einem Punkt drin machen

Gruß, Marko


PS: LV 2014 ist zu avantgardistisch, als dass jeder hier das VI öffnen könnte!
Alle Beiträge dieses Benutzers finden
Diese Nachricht in einer Antwort zitieren to top
10.12.2014, 17:37
Beitrag #3

Lucki Offline
Tech.Exp.2.Klasse
LVF-Team

Beiträge: 7.699
Registriert seit: Mar 2006

LV 2016-18 prof.
1995
DE

01108
Deutschland
RE: Punkt in Signalverlaufsgraph
Also ich würde da lieber mit dem oberen Array etwas machen: Format "1D-Array of Points [x,y]" statt "Cluster of [X-Array,Y-Array]". Das Anhängen eines Elementes an den Array ist dann ganz problemlos:
   
Alle Beiträge dieses Benutzers finden
Diese Nachricht in einer Antwort zitieren to top
11.12.2014, 07:47 (Dieser Beitrag wurde zuletzt bearbeitet: 11.12.2014 07:51 von Emitter-.)
Beitrag #4

Emitter- Offline
LVF-Neueinsteiger


Beiträge: 5
Registriert seit: Aug 2012

14.0
2012
kA


Deutschland
RE: Punkt in Signalverlaufsgraph
Danke für die Antworten! Beide Lösungsvorschläge lassen sich kompilieren.

(10.12.2014 16:21 )Trinitatis schrieb:  Du könntest also aus den beiden unteren Punkten je ein 1D-Array mit je einem Punkt drin machen

Ja stimmt, nur wie bekomme ich dann einen Punkt geplottet? Wenn ich das 1D-Array dann komplett mit Nullen fülle und beispielsweise jeweils an Index 10 die 35000000 und 10 eintrage, plottet mir Labview dennoch eine Linie bis zum Punkt.

(10.12.2014 17:37 )Lucki schrieb:  Also ich würde da lieber mit dem oberen Array etwas machen: Format "1D-Array of Points [x,y]" statt "Cluster of [X-Array,Y-Array]".

Auch hier bekomme ich leider eine ganz fiese Linie ab den Punkt geplottet.

Ünterstützt Labview überhaupt die Anzeige eines einzelnen Punktes in einem Graphen? Und der Punkt muss ja auch ausreichend sichtbar mit entsprechenden Durchmesser sein.
Alle Beiträge dieses Benutzers finden
Diese Nachricht in einer Antwort zitieren to top
11.12.2014, 08:31
Beitrag #5

Emitter- Offline
LVF-Neueinsteiger


Beiträge: 5
Registriert seit: Aug 2012

14.0
2012
kA


Deutschland
RE: Punkt in Signalverlaufsgraph
Ich habe einen Weg gefunen!

Nur leider bekomme ich den Eigenschaftsknoten nur auf Plot 0 und nicht auf Plot 1 etc. bezogen. Ich möchte also umgekehrt wie im folgenden Bild, Plot 0 mit dem Signalverlauf und Plot 1 mit den Punkten zeichnen. Kann jemand helfen?


Angehängte Datei(en) Thumbnail(s)
       

14.0 .vi  Punkt in Graph zeichnen2.vi (Größe: 288,62 KB / Downloads: 294)
Alle Beiträge dieses Benutzers finden
Diese Nachricht in einer Antwort zitieren to top
11.12.2014, 08:40 (Dieser Beitrag wurde zuletzt bearbeitet: 11.12.2014 08:53 von Lucki.)
Beitrag #6

Lucki Offline
Tech.Exp.2.Klasse
LVF-Team

Beiträge: 7.699
Registriert seit: Mar 2006

LV 2016-18 prof.
1995
DE

01108
Deutschland
RE: Punkt in Signalverlaufsgraph
Ich hatte übersehen, dass Du den neuen Punkt als Einzelpunkt haben wolltest. In dem Fall hattest Du schon fast alles richtig gemacht. Du mußt nur noch die beiden neuen Koordinatenwerte in 1-Element-Arrays konvertieren:
   
Edit: zu deinem letzten Posting.
Es gibt die Eigenschaft "aktiver Plot", die müßtest Du verwenden, bevor Du weitere Ploteigenschaften festlegst
Unabhängig davon: für die Einzelpunkte "Plot 0" zu verwenden ist auf alle Fälle gut, wenn die wünschst, dass die Einzelpunkte immer sichtbar sind. Andernfalls kann es passieren, daß sie unter der Punktewolke des anderen Plots verdeckt werden.
Alle Beiträge dieses Benutzers finden
Diese Nachricht in einer Antwort zitieren to top
Anzeige
11.12.2014, 08:47
Beitrag #7

GerdW Offline
______________
LVF-Team

Beiträge: 17.533
Registriert seit: May 2009

LV2019 (LV2021)
1995
DE_EN

10×××
Deutschland
RE: Punkt in Signalverlaufsgraph
Hallo Emitter,

Zitat:Nur leider bekomme ich den Eigenschaftsknoten nur auf Plot 0 und nicht auf Plot 1 etc. bezogen.
Jetzt darfst du mal raten, wozu es die Properties "Active Plot", "Active Scale", usw. gibt. Oder einfach deren Hilfe lesen…

Alle Beiträge dieses Benutzers finden
Diese Nachricht in einer Antwort zitieren to top
11.12.2014, 09:30 (Dieser Beitrag wurde zuletzt bearbeitet: 11.12.2014 09:42 von Emitter-.)
Beitrag #8

Emitter- Offline
LVF-Neueinsteiger


Beiträge: 5
Registriert seit: Aug 2012

14.0
2012
kA


Deutschland
RE: Punkt in Signalverlaufsgraph

Akzeptierte Lösung

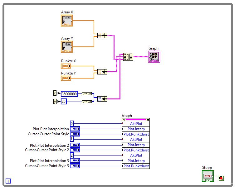
(11.12.2014 08:40 )Lucki schrieb:  Unabhängig davon: für die Einzelpunkte "Plot 0" zu verwenden ist auf alle Fälle gut, wenn die wünschst, dass die Einzelpunkte immer sichtbar sind. Andernfalls kann es passieren, daß sie unter der Punktewolke des anderen Plots verdeckt werden.
Stimmt.

(11.12.2014 08:47 )GerdW schrieb:  Jetzt darfst du mal raten, wozu es die Properties "Active Plot", "Active Scale", usw. gibt. Oder einfach deren Hilfe lesen…
Danke.


Angehängte Datei(en) Thumbnail(s)
       

14.0 .vi  Punkt in Graph zeichnen3.vi (Größe: 565,16 KB / Downloads: 304)
Alle Beiträge dieses Benutzers finden
Diese Nachricht in einer Antwort zitieren to top
11.12.2014, 09:39 (Dieser Beitrag wurde zuletzt bearbeitet: 11.12.2014 09:40 von GerdW.)
Beitrag #9

GerdW Offline
______________
LVF-Team

Beiträge: 17.533
Registriert seit: May 2009

LV2019 (LV2021)
1995
DE_EN

10×××
Deutschland
RE: Punkt in Signalverlaufsgraph
Hallo Emitter,

wenn du schon deine eigenen Beiträge als Lösung markierst, dann doch bitte auch richtige Lösungen präsentieren!

- Die Property "Active Plot" muss als erstes gesetzt werden, danach dann die entsprechenden Eigenschaften des Plots. Du machst das momentan verkehrt herum…
- Wozu drei Propertynodes für drei Plots? Fass das doch alles in eine Propertynode zusammen! (Momentan hast du da einfach mal RaceConditions erzeugt.)

Alle Beiträge dieses Benutzers finden
Diese Nachricht in einer Antwort zitieren to top
11.12.2014, 09:43
Beitrag #10

Emitter- Offline
LVF-Neueinsteiger


Beiträge: 5
Registriert seit: Aug 2012

14.0
2012
kA


Deutschland
RE: Punkt in Signalverlaufsgraph
(11.12.2014 09:39 )GerdW schrieb:  Hallo Emitter,

wenn du schon deine eigenen Beiträge als Lösung markierst, dann doch bitte auch richtige Lösungen präsentieren!

- Die Property "Active Plot" muss als erstes gesetzt werden, danach dann die entsprechenden Eigenschaften des Plots. Du machst das momentan verkehrt herum…
- Wozu drei Propertynodes für drei Plots? Fass das doch alles in eine Propertynode zusammen! (Momentan hast du da einfach mal RaceConditions erzeugt.)

War gerade im selben Moment am anpassen des Posts.
Alle Beiträge dieses Benutzers finden
Diese Nachricht in einer Antwort zitieren to top
Antwort schreiben 


Möglicherweise verwandte Themen...
Themen Verfasser Antworten Views Letzter Beitrag
  Signalverlaufsgraph PatrickF1706 1 4.206 02.08.2018 08:35
Letzter Beitrag: GerdW
  Dreieckschwingung (Punkt für Punkt) (VI) Dümo 3 4.929 23.05.2018 07:36
Letzter Beitrag: Dümo
  Signalverlaufsgraph zoomen Start und Endpunkt ermitteln Flore 5 6.827 24.06.2015 15:05
Letzter Beitrag: Flore
  Unterschied Filter und Filter (Punkt für Punkt) dbuckl 7 8.369 15.05.2015 19:19
Letzter Beitrag: Lucki
  Starre Skalierung Signalverlaufsgraph TobSTAR 6 7.275 20.04.2015 14:01
Letzter Beitrag: TobSTAR
  Signalverlaufsgraph - X Achse abgelaufene Sekunden TobSTAR 7 7.222 20.03.2015 10:54
Letzter Beitrag: Lucki

Gehe zu: