Hallöchen :-)
' schrieb:Du hast offensichtlich das Grundkonzept des Datenflusses bei LabVIEW noch nicht verstanden. Hast du dir einmal dein Programm mit aktivierter Highlight-Funktion angeschaut? Mach das einmal und versuche zu verstehen, wieso das nicht klappen kann.
Und dann vergleiche mit dem hier:
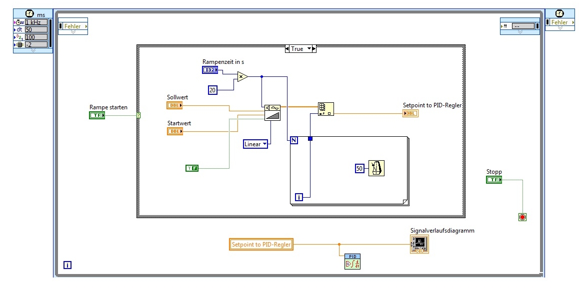
[attachment=58072:RampeV2.vi]
Ist auch nicht gerade optimal, aber zu mehr habe ich gerade keine Lust.
Gruß, Jens
@Jens, erstmal vielen Dank für deine Grundlage. Ich denke auf dieser Basis kann ich weiter arbeiten.
Du hast recht,.... das Grundkonzept habe ich scheinbar noch nicht verstanden.
Ich lese immer nur Datenfluss heißt wenn alle Signale anliegen wird von links nach rechts ausgeführt. Nun theoretisch klar, was ich aber in der Praxis falsch mache ist mir unklar. Highlight-Funktion,... ähm ja

Ich werde jetzt erstmal lesen wie man diese benutzt und auswertet.
' schrieb:Genau für diesen Fall gibt es unter Signalerzeugung die Funktionen "Punkt für Punkt". Zwar ist die Rampenfunktion nicht dabei, man könnte aber ersatzweise die Sägezahn- oder Dreieckfunktion verwenden.
Die Frage ist doch ohnehin: Was soll denn mit dem Sollwert geschehen, wenn das Ende der Rampe erreicht ist? Die Rampe liefert doch nur für eine gewisse Zeit den Sollwert, was geschieht danach? Eine Regelung sollte doch wohl dauerhaft funktionieren.
@Lucki
Deine Frage ist einfach zu beantworten:
Der Startwert von der Rampe soll immer der letzte aktuelle Wert sein, quasi die PV (Process Variable),
Der Sollwert soll in der gannten Rampenzeit erreicht werden und danach gehalten werden, also definitiv nicht auf null zurückgehen.
Das würde für meine Regelung kein Sinn machen.
Bsp.
Motordrehzahl soll in 10 sec von 1000 auf 3000 U/min. steigen, dann die Drehzahl halten!, bis ich z.b. in 5 sec von 3000 auf 2500 reduzieren möchte.
Demnach benötige ich ein nummerisches Bedienelemnt für die Zeitangabe und für die Solldrehzahl, das ganze wird dann über ein Taster gestartet.
Startwert der Rampe soll immer die aktuelle Istdrehzahl sein.
Vielen Dank für eure Hilfen.
Gruß Dennis