
Hallo Hasenfuss,
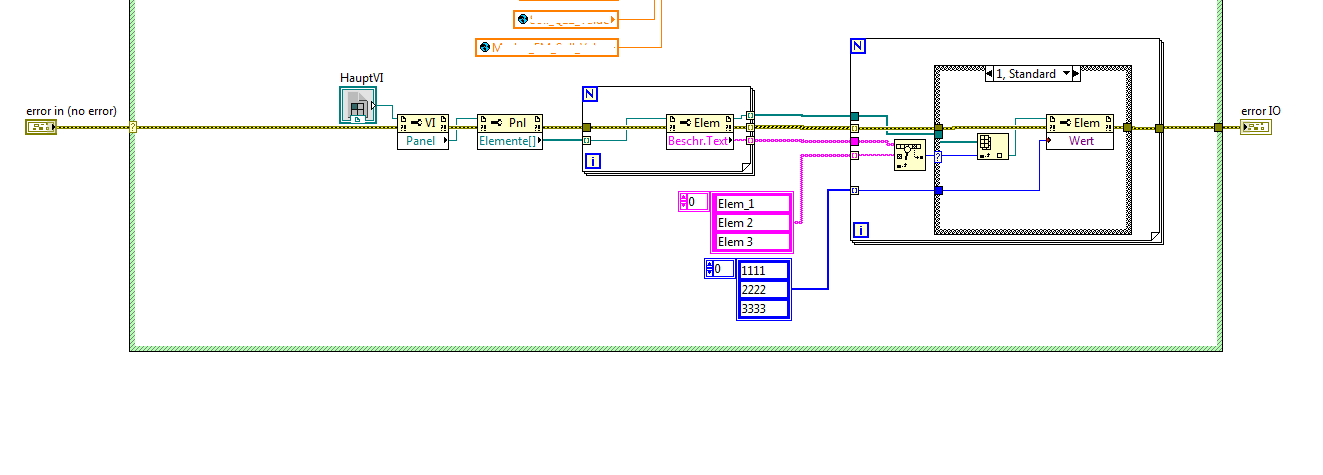
abgesehen davon, dass es keine gute Idee ist, Anzeigeelemente per Value-PropertyNode zu aktualisieren, bleibt es bei meinem bisherigen Vorschlag:
einmalig die Referenzen aller FP-Elemente einsammeln, die im subVI interessanten anhand ihres Labels filtern und dann in einer Loop beschreiben.
Die Referenzen musst du nur einmal einsammeln, filtern musst du auch nur einmal (die Label ändern sich ja nicht) - beschreiben musst du dann in einer Schleife.
Trotzdem die Warnung: Value-PropertyNodes sind so ziemlich das langsamste, was man zum Aktualisieren von Anzeigen nutzen kann…