Hallo Leute,
ich bin neu hier im Forum und bin eine Studentin aus Mannheim.
Ich habe folgendes Problem.
Ich soll im Labor den Robotino mit Labview ansteuern und dann Messungen
durchführen. Der Robotino soll verschiedene Gewichte verschieben. Anhand dessen
soll ich die Leistung der Motoren messen.
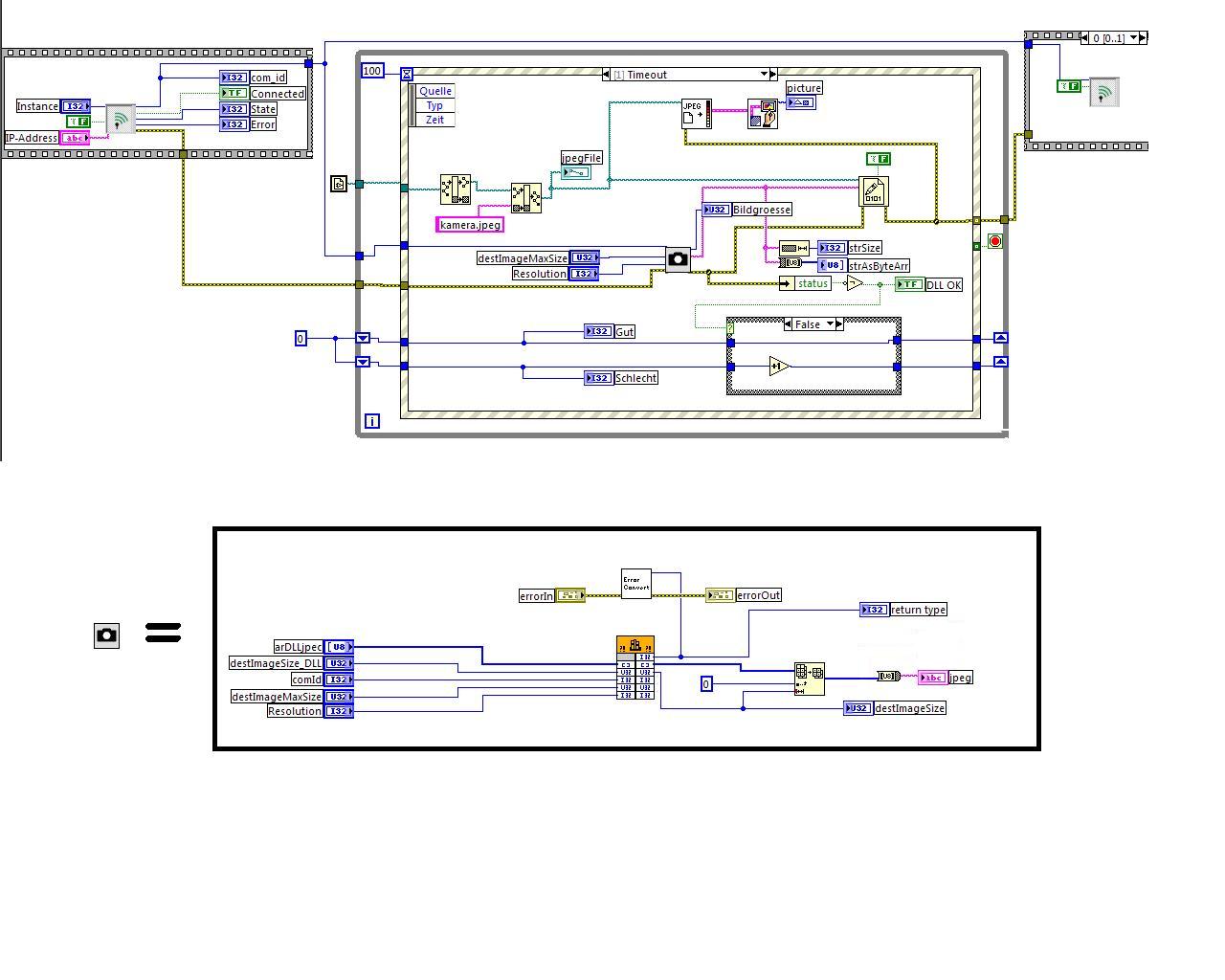
Ich habe im Forum von Robotino eine hilfreiche Bibliothek für Labview gefunden.
Aber mein Problem ist, dass es viel zu lange braucht, um zu reagieren (ca. 4s) und ich soll in Echtzeit messen.
Zusätzlich soll Labview mir einen Signalverlaufsdiagramm erstellen. Aber irgendwie sobald ich
das Programm starte, hängt das ganze Programm und auch der Rechner (und wie gesagt, Robotino
ist auch zu langsam). Ich habe schon bei OpenRobotino gefragt, aber wirklich geholfen hat
mir da keiner. Es wäre wirklich nett, wenn ihr mir helfen könnt.

Vielleicht wisst ihr ja, was das Problem sein könnte. Achja also im Labor benutzen wir Labview 2010
und das Programm was ich benutzt habe (nur zum Testen) war ein Beispielprogramm von den Robotino-Leuten.
Also müsste eigentlich funktionieren!
Ich würd mich echt freuen, wenn ihr mir helfen könnt
Schönen Tag noch