INFO: Dieses Forum nutzt Cookies...
Cookies sind für den Betrieb des Forums unverzichtbar. Mit der Nutzung des Forums erklärst Du dich damit einverstanden, dass wir Cookies verwenden.

Es wird in jedem Fall ein Cookie gesetzt um diesen Hinweis nicht mehr zu erhalten. Desweiteren setzen wir Google Adsense und Google Analytics ein.


Antwort schreiben 

Standardwerte abspeichern



Wenn dein Problem oder deine Frage geklärt worden ist, markiere den Beitrag als "Lösung",
indem du auf den "Lösung" Button rechts unter dem entsprechenden Beitrag klickst. Vielen Dank!

07.01.2010, 13:48
Beitrag #1

selma Offline
LVF-Gelegenheitsschreiber
**


Beiträge: 210
Registriert seit: Aug 2009

2009
2009
de

21xxx
Deutschland
Standardwerte abspeichern
Seit heute morgen um 8 suche ich hier im Forum.Wacko
Habe auch was gefunden, Unsure

http://www.LabVIEWforum.de/index.php?showt...amp;#entry30262

aber geholfen hat das nicht.Blink

Ich weiß einfach nicht wie ich das für mich umsetzten soll.

Ich möchte die Werte :Max, comp. einstellung, Abfrage vom Sensor, also alle Einstellung die den vom Benutzer des Programmes eingestellt werden als Standard speichern.

Wie setzte ich das um und Bitte nicht auf den Link verweisen. Danke

Gruß Selma

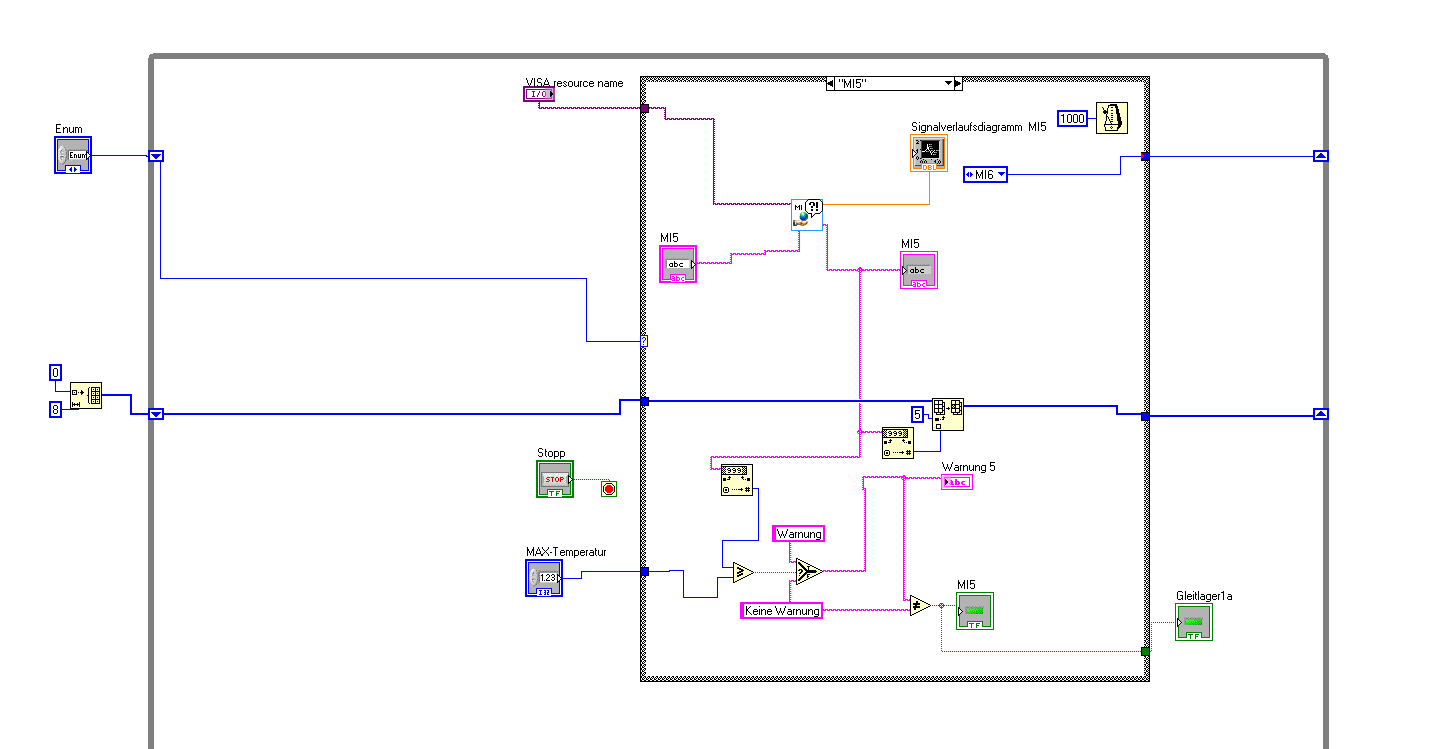
Pack noch ein Screenshot da zu von meinen Programm in den ich das einsetzten möchte.
   

Lv09_img2
Alle Beiträge dieses Benutzers finden
Diese Nachricht in einer Antwort zitieren to top
Anzeige
07.01.2010, 13:52 (Dieser Beitrag wurde zuletzt bearbeitet: 07.01.2010 13:56 von schrotti.)
Beitrag #2

schrotti Offline
LVF-Freak
****


Beiträge: 842
Registriert seit: Feb 2008

2009 - 2011
2006
kA

70180
Deutschland
Standardwerte abspeichern
Wert auf Festplatte speichern, beim nächsten Start laden und in die Elemente schreiben. So richtig habe ich aber nicht verstanden was du willst.

Edit: BTW:
   

Gruß Julius
Empfehlungen: expressionflow, LavaG , mooregoodideas, OpenG, JKI Blog
Tipp
Alle Beiträge dieses Benutzers finden
Diese Nachricht in einer Antwort zitieren to top
07.01.2010, 13:57 (Dieser Beitrag wurde zuletzt bearbeitet: 07.01.2010 14:08 von selma.)
Beitrag #3

selma Offline
LVF-Gelegenheitsschreiber
**


Beiträge: 210
Registriert seit: Aug 2009

2009
2009
de

21xxx
Deutschland
Standardwerte abspeichern
Ich möchte das was man über "Aktuellen Wert als Standardwert" in meim Programm haben.
So das den Vorort die notwendigen Einstellung gemacht werden können und das so das Programm immer mit diesen Werten gestartet wird ohne das man was laden muß.

Möchte also den Aktuellen Wert als Standardwert Speichern wenn ich programm Startet oder Läuft da bin ich mir noch nich Siche rwie ..

Mit mein Screenshot hat das noch nix zutun.
Da soll die Funktion nur rein.
Alle Beiträge dieses Benutzers finden
Diese Nachricht in einer Antwort zitieren to top
07.01.2010, 14:12
Beitrag #4

schrotti Offline
LVF-Freak
****


Beiträge: 842
Registriert seit: Feb 2008

2009 - 2011
2006
kA

70180
Deutschland
Standardwerte abspeichern
' schrieb:Ich möchte das was man über Aktuellen Wert als Standardwert in meim Programm haben.
So das den Vorort die notwendigen Einstellung gemacht werden können und das so das Programm immer mit diesen Werten gestartet wird ohne das man was laden muß.

Möchte also den Aktuellen Wert als Standardwert Speichern.
"Aktueller Wert als Standard" ändert den Quellcode. In der Runtime lässt sich das nicht umsetzen, weswegen die Methode dort auch nicht zur Verfügung steht. Dir bleibt nichts anderes übrig, als die aktuellen Werte zu speichern und wieder zu laden. Und was ist daran so verkehrt?

' schrieb:Mit mein Screenshot hat das noch nix zutun.

Da soll die Funktion nur rein.
Soll nur ein Hinweis sein.

Gruß Julius
Empfehlungen: expressionflow, LavaG , mooregoodideas, OpenG, JKI Blog
Tipp
Alle Beiträge dieses Benutzers finden
Diese Nachricht in einer Antwort zitieren to top
07.01.2010, 14:18 (Dieser Beitrag wurde zuletzt bearbeitet: 07.01.2010 14:25 von selma.)
Beitrag #5

selma Offline
LVF-Gelegenheitsschreiber
**


Beiträge: 210
Registriert seit: Aug 2009

2009
2009
de

21xxx
Deutschland
Standardwerte abspeichern
Das Problem das ich habe ist, dass das Programm in den Süden geht und dort vor Ort den die einstellung für 48 Temperatursensoren und die MAX Werte eingestellt werden.
Ich hab hier im Norden nur zwei Temperatursensoren mit dem ich das Programm test/arbeite

Ich fand die Idee ja nicht schlecht:

Parametermaske.vi
http://www.LabVIEWforum.de/index.php?showt...amp;#entry30262

Leider kann ich das nicht umsetzten, Stelle mich da zu doof an
Alle Beiträge dieses Benutzers finden
Diese Nachricht in einer Antwort zitieren to top
07.01.2010, 14:27
Beitrag #6

schrotti Offline
LVF-Freak
****


Beiträge: 842
Registriert seit: Feb 2008

2009 - 2011
2006
kA

70180
Deutschland
Standardwerte abspeichern
Ich glaub ich kann dich beruhigen. Wir haben hier im Süden Festplatten. Y-P kann das bestimmt bestätigen.

Die im Süden stellen also 48 Werte + Irgendwas-MAX ein. Deine Applikation kann doch dann die Einstellungen in einer Datei abspeichern. Und die im Süden können dir dann die Datei in den Norden schicken.

Aber, wenn die im Süden eine LV-Entwicklungsumgebung haben, dann könntest du ein zweites VI basteln, dass alle Werte des ersten VI als Standardwerte festlegt.:)Da würd ich aber dann doch lieber zu einer Datei greifen.

   

Gruß Julius
Empfehlungen: expressionflow, LavaG , mooregoodideas, OpenG, JKI Blog
Tipp
Alle Beiträge dieses Benutzers finden
Diese Nachricht in einer Antwort zitieren to top
Anzeige
07.01.2010, 14:31 (Dieser Beitrag wurde zuletzt bearbeitet: 07.01.2010 14:42 von selma.)
Beitrag #7

selma Offline
LVF-Gelegenheitsschreiber
**


Beiträge: 210
Registriert seit: Aug 2009

2009
2009
de

21xxx
Deutschland
Standardwerte abspeichern
ha ha Das war mir schön klar das ihr Festplatten habt.
Es geht ja eher um die Einstellung der com port`s

Wo finde ich die "vi suche"

Ist es den möglich ( bestimmt) das LabVIEW den letzten eintrag speichert.
Alle Beiträge dieses Benutzers finden
Diese Nachricht in einer Antwort zitieren to top
07.01.2010, 14:46
Beitrag #8

dimitri84 Offline
Astronaut
*****


Beiträge: 1.496
Registriert seit: Aug 2009

2020 Developer Suite
2009
DE_EN

53562
Deutschland
Standardwerte abspeichern
Ändern sich denn diese Standardwerte mit der Zeit oder soll das nur einmal festegelegt werden und dann soll immer mit diesen Werten geladen werden?

„Sag nicht alles, was du weißt, aber wisse immer, was du sagst.“ (Matthias Claudius)
Webseite des Benutzers besuchen Alle Beiträge dieses Benutzers finden
Diese Nachricht in einer Antwort zitieren to top
07.01.2010, 14:48 (Dieser Beitrag wurde zuletzt bearbeitet: 07.01.2010 14:56 von selma.)
Beitrag #9

selma Offline
LVF-Gelegenheitsschreiber
**


Beiträge: 210
Registriert seit: Aug 2009

2009
2009
de

21xxx
Deutschland
Standardwerte abspeichern
Der soll nur ein mal gesetzt werden.

Wie schon gesagt können die Standardwerte erst vor Ort eingestellt werden.
Alle Beiträge dieses Benutzers finden
Diese Nachricht in einer Antwort zitieren to top
07.01.2010, 14:55 (Dieser Beitrag wurde zuletzt bearbeitet: 07.01.2010 14:56 von dimitri84.)
Beitrag #10

dimitri84 Offline
Astronaut
*****


Beiträge: 1.496
Registriert seit: Aug 2009

2020 Developer Suite
2009
DE_EN

53562
Deutschland
Standardwerte abspeichern
Dann finde diese Standardwerte heraus. Stelle alle ein. Bearbeiten -> "Aktuelle Werte als Standard". Compilieren. Fertig.

Deine Exe wird dann immer mit diesen Standardwerten geladen.

„Sag nicht alles, was du weißt, aber wisse immer, was du sagst.“ (Matthias Claudius)
Webseite des Benutzers besuchen Alle Beiträge dieses Benutzers finden
Diese Nachricht in einer Antwort zitieren to top
30
Antwort schreiben 


Möglicherweise verwandte Themen...
Themen Verfasser Antworten Views Letzter Beitrag
  Standardwerte Definieren Fredy Dilker 4 8.342 10.04.2014 09:18
Letzter Beitrag: Fredy Dilker
  Standardwerte setzen (bei Start und/oder Beenden) newlabviewer1 3 7.342 29.07.2009 12:21
Letzter Beitrag: Y-P
  Standardwerte übernehmen joeha 5 6.257 26.05.2009 11:32
Letzter Beitrag: joeha
  Array auf bestimmten Inhalt durchsuchen / Standardwerte festlegen Sebby2008 3 4.768 31.08.2008 09:55
Letzter Beitrag: MikeS81
  Letzte Werte als Standardwerte mctommson 1 4.379 25.11.2007 19:49
Letzter Beitrag: Achim
  Standardwerte... x05 2 4.600 04.09.2007 06:47
Letzter Beitrag: Y-P

Gehe zu: