INFO: Dieses Forum nutzt Cookies...
Cookies sind für den Betrieb des Forums unverzichtbar. Mit der Nutzung des Forums erklärst Du dich damit einverstanden, dass wir Cookies verwenden.

Es wird in jedem Fall ein Cookie gesetzt um diesen Hinweis nicht mehr zu erhalten. Desweiteren setzen wir Google Adsense und Google Analytics ein.


Antwort schreiben 

Steuerung Prüfstand



Wenn dein Problem oder deine Frage geklärt worden ist, markiere den Beitrag als "Lösung",
indem du auf den "Lösung" Button rechts unter dem entsprechenden Beitrag klickst. Vielen Dank!

29.01.2020, 07:40 (Dieser Beitrag wurde zuletzt bearbeitet: 29.01.2020 07:40 von Titus85.)
Beitrag #1

Titus85 Offline
LVF-Gelegenheitsschreiber
**


Beiträge: 78
Registriert seit: Jul 2014

2019
2014
DE


Deutschland
Steuerung Prüfstand
Hallo liebe Leute,

ich habe mal eine etwas allgemeinere Frage, ich habe hier einen Prüfstand zu dem ich ein Programm geschrieben habe. (Bild hängt an, sollte ausreichen)

Ich habe das Programm erst einmal so geschrieben, dass ich alle Funktionen händisch steuern kann, die Daten korrekt aufgeichnet werden etc.. Jetzt will ich final, dass der Prüfstand sich einen Datensatz aus eine Liste zieht, in dem u.a. das Prüfprogramm und die Anzahl der Wiederholungen des Programms enthalten sind, dieses Programm dann abfährt und sich danach den nächsten Datensatz aus der Liste zieht usw..

Jetzt überlege ich seit gestern wie ich das am besten umsetzen kann und finde keinen Ansatz,bzw. bin mir sehr unsicher. Ich hatte an eine weitere parallele While-Schleife gedacht die sich durch die durch die Liste arbeitet und lokale Variablen des Steuer-Arrays beschreibt. Wäre das ein vernünftiger Ansatz, oder gibt es eine bessere Möglichkeit.

Liebe Grüße Titus


Angehängte Datei(en) Thumbnail(s)
   

lex et ordo
Alle Beiträge dieses Benutzers finden
Diese Nachricht in einer Antwort zitieren to top
Anzeige
29.01.2020, 07:44
Beitrag #2

GerdW Offline
______________
LVF-Team

Beiträge: 17.534
Registriert seit: May 2009

LV2019 (LV2021)
1995
DE_EN

10×××
Deutschland
RE: Steuerung Prüfstand
Hallo Titus,

Zitat:Jetzt will ich final, dass der Prüfstand sich einen Datensatz aus eine Liste zieht, in dem u.a. das Prüfprogramm und die Anzahl der Wiederholungen des Programms enthalten sind, dieses Programm dann abfährt und sich danach den nächsten Datensatz aus der Liste zieht usw..
Das hört sich doch nach einer Statemachine an:
1. Vorgaben einlesen
2. einzelne Programmschritte abarbeiten
3. Daten speichern
4. zurück zu Punkt 1

Man könnte das Ganze auch zu einem QMH aufblasen…

Zitat:Ich hatte an eine weitere parallele While-Schleife gedacht die sich durch die durch die Liste arbeitet und lokale Variablen des Steuer-Arrays beschreibt. Wäre das ein vernünftiger Ansatz
IMHO NEIN!
Lokale Variablen sind Gift, wenn du dann anfängst, dein Programm zu modularisieren und weitere subVIs anlegen willst. Dann doch bitte eine vernünftige Datenverwaltung…

Alle Beiträge dieses Benutzers finden
Diese Nachricht in einer Antwort zitieren to top
29.01.2020, 08:55
Beitrag #3

Titus85 Offline
LVF-Gelegenheitsschreiber
**


Beiträge: 78
Registriert seit: Jul 2014

2019
2014
DE


Deutschland
RE: Steuerung Prüfstand
Hallo Gerd,

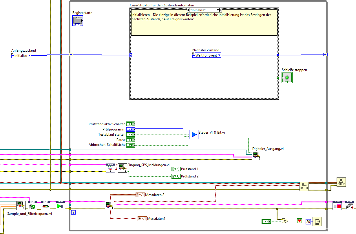
das war auch mein erster Gedanke, habe es dann aber gelassen weil ich mir gedacht habe, dass die Schleife stehen bleibt und die Datenerfassung stoppt während die Statemachine auf etwas wartet. Habe jetzt mal ein Beispiel eingepflegt und tja... es ist das passiert was ich erwartet habe, alles steht still, während auf ein Ereignis gewartet wird.

Mir ist schon klar, dass das mal wieder ein Bedienerproblem ist........ :-( aber ich komme gerade nicht darauf was ich falsch mache. Bzw. ich verstehe warum die Schleife nicht weiterläuft, aber ich weiß nicht wie ich das abstellen kann.

Gruß Alex


Angehängte Datei(en) Thumbnail(s)
   

lex et ordo
Alle Beiträge dieses Benutzers finden
Diese Nachricht in einer Antwort zitieren to top
29.01.2020, 09:05
Beitrag #4

GerdW Offline
______________
LVF-Team

Beiträge: 17.534
Registriert seit: May 2009

LV2019 (LV2021)
1995
DE_EN

10×××
Deutschland
RE: Steuerung Prüfstand
Hallo Alex,

anhand des Bildes kann ich auch nicht sagen, warum die Schleife stehen bleiben sollte.
In der Case-Struktur wird doch nur ein Enum-Wert ausgegeben!?

Zitat:weil ich mir gedacht habe, dass die Schleife stehen bleibt und die Datenerfassung stoppt während die Statemachine auf etwas wartet. Habe jetzt mal ein Beispiel eingepflegt und tja... es ist das passiert was ich erwartet habe, alles steht still, während auf ein Ereignis gewartet wird.
Wieso muss die Statemachine auf ein "Ereignis" warten?
(Ich sehe nirgends eine Event-Struktur: von welchen Ereignissen schreibst du hier?)

Alle Beiträge dieses Benutzers finden
Diese Nachricht in einer Antwort zitieren to top
29.01.2020, 09:08
Beitrag #5

Titus85 Offline
LVF-Gelegenheitsschreiber
**


Beiträge: 78
Registriert seit: Jul 2014

2019
2014
DE


Deutschland
RE: Steuerung Prüfstand
(29.01.2020 09:05 )GerdW schrieb:  Hallo Alex,

anhand des Bildes kann ich auch nicht sagen, warum die Schleife stehen bleiben sollte.
In der Case-Struktur wird doch nur ein Enum-Wert ausgegeben!?

Zitat:weil ich mir gedacht habe, dass die Schleife stehen bleibt und die Datenerfassung stoppt während die Statemachine auf etwas wartet. Habe jetzt mal ein Beispiel eingepflegt und tja... es ist das passiert was ich erwartet habe, alles steht still, während auf ein Ereignis gewartet wird.
Wieso muss die Statemachine auf ein "Ereignis" warten?
(Ich sehe nirgends eine Event-Struktur: von welchen Ereignissen schreibst du hier?)

Ja ... ich bin ein Depp und stand auf dem Schlauch, natürlich muss ich nicht auf ein Ereignis warten, das kann man auch anders lösen, wenn ichs hab werde ich es posten. Danke schon einmal.

lex et ordo
Alle Beiträge dieses Benutzers finden
Diese Nachricht in einer Antwort zitieren to top
02.02.2020, 20:55
Beitrag #6

Titus85 Offline
LVF-Gelegenheitsschreiber
**


Beiträge: 78
Registriert seit: Jul 2014

2019
2014
DE


Deutschland
RE: Steuerung Prüfstand
Hallo nochmal,

ich habe jetzt meine state machine fertig, sie kann auch alles was ich will.

Meine Frage wäre wo Du Verbesserungspotential siehst und ob das alles ordentlich programmiert wurde.

Zum Programm:

Auf Seite 2 findet sich eine Steuertabelle diese muss mit dem Häkchen "Steuertabelle aktivieren" aktiviert werden, Zahl der Versuche wählen, Testnummer (1-7) eintragen, sowie gewünschte Zyklenzahl. Dann auf "Einzelfahrt" oder Schleifenfahrt klicken. Danach auf "Prüfstand beginnt fahrt drücken, damit wird die Produktionsrückstand simuliert.

Dann hänge ich noch ein zweites Programm an zu dem ich gerne eine Meinung hätte, ich will einen unendlichen Zähler einbauen, hab es mit "aus Text lösen", "in Text schreiben gelöst", ist das ok oder gibt es da etwas besseres für?

Gruß Titus


Angehängte Datei(en)
15.0 .vi  Test_VI_Ablaufsteuerung_final.vi (Größe: 61,14 KB / Downloads: 344)

15.0 .vi  Counter.vi (Größe: 9,83 KB / Downloads: 308)

lex et ordo
Alle Beiträge dieses Benutzers finden
Diese Nachricht in einer Antwort zitieren to top
02.02.2020, 21:54
Beitrag #7

GerdW Offline
______________
LVF-Team

Beiträge: 17.534
Registriert seit: May 2009

LV2019 (LV2021)
1995
DE_EN

10×××
Deutschland
RE: Steuerung Prüfstand
Hallo Titus,

Zitat:ich habe jetzt meine state machine fertig, sie kann auch alles was ich will.
Was will man mehr von einem Programm… Big Grin

Zitat:Meine Frage wäre wo Du Verbesserungspotential siehst und ob das alles ordentlich programmiert wurde.
Wozu hast du Kopien von Bedienelementen als Indicator (wie z.B. Pause oder "Testablauf starten")?
Warum musst du so viele "value"-Properties nutzen, um dein Programm zu verwalten?
Wieso kann man das Programm nicht (sauber) beenden?
Es gibt eine "+1"-Funktion…
Warum ist "Stillstandkontrolle" ein U32?

Alle Beiträge dieses Benutzers finden
Diese Nachricht in einer Antwort zitieren to top
03.02.2020, 06:13
Beitrag #8

Titus85 Offline
LVF-Gelegenheitsschreiber
**


Beiträge: 78
Registriert seit: Jul 2014

2019
2014
DE


Deutschland
RE: Steuerung Prüfstand
Zitat:Wozu hast du Kopien von Bedienelementen als Indicator (wie z.B. Pause oder "Testablauf starten")?
Wieso kann man das Programm nicht (sauber) beenden?

Das sind nur Anzeigeelemente damit ich sehen kann ob sich das Programm richtig verhält, werden beim einpflegen ins eigentliche Programm nicht da sein, ebenso kann das Programm dann auch ordentlich beendet werden.

Zitat:Warum musst du so viele "value"-Properties nutzen, um dein Programm zu verwalten?

Ich muss sicherstellen, dass die Bedienelemente auf Null sind wenn die Steuerung verlassen wird. Gibt es da eine bessere Lösung?


Zitat:Warum ist "Stillstandkontrolle" ein U32?

Zufall. Irgendwo hergezogen. :-)

Zitat:Es gibt eine "+1"-Funktion…


Ah ja das stimmt, werde ich noch ändern. Vielen Dank für Deine Tipps.

Liebe Grüße Titus

lex et ordo
Alle Beiträge dieses Benutzers finden
Diese Nachricht in einer Antwort zitieren to top
Antwort schreiben 


Gehe zu: