INFO: Dieses Forum nutzt Cookies...
Cookies sind für den Betrieb des Forums unverzichtbar. Mit der Nutzung des Forums erklärst Du dich damit einverstanden, dass wir Cookies verwenden.

Es wird in jedem Fall ein Cookie gesetzt um diesen Hinweis nicht mehr zu erhalten. Desweiteren setzen wir Google Adsense und Google Analytics ein.


Antwort schreiben 

String auslesen



Wenn dein Problem oder deine Frage geklärt worden ist, markiere den Beitrag als "Lösung",
indem du auf den "Lösung" Button rechts unter dem entsprechenden Beitrag klickst. Vielen Dank!

10.12.2009, 17:10 (Dieser Beitrag wurde zuletzt bearbeitet: 10.12.2009 17:21 von selma.)
Beitrag #1

selma Offline
LVF-Gelegenheitsschreiber
**


Beiträge: 210
Registriert seit: Aug 2009

2009
2009
de

21xxx
Deutschland
String auslesen
Guten Abend
Ich möchte die Daten die mir vom Scanner geschickt werden Zählen, wie mach ich das am besten.
Habe schon eine weile gesucht und Ausprobriet

   
   

Lv09_img2

Gruß Selma
Alle Beiträge dieses Benutzers finden
Diese Nachricht in einer Antwort zitieren to top
Anzeige
10.12.2009, 17:19
Beitrag #2

Y-P Offline
☻ᴥᴥᴥ☻ᴥᴥᴥ☻
LVF-Team

Beiträge: 12.612
Registriert seit: Feb 2006

Developer Suite Core -> LabVIEW 2015 Prof.
2006
EN

71083
Deutschland
String auslesen
Was willst Du denn zählen? Du wandelst in Deinem Bsp. Dein String in eine Zahl und teilst dann durch 4?! Bahn

Gruß Markus

--------------------------------------------------------------------------
Bitte stellt mir keine Fragen über PM, dafür ist das Forum da - andere haben vielleicht auch Interesse an der Antwort !!
--------------------------------------------------------------------------
Alle Beiträge dieses Benutzers finden
Diese Nachricht in einer Antwort zitieren to top
10.12.2009, 17:25 (Dieser Beitrag wurde zuletzt bearbeitet: 10.12.2009 17:37 von selma.)
Beitrag #3

selma Offline
LVF-Gelegenheitsschreiber
**


Beiträge: 210
Registriert seit: Aug 2009

2009
2009
de

21xxx
Deutschland
String auslesen
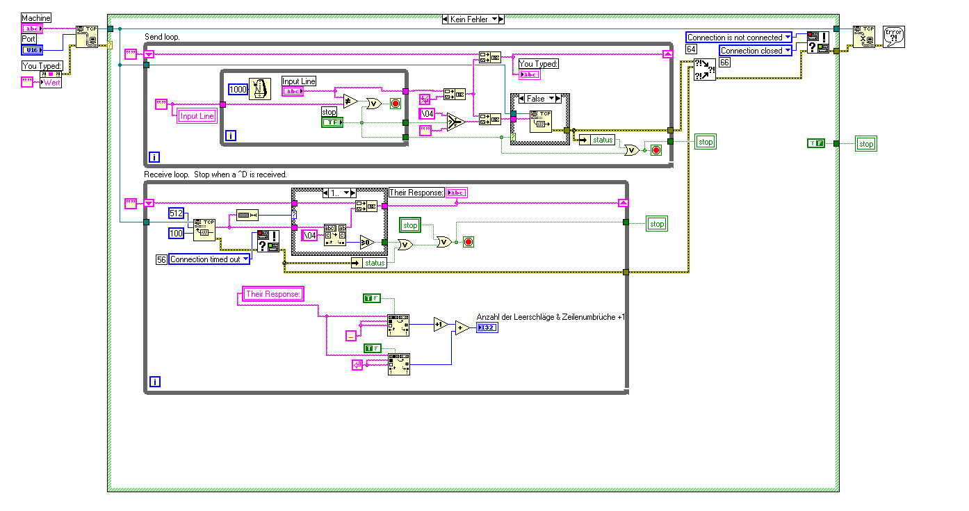
Die Daten die vom Scanner kommen.
Die ich jetzt mal hier darstelle :-)
6219 C019 F91A 231A C41B 721B 661A DD1A AA1A 561A 4E1A 231A 201A 3319 AC19 9C18 FE19 4525 0E49 0037 0025 006C
Jetzt möchte ich wissen wie viele Datensätze der Scanner mir schickt.
Und da ein Satz vier Zeilen besteht durchr vier teilen.
Alle Beiträge dieses Benutzers finden
Diese Nachricht in einer Antwort zitieren to top
10.12.2009, 18:32
Beitrag #4

IchSelbst Offline
LVF-Guru
*****


Beiträge: 3.708
Registriert seit: Feb 2005

11, 14, 15, 17, 18
-
DE

97437
Deutschland
String auslesen
' schrieb:Die Daten die vom Scanner kommen.
Die ich jetzt mal hier darstelle :-)
6219 C019 F91A 231A C41B 721B 661A DD1A AA1A 561A 4E1A 231A 201A 3319 AC19 9C18 FE19 4525 0E49 0037 0025 006C
Jetzt möchte ich wissen wie viele Datensätze der Scanner mir schickt.
Und da ein Satz vier Zeilen besteht durchr vier teilen.
Kann es sein, dass du "Und da ein Satz vier Zeichen besteht" meinst?

Sind das, was du hier dargestellt hast, 22 Datensätze? Oder ist das nur ein vierteler Datensatz, weil es nur eine Zeile ist?

Jeder, der zur wahren Erkenntnis hindurchdringen will, muss den Berg Schwierigkeit alleine erklimmen (Helen Keller).
Alle Beiträge dieses Benutzers finden
Diese Nachricht in einer Antwort zitieren to top
11.12.2009, 07:59
Beitrag #5

M Nussbaumer Offline
Zarathustra
****


Beiträge: 654
Registriert seit: Sep 2009

2009 SP1
2009
EN

6300
Schweiz
String auslesen
Ich würde es so machen:

   


Sonstige .vi  Anzahl_Zeichen.vi (Größe: 12,17 KB / Downloads: 402)
LabVIEW 8.5

Hoffe das hilft dir weiter
Alle Beiträge dieses Benutzers finden
Diese Nachricht in einer Antwort zitieren to top
11.12.2009, 10:50 (Dieser Beitrag wurde zuletzt bearbeitet: 11.12.2009 10:59 von selma.)
Beitrag #6

selma Offline
LVF-Gelegenheitsschreiber
**


Beiträge: 210
Registriert seit: Aug 2009

2009
2009
de

21xxx
Deutschland
String auslesen
Guten Tag
leider hat das mit dem " Anzahl_Zeichen.vi"nicht so richtig Funktioniert Dry
Es werden mir nur 8 Datensätze oder was auch immer die 8 zu bedeuten hat.
Wie im Screenshot zu sehen ist, sind es auf jeden fall mehr Datensätze.

    Lv09_img2

Was läuft hier Falsch?

Pack noch mal ein Screenshot vom Blockdiagramm dazu

    Lv09_img2

MfG Selma
Alle Beiträge dieses Benutzers finden
Diese Nachricht in einer Antwort zitieren to top
Anzeige
11.12.2009, 11:01
Beitrag #7

SeBa Offline
LVF-Guru
*****


Beiträge: 2.025
Registriert seit: Oct 2008

09SP1 & 10 FDS
2008
DE

65xxx
Deutschland
String auslesen
' schrieb:Guten Tag
leider hat das mit dem " Anzahl_Zeichen.vi"nicht so richtig FunktioniertDry
Es werden mir nur 8 Datensätze oder was auch immer die 8 zu bedeuten hat.
Wie im Screenshot zu sehen ist, sind es auf jeden fall mehr Datensätze.

[attachment=51396:Ausz_hlen2.png]Lv09_img2

Was läuft hier Falsch?

MfG Selma

Hmm, weiß auch nicht... du schreibst was von 8 Datensätzen, im Screenshot steht aber was von 5.

Das ist schonmal falsch.

Ok, Spass beiseite. Lad doch mal so einen String als Beispiel hoch. Am Besten speicherst du das VI ab und drückst vorher >Bearbeiten>Aktuelle Werte als Standard.

Und nur um es jetzt mal klarzustellen...

...du willst in einem String beliebiger Länge (mit oder ohne Zeilenendezeichen?) die Anzahl von Blöcken mit 4 Zeichen zählen, wobei die Blöcke durch Leerzeichen getrennt werden..?!?



Gruß SeBa

Dieser Beitrag soll weder nützlich, informativ noch lesbar sein.

Er erhebt lediglich den Anspruch dort wo er ungenau ist, wenigstens eindeutig ungenau zu sein.
In Fällen größerer Abweichungen ist es immer der Leser, der sich geirrt hat.

Rette einen Baum!
Diesen Beitrag nur ausdrucken, wenn unbedingt nötig!
Alle Beiträge dieses Benutzers finden
Diese Nachricht in einer Antwort zitieren to top
11.12.2009, 11:09 (Dieser Beitrag wurde zuletzt bearbeitet: 11.12.2009 21:43 von jg.)
Beitrag #8

selma Offline
LVF-Gelegenheitsschreiber
**


Beiträge: 210
Registriert seit: Aug 2009

2009
2009
de

21xxx
Deutschland
String auslesen
' schrieb:Hmm, weiß auch nicht... du schreibst was von 8 Datensätzen, im Screenshot steht aber was von 5.

Das ist schonmal falsch.

Ok, Spass beiseite. Lad doch mal so einen String als Beispiel hoch. Am Besten speicherst du das VI ab und drückst vorher >Bearbeiten>Aktuelle Werte als Standard.

Und nur um es jetzt mal klarzustellen...

...du willst in einem String beliebiger Länge (mit oder ohne Zeilenendezeichen?) die Anzahl von Blöcken mit 4 Zeichen zählen, wobei die Blöcke durch Leerzeichen getrennt werden..?!?
Gruß SeBa

Ja im Screenshot sind fünf :rolleyes:aber es stand dort auch mal acht. Dry

So nun zu Deiner Frage: Ja ich möchte die Blöcke mit den vier Zeichen zählen und wie es auszieht sind die Blöcke durch Leerzeichen getrennt . Aber sicher bin ich mir da auch nicht.

Lv09_img2
Sonstige .vi  Anzahl_Zeichen.vi (Größe: 9,85 KB / Downloads: 329)


Hier funktioniertsSmile
Werde mal testen wo der Fehler versteckt ist
Alle Beiträge dieses Benutzers finden
Diese Nachricht in einer Antwort zitieren to top
11.12.2009, 11:46
Beitrag #9

SeBa Offline
LVF-Guru
*****


Beiträge: 2.025
Registriert seit: Oct 2008

09SP1 & 10 FDS
2008
DE

65xxx
Deutschland
String auslesen
Die Blöcke in dem vorliegenden String sind durch Leerzeichen getrennt.

So würde ich die Blöcke zählen:

snip09    

Habe verschiedene Varianten durchgespielt, diese bietet aber den Vorteil, nicht vollständige Blöcke zu erkennen.

Gruß SeBa

Dieser Beitrag soll weder nützlich, informativ noch lesbar sein.

Er erhebt lediglich den Anspruch dort wo er ungenau ist, wenigstens eindeutig ungenau zu sein.
In Fällen größerer Abweichungen ist es immer der Leser, der sich geirrt hat.

Rette einen Baum!
Diesen Beitrag nur ausdrucken, wenn unbedingt nötig!
Alle Beiträge dieses Benutzers finden
Diese Nachricht in einer Antwort zitieren to top
11.12.2009, 12:15 (Dieser Beitrag wurde zuletzt bearbeitet: 11.12.2009 12:21 von selma.)
Beitrag #10

selma Offline
LVF-Gelegenheitsschreiber
**


Beiträge: 210
Registriert seit: Aug 2009

2009
2009
de

21xxx
Deutschland
String auslesen
Finde den Fehler nicht Dry
Mit dem Anzahl_Zeichen.vi Funktioniert und im in mein Programm nicht.

   

   

Lv09_img2

Leider funktioniert auch Deins SeBa nicht. Dry
Alle Beiträge dieses Benutzers finden
Diese Nachricht in einer Antwort zitieren to top
Antwort schreiben 


Möglicherweise verwandte Themen...
Themen Verfasser Antworten Views Letzter Beitrag
  Cluster als String auslesen derwisch 2 6.104 24.07.2013 10:11
Letzter Beitrag: derwisch
  Mehrzeiligen String aus einer Tabelle auslesen Schorsch 4 6.333 20.12.2011 20:13
Letzter Beitrag: Schorsch
  String auslesen und auf Nummer untersuchen Sternhagel 3 7.365 10.05.2011 16:12
Letzter Beitrag: Sternhagel
  Werte aus empfangenem String auslesen Eva 2 4.625 29.01.2008 11:40
Letzter Beitrag: Y-P
  Problem beim String Auslesen Basti_AC 5 6.235 12.01.2007 08:19
Letzter Beitrag: Achim

Gehe zu: