INFO: Dieses Forum nutzt Cookies...
Cookies sind für den Betrieb des Forums unverzichtbar. Mit der Nutzung des Forums erklärst Du dich damit einverstanden, dass wir Cookies verwenden.

Es wird in jedem Fall ein Cookie gesetzt um diesen Hinweis nicht mehr zu erhalten. Desweiteren setzen wir Google Adsense und Google Analytics ein.


Antwort schreiben 

Stringtabelle



Wenn dein Problem oder deine Frage geklärt worden ist, markiere den Beitrag als "Lösung",
indem du auf den "Lösung" Button rechts unter dem entsprechenden Beitrag klickst. Vielen Dank!

15.10.2015, 12:23 (Dieser Beitrag wurde zuletzt bearbeitet: 15.10.2015 12:24 von Hydrogencarbonat.)
Beitrag #31

Hydrogencarbonat Offline
LVF-User
**


Beiträge: 187
Registriert seit: Apr 2014

2013,2014
2014
DE

XXXXX
Deutschland
RE: Stringtabelle
Wow, dankeschön.
Da ich ich auch selber draufkommen müssen ...-.-^^.

Jetzt fehlt nur noch eine Sache und zwar steht jetzt alles in der Logdatei doppelt drin.(siehe Anhang)
Ich müsste eigentlich die alte Tabelle immer überschreiben bzw. ersetzten.
Das würde bestimmt mit der "Funktion Array" ersetzen gehen, nur erscheint dann ne Fehlermeldung.

Gruß

Hier nochmal die Logdatei


Angehängte Datei(en) Thumbnail(s)
       
Alle Beiträge dieses Benutzers finden
Diese Nachricht in einer Antwort zitieren to top
Anzeige
15.10.2015, 12:27 (Dieser Beitrag wurde zuletzt bearbeitet: 15.10.2015 12:28 von jg.)
Beitrag #32

jg Offline
CLA & CLED
LVF-Team

Beiträge: 15.864
Registriert seit: Jun 2005

20xx / 8.x
1999
EN

Franken...
Deutschland
RE: Stringtabelle
s. Beitrag #30 !!!!!
Zweiter Screenshot

Gruß, Jens

Wer die erhabene Weisheit der Mathematik tadelt, nährt sich von Verwirrung. (Leonardo da Vinci)

!! BITTE !! stellt mir keine Fragen über PM, dafür ist das Forum da - andere haben vielleicht auch Interesse an der Antwort!

Einführende Links zu LabVIEW, s. GerdWs Signatur.
Alle Beiträge dieses Benutzers finden
Diese Nachricht in einer Antwort zitieren to top
15.10.2015, 13:49
Beitrag #33

Hydrogencarbonat Offline
LVF-User
**


Beiträge: 187
Registriert seit: Apr 2014

2013,2014
2014
DE

XXXXX
Deutschland
RE: Stringtabelle
Hi,
danke nochmal für die Hilfe.

Habe jetzt alles gemacht wie Ihr es mir gesagt habt.

Es klappt immer noch nicht...... (siehe Anhang)


Gruß HCO


Angehängte Datei(en) Thumbnail(s)
   
Alle Beiträge dieses Benutzers finden
Diese Nachricht in einer Antwort zitieren to top
15.10.2015, 13:57
Beitrag #34

jg Offline
CLA & CLED
LVF-Team

Beiträge: 15.864
Registriert seit: Jun 2005

20xx / 8.x
1999
EN

Franken...
Deutschland
RE: Stringtabelle
Leider kennen wir deinen neuen Sourcecode (inkl SubVIs!!!) nicht, wie sollen wir dir jetzt sagen, was du falsch machst? Glas2

Gruß, Jens

Wer die erhabene Weisheit der Mathematik tadelt, nährt sich von Verwirrung. (Leonardo da Vinci)

!! BITTE !! stellt mir keine Fragen über PM, dafür ist das Forum da - andere haben vielleicht auch Interesse an der Antwort!

Einführende Links zu LabVIEW, s. GerdWs Signatur.
Alle Beiträge dieses Benutzers finden
Diese Nachricht in einer Antwort zitieren to top
15.10.2015, 14:08
Beitrag #35

Hydrogencarbonat Offline
LVF-User
**


Beiträge: 187
Registriert seit: Apr 2014

2013,2014
2014
DE

XXXXX
Deutschland
RE: Stringtabelle
Das mit den Spalten klappt jetzt 1a.

Nur die Zeilen sind jetzt untereinander hmm.

Hier der Sourcecode.

Gruß


Angehängte Datei(en) Thumbnail(s)
       
Alle Beiträge dieses Benutzers finden
Diese Nachricht in einer Antwort zitieren to top
15.10.2015, 14:41
Beitrag #36

jg Offline
CLA & CLED
LVF-Team

Beiträge: 15.864
Registriert seit: Jun 2005

20xx / 8.x
1999
EN

Franken...
Deutschland
RE: Stringtabelle
Du merkst dir gar nicht mehr die neu hinzugekommene Messung.
Und wir wissen immer nicht nicht, was deine SubVIs machen.

Gruß, Jens

Wer die erhabene Weisheit der Mathematik tadelt, nährt sich von Verwirrung. (Leonardo da Vinci)

!! BITTE !! stellt mir keine Fragen über PM, dafür ist das Forum da - andere haben vielleicht auch Interesse an der Antwort!

Einführende Links zu LabVIEW, s. GerdWs Signatur.
Alle Beiträge dieses Benutzers finden
Diese Nachricht in einer Antwort zitieren to top
15.10.2015, 15:20
Beitrag #37

Hydrogencarbonat Offline
LVF-User
**


Beiträge: 187
Registriert seit: Apr 2014

2013,2014
2014
DE

XXXXX
Deutschland
RE: Stringtabelle
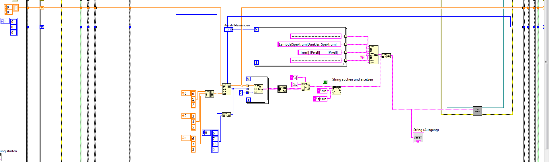
Das SubVI ist wie schonmal beschreiben einfach nur in die Textdatei schreiben.

Habe jetzt aber trotzdem ein Bild angefügt.

Das mit den 3 Arrays war ja nur zum bzw. ist noch zum Testen und soll die Messdaten der Hardware simulieren.

Die werden in einer anderen Loop eingelesen und dann über eine lokale variable in den "Text beenden case" (der im Hauptprog in sämtlichen Bildern abgebildet ist) ausgegeben.

Wie Ihr sehen könnte ist in dem Bild was ich im vorherigen Beitrag geschickt habe ein Schieberegister (2dArrayDouble Werte), in das schiebe ich ja die vorherigen Werte hinein.

Jedoch ist der Ansatz ist schonmal falsch, da ich sowie den Button drücke und dann die Daten direkt in die Texdatei lese und die dann angefügt werden.Ansosnten wäre es zuviel unnützer Speicher.


So, wenn man sich nun das Schieberegister wegdenkt und dann die Testarrays einmalig in die For Loops hineingibt dann werden die Werte nicht in die richtige Reihenfolge in die Logdatei geschrieben.

siehe Anhang.

Es müsste ja immer 012 immer in der Lambda Spalte stehen, 345 in der Spektrum Spalte , 456 in der Dunkles Spektrum Spalte.

ALso jeweils 3 mal, da ich die Messung 3 mal ausgeführt habe.

Gruß HCO


Angehängte Datei(en) Thumbnail(s)
       
Alle Beiträge dieses Benutzers finden
Diese Nachricht in einer Antwort zitieren to top
15.10.2015, 15:26
Beitrag #38

GerdW Offline
______________
LVF-Team

Beiträge: 17.538
Registriert seit: May 2009

LV2019 (LV2021)
1995
DE_EN

10×××
Deutschland
RE: Stringtabelle
Hallo HCO,

Zitat:dann werden die Werte nicht in die richtige Reihenfolge in die Logdatei geschrieben. siehe Anhang.
Es müsste ja immer 012 immer in der Lambda Spalte stehen, 345 in der Spektrum Spalte , 456 in der Dunkles Spektrum Spalte.
ALso jeweils 3 mal, da ich die Messung 3 mal ausgeführt habe.
Also ich sehe im Bild 3 Spalten, in denen je dreimal Messwerte notiert wurden. Was daran ist jetzt verkehrt?

Alle Beiträge dieses Benutzers finden
Diese Nachricht in einer Antwort zitieren to top
15.10.2015, 15:34 (Dieser Beitrag wurde zuletzt bearbeitet: 15.10.2015 15:37 von Hydrogencarbonat.)
Beitrag #39

Hydrogencarbonat Offline
LVF-User
**


Beiträge: 187
Registriert seit: Apr 2014

2013,2014
2014
DE

XXXXX
Deutschland
RE: Stringtabelle
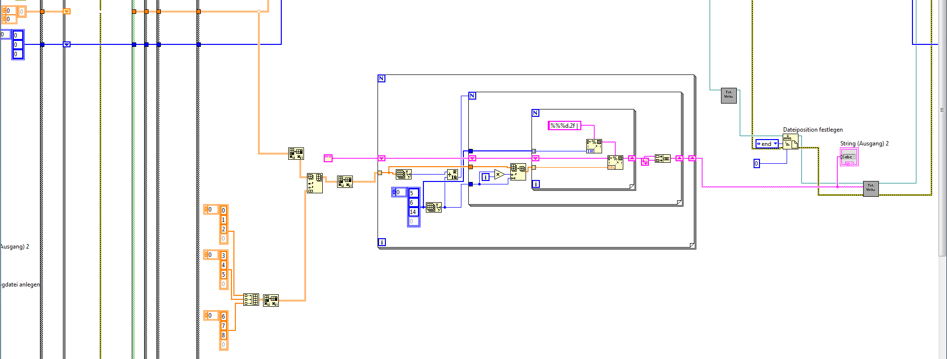
die müssen ja nach rechts zu den anderen Spalten.

Deswegen haben wir das doch mit den Spalten generieren pro messung gemacht .

Die sind jetzt quasi alle bei der ersten Tabelle (Messung1)

Aber die müssen ja noch zu Tabelle 2(Messung2)

und zu Tabelle 3 (Messung 3)

Gruß

So sollte es aussehen.


Angehängte Datei(en) Thumbnail(s)
   
Alle Beiträge dieses Benutzers finden
Diese Nachricht in einer Antwort zitieren to top
15.10.2015, 15:49
Beitrag #40

GerdW Offline
______________
LVF-Team

Beiträge: 17.538
Registriert seit: May 2009

LV2019 (LV2021)
1995
DE_EN

10×××
Deutschland
RE: Stringtabelle
Hallo HCO,

was an meinem Beispiel ca. 10 Beiträge zuvor funktioniert nicht?

Alle Beiträge dieses Benutzers finden
Diese Nachricht in einer Antwort zitieren to top
Antwort schreiben 


Gehe zu: