INFO: Dieses Forum nutzt Cookies...
Cookies sind für den Betrieb des Forums unverzichtbar. Mit der Nutzung des Forums erklärst Du dich damit einverstanden, dass wir Cookies verwenden.

Es wird in jedem Fall ein Cookie gesetzt um diesen Hinweis nicht mehr zu erhalten. Desweiteren setzen wir Google Adsense und Google Analytics ein.


Antwort schreiben 

SubVI unabhängig ausführen ? * neuer Thread



Wenn dein Problem oder deine Frage geklärt worden ist, markiere den Beitrag als "Lösung",
indem du auf den "Lösung" Button rechts unter dem entsprechenden Beitrag klickst. Vielen Dank!

25.11.2010, 16:58 (Dieser Beitrag wurde zuletzt bearbeitet: 25.11.2010 17:34 von gottfried.)
Beitrag #1

gottfried Offline
LVF-Guru
*****


Beiträge: 1.735
Registriert seit: Mar 2007

2019
2004
EN

20**
Oesterreich
SubVI unabhängig ausführen ? * neuer Thread
Hallo,

ich fange einen neuen Thread an weil ich glaube das ich mit dem Thread "SubVI unabhängig ausführen" mit der Fragestellung daneben geschossen habe (nicht das machen kann was ich wollte).

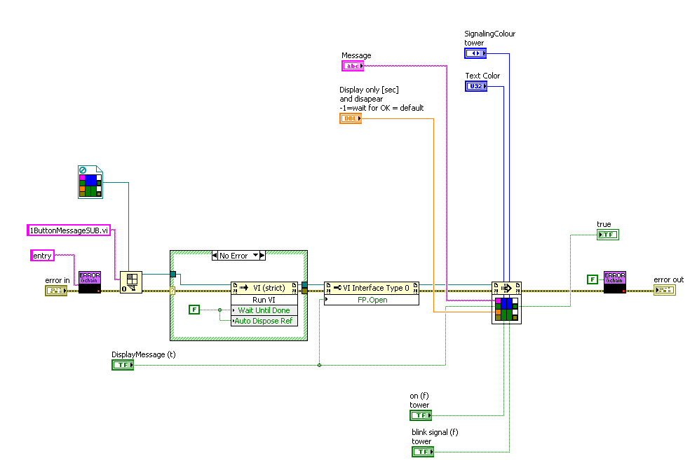
Also mein Grundproblem: ich möchte dem Nutzer in einer Situation (Fehler, Einstellung überarbeiten, ...) ein Fenster mit einer Message (ähnlich OneButtonDialog nur größer) zeigen. Außerdem soll der Siganlturm angesteuert werden (via Optokoppler zB. Blau geblinkt werden mit einem Digitalausgang). So weit so einfach.

Manchmal soll aber das Programm nicht auf die Userreaktion warten sondern einfach weiterlaufen und die Message (oder mehrere) bleiben am Bildschirm bis zur Quittierung stehen. Diese möglichen Messages können von den verschiedensten Programmebenen kommen.

Mein erster Ansatz war ein VI das ganz konventionell wartet auf das User-OK und damit den Ablauf des restlichen Programms stoppt.

Mein zweiter Ansatz - siehe "SubVI unabhängig ausführen"
1. ich starte das "alte" Message VI via "unabhängig ausführen" (siehe unten - bringe ich nicht zusammen Error 1000)
2. der User sagt irgendwann OK
3. aber wer beendet dann diese VI?

Und da habe ich zunächst ein basic Problem da ich das VI nicht erfolgreich rufen kann weil ich immer "The VI is not in a state compatible with this operation." bekomme

Ich glaube ich denke viel zu kompliziert, da muss es etwas einfacheres geben.

Bitte um einen Hinweis

Danke

Gottfried

PS.: inzwische sehe ich auch
http://lavag.org/topic/2986-calling-a-vi-u...this-operation/
aber ich verstehe das nicht wie ich da Parameter übergebe
ditto
http://digital.ni.com/public.nsf/allkb/DE4...62565FB00592B31


Angehängte Datei(en) Thumbnail(s)
   

mein wöchentlicher (eigenwilliger) Beitrag zur Innovation
http://innovation1.wordpress.com/
Webseite des Benutzers besuchen Alle Beiträge dieses Benutzers finden
Diese Nachricht in einer Antwort zitieren to top
Anzeige
26.11.2010, 08:36
Beitrag #2

Martin Heller Offline
LVF-Stammgast
***


Beiträge: 250
Registriert seit: Feb 2010

2011 SP1
2008
EN

5232
Schweiz
SubVI unabhängig ausführen ? * neuer Thread
' schrieb:Mein zweiter Ansatz - siehe "SubVI unabhängig ausführen"
1. ich starte das "alte" Message VI via "unabhängig ausführen" (siehe unten - bringe ich nicht zusammen Error 1000)
2. der User sagt irgendwann OK
3. aber wer beendet dann diese VI?


Was ist wenn du eine while-Schleife mit deinem OK-Button beendest und dann das sub programmatisch beendest/schliesst

lg Martin
Alle Beiträge dieses Benutzers finden
Diese Nachricht in einer Antwort zitieren to top
26.11.2010, 08:56
Beitrag #3

Matze Offline
LVF-Team
LVF-Team

Beiträge: 1.027
Registriert seit: Apr 2010

20xx
2010
DE_EN

7xxxx
Deutschland
SubVI unabhängig ausführen ? * neuer Thread
Ich habe beim anderen Thema aufgehört zu lesen, da das einen so verwirrenden Verlauf genommen hat. Ich kann daher nicht genau sagen, was dort genannt wurde.

Ich würde folgendes machen:
Du nimmst eine parallele While-Schleife, die nichts macht außer die Dialoge anzuzeigen, die das Programm nicht unterbrechen sollen.
Über Melder/Queues kannst du von außen mitteilen, dass die Schleife einen Dialog anzeigen soll. Dann wird u.U. diese Schleife bis zur Quittierung unterbrochen, aber das Programm selbst läuft weiter, da es parallel zur Dialog-Schleife ausgeführt wird.

Grüße
Alle Beiträge dieses Benutzers finden
Diese Nachricht in einer Antwort zitieren to top
26.11.2010, 09:26
Beitrag #4

gottfried Offline
LVF-Guru
*****


Beiträge: 1.735
Registriert seit: Mar 2007

2019
2004
EN

20**
Oesterreich
SubVI unabhängig ausführen ? * neuer Thread
Das ist gut - werde ich probieren.

Was mich wundert ist dass man da relativ tief in die Trickkiste greifen muss. Die Problemstellung ist doch nicht exotisch - oder?

mein wöchentlicher (eigenwilliger) Beitrag zur Innovation
http://innovation1.wordpress.com/
Webseite des Benutzers besuchen Alle Beiträge dieses Benutzers finden
Diese Nachricht in einer Antwort zitieren to top
26.11.2010, 09:48 (Dieser Beitrag wurde zuletzt bearbeitet: 26.11.2010 09:50 von Achim.)
Beitrag #5

Achim Offline
*****
*****


Beiträge: 4.230
Registriert seit: Nov 2005

20xx
2000
EN

978xx
Deutschland
SubVI unabhängig ausführen ? * neuer Thread
' schrieb:Was mich wundert ist dass man da relativ tief in die Trickkiste greifen muss. Die Problemstellung ist doch nicht exotisch - oder?

Ich mache das über VI Server immer so:
http://www.labviewforum.de/index.php?s=&am...ost&p=12335

Das gestartete SubVI ist völlig frei zu gestalten...d.h. du kannst es mit "OK" beenden oder über einen Timer oder z.B. auch über einen Notifier aus deinem Hauptprogramm..

A.

"Is there some mightier sage, of whom we have yet to learn?"

"Opportunity is missed by most people because it is dressed in overalls and looks like work." (Thomas Edison)
Alle Beiträge dieses Benutzers finden
Diese Nachricht in einer Antwort zitieren to top
26.11.2010, 10:14
Beitrag #6

unicorn Offline
LVF-Freak
****


Beiträge: 680
Registriert seit: Jul 2009

8.6.1, 2010 - 2012
1994
EN

10xxx
Deutschland
SubVI unabhängig ausführen ? * neuer Thread
Möchtest Du nur ein Pop-Up VI haben, das immer nur die letzte Meldung anzeigt? Dann müss das VI über eine Queue Meldungen sammeln und anzeigen. Zusätzlich muss das VI sein FP öffnen, falls es zu ist und eine neue Meldung kommt. Das VI wird zu Beginn des Hauptprogramms mit geschlossenen FP gestartet.

Sollen alle Meldungen verfügbar sein, so müsste das VI die Meldungen sammeln und in einer Liste anzeigen, Wenn der Benutzer nun ein Element in der Liste anklickt, werden Details gezeigt. Jetzt braucht es noch eine paar Regeln oder Knöpfe, um die Meldungen wieder aus der Liste zu bekommen.

Wenn jede Meldung in einem eigenen Pop-Up-VI erscheinen soll, so müsste man das VI mit jeder Meldung klonen, so dass viele Kopie im Speicher mit eigenen Zuständen existieren können. Das müsste über die VI-Properties einzurichten sein.
Alle Beiträge dieses Benutzers finden
Diese Nachricht in einer Antwort zitieren to top
26.11.2010, 10:17
Beitrag #7

unicorn Offline
LVF-Freak
****


Beiträge: 680
Registriert seit: Jul 2009

8.6.1, 2010 - 2012
1994
EN

10xxx
Deutschland
SubVI unabhängig ausführen ? * neuer Thread
' schrieb:Sollen alle Meldungen verfügbar sein, so müsste das VI die Meldungen sammeln und in einer Liste anzeigen, Wenn der Benutzer nun ein Element in der Liste anklickt, werden Details gezeigt. Jetzt braucht es noch eine paar Regeln oder Knöpfe, um die Meldungen wieder aus der Liste zu bekommen.

lässt sich mit

' schrieb:Ich würde folgendes machen:
Du nimmst eine parallele While-Schleife, die nichts macht außer die Dialoge anzuzeigen, die das Programm nicht unterbrechen sollen.
Über Melder/Queues kannst du von außen mitteilen, dass die Schleife einen Dialog anzeigen soll. Dann wird u.U. diese Schleife bis zur Quittierung unterbrochen, aber das Programm selbst läuft weiter, da es parallel zur Dialog-Schleife ausgeführt wird.

kombinieren und als Infobereich unten am Fenster des HauptVIs einbauen.
Alle Beiträge dieses Benutzers finden
Diese Nachricht in einer Antwort zitieren to top
06.12.2010, 20:53
Beitrag #8

gottfried Offline
LVF-Guru
*****


Beiträge: 1.735
Registriert seit: Mar 2007

2019
2004
EN

20**
Oesterreich
SubVI unabhängig ausführen ? * neuer Thread
Ja, das habe ich gemacht - allerdings finde ich es nervig in den Applikationen immer eine frei laufende Schleife für die Meldungen einzubauen - aber es läuft.

Wenn jemand Zeit hat würde mich nochj interessieren wie man denn nun wirklich eine unabhängig laufendes VI mit Parametern startet....

Danke Euch

Gottfried

mein wöchentlicher (eigenwilliger) Beitrag zur Innovation
http://innovation1.wordpress.com/
Webseite des Benutzers besuchen Alle Beiträge dieses Benutzers finden
Diese Nachricht in einer Antwort zitieren to top
06.12.2010, 23:08 (Dieser Beitrag wurde zuletzt bearbeitet: 06.12.2010 23:13 von dimitri84.)
Beitrag #9

dimitri84 Offline
Astronaut
*****


Beiträge: 1.496
Registriert seit: Aug 2009

2020 Developer Suite
2009
DE_EN

53562
Deutschland
SubVI unabhängig ausführen ? * neuer Thread
' schrieb:Wenn jemand Zeit hat würde mich nochj interessieren wie man denn nun wirklich eine unabhängig laufendes VI mit Parametern startet....
Das mit dem Starten ist doch geklärt, oder?

Das mit den Paramtern geht auch mit 'ner Node (musst nur den Namen des Controls kennen).
   





Gruß dimitri

„Sag nicht alles, was du weißt, aber wisse immer, was du sagst.“ (Matthias Claudius)
Webseite des Benutzers besuchen Alle Beiträge dieses Benutzers finden
Diese Nachricht in einer Antwort zitieren to top
07.12.2010, 09:13
Beitrag #10

gottfried Offline
LVF-Guru
*****


Beiträge: 1.735
Registriert seit: Mar 2007

2019
2004
EN

20**
Oesterreich
SubVI unabhängig ausführen ? * neuer Thread
OK ich versuche es

Danke

Gottfried

mein wöchentlicher (eigenwilliger) Beitrag zur Innovation
http://innovation1.wordpress.com/
Webseite des Benutzers besuchen Alle Beiträge dieses Benutzers finden
Diese Nachricht in einer Antwort zitieren to top
30
Antwort schreiben 


Möglicherweise verwandte Themen...
Themen Verfasser Antworten Views Letzter Beitrag
  SubVI parallel ausführen mit Rückgabewert skywalker 9 8.721 20.03.2015 14:21
Letzter Beitrag: GerdW
  Neuer mit einem Problemchen Laban 4 5.389 10.01.2014 16:27
Letzter Beitrag: jg
  "exit vi" - finde den thread nich mehr... gottfried 5 6.624 01.08.2013 08:24
Letzter Beitrag: gottfried
  Vis unabhängig von einander / parallel Arnold 2 4.572 21.11.2012 12:34
Letzter Beitrag: Arnold
  Wait im UI Thread (?) dimitri84 8 8.959 02.05.2012 07:05
Letzter Beitrag: dimitri84
  Herausfinden wann neuer Wert am Ausgang liegt YYYs 5 6.427 04.04.2012 09:24
Letzter Beitrag: Y-P

Gehe zu: