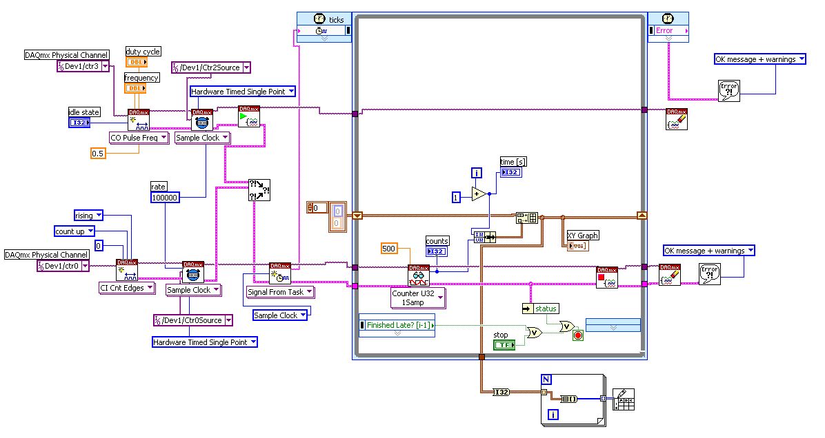
Synchrone Hardware-timed Messung |
Wenn dein Problem oder deine Frage geklärt worden ist, markiere den Beitrag als "Lösung",
indem du auf den "Lösung" Button rechts unter dem entsprechenden Beitrag klickst. Vielen Dank!
|
|
|
| Möglicherweise verwandte Themen... | |||||
| Themen | Verfasser | Antworten | Views | Letzter Beitrag | |
| Hardware timed serial communication | JATler | 1 | 5.020 |
10.10.2018 13:55 Letzter Beitrag: JATler |
|
| Timed acquisition | Labview_pr | 9 | 8.715 |
24.05.2018 10:23 Letzter Beitrag: Labview_pr |
|
| Datenerfassung cDAQ + NI9203 keine synchrone Datenerfassung | dieseldunst | 5 | 7.950 |
24.06.2016 14:49 Letzter Beitrag: jg |
|
| Synchrone Ausführung | Schwand | 5 | 8.333 |
12.12.2012 14:11 Letzter Beitrag: Schwand |
|
| 2 Timed Loops gleichzeitig laufen lassen | Darkwolf359 | 1 | 5.332 |
04.05.2007 12:05 Letzter Beitrag: Darkwolf359 |
|
| PCI-6229 vs. Timed Loop | Solaar | 1 | 4.708 |
07.03.2006 11:14 Letzter Beitrag: cb |
|





