INFO: Dieses Forum nutzt Cookies...
Cookies sind für den Betrieb des Forums unverzichtbar. Mit der Nutzung des Forums erklärst Du dich damit einverstanden, dass wir Cookies verwenden.

Es wird in jedem Fall ein Cookie gesetzt um diesen Hinweis nicht mehr zu erhalten. Desweiteren setzen wir Google Adsense und Google Analytics ein.


Antwort schreiben 

Synchronisieren CAN (IXXAT) und DAQ (DI / AI)



Wenn dein Problem oder deine Frage geklärt worden ist, markiere den Beitrag als "Lösung",
indem du auf den "Lösung" Button rechts unter dem entsprechenden Beitrag klickst. Vielen Dank!

27.10.2009, 08:05
Beitrag #1

Prince Amir Offline
LVF-Gelegenheitsschreiber
**


Beiträge: 134
Registriert seit: Aug 2009

8.6 - 2009
2009
de_en

80809
Deutschland
Synchronisieren CAN (IXXAT) und DAQ (DI / AI)
Hallo an alle,

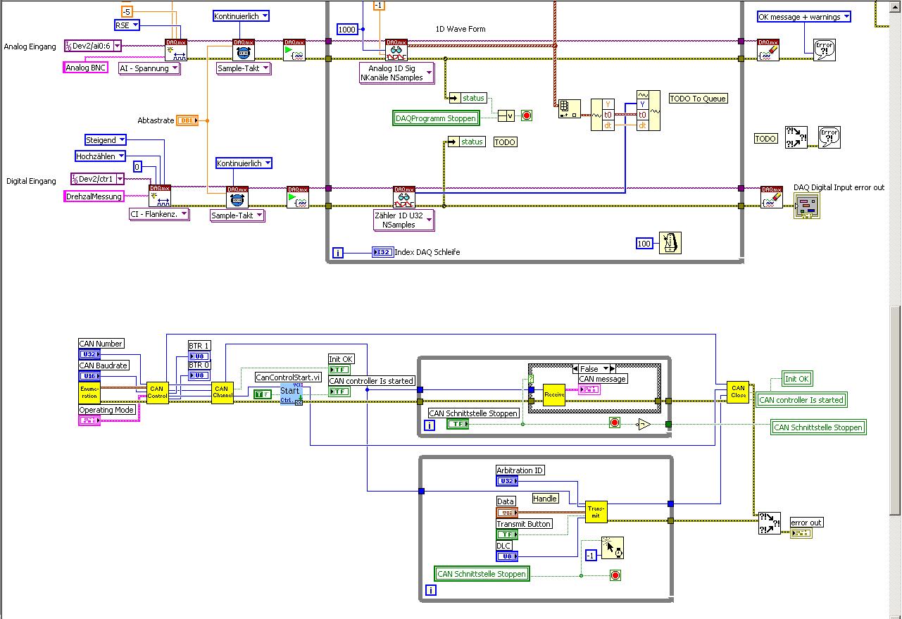
ich lese daten anhand DAQ. Erfasst werden Digitale Eingänge (Drehzahl von motor) und Analoge Eingänge ( Dafür benutze ich eine PCI 6225 von NI)

dazu lese ich durch CAN Schnittstelle von einem Schaltschrank ( Aggregatssteuerungsgerät) auch. dafür habe ich eine USB To CAN Adapter, die VIs sind schon von der firma IXXAT fertig programmiert. ich habs einfach eingebunden.

siehe Screenshot.

meine frage, wie kann ich die daten hier synchronisierne ? CAN und DAQ ? brauche ich überhaupt und wenn ja wie bitte ?

und für mein DI und DI, will ich die Daten durch Queue weiter zu einem anderen block (Signalverarbeitung und spreichern) schicken. mal eine Idee wie ich digital und analog zusammen mit Queues weiterschicken kann ? siehe Screenshot.

danke im voraus.

Grüße,


Angehängte Datei(en) Thumbnail(s)
       

Coming together is a beginning, keeping together is progress, working together is success.
Alle Beiträge dieses Benutzers finden
Diese Nachricht in einer Antwort zitieren to top
Anzeige
27.10.2009, 08:09 (Dieser Beitrag wurde zuletzt bearbeitet: 27.10.2009 08:10 von Y-P.)
Beitrag #2

Y-P Offline
☻ᴥᴥᴥ☻ᴥᴥᴥ☻
LVF-Team

Beiträge: 12.612
Registriert seit: Feb 2006

Developer Suite Core -> LabVIEW 2015 Prof.
2006
EN

71083
Deutschland
Synchronisieren CAN (IXXAT) und DAQ (DI / AI)
Zitat:meine frage, wie kann ich die daten hier synchronisierne ? CAN und DAQ ? brauche ich überhaupt und wenn ja wie bitte ?
Das musst Du wissen, was Du damit vorhast.

Zitat:und für mein DI und DI, will ich die Daten durch Queue weiter zu einem anderen block (Signalverarbeitung und spreichern) schicken. mal eine Idee wie ich digital und analog zusammen mit Queues weiterschicken kann ?

Bau' Dir doch einen Cluster.

Gruß Markus

--------------------------------------------------------------------------
Bitte stellt mir keine Fragen über PM, dafür ist das Forum da - andere haben vielleicht auch Interesse an der Antwort !!
--------------------------------------------------------------------------
Alle Beiträge dieses Benutzers finden
Diese Nachricht in einer Antwort zitieren to top
27.10.2009, 08:35
Beitrag #3

Prince Amir Offline
LVF-Gelegenheitsschreiber
**


Beiträge: 134
Registriert seit: Aug 2009

8.6 - 2009
2009
de_en

80809
Deutschland
Synchronisieren CAN (IXXAT) und DAQ (DI / AI)
' schrieb:Das musst Du wissen, was Du damit vorhast.
Bau' Dir doch einen Cluster.

Gruß Markus

Hallo Markus,

danke für schnelle antwort. wie meinst du mit Cluster ? verstehe i net ganz. so wie ich das gemacht habe, kann ich nicht aus DI signal ein Waveform rausziehen ? (gings irgendwie net bei mir.)

und mit dem Synch. von CAN und DAQ, also die DAQ daten sind nur zum überwachen da, mit CAN sollte befehle auf dem Motorseite geschickt werden, jenachdem was für ein zustand erreicht wird..hilft das oder ist ungenau ?

Grüße,
Amir.

Coming together is a beginning, keeping together is progress, working together is success.
Alle Beiträge dieses Benutzers finden
Diese Nachricht in einer Antwort zitieren to top
27.10.2009, 08:48
Beitrag #4

Y-P Offline
☻ᴥᴥᴥ☻ᴥᴥᴥ☻
LVF-Team

Beiträge: 12.612
Registriert seit: Feb 2006

Developer Suite Core -> LabVIEW 2015 Prof.
2006
EN

71083
Deutschland
Synchronisieren CAN (IXXAT) und DAQ (DI / AI)
Bahn. Ich stehe gerade irgendwie voll auf der Leitung. Das :???:.

Gruß Markus

--------------------------------------------------------------------------
Bitte stellt mir keine Fragen über PM, dafür ist das Forum da - andere haben vielleicht auch Interesse an der Antwort !!
--------------------------------------------------------------------------
Alle Beiträge dieses Benutzers finden
Diese Nachricht in einer Antwort zitieren to top
28.10.2009, 09:59 (Dieser Beitrag wurde zuletzt bearbeitet: 28.10.2009 10:00 von rolfk.)
Beitrag #5

rolfk Offline
LVF-Guru
*****


Beiträge: 2.318
Registriert seit: Jun 2007

alle seit 6.0
1992
EN

2901GG
Niederlande
Synchronisieren CAN (IXXAT) und DAQ (DI / AI)
' schrieb:Hallo Markus,

danke für schnelle antwort. wie meinst du mit Cluster ? verstehe i net ganz. so wie ich das gemacht habe, kann ich nicht aus DI signal ein Waveform rausziehen ? (gings irgendwie net bei mir.)

und mit dem Synch. von CAN und DAQ, also die DAQ daten sind nur zum überwachen da, mit CAN sollte befehle auf dem Motorseite geschickt werden, jenachdem was für ein zustand erreicht wird..hilft das oder ist ungenau ?

Grüße,
Amir.

Ein Cluster erlaubt das bundeln von verschiedenen Datentypen. Weiss nicht warum Du aus dem DI Signal einen Waveform rausziehen musst um das in einen Cluster zu stopfen.

Ob Du synchronisieren musst und wie genau kannst nur Du wissen. Da Du anscheinend nicht weisst ob das nötig ist würde ich mal davon ausgehen, dass das auch nicht nötig ist. Quasisynchronisation in der Software findet ja schon Platz, halt nicht sehr genau.

Rolf Kalbermatter
Technische Universität Delft, Dienst Elektronik und Mechanik
https://blog.kalbermatter.nl
Webseite des Benutzers besuchen Alle Beiträge dieses Benutzers finden
Diese Nachricht in einer Antwort zitieren to top
30
Antwort schreiben 


Möglicherweise verwandte Themen...
Themen Verfasser Antworten Views Letzter Beitrag
  Daten erfassen und Zeit synchronisieren Olli_11845 13 8.583 08.09.2020 17:36
Letzter Beitrag: GerdW
  2 Messsignalen synchronisieren MEF 3 5.983 16.04.2013 04:46
Letzter Beitrag: Holy
  Messungen synchronisieren creo_123 19 16.475 20.03.2013 07:50
Letzter Beitrag: NWOmason
  Clusterarrays synchronisieren eg 27 21.935 08.12.2008 12:16
Letzter Beitrag: eg
  synchronisieren von Graphen mit Time Stamp Mr Relay 1 5.183 23.07.2008 09:30
Letzter Beitrag: Mr Relay
  Datenerfassung synchronisieren Djerun 3 5.430 07.02.2008 10:48
Letzter Beitrag: Djerun

Gehe zu: