INFO: Dieses Forum nutzt Cookies...
Cookies sind für den Betrieb des Forums unverzichtbar. Mit der Nutzung des Forums erklärst Du dich damit einverstanden, dass wir Cookies verwenden.

Es wird in jedem Fall ein Cookie gesetzt um diesen Hinweis nicht mehr zu erhalten. Desweiteren setzen wir Google Adsense und Google Analytics ein.


Antwort schreiben 

Tastatursteuerung LV 7.1



Wenn dein Problem oder deine Frage geklärt worden ist, markiere den Beitrag als "Lösung",
indem du auf den "Lösung" Button rechts unter dem entsprechenden Beitrag klickst. Vielen Dank!

31.03.2010, 07:03
Beitrag #1

gregor00 Offline
LVF-Neueinsteiger


Beiträge: 6
Registriert seit: Mar 2010

7.1
2009
de


Deutschland
Tastatursteuerung LV 7.1
Hallo zusammen,

also ich habe folgendes Problem: und zwar möchte ich die Buttons eines Optionsfeldes mit der Tastatur betätigen. das Problem ist, dass man bei der 7.1 version nur die F-tasten und ein paar andere Sondertasten zuordnen kann, ich möchte die Buttons aber über den Ziffernblock (1 -5 für die fünf Buttons) steuern.

ich habe schon viel im netz gesucht aber nichts genaues gefunden. Ich vermute, es geht mit einer Ereignisstruktur, da hört mein Wissen allerdings auf. ich habe viel probiert, aber nichts einigermaßen Brauchbares gefunden.

Also wenn jemand Hinweise oder Tipps hat, wäre ich sehr dankbar, das problem lässt mich langsam verzweifeln.

vielen Dank für jede Hilfe, weitere Fragen beantworte ich natürlich gerne...

Grüße,
gregor
Alle Beiträge dieses Benutzers finden
Diese Nachricht in einer Antwort zitieren to top
Anzeige
31.03.2010, 07:09
Beitrag #2

Y-P Offline
☻ᴥᴥᴥ☻ᴥᴥᴥ☻
LVF-Team

Beiträge: 12.612
Registriert seit: Feb 2006

Developer Suite Core -> LabVIEW 2015 Prof.
2006
EN

71083
Deutschland
Tastatursteuerung LV 7.1
Was ist ein Optionsfeld? O
Ich hab' nämlich die englische Version.
Irgendwo hier gibt's 'ne Übersetzungsliste, aber ich weiß nicht mehr wo. Big Grin

Gruß Markus

--------------------------------------------------------------------------
Bitte stellt mir keine Fragen über PM, dafür ist das Forum da - andere haben vielleicht auch Interesse an der Antwort !!
--------------------------------------------------------------------------
Alle Beiträge dieses Benutzers finden
Diese Nachricht in einer Antwort zitieren to top
31.03.2010, 07:20
Beitrag #3

gregor00 Offline
LVF-Neueinsteiger


Beiträge: 6
Registriert seit: Mar 2010

7.1
2009
de


Deutschland
Tastatursteuerung LV 7.1
glaube in englischen Version heißt das Radiobutton. Halt dieses Feld, wo man mehere von den RadioButtons anordnen kann, und wenn man eins anklickt, wird das vorher aktivierte deaktiviert
Alle Beiträge dieses Benutzers finden
Diese Nachricht in einer Antwort zitieren to top
31.03.2010, 09:12
Beitrag #4

Y-P Offline
☻ᴥᴥᴥ☻ᴥᴥᴥ☻
LVF-Team

Beiträge: 12.612
Registriert seit: Feb 2006

Developer Suite Core -> LabVIEW 2015 Prof.
2006
EN

71083
Deutschland
Tastatursteuerung LV 7.1
Achso. Das geht z.B. so:

Sonstige .vi  Radio_Button_mit_Tasten.vi (Größe: 10,8 KB / Downloads: 348)

Lv09_img2
       

Gruß Markus

--------------------------------------------------------------------------
Bitte stellt mir keine Fragen über PM, dafür ist das Forum da - andere haben vielleicht auch Interesse an der Antwort !!
--------------------------------------------------------------------------
Alle Beiträge dieses Benutzers finden
Diese Nachricht in einer Antwort zitieren to top
31.03.2010, 09:27
Beitrag #5

RoLe Offline
LVF-Guru
*****


Beiträge: 1.236
Registriert seit: Jul 2007

-
1997
en

0
Schweiz
Tastatursteuerung LV 7.1
' schrieb:bei der 7.1 version nur die F-tasten und ein paar andere Sondertasten zuordnen kann, ich möchte die Buttons aber über den Ziffernblock (1 -5 für die fünf Buttons) steuern.
Auch bei neueren Versionen ist die Auswahl auf diese Tasten beschränkt.

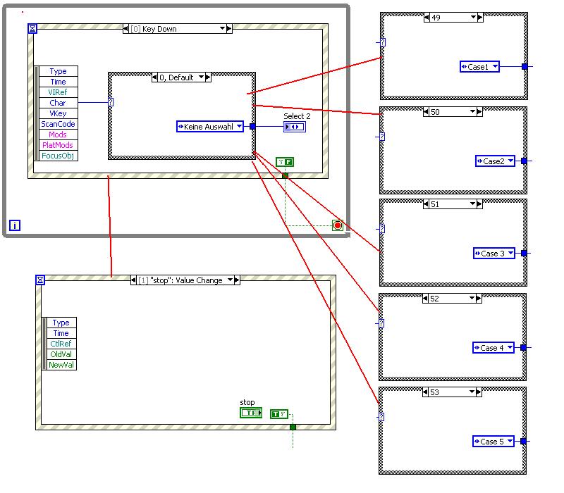
Anbei eine etwas andere Lösung als Y-P.
Lv71_img


Angehängte Datei(en) Thumbnail(s)
   

Sonstige .vi  RadioTastatur.vi (Größe: 30,08 KB / Downloads: 267)

.·´¯)--> Leben ist das, was dir passiert, wenn du eifrig dabei bist andere Pläne zu machen <--(¯`·.
Alle Beiträge dieses Benutzers finden
Diese Nachricht in einer Antwort zitieren to top
24.07.2010, 13:58
Beitrag #6

Emittance Offline
LVF-Grünschnabel
*


Beiträge: 18
Registriert seit: Jul 2009

7.1.1
2005
EN

0
Deutschland
Tastatursteuerung LV 7.1
Auch wenn es ein wenig spät kommt Big Grin

Damit kannst Du auch mit Kombinationen arbeiten.

.....war gerade selbst auf Suche nach der selben Lösung und bin über Deinen Beitrag gestolpert. Als ich die Lösung hatte, dachte ich mir ich poste hier mal.

gruß

   
Alle Beiträge dieses Benutzers finden
Diese Nachricht in einer Antwort zitieren to top
Anzeige
30
Antwort schreiben 


Möglicherweise verwandte Themen...
Themen Verfasser Antworten Views Letzter Beitrag
  Tastatursteuerung Festlegen Marija 18 14.665 18.11.2014 12:06
Letzter Beitrag: Marija
  Tastatursteuerung + Frontpanelsteuerung LabViewUser2014 3 4.956 09.04.2014 21:03
Letzter Beitrag: LabViewUser2014
  Tastatursteuerung nochecker 20 28.738 14.11.2011 09:34
Letzter Beitrag: JohnnyCatfish

Gehe zu: