INFO: Dieses Forum nutzt Cookies...
Cookies sind für den Betrieb des Forums unverzichtbar. Mit der Nutzung des Forums erklärst Du dich damit einverstanden, dass wir Cookies verwenden.

Es wird in jedem Fall ein Cookie gesetzt um diesen Hinweis nicht mehr zu erhalten. Desweiteren setzen wir Google Adsense und Google Analytics ein.


Antwort schreiben 

Thread-LVF-Raetselecke



Wenn dein Problem oder deine Frage geklärt worden ist, markiere den Beitrag als "Lösung",
indem du auf den "Lösung" Button rechts unter dem entsprechenden Beitrag klickst. Vielen Dank!

06.03.2014, 22:13
Beitrag #1421

Oscar234 Offline
LVF-Grünschnabel
*


Beiträge: 36
Registriert seit: Dec 2013

2013(32-bit)
2013
EN



RE: Thread-LVF-Raetselecke
So bin jetzt von der Arbeit heim gekommen und hab schnelle noch so ein Zahlenrätsel rausgesucht, ist aber nicht alt zu schwer. Smile

Gesucht wird eine achtstellige Zahl, die 2 Einsen, 2 Zweien, 2 Dreien und 2 Vieren enthält.
Die Einsen in dieser Zahl sind durch eine Zahl voneinander getrennt, die Zweien durch zwei Stellen, die Dreien durch drei und die Vieren durch vier Stellen.

Wie lautet die Zahl?

_ _ _ _ _ _ _ _

Grüße Oscar
Alle Beiträge dieses Benutzers finden
Diese Nachricht in einer Antwort zitieren to top
Anzeige
06.03.2014, 22:25
Beitrag #1422

Trinitatis Offline
LVF-Guru
*****


Beiträge: 1.694
Registriert seit: May 2008

7.1 / 8.0 /2014-1, 18
2002
DE

18055
Deutschland
RE: Thread-LVF-Raetselecke
(06.03.2014 22:13 )Oscar234 schrieb:  ..., ist aber nicht alt zu schwer. Smile

Hallo Oscar,

ist das noch ein verstecktes Rätsel?

Die Lösung deines eigentlichen Rätsels könnte aber 23421314 sein. (Oder eben andersrum)


Gruß, Marko
Alle Beiträge dieses Benutzers finden
Diese Nachricht in einer Antwort zitieren to top
07.03.2014, 10:23
Beitrag #1423

Oscar234 Offline
LVF-Grünschnabel
*


Beiträge: 36
Registriert seit: Dec 2013

2013(32-bit)
2013
EN



RE: Thread-LVF-Raetselecke
Hallo Marko,
nein…hatte leider nur nicht alt zu viel Zeit für ein anständiges.
deine Lösung ist korrekt.
Zitat:Die Lösung deines eigentlichen Rätsels könnte aber 23421314 sein. (Oder eben andersrum)

Du darfst…

Gruß Oscar
Alle Beiträge dieses Benutzers finden
Diese Nachricht in einer Antwort zitieren to top
07.03.2014, 11:52
Beitrag #1424

Trinitatis Offline
LVF-Guru
*****


Beiträge: 1.694
Registriert seit: May 2008

7.1 / 8.0 /2014-1, 18
2002
DE

18055
Deutschland
RE: Thread-LVF-Raetselecke
(07.03.2014 10:23 )Oscar234 schrieb:  Du darfst…

ich bin im Moment alt zu beschäftigt.

Deshalb gebe ich´s mal frei.


Gruß, Marko
Alle Beiträge dieses Benutzers finden
Diese Nachricht in einer Antwort zitieren to top
11.03.2014, 09:22
Beitrag #1425

Y-P Offline
☻ᴥᴥᴥ☻ᴥᴥᴥ☻
LVF-Team

Beiträge: 12.612
Registriert seit: Feb 2006

Developer Suite Core -> LabVIEW 2015 Prof.
2006
EN

71083
Deutschland
RE: Thread-LVF-Raetselecke
Eine Seerose verdoppelt jeden Tag ihre Größe.
Nach einer Woche ist der Teich zugewachsen.
Wie lange würde es dauern, wenn man am Anfang zwei Seerosen hätte?


Gruß Markus

--------------------------------------------------------------------------
Bitte stellt mir keine Fragen über PM, dafür ist das Forum da - andere haben vielleicht auch Interesse an der Antwort !!
--------------------------------------------------------------------------
Alle Beiträge dieses Benutzers finden
Diese Nachricht in einer Antwort zitieren to top
12.03.2014, 15:08
Beitrag #1426

Scenic626 Offline
LVF-Gelegenheitsschreiber
**


Beiträge: 60
Registriert seit: Aug 2012

12
2012
DE

42...
Deutschland
RE: Thread-LVF-Raetselecke
Mal so als Schuss ins Blaue:

6 Tage

Gruß,
Scenic
Alle Beiträge dieses Benutzers finden
Diese Nachricht in einer Antwort zitieren to top
12.03.2014, 22:03 (Dieser Beitrag wurde zuletzt bearbeitet: 13.03.2014 07:55 von Lucki.)
Beitrag #1427

Lucki Offline
Tech.Exp.2.Klasse
LVF-Team

Beiträge: 7.699
Registriert seit: Mar 2006

LV 2016-18 prof.
1995
DE

01108
Deutschland
RE: Thread-LVF-Raetselecke
(06.03.2014 22:25 )Trinitatis schrieb:  Die Lösung deines eigentlichen Rätsels könnte aber 23421314 sein. (Oder eben andersrum)

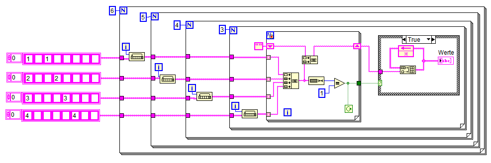
..und eine Überprüfung mit Labview (mit einem VI, bei dem keiner durchblicken wird Big Grin) ergibt:
Die genannten beiden Werte sind die einzig möglichen.
   


Angehängte Datei(en)
10.0 .vi  Raetsel2.vi (Größe: 9,05 KB / Downloads: 214)
Alle Beiträge dieses Benutzers finden
Diese Nachricht in einer Antwort zitieren to top
12.03.2014, 23:04
Beitrag #1428

Trinitatis Offline
LVF-Guru
*****


Beiträge: 1.694
Registriert seit: May 2008

7.1 / 8.0 /2014-1, 18
2002
DE

18055
Deutschland
RE: Thread-LVF-Raetselecke
Hallo Ludwig,

das Seerosenrätsel hast du doch bestimmt auch schon in LabView parat oder?! Smile


Gruß, Marko
Alle Beiträge dieses Benutzers finden
Diese Nachricht in einer Antwort zitieren to top
13.03.2014, 07:52
Beitrag #1429

Lucki Offline
Tech.Exp.2.Klasse
LVF-Team

Beiträge: 7.699
Registriert seit: Mar 2006

LV 2016-18 prof.
1995
DE

01108
Deutschland
RE: Thread-LVF-Raetselecke
(12.03.2014 23:04 )Trinitatis schrieb:  das Seerosenrätsel hast du doch bestimmt auch schon in LabView parat oder?! Smile
Das ist zu einfach, um sich darauf mit Labview einzuschießen. Entweder man benutzt seinen gesunden Menschenverstand, oder man rechnet das x in dieser Gleichung aus:
1*2^6 = 2*2^x
Gruß Ludwig
Alle Beiträge dieses Benutzers finden
Diese Nachricht in einer Antwort zitieren to top
14.03.2014, 15:35
Beitrag #1430

Y-P Offline
☻ᴥᴥᴥ☻ᴥᴥᴥ☻
LVF-Team

Beiträge: 12.612
Registriert seit: Feb 2006

Developer Suite Core -> LabVIEW 2015 Prof.
2006
EN

71083
Deutschland
RE: Thread-LVF-Raetselecke
6 ist richtig. Du darfst.

Gruß Markus

--------------------------------------------------------------------------
Bitte stellt mir keine Fragen über PM, dafür ist das Forum da - andere haben vielleicht auch Interesse an der Antwort !!
--------------------------------------------------------------------------
Alle Beiträge dieses Benutzers finden
Diese Nachricht in einer Antwort zitieren to top
30
Antwort schreiben 


Gehe zu: