INFO: Dieses Forum nutzt Cookies...
Cookies sind für den Betrieb des Forums unverzichtbar. Mit der Nutzung des Forums erklärst Du dich damit einverstanden, dass wir Cookies verwenden.

Es wird in jedem Fall ein Cookie gesetzt um diesen Hinweis nicht mehr zu erhalten. Desweiteren setzen wir Google Adsense und Google Analytics ein.


Antwort schreiben 

Toleranzauswertung mit Min-/Max-Funktion? Wie?



Wenn dein Problem oder deine Frage geklärt worden ist, markiere den Beitrag als "Lösung",
indem du auf den "Lösung" Button rechts unter dem entsprechenden Beitrag klickst. Vielen Dank!

18.05.2007, 10:54 (Dieser Beitrag wurde zuletzt bearbeitet: 18.05.2007 10:59 von jörgroth.)
Beitrag #1

jörgroth Offline
LVF-Grünschnabel
*


Beiträge: 16
Registriert seit: Mar 2007

8.2 Professional (für Schulzwecke)
2007
kA


Deutschland
Toleranzauswertung mit Min-/Max-Funktion? Wie?
Hallo zusammen,
heute habe ich schon wieder ein neues Problem, nachdem das gestern mit den drei Kurven in einem XY-Graph bestens geklappt hat.

Ich möchte nun natürlich auch noch eine Toleranzerkennung einbauen, die mir sagt, ob die grüne Kurve innerhalb der zwei Orangenen ist!
Wichtig dabei ist, dass ein direkter Punkt zu Punkt vergleich nicht immer möglich ist, weil die Messwerte höheraufgelöst sind (500,600,700,800,900,1000,..) als die Toleranzkurven (500,750,1000,...)
Zum Beispiel kann ich den Wert zu 700 nicht mit dem zu 750 vergleichen.

Falls das nicht machbar wäre müsste ich halt meine Toleranzwerte auch genauso wie die Messkurve auflösen. (dann ebenfalls 16 Werte)

Danke für eure konstruktive Kritik und Hilfe!

Gruß Jörg

Die beiden Bilder zeigen eine gute und eine schlechte Messung
Mein Code habe ich in LV 8.2 und LV 8.0 angehängt!


Angehängte Datei(en) Thumbnail(s)
           

Sonstige .vi  xy_Graph_3_Kurven_mit_Toleranzerkennung.vi (Größe: 119,04 KB / Downloads: 247)

Sonstige .vi  xy_Graph_3_Kurven_mit_Toleranzerkennung_V80.vi (Größe: 124,62 KB / Downloads: 236)
Alle Beiträge dieses Benutzers finden
Diese Nachricht in einer Antwort zitieren to top
Anzeige
18.05.2007, 11:57
Beitrag #2

jg Offline
CLA & CLED
LVF-Team

Beiträge: 15.864
Registriert seit: Jun 2005

20xx / 8.x
1999
EN

Franken...
Deutschland
Toleranzauswertung mit Min-/Max-Funktion? Wie?
Hallo, Jörg,

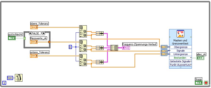
verwende vielleicht mal das VI Limit-Testing statt dem Express-VI:

   

Diese VI wird nämlich sowieso im Express-VI verwendet, aber ich denke, da blickst du bei den Eingängen besser durch.

MfG, Jens

Wer die erhabene Weisheit der Mathematik tadelt, nährt sich von Verwirrung. (Leonardo da Vinci)

!! BITTE !! stellt mir keine Fragen über PM, dafür ist das Forum da - andere haben vielleicht auch Interesse an der Antwort!

Einführende Links zu LabVIEW, s. GerdWs Signatur.
Alle Beiträge dieses Benutzers finden
Diese Nachricht in einer Antwort zitieren to top
18.05.2007, 12:39
Beitrag #3

jörgroth Offline
LVF-Grünschnabel
*


Beiträge: 16
Registriert seit: Mar 2007

8.2 Professional (für Schulzwecke)
2007
kA


Deutschland
Toleranzauswertung mit Min-/Max-Funktion? Wie?
' schrieb:verwende vielleicht mal das VI Limit-Testing statt dem Express-VI


Hallo Jens,

danke für den Tipp, aber auch damit komme ich absolut nicht klarSad

Bin unter Zeitdruck und mache irgendeinen Denkfehler.

Vor allem habe ich keine Ahnung, wie der dX und X0 Eingang zu verstehen ist?`*grübel*

Es kommt dauernd ne Fehlermeldung weil dt > 0 sein soll:angry2: HILFE!


Angehängte Datei(en) Thumbnail(s)
   
Alle Beiträge dieses Benutzers finden
Diese Nachricht in einer Antwort zitieren to top
18.05.2007, 13:12
Beitrag #4

VDB Offline
LVF-Stammgast
***


Beiträge: 426
Registriert seit: Oct 2005

2010-2011
1997
kA

52134
Deutschland
Toleranzauswertung mit Min-/Max-Funktion? Wie?
' schrieb:Hallo Jens,

danke für den Tipp, aber auch damit komme ich absolut nicht klarSad

Bin unter Zeitdruck und mache irgendeinen Denkfehler.

Vor allem habe ich keine Ahnung, wie der dX und X0 Eingang zu verstehen ist?`*grübel*

Es kommt dauernd ne Fehlermeldung weil dt > 0 sein soll:angry2: HILFE!

Hier ist eine Lösung du musst nur versprechen nie mehr Express VIs zu benutzen!! ^_^



Sonstige .vi  test.vi (Größe: 22,06 KB / Downloads: 266)


VDB
Alle Beiträge dieses Benutzers finden
Diese Nachricht in einer Antwort zitieren to top
18.05.2007, 13:42
Beitrag #5

jörgroth Offline
LVF-Grünschnabel
*


Beiträge: 16
Registriert seit: Mar 2007

8.2 Professional (für Schulzwecke)
2007
kA


Deutschland
Toleranzauswertung mit Min-/Max-Funktion? Wie?
' schrieb:Hier ist eine Lösung du musst nur versprechen nie mehr Express VIs zu benutzen!! ^_^
VDB

Hallo VDB!

VIELEN DANK für deine Lösung!
Die ist echt genial und funktioniert genau so, wie ich das wollte!

Gibt es jetzt vielleicht noch zusätzlich die Option irgendwie die X-Werte-Bereiche (einer oder mehrere) auszugeben innerhalb denen der Wert außerhalb der Toleranz lag (auch wieder interpolliert!)???

Also in meiner fehlerhaften Messung wäre das der Bereich von ca.900-1025 Hz
Kann man diesen genau bestimmen und auf einer Anzeige ausgeben?

Geht das auch wenn es zwei oder mehrere Bereiche sind? (z.B. von 900-1025Hz und von 1475-1600Hz)

Wäre wirklich super, wenn das auch noch ginge. Denkbar wäre auch eine andere Einfärbung im Graph an der Überschreitungsstelle!

Gruß Jörg <><

P.s.: Das Versprechen kann ich fast geben, hab nämlich mal meinen ganze Programmcode durchgeschaut und habe nur zwei Express-VIs gefunden. ("Assistent für Instrumenten I/O" und "Meldung an Benutzer":)


Angehängte Datei(en) Thumbnail(s)
   
Alle Beiträge dieses Benutzers finden
Diese Nachricht in einer Antwort zitieren to top
18.05.2007, 13:53
Beitrag #6

VDB Offline
LVF-Stammgast
***


Beiträge: 426
Registriert seit: Oct 2005

2010-2011
1997
kA

52134
Deutschland
Toleranzauswertung mit Min-/Max-Funktion? Wie?
' schrieb:Hallo VDB!

VIELEN DANK für deine Lösung!
Die ist echt genial und funktioniert genau so, wie ich das wollte!

Gibt es jetzt vielleicht noch zusätzlich die Option irgendwie die X-Werte-Bereiche (einer oder mehrere) auszugeben innerhalb denen der Wert außerhalb der Toleranz lag (auch wieder interpolliert!)???

Also in meiner fehlerhaften Messung wäre das der Bereich von ca.900-1025 Hz
Kann man diesen genau bestimmen und auf einer Anzeige ausgeben?

Geht das auch wenn es zwei oder mehrere Bereiche sind? (z.B. von 900-1025Hz und von 1475-1600Hz)

Wäre wirklich super, wenn das auch noch ginge. Denkbar wäre auch eine andere Einfärbung im Graph an der Überschreitungsstelle!

Gruß Jörg <><

P.s.: Das Versprechen kann ich fast geben, hab nämlich mal meinen ganze Programmcode durchgeschaut und habe nur zwei Express-VIs gefunden. ("Assistent für Instrumenten I/O" und "Meldung an Benutzer":)

Auch das geht heute noch:


Sonstige .vi  test_v2.vi (Größe: 23,9 KB / Downloads: 261)


VDB
Alle Beiträge dieses Benutzers finden
Diese Nachricht in einer Antwort zitieren to top
Anzeige
30
Antwort schreiben 


Gehe zu: