INFO: Dieses Forum nutzt Cookies...
Cookies sind für den Betrieb des Forums unverzichtbar. Mit der Nutzung des Forums erklärst Du dich damit einverstanden, dass wir Cookies verwenden.

Es wird in jedem Fall ein Cookie gesetzt um diesen Hinweis nicht mehr zu erhalten. Desweiteren setzen wir Google Adsense und Google Analytics ein.


Antwort schreiben 

Wait und Wait-Until, seltsame Effekte, ich verstehs einfach nicht...



Wenn dein Problem oder deine Frage geklärt worden ist, markiere den Beitrag als "Lösung",
indem du auf den "Lösung" Button rechts unter dem entsprechenden Beitrag klickst. Vielen Dank!

23.09.2018, 18:21
Beitrag #1

catbull Offline
LVF-Grünschnabel
*


Beiträge: 24
Registriert seit: Jun 2018

2012
-
DE



Wait und Wait-Until, seltsame Effekte, ich verstehs einfach nicht...
Hi,

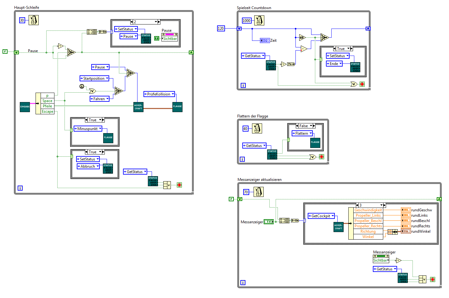
in meinem Projekt, einem Spiel, in dem mit einem Luftkissenboot ein sich zufällig platzierendes Objekt (eine flatternde Flagge) gegen die Zeit eingesammelt werden muss, laufen 4 Whileschleigen parallel.

1. 30ms Verzögerung, "Hauptschleife" Steuerung, Bewegung des Fahrzeuges usw.
2. 40ms Verzögerung, flattern der Flagge
3. 70ms Verzögerung, Aktualisierung der Messanzeiger (Tacho usw.)
4. 1000ms Verzögerung, Countdown der Spielzeit

...nur damit ungefähr gesagt ist, worum es geht. Falls es zur Sache tun sollte, hier mal ein Screenshot:

   


Performancetechnisch komm ich an die Grenze -ist aber gut spielbar. -WENN ich in allen 4 Schleifen das Metronom zur Verzögerung verwende. Mit der Armbanduhr ruckelt und flimmert es.


Bisher habe ich angenommen, dass die Armbanduhr die KOMPLETTE Zeit wartet, das Metronom hingegen die Zeit MINUS die Zeit, die für den in der Schleife ausgeführten Code benötigt wurde. Würde ja auch Sinn machen von den Begriffen "Wait" und "Wait until".

Das scheint aber nicht zu stimmen, nach allem was ich so lese. Das dürfte eigentlich garnicht sein... -Entweder er hat den Code gepackt in der Zeit und gut oder eben nicht und es ruckelt. Ich verstehs nicht.

Meine Fragen an euch sind also:


1. Weshalb habe ich mit dem Metronom eine bessere Performance?

2. Was ist der genaue Unterschied der beiden Möglichkeiten? -Alles was ich darüber zu lesen finde, hat nichts mit meiner Situation zu tun...


Spätestens zur Präsentation muss ich das irgendwie begründen, dass ich das Metronom verwende, weil in der Vorlesung immer nur vom Armbanduhr die Rede war. Könntet ihr mir da bitte weiterhelfen?


Danke!!
Alle Beiträge dieses Benutzers finden
Diese Nachricht in einer Antwort zitieren to top
Anzeige
24.09.2018, 06:39
Beitrag #2

RMR Offline
Laborkater
**


Beiträge: 239
Registriert seit: Nov 2008

09f1 - 2010SP1(f4) - 2012SP1f5 - 2014 SP1f10 -2017f3
2009
DE_EN

76437
Deutschland
RE: Wait und Wait-Until, seltsame Effekte, ich verstehs einfach nicht...
Guten Morgen,

die Bezeichnung "Wait until" gibt dir einen Hinweis auf deine FRage. Dein Code wird abgearbeitet und dann auf das nächste Vielfache des ms-Wertes gewartet.
Gehen wir davon aus das dein code 20ms Zeit benötigt. Dem Metronom hast du 80ms aus Wert vorgegeben. Es wird versucht diese 80ms zu halten. Sprich 20ms code + 60 ms wait = 80 ms.

Bei der "Armanduhr" wird der anegebene Wert gewartet. Deine Iteration wäre also 20ms code + 80ms wait = 100ms

Schaue dir mal den codeschnipsel an den ich angehängt habe. Tausche einfach mal die beiden timer aus, dann erklärt es sich von selbst.

Grüße, Ralf


Angehängte Datei(en) Thumbnail(s)
   

100nF passen immer.
Alle Beiträge dieses Benutzers finden
Diese Nachricht in einer Antwort zitieren to top
24.09.2018, 07:40 (Dieser Beitrag wurde zuletzt bearbeitet: 24.09.2018 07:48 von GerdW.)
Beitrag #3

GerdW Offline
______________
LVF-Team

Beiträge: 17.534
Registriert seit: May 2009

LV2019 (LV2021)
1995
DE_EN

10×××
Deutschland
RE: Wait und Wait-Until, seltsame Effekte, ich verstehs einfach nicht...
Hallo catbull,

ein paar Egänzungen zu RMR's Antwort:
Zitat:Gehen wir davon aus das dein code 20ms Zeit benötigt. Dem Metronom hast du 80ms aus Wert vorgegeben. Es wird versucht diese 80ms zu halten. Sprich 20ms code + 60 ms wait = 80 ms.
Wenn dein Code jetzt aber länger als die angegebene Wartezeit benötigt, wird wieder bis zum nächsten Vielfachen der Wartezeit gewartet:
Code:
90ms (Code) + 70ms (wait until multiple) = 160ms (next multiple)
Diese ganzen Rechnungen gelten aber nur, wenn das WaitUntil nach deinem Code aufgerufen wird. Wenn es parallel läuft, passiert folgendes:
Code:
MAX(90ms code, 80ms wait) = 90ms
Und beim nächsten Durchlauf kann dann wieder irgendwas anderes dein Timing stören…

Zitat:Bei der "Armanduhr" wird der anegebene Wert gewartet. Deine Iteration wäre also 20ms code + 80ms wait = 100ms
Diese Aussage gilt nur, wenn das Wait nach dem Code aufgerufen wird.
Im Normalfall läuft es aber parallel zum Code, sodass sich die Rechnung
Code:
MAX(20ms code, 80ms wait) = 80ms
ergibt…

Zu deinem Bild:
- Musst du den Code wirklich auf 4 Schleifen verteilen? Ich würde hier evtl. auf ein Producer-Consumer-Schema umstellen, bei dem der Producer im 10ms-Takt läuft und einfach Befehle für einen/mehrere Consumer im korrekten Takt verteilt.
- Sind deine FGV-Aufrufe wirklich so schnell, wie du vermutest? Kann es sein, dass die FGV(s) evtl. irgendwelche (langsamen) Operationen ausführen, die dein Schleifentiming beeinflussen können?

Alle Beiträge dieses Benutzers finden
Diese Nachricht in einer Antwort zitieren to top
24.09.2018, 20:56
Beitrag #4

Lucki Offline
Tech.Exp.2.Klasse
LVF-Team

Beiträge: 7.699
Registriert seit: Mar 2006

LV 2016-18 prof.
1995
DE

01108
Deutschland
RE: Wait und Wait-Until, seltsame Effekte, ich verstehs einfach nicht...
Es gibt auch noch einen kleinen Unterschied. Angenommen, die Wartezeit läuft parallel zum Code (wie auf deinen Bildern), und angenommen, der Code ist immer kürzer als die Wartezeit. Die Wartezeit sei 70ms. Dann ist bei der "Armbanduhr" die Wartezeit immer 70ms, beim Metronom zwar auch, nur nicht beim ersten Schleifendurchlauf. Da ist die Wartezeit irgendetwas Zufälliges wischen 0 und 70ms.
Wenn man zwei parallele Schlifen mit gleicher Wartezeit hat, dann laufen sie mit "Wait until" synchron zueinander, beim normalen Wait sind sie in der Phasenlage irgendwie zufällig zueinander versetzt. (Es gibt aber bessere Methoden, um Schleifen miteinander zu synchronisieren)
Alle Beiträge dieses Benutzers finden
Diese Nachricht in einer Antwort zitieren to top
30
Antwort schreiben 


Möglicherweise verwandte Themen...
Themen Verfasser Antworten Views Letzter Beitrag
  Frage zur Architektur: Statemachine und Wait for Events tuhpon 6 6.554 18.03.2024 16:14
Letzter Beitrag: tuhpon
  Variable ohne Element -einfach unsichtbar machen? catbull 30 21.424 24.08.2018 06:38
Letzter Beitrag: GerdW
  Seltsame Fehlerbehandlung in Treiber VI hansi9990 1 3.265 16.01.2016 18:23
Letzter Beitrag: GerdW
  Wait Befehl LabViewPete 3 5.543 17.09.2015 09:12
Letzter Beitrag: Lucki
  Fehler bei "Wait on Asyn. Call" D_Sev 11 11.168 20.11.2013 16:37
Letzter Beitrag: D_Sev
  strikte Typedfinition ändert sich einfach Hasenfuss 3 4.777 12.01.2013 13:09
Letzter Beitrag: Hasenfuss

Gehe zu: