INFO: Dieses Forum nutzt Cookies...
Cookies sind für den Betrieb des Forums unverzichtbar. Mit der Nutzung des Forums erklärst Du dich damit einverstanden, dass wir Cookies verwenden.

Es wird in jedem Fall ein Cookie gesetzt um diesen Hinweis nicht mehr zu erhalten. Desweiteren setzen wir Google Adsense und Google Analytics ein.


Antwort schreiben 

Werte in einer .txt-datei speichern



Wenn dein Problem oder deine Frage geklärt worden ist, markiere den Beitrag als "Lösung",
indem du auf den "Lösung" Button rechts unter dem entsprechenden Beitrag klickst. Vielen Dank!

27.07.2010, 09:57
Beitrag #11

tom102 Offline
LVF-Gelegenheitsschreiber
**


Beiträge: 80
Registriert seit: Jul 2010

LabVIEW 9.0 Studentenversion
2010
de


Deutschland
Werte in einer .txt-datei speichern
Habe das jetzt auf diese Variante versucht es haut aber nich hin...

Helft ihr mir jetzt bitte???

Danke


Angehängte Datei(en) Thumbnail(s)
   
Alle Beiträge dieses Benutzers finden
Diese Nachricht in einer Antwort zitieren to top
Anzeige
27.07.2010, 10:15
Beitrag #12

kaiman Offline
LVF-Gelegenheitsschreiber
**


Beiträge: 146
Registriert seit: Dec 2008

7.1.1, 2011
2007
EN

28***
Deutschland
Werte in einer .txt-datei speichern
Da ich nur LV 7.1 hab kann ich nicht ganz nachvollziehen, was du mit da in deinem BD machst...
Aber wenn dir jemand wirklich helfen soll, dann solltest du dir den Beitrag von SeBa nochmal genau durchlesen! Vllt. haben die richtigen Leute dann mehr Lust zu helfen... Ansonsten kann es passieren, dass dein Problem ganz schnell vergessen wird...
Alle Beiträge dieses Benutzers finden
Diese Nachricht in einer Antwort zitieren to top
27.07.2010, 10:18
Beitrag #13

Matze Offline
LVF-Team
LVF-Team

Beiträge: 1.027
Registriert seit: Apr 2010

20xx
2010
DE_EN

7xxxx
Deutschland
Werte in einer .txt-datei speichern
' schrieb:Helft ihr mir jetzt bitte???
Mein ehemaliger Biologielehrer hätte jetzt gesagt "Dein Verhalten missfällt mir".

' schrieb:Helft ihr mir jetzt bitte???
Du möchtest hier eine Komplettlösung, zeigst keinerlei Dank an vergangenen Hilfestellungen, gehst nicht auf diese ein und fragst ständig, ob wir dir helfen.
Wir versuchen es doch die ganze Zeit!

Ein Fragezeichen reicht übrigens vollkommen pro Satz. Alles andere kommt für mich patzig rüber nach dem Motto "jetzt macht doch endlich, ich habe keine Lust".
Etwas Eigeninitiative solltest du schon zeigen.

Was heißt "haut nicht hin"?
Kommen Fehler, ist die Ausgabe nicht die gewünschte etc.?

Da du Express-VIs nutzt und wir nicht in diese hineinsehen können, wäre es für weitere Hilfestellungen sinnvoll, wenn du das VI angängen würdest.
In den meisten Fällen sollte auf Express-VIs verzichtet werden, doch diese Diskussion ist bereits im Forum zu finden.

Grüße
Alle Beiträge dieses Benutzers finden
Diese Nachricht in einer Antwort zitieren to top
27.07.2010, 10:21
Beitrag #14

SeBa Offline
LVF-Guru
*****


Beiträge: 2.025
Registriert seit: Oct 2008

09SP1 & 10 FDS
2008
DE

65xxx
Deutschland
Werte in einer .txt-datei speichern
Offtopic2
Das erinnert mich an ein kleines Kind...

Och menno! Ihr seid fies! *schmoll*

' schrieb:Helft ihr mir jetzt bitte???

Danke

Gruß SeBa

PS:
Hier ein LVF-Link zu einem Beispiel wie man einen Textdatei mit Inhalt füllt.

Dieser Beitrag soll weder nützlich, informativ noch lesbar sein.

Er erhebt lediglich den Anspruch dort wo er ungenau ist, wenigstens eindeutig ungenau zu sein.
In Fällen größerer Abweichungen ist es immer der Leser, der sich geirrt hat.

Rette einen Baum!
Diesen Beitrag nur ausdrucken, wenn unbedingt nötig!
Alle Beiträge dieses Benutzers finden
Diese Nachricht in einer Antwort zitieren to top
27.07.2010, 10:36 (Dieser Beitrag wurde zuletzt bearbeitet: 27.07.2010 19:29 von jg.)
Beitrag #15

jg Offline
CLA & CLED
LVF-Team

Beiträge: 15.864
Registriert seit: Jun 2005

20xx / 8.x
1999
EN

Franken...
Deutschland
Werte in einer .txt-datei speichern
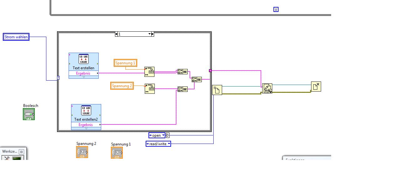
Also gut, mal ein konstruktiver Vorschlag zwischenrein, mal schauen, ob ich richtig rate, was da nicht gehtGlas1

   
(ich tippe mal, dass da mehrfach File geöffnet und dann immer überschrieben wird...)

Gruß, Jens

Wer die erhabene Weisheit der Mathematik tadelt, nährt sich von Verwirrung. (Leonardo da Vinci)

!! BITTE !! stellt mir keine Fragen über PM, dafür ist das Forum da - andere haben vielleicht auch Interesse an der Antwort!

Einführende Links zu LabVIEW, s. GerdWs Signatur.
Alle Beiträge dieses Benutzers finden
Diese Nachricht in einer Antwort zitieren to top
28.07.2010, 08:53
Beitrag #16

tom102 Offline
LVF-Gelegenheitsschreiber
**


Beiträge: 80
Registriert seit: Jul 2010

LabVIEW 9.0 Studentenversion
2010
de


Deutschland
Werte in einer .txt-datei speichern
Hallo,

ich habe ein Frage in Bezug zu Strings:

Gibt es eine Funktion in LabVIEW,welche verschiedene Strings zu einem Gesamtstring zusammenfassen kann.

Vielen Dank
Alle Beiträge dieses Benutzers finden
Diese Nachricht in einer Antwort zitieren to top
Anzeige
28.07.2010, 09:12 (Dieser Beitrag wurde zuletzt bearbeitet: 28.07.2010 09:13 von oenk.)
Beitrag #17

oenk Offline
LVF-Stammgast
***


Beiträge: 361
Registriert seit: May 2005

>= 7.1
2004
EN

3018
Schweiz
Werte in einer .txt-datei speichern
Umleitung
fürs nächste mal, nur so als Tipp:
wenn du was so einfaches suchst, dann schau doch erstmal in der entsprechenden Palette von LabVIEW, da wird man dann meist fündig Top1


snip09


Angehängte Datei(en) Thumbnail(s)
   

In theory, there is no difference between theory and practice; In practice, there is.

Chuck Reid
Alle Beiträge dieses Benutzers finden
Diese Nachricht in einer Antwort zitieren to top
28.07.2010, 09:22
Beitrag #18

tom102 Offline
LVF-Gelegenheitsschreiber
**


Beiträge: 80
Registriert seit: Jul 2010

LabVIEW 9.0 Studentenversion
2010
de


Deutschland
Werte in einer .txt-datei speichern
Dank dir

jedoch möchte ich das die Strings untereinander angezeigt werden.

Also nicht String 1+String2+...

sondern String 1
String 2
....


Hast dadür auch ne Lösung?

Danke
Alle Beiträge dieses Benutzers finden
Diese Nachricht in einer Antwort zitieren to top
28.07.2010, 09:25
Beitrag #19

oenk Offline
LVF-Stammgast
***


Beiträge: 361
Registriert seit: May 2005

>= 7.1
2004
EN

3018
Schweiz
Werte in einer .txt-datei speichern
snip09


Angehängte Datei(en) Thumbnail(s)
   

In theory, there is no difference between theory and practice; In practice, there is.

Chuck Reid
Alle Beiträge dieses Benutzers finden
Diese Nachricht in einer Antwort zitieren to top
28.07.2010, 09:26
Beitrag #20

jg Offline
CLA & CLED
LVF-Team

Beiträge: 15.864
Registriert seit: Jun 2005

20xx / 8.x
1999
EN

Franken...
Deutschland
Werte in einer .txt-datei speichern
' schrieb:Hast dadür auch ne Lösung?
Ja...Hehe

...
...
...

OK, lade doch einen Screenshot hoch:
   

Gruß, Jens

Wer die erhabene Weisheit der Mathematik tadelt, nährt sich von Verwirrung. (Leonardo da Vinci)

!! BITTE !! stellt mir keine Fragen über PM, dafür ist das Forum da - andere haben vielleicht auch Interesse an der Antwort!

Einführende Links zu LabVIEW, s. GerdWs Signatur.
Alle Beiträge dieses Benutzers finden
Diese Nachricht in einer Antwort zitieren to top
30
Antwort schreiben 


Möglicherweise verwandte Themen...
Themen Verfasser Antworten Views Letzter Beitrag
  gelesene XML Datei ändern/speichern TpunktN 3 7.564 02.04.2020 09:25
Letzter Beitrag: Freddy
  Automatisches erzeugen einer .txt Datei auf Basis einer anderen .txt Datei PSchenk 5 8.165 18.10.2019 16:06
Letzter Beitrag: PSchenk
  Alle Werte einer For-Loop zwischenspeichern MartinNewBee 2 5.337 05.04.2018 13:30
Letzter Beitrag: MartinNewBee
  Positionen (Werte) in Matrix speichern tahity94 37 30.461 12.02.2018 18:10
Letzter Beitrag: tahity94
  Datei lesen > anzeigen > verändern > speichern djbugs 5 9.248 26.01.2017 10:18
Letzter Beitrag: GerdW
  auslesen der Werte einer .csv psypher 3 7.380 07.04.2016 07:12
Letzter Beitrag: psypher

Gehe zu: