INFO: Dieses Forum nutzt Cookies...
Cookies sind für den Betrieb des Forums unverzichtbar. Mit der Nutzung des Forums erklärst Du dich damit einverstanden, dass wir Cookies verwenden.

Es wird in jedem Fall ein Cookie gesetzt um diesen Hinweis nicht mehr zu erhalten. Desweiteren setzen wir Google Adsense und Google Analytics ein.


Antwort schreiben 

Wieso läuft While Schleife zu früh los?



Wenn dein Problem oder deine Frage geklärt worden ist, markiere den Beitrag als "Lösung",
indem du auf den "Lösung" Button rechts unter dem entsprechenden Beitrag klickst. Vielen Dank!

18.11.2010, 12:19
Beitrag #1

Labneuling Offline
LVF-Grünschnabel
*


Beiträge: 33
Registriert seit: Apr 2010

9.0
2010
de


Deutschland
Wieso läuft While Schleife zu früh los?
Hallo!

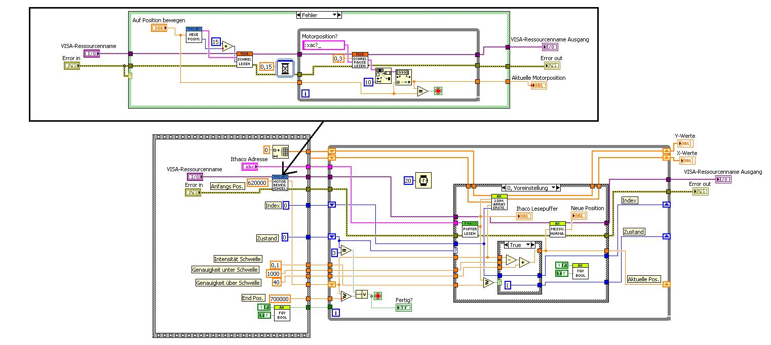
Ich hab hier gerade ein Fall, wo ich nicht weiß wieso die While-Schleife (rechts unten) los läuft. Sie müsste doch erst los laufen, wenn das obere VI beendet wird, oder? Im moment starten sie gleichtzeitig bzw. die rechte läuft obwohl das obere nicht fertig ist.

   
Alle Beiträge dieses Benutzers finden
Diese Nachricht in einer Antwort zitieren to top
Anzeige
18.11.2010, 12:40
Beitrag #2

Achim Offline
*****
*****


Beiträge: 4.226
Registriert seit: Nov 2005

20xx
2000
EN

978xx
Deutschland
Wieso läuft While Schleife zu früh los?
Ja, sollte sie...

An was siehst du, dass die Schleife angeblich läuft?

Hast du mal den Highlight-Modus (=Glühbirne) angemacht und geschaut, was passiert?

"Is there some mightier sage, of whom we have yet to learn?"

"Opportunity is missed by most people because it is dressed in overalls and looks like work." (Thomas Edison)
Alle Beiträge dieses Benutzers finden
Diese Nachricht in einer Antwort zitieren to top
18.11.2010, 13:19 (Dieser Beitrag wurde zuletzt bearbeitet: 18.11.2010 13:23 von Lucki.)
Beitrag #3

Lucki Offline
Tech.Exp.2.Klasse
LVF-Team

Beiträge: 7.699
Registriert seit: Mar 2006

LV 2016-18 prof.
1995
DE

01108
Deutschland
Wieso läuft While Schleife zu früh los?
Natürlich geht es erst weiter, wenn das SubVI "Motorpositionierung" beendet ist. Eine ganz andere Frage ist aber, ob das SubVi selbst wartet, bis der Motor bei der Position angekommen ist. Das ist offenbar nicht der Fall, und warum sollte es auch? Du denkst wohl, das müsse automatisch so sein? Wenn man das will, dann wäre folgendes zu tun: Nach dem Positionierungbefehl sollte eine Schleife kommen, in der ein Statusbit "Moving?" gepollt wird. Erst wenn "Moving?" = false sollte die Schleife verlassen werden. Du hast zwar in dem SubVI eine Schleife drin, aber ob die das macht und was die überhaupt macht weiß ich nicht.
Alle Beiträge dieses Benutzers finden
Diese Nachricht in einer Antwort zitieren to top
18.11.2010, 13:23 (Dieser Beitrag wurde zuletzt bearbeitet: 18.11.2010 13:23 von kaiman.)
Beitrag #4

kaiman Offline
LVF-Gelegenheitsschreiber
**


Beiträge: 146
Registriert seit: Dec 2008

7.1.1, 2011
2007
EN

28***
Deutschland
Wieso läuft While Schleife zu früh los?
Mal ne Frage. Müsste die Schleife in dem SubVI sich nicht eigentlich im Case "Kein Fehler" befinden? Oder hab ich da was falsch verstanden?
Alle Beiträge dieses Benutzers finden
Diese Nachricht in einer Antwort zitieren to top
18.11.2010, 13:28
Beitrag #5

Y-P Offline
☻ᴥᴥᴥ☻ᴥᴥᴥ☻
LVF-Team

Beiträge: 12.612
Registriert seit: Feb 2006

Developer Suite Core -> LabVIEW 2015 Prof.
2006
EN

71083
Deutschland
Wieso läuft While Schleife zu früh los?
Hat mich auch schon gewundert, nur ist der Rahmen "grün". :unsure:Schon komisch. Hmm

Gruß Markus

' schrieb:Mal ne Frage. Müsste die Schleife in dem SubVI sich nicht eigentlich im Case "Kein Fehler" befinden? Oder hab ich da was falsch verstanden?

--------------------------------------------------------------------------
Bitte stellt mir keine Fragen über PM, dafür ist das Forum da - andere haben vielleicht auch Interesse an der Antwort !!
--------------------------------------------------------------------------
Alle Beiträge dieses Benutzers finden
Diese Nachricht in einer Antwort zitieren to top
18.11.2010, 13:28
Beitrag #6

Labneuling Offline
LVF-Grünschnabel
*


Beiträge: 33
Registriert seit: Apr 2010

9.0
2010
de


Deutschland
Wieso läuft While Schleife zu früh los?
Hey Danke für eure Antworten,

das Problem war, dass das obere VI gleich beim ersten Schleifendurchlauf als Position die Zielposition gemeldet hat, was überhaupt nicht sein konnte. Hab dann den Lesepuffer beobachtet und gemerkt das auch nicht vollständige Antworten gekommen sind, teils kamen Fragmente von Antworten. Hab jetzt vor jedem neuen Befehl Puffer leeren Vi gesetzt und es geht jetzt. Hat wohl vorher funktioniert, weil ich das VI nicht zweimal hintereinander aufgerufen hab wie in dem Fall.

Danke nochmals und ciao.

Edit:

Hm... weiß nicht was bei Screenshot erstellen passiert ist, aber da steht wirklich "Kein Fehler".
Alle Beiträge dieses Benutzers finden
Diese Nachricht in einer Antwort zitieren to top
Anzeige
Antwort schreiben 


Möglicherweise verwandte Themen...
Themen Verfasser Antworten Views Letzter Beitrag
  While Schleife läuft nur wenn Taste gedrückt gehalten wird DocBader 7 7.106 20.01.2015 14:43
Letzter Beitrag: GerdW
  Melder-VI gibt kein Timeout raus, wieso? Matze 3 5.035 21.02.2012 22:11
Letzter Beitrag: GerdW
  1x While Schleife, 1x Zeitges. While Schleife, die zeitgs. START/STOP dali4u 1 7.505 23.05.2011 09:22
Letzter Beitrag: Y-P
  Wieso geht das nicht Andy4u 4 4.347 18.03.2011 08:50
Letzter Beitrag: GerdW
  Sub VI, wieso keine Definition von Ausgängen skaven 10 11.709 07.06.2010 16:50
Letzter Beitrag: Y-P
  Wieso funktioniert das "=" nicht? Xaran 9 6.412 18.03.2009 08:49
Letzter Beitrag: Lucki

Gehe zu: