INFO: Dieses Forum nutzt Cookies...
Cookies sind für den Betrieb des Forums unverzichtbar. Mit der Nutzung des Forums erklärst Du dich damit einverstanden, dass wir Cookies verwenden.

Es wird in jedem Fall ein Cookie gesetzt um diesen Hinweis nicht mehr zu erhalten. Desweiteren setzen wir Google Adsense und Google Analytics ein.


Antwort schreiben 

XY- Graph zur Laufzeit



Wenn dein Problem oder deine Frage geklärt worden ist, markiere den Beitrag als "Lösung",
indem du auf den "Lösung" Button rechts unter dem entsprechenden Beitrag klickst. Vielen Dank!

16.07.2007, 14:49 (Dieser Beitrag wurde zuletzt bearbeitet: 16.07.2007 14:49 von Filip.)
Beitrag #1

Filip Offline
LVF-Grünschnabel
*


Beiträge: 45
Registriert seit: Mar 2007

8.2
2006
kA


Deutschland
XY- Graph zur Laufzeit
Hallo,

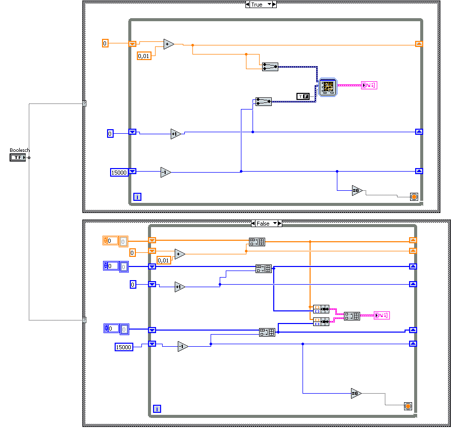
ich möchte gerne zur Laufzeit einen XY- Graphen erstellen. Leider benötigt dieser ja Arrays. Meine einzige Idee war die Realisierung mittels Schieberegister.
Gibt es evtl. noch einfachere Möglichkeiten? Mich stört einfach der Umfang im Blockschaltbild, den das ganze einnimmt. Oder ist es auch möglich dies über SubVis zu realisieren?

Viele Grüße

Filip


Angehängte Datei(en) Thumbnail(s)
   

Sonstige .vi  graphdarstellung.vi (Größe: 15,32 KB / Downloads: 244)
Alle Beiträge dieses Benutzers finden
Diese Nachricht in einer Antwort zitieren to top
Anzeige
16.07.2007, 15:24
Beitrag #2

eg Offline
LVF-SeniorMod


Beiträge: 3.868
Registriert seit: Nov 2005

2016
2003
kA

66111
Deutschland
XY- Graph zur Laufzeit
' schrieb:Hallo,

ich möchte gerne zur Laufzeit einen XY- Graphen erstellen. Leider benötigt dieser ja Arrays. Meine einzige Idee war die Realisierung mittels Schieberegister.
Gibt es evtl. noch einfachere Möglichkeiten? Mich stört einfach der Umfang im Blockschaltbild, den das ganze einnimmt. Oder ist es auch möglich dies über SubVis zu realisieren?

Viele Grüße

Filip


Es gibt ein Express VI, das es für dich machen könnte. Ich würde es aber trotz dem selbst programmieren(also mit Schieberegister), wie du es gemacht hast.

Wenn du es doch mit dem ExpressVI machen willst, dann nimm das Express XY Graph, statt des normalen.

eg

Webseite des Benutzers besuchen Alle Beiträge dieses Benutzers finden
Diese Nachricht in einer Antwort zitieren to top
16.07.2007, 15:40
Beitrag #3

Filip Offline
LVF-Grünschnabel
*


Beiträge: 45
Registriert seit: Mar 2007

8.2
2006
kA


Deutschland
XY- Graph zur Laufzeit
' schrieb:Es gibt ein Express VI, das es für dich machen könnte. Ich würde es aber trotz dem selbst programmieren(also mit Schieberegister), wie du es gemacht hast.

Hallo eg,

Danke für Deine Antwort. Auf die Xpress VIs wollte ich auch verzichten.

Gruß Filip
Alle Beiträge dieses Benutzers finden
Diese Nachricht in einer Antwort zitieren to top
16.07.2007, 15:50
Beitrag #4

Filip Offline
LVF-Grünschnabel
*


Beiträge: 45
Registriert seit: Mar 2007

8.2
2006
kA


Deutschland
XY- Graph zur Laufzeit
Ich habe jetzt mal die Probe auf das Exemple gemacht.

Mit dem Express vi gehts auch passaple. Meine Pi- mal- Daumen- Abschätzung mit dem Testprogramm zeigt aber, dass das Xpress- Vi wesentlich langsamer ist.

Viele Grüße

Filip


Angehängte Datei(en) Thumbnail(s)
   

Sonstige .vi  graphdarstellung.vi (Größe: 55,63 KB / Downloads: 269)
Alle Beiträge dieses Benutzers finden
Diese Nachricht in einer Antwort zitieren to top
16.07.2007, 15:52
Beitrag #5

canix Offline
LVF-Gelegenheitsschreiber
**


Beiträge: 87
Registriert seit: Mar 2007

Labview8.2 / Studnik-Version 8.0.1
2007
kA

44807
Deutschland
XY- Graph zur Laufzeit
' schrieb:Hallo eg,

Danke für Deine Antwort. Auf die Xpress VIs wollte ich auch verzichten.

Gruß Filip

Man kann die Erstellung des Graphen auch ins SubVi auslagern.
Die Daten, die angezeigt werden sollen, werden in der Main einem Melder (Notifier) übergeben. Das SubVi erwartet die Daten und fügt sie dem Array hinzu.

Im Prinzip hab ich das mal in folgenden VIs realisiert. Einiges in den Beispielen ist nicht optimal gelöst (z.B. Stichwort Ringpuffer) und teilweise etwas komplex. Vielleicht hilft es aber trotzdem weiter um Deine Idee zu realisieren?
XY-Graph
Signalverlaufsdiagramm

Gruß
Jens

Hinweis: Meine Lösungsvorschläge sind immer mit Vorsicht zu geniessen! Es gibt vermutlich wesentlich elegantere Ansätze. Ich poste dennoch, da ich mir auf diese Weise das entsprechende Feedback erhoffe!
Alle Beiträge dieses Benutzers finden
Diese Nachricht in einer Antwort zitieren to top
30
Antwort schreiben 


Möglicherweise verwandte Themen...
Themen Verfasser Antworten Views Letzter Beitrag
  Laufzeit Problem? Timesplinter 9 8.255 03.11.2017 12:50
Letzter Beitrag: GerdW
  Ringtextwechsel zur Laufzeit andrepf 3 4.765 02.05.2016 14:16
Letzter Beitrag: Lucki
  Startzeitpunkt und Laufzeit Timo86 9 9.185 28.11.2013 12:45
Letzter Beitrag: Y-P
  Laufzeit begrenzen andreas1860 4 7.122 08.03.2010 20:04
Letzter Beitrag: andreas1860
  Codeübergabe zur Laufzeit Blundfried 6 6.244 22.03.2007 21:09
Letzter Beitrag: Y-P
  Zeitdauer/Laufzeit strippi 2 5.530 26.04.2006 22:43
Letzter Beitrag: strippi

Gehe zu: