INFO: Dieses Forum nutzt Cookies...
Cookies sind für den Betrieb des Forums unverzichtbar. Mit der Nutzung des Forums erklärst Du dich damit einverstanden, dass wir Cookies verwenden.

Es wird in jedem Fall ein Cookie gesetzt um diesen Hinweis nicht mehr zu erhalten. Desweiteren setzen wir Google Adsense und Google Analytics ein.


Antwort schreiben 

Dieses Thema hat akzeptierte Lösungen:

Zeitachse in Graph nachtragen (X-Achse)



Wenn dein Problem oder deine Frage geklärt worden ist, markiere den Beitrag als "Lösung",
indem du auf den "Lösung" Button rechts unter dem entsprechenden Beitrag klickst. Vielen Dank!

01.11.2011, 20:08
Beitrag #1

Lex Offline
LVF-Gelegenheitsschreiber
**


Beiträge: 53
Registriert seit: Sep 2007

8.x - 2011
2007
kA

35398
Deutschland
Zeitachse in Graph nachtragen (X-Achse)
Hallo,

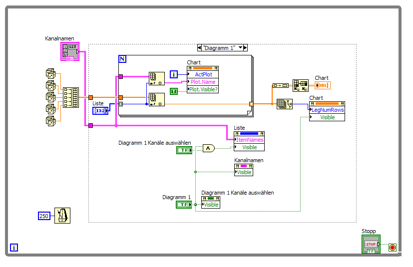
ich habe eine Frage zur Darstellug von Daten. Aus Darstellungsgründen verwende ich folgenden Code zur Darstellung von Messdaten (siehe Bild). "Von links" kommt ein dbl-Array mit den Daten. Das String-Array nutze ich nur zur Beschriftung des Graphen. ICh würde jetzt gerne auf der X Achse des Grpahen noch die aktuelle Zeit anzeigen lassen. Dabei kommt es mir nicht auf eine zentel Sekunde drauf an, man sollte halt nur sehen können in welchem Bereich man liegt (sind es 5 min oder 10 min betrachteter Zeitraum). Könnt ihr mir da einen Tipp geben. Das I32 gleich links neben der For-Schleide ist eine Liste in der ich auswählen kann welche Kanäle im Graph angezeigt werden können. Das Umformen in eine Matrix war eher Trail&Error vorgehen. So zeigt er mir auch mehrere Graphen zusammen und als Verlauf an.

Über Tipps wäre ich sehr dankbar.
Gruß
Axel


Angehängte Datei(en) Thumbnail(s)
   
Alle Beiträge dieses Benutzers finden
Diese Nachricht in einer Antwort zitieren to top
Anzeige
02.11.2011, 09:39
Beitrag #2

GerdW Offline
______________
LVF-Team

Beiträge: 17.540
Registriert seit: May 2009

LV2019 (LV2021)
1995
DE_EN

10×××
Deutschland
RE: Zeitachse in Graph nachtragen (X-Achse)
Hallo Alex,

- warum verwendet man Matrix-Funktionen, wenn man eigentlich mit Arrays arbeiten will/sollte?
- Warum haben deine Terminals keine Namen?
- Wo versteckt sich dein "Graph"? Sollen wir raten?
- Warum kein VI angehangen?
- Verwendest du einen Chart oder wirklich einen Graph?
- Hast du die X-Achse schon als "Zeitanzeige" formatiert?

Alles so Fragen, die man anhand eines angehängten VIs schon selbst hätte abklären können. Aber du hängst ja nur ein Bild an...

Alle Beiträge dieses Benutzers finden
Diese Nachricht in einer Antwort zitieren to top
02.11.2011, 10:54
Beitrag #3

Lex Offline
LVF-Gelegenheitsschreiber
**


Beiträge: 53
Registriert seit: Sep 2007

8.x - 2011
2007
kA

35398
Deutschland
RE: Zeitachse in Graph nachtragen (X-Achse)
Hallo Gerd,

danke für die Anregung zur Präzisierung...

(02.11.2011 09:39 )GerdW schrieb:  - warum verwendet man Matrix-Funktionen, wenn man eigentlich mit Arrays arbeiten will/sollte?

Zitat aus der Frage: "Das Umformen in eine Matrix war eher Trail&Error vorgehen. So zeigt er mir auch mehrere Graphen zusammen und als Verlauf an."

(02.11.2011 09:39 )GerdW schrieb:  - Warum haben deine Terminals keine Namen?
Die Frage verstehe ich leider nicht.

(02.11.2011 09:39 )GerdW schrieb:  - Wo versteckt sich dein "Graph"? Sollen wir raten?
Zitat aus der Frage: "Das Umformen in eine Matrix war eher Trail&Error vorgehen. So zeigt er mir auch mehrere Graphen zusammen und als Verlauf an."
Der Graph ist nach der Array/Matrix Transformation und wenn ich mich nicht täusche das einzige Anzeigeelement im Bild. Oben rechts der Kasten wo DBL drin steht.


(02.11.2011 09:39 )GerdW schrieb:  - Warum kein VI angehangen?
Das ganze VI ist sehr groß, daher dachte ich mir das ein kleiner übersichtlicher Ausschnitt reichen würde. Ich habe den Teil des Codes mal rauskopiert und jetzt angehängt.

(02.11.2011 09:39 )GerdW schrieb:  - Verwendest du einen Chart oder wirklich einen Graph?
Up to my best knowledge - Ja.


(02.11.2011 09:39 )GerdW schrieb:  - Hast du die X-Achse schon als "Zeitanzeige" formatiert?
Up to my best knowledge - Ja.

(02.11.2011 09:39 )GerdW schrieb:  Alles so Fragen, die man anhand eines angehängten VIs schon selbst hätte abklären können. Aber du hängst ja nur ein Bild an...
Behoben...

Vielen Dank
Axel


Angehängte Datei(en)
10.0 .vi  FrageForum.vi (Größe: 19,79 KB / Downloads: 318)
Alle Beiträge dieses Benutzers finden
Diese Nachricht in einer Antwort zitieren to top
02.11.2011, 11:09 (Dieser Beitrag wurde zuletzt bearbeitet: 02.11.2011 11:17 von GerdW.)
Beitrag #4

GerdW Offline
______________
LVF-Team

Beiträge: 17.540
Registriert seit: May 2009

LV2019 (LV2021)
1995
DE_EN

10×××
Deutschland
RE: Zeitachse in Graph nachtragen (X-Achse)
Hallo Alex,

Zitat:Zitat aus der Frage: "Das Umformen in eine Matrix war eher Trail&Error vorgehen. So zeigt er mir auch mehrere Graphen zusammen und als Verlauf an."
Kontexthilfe an, Maus auf Chart, Hilfe anschauen und nachbauen...

Zitat:- Warum haben deine Terminals keine Namen?
Die Frage verstehe ich leider nicht.
Du hast bei der Anzeige explizit das Label/die Bezeichnung gelöscht! Wenn du eine textbasierte Programmiersprache verwendest, nennst du deine Variablen dann auch alle ""?

Zitat:- Verwendest du einen Chart oder wirklich einen Graph?
Up to my best knowledge - Ja.
Ehm: Frage: A oder B? Antwort: Ja! - Was ist das denn für eine Antwort...
Du verwendest einen Chart. Da bietet sich die Verwendung von Waveforms an - wie in der Kontexthilfe beschrieben...

Anbei dein VI, ohne die Matrix-Funktion.


Angehängte Datei(en)
10.0 .vi  FrageForum.vi (Größe: 18,94 KB / Downloads: 297)

Alle Beiträge dieses Benutzers finden
Diese Nachricht in einer Antwort zitieren to top
02.11.2011, 11:15
Beitrag #5

jg Offline
CLA & CLED
LVF-Team

Beiträge: 15.864
Registriert seit: Jun 2005

20xx / 8.x
1999
EN

Franken...
Deutschland
RE: Zeitachse in Graph nachtragen (X-Achse)
(02.11.2011 10:54 )Lex schrieb:  
(02.11.2011 09:39 )GerdW schrieb:  - Warum haben deine Terminals keine Namen?
Die Frage verstehe ich leider nicht.
Du hast bei 2 Controls im FP das Label "wegeditiert". Das ist schlechter Programmierstil. Damit werden PropertyNodes im Blockdiagramm ohne den zugehörigen Labelnamen angezeigt, und somit wird der Sourcecode schlecht lesbar.
Wenn du ein Label im Frontpanel nicht anzeigen willst, dann Rechtsklick -> Visible -> Haken bei Label entfernen, aber nicht das Label auf einen leeren String editieren.
Mit nicht entfernten Labels sieht das BD nämlich so aus:
   
(02.11.2011 10:54 )Lex schrieb:  Der Graph ist nach der Array/Matrix Transformation und wenn ich mich nicht täusche das einzige Anzeigeelement im Bild. Oben rechts der Kasten wo DBL drin steht.
Das lässt nicht erkennen, welcher Graph es ist. Könnte auch ein 2D-Array im FP sein.
(02.11.2011 10:54 )Lex schrieb:  
(02.11.2011 09:39 )GerdW schrieb:  - Verwendest du einen Chart oder wirklich einen Graph?
Up to my best knowledge - Ja.
Und falsch. Es ist ein Chart, wie man jetzt im VI erkennen kann.

Gruß, Jens

Wer die erhabene Weisheit der Mathematik tadelt, nährt sich von Verwirrung. (Leonardo da Vinci)

!! BITTE !! stellt mir keine Fragen über PM, dafür ist das Forum da - andere haben vielleicht auch Interesse an der Antwort!

Einführende Links zu LabVIEW, s. GerdWs Signatur.
Alle Beiträge dieses Benutzers finden
Diese Nachricht in einer Antwort zitieren to top
02.11.2011, 14:23
Beitrag #6

Lex Offline
LVF-Gelegenheitsschreiber
**


Beiträge: 53
Registriert seit: Sep 2007

8.x - 2011
2007
kA

35398
Deutschland
RE: Zeitachse in Graph nachtragen (X-Achse)
Hallo Jens, hallo Gerd,

Danke für die Antworten. Das mit den Beschriftungen leutet mir ein. Aber mit meiner Anzeige bin ich immer noch nicht weiter. Ich habe alles probiert was mir eingefallen ist. Waveform erstellt mit dem einen oder auch dem anderen Array aus der For Schleife verbunden. Zwischen Chart und Graph gewechselt, ... aber irgendwie komme ich nicht zu dem was ich eigentlich haben will. Blush


Gruß Axel
Alle Beiträge dieses Benutzers finden
Diese Nachricht in einer Antwort zitieren to top
Anzeige
02.11.2011, 14:32
Beitrag #7

GerdW Offline
______________
LVF-Team

Beiträge: 17.540
Registriert seit: May 2009

LV2019 (LV2021)
1995
DE_EN

10×××
Deutschland
RE: Zeitachse in Graph nachtragen (X-Achse)
Hallo Alex,

bei mir wird die Zeit angezeigt bei Verwendung eines Waveforms...


Angehängte Datei(en)
9.0 .vi  FrageForum.vi (Größe: 9,6 KB / Downloads: 303)

Alle Beiträge dieses Benutzers finden
Diese Nachricht in einer Antwort zitieren to top
02.11.2011, 16:14
Beitrag #8

Lex Offline
LVF-Gelegenheitsschreiber
**


Beiträge: 53
Registriert seit: Sep 2007

8.x - 2011
2007
kA

35398
Deutschland
RE: Zeitachse in Graph nachtragen (X-Achse)
Hallo Gerd,

danke für die Antwort und das erstellte Beispiel. Leider entspricht das Beispiel soweit ich das sehe nicht ganz dem was ich eigentlich machen will. In der Forschleife in Deinem Beispiel werde 10 Werte erzeugt, die dann über der Zeit dargestellt werden. In den For Schleifen die ich habe werden aus einem Array das die Daten aller Kanäle enthält die ausgewählt, die ich in der Liste angebe. Wenn ich in meinem VI die Daten so anschließe bekomme ich auch eine Ausgabe über der Zeit. Aber dann werden mir immer nur 3 Werte (oder wie viele ich ausgewählt habe) angezeigt und beim nächsten Durchlauf der großen While-Schleife habe ich wieder nur die 3 aktuellen Werte im Diagramm. Aber eigentlich möchte ich ja, dass er mir die ausgwählten Kanäle vollständig über der Zeit anzeigt.

Ich hoffe ich könnte mich einigermaßen verständlich ausdrücken.

Gruß
Axel
Alle Beiträge dieses Benutzers finden
Diese Nachricht in einer Antwort zitieren to top
02.11.2011, 16:17
Beitrag #9

GerdW Offline
______________
LVF-Team

Beiträge: 17.540
Registriert seit: May 2009

LV2019 (LV2021)
1995
DE_EN

10×××
Deutschland
RE: Zeitachse in Graph nachtragen (X-Achse)
Hallo Alex,

mein Beispiel zeigt dir, wie man mittels eines Waveforms (mit ordentlich gesetztem t0) sich die "aktuelle" Zeit als X-Achse anzeigen lassen kann - nicht mehr und nicht weniger! Wenn deine Messdaten jetzt als Waveforms bereitstehen würden (bzw. als Array of Waveform), könntest du genausogut beliebige Waveforms aus dem Array auswählen und darstellen lassen.

Jetzt musst du nur noch beide Sätze miteinander kombinieren... Smile

Alle Beiträge dieses Benutzers finden
Diese Nachricht in einer Antwort zitieren to top
02.11.2011, 16:37
Beitrag #10

Lex Offline
LVF-Gelegenheitsschreiber
**


Beiträge: 53
Registriert seit: Sep 2007

8.x - 2011
2007
kA

35398
Deutschland
RE: Zeitachse in Graph nachtragen (X-Achse)

Akzeptierte Lösung

Hi,

ob das die genaue Kombination beider Sätze ist, glaube ich nicht ganz, aber vielleicht hat ja noch mal jemand so ein Problem...


Angehängte Datei(en)
10.0 .vi  FrageForum.vi (Größe: 13,68 KB / Downloads: 418)
Alle Beiträge dieses Benutzers finden
Diese Nachricht in einer Antwort zitieren to top
Antwort schreiben 


Möglicherweise verwandte Themen...
Themen Verfasser Antworten Views Letzter Beitrag
  Zeitachse im XY Diagramm simcum 7 4.003 05.05.2025 08:52
Letzter Beitrag: TpunktN
  XY-Graph Darstellung Diagramm in Bezug auf X-Achse simcum 3 4.975 11.04.2022 08:40
Letzter Beitrag: simcum
  NI USB 6003 - Zeitachse xy-Graph in Sekunden DaveEAC 3 6.205 05.08.2021 07:57
Letzter Beitrag: Achim
  Zeitachse Signalverlaufsdiagramm Nilawa 6 7.079 22.07.2019 08:49
Letzter Beitrag: Nilawa
  Signalverlaufsdiagramm Zeitachse in s MitchD 8 13.017 26.10.2017 07:31
Letzter Beitrag: GerdW
  Signalverlaufsdiagramm - Zeitachse falsch JanBurg 2 6.814 06.10.2017 11:12
Letzter Beitrag: JanBurg

Gehe zu: