INFO: Dieses Forum nutzt Cookies...
Cookies sind für den Betrieb des Forums unverzichtbar. Mit der Nutzung des Forums erklärst Du dich damit einverstanden, dass wir Cookies verwenden.

Es wird in jedem Fall ein Cookie gesetzt um diesen Hinweis nicht mehr zu erhalten. Desweiteren setzen wir Google Adsense und Google Analytics ein.


Antwort schreiben 

Zeitstring in Element wandeln



Wenn dein Problem oder deine Frage geklärt worden ist, markiere den Beitrag als "Lösung",
indem du auf den "Lösung" Button rechts unter dem entsprechenden Beitrag klickst. Vielen Dank!

12.11.2008, 12:42
Beitrag #1

ThomasDipl Offline
LVF-Gelegenheitsschreiber
**


Beiträge: 54
Registriert seit: Oct 2008

8.5
-
de

85375
Deutschland
Zeitstring in Element wandeln
Hallo zusammen,

ich hab ein kleines Problem. Ich benötige einen Zeitstring der von 00:00 über 00:15 bis 23:45 in 15 Minutenschritten hochzählt. Alllerdings muss ich diesen Datumstring in ein Element wandeln um ihn in ein excel-file zu schreiben. Im Anhnag mein Versuch.

LabVIEW 8.5

Vielen Dank für die Hilfe.

Grüße, Thomas


Angehängte Datei(en)
Sonstige .vi  15_Mintuern_hochz_hlen1.vi (Größe: 11,57 KB / Downloads: 278)
Alle Beiträge dieses Benutzers finden
Diese Nachricht in einer Antwort zitieren to top
Anzeige
12.11.2008, 13:03
Beitrag #2

Achim Offline
*****
*****


Beiträge: 4.230
Registriert seit: Nov 2005

20xx
2000
EN

978xx
Deutschland
Zeitstring in Element wandeln
Ich verstehe die Frage nicht...was genau hast du vor?

"Is there some mightier sage, of whom we have yet to learn?"

"Opportunity is missed by most people because it is dressed in overalls and looks like work." (Thomas Edison)
Alle Beiträge dieses Benutzers finden
Diese Nachricht in einer Antwort zitieren to top
12.11.2008, 13:06
Beitrag #3

ThomasDipl Offline
LVF-Gelegenheitsschreiber
**


Beiträge: 54
Registriert seit: Oct 2008

8.5
-
de

85375
Deutschland
Zeitstring in Element wandeln
Achim, kleinen Moment. Ich stell Dir das Original-vi mit offenem Ende ein. Dann siehst Du das Problem.
Alle Beiträge dieses Benutzers finden
Diese Nachricht in einer Antwort zitieren to top
12.11.2008, 13:18
Beitrag #4

ThomasDipl Offline
LVF-Gelegenheitsschreiber
**


Beiträge: 54
Registriert seit: Oct 2008

8.5
-
de

85375
Deutschland
Zeitstring in Element wandeln
So Achim,

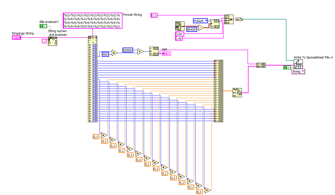
wenn Du die rote Ziffer im Frontpanel änderst, änderst sich die Uhrzeit in 15 Minuten Schritten. Das passiert genau 96 mal. Somit hab ich den ganzen Tag in 15 Minuten Schritten protokolliert. Zu jedem 15 minütigen Intervall gibt es eine Reihe von Mittelwerten. Diese kommen im Anschluss an den Zeitraum. Nun muss ich den 00:15 String als 00:15 Wert in der ersten Spalte darstellen. Ich hatte versucht Konstanten hochzuzählen. Allerdings kann ich den Doppelpunkt nicht als Konstante (Wert) angeben. Wie gesagt, nun muss der Ausgangsstring beim Anzeigeelement "Zeit" in den "Array erstellen" Eingang.


Angehängte Datei(en)
Sonstige .vi  Test2.vi (Größe: 20,45 KB / Downloads: 258)
Alle Beiträge dieses Benutzers finden
Diese Nachricht in einer Antwort zitieren to top
12.11.2008, 13:30 (Dieser Beitrag wurde zuletzt bearbeitet: 12.11.2008 13:30 von Achim.)
Beitrag #5

Achim Offline
*****
*****


Beiträge: 4.230
Registriert seit: Nov 2005

20xx
2000
EN

978xx
Deutschland
Zeitstring in Element wandeln
So?
   

Was ist denn das für ne aufwendige Skalierung im unteren Teil?

"Is there some mightier sage, of whom we have yet to learn?"

"Opportunity is missed by most people because it is dressed in overalls and looks like work." (Thomas Edison)
Alle Beiträge dieses Benutzers finden
Diese Nachricht in einer Antwort zitieren to top
12.11.2008, 13:40
Beitrag #6

ThomasDipl Offline
LVF-Gelegenheitsschreiber
**


Beiträge: 54
Registriert seit: Oct 2008

8.5
-
de

85375
Deutschland
Zeitstring in Element wandeln
Die aufwendige Skallierung bewirkt nur ein Verschieben der Kommastelle! Geht bestimmt auch einfacher, aber so geht´s auch Wink Vielen Dank für die Hilfe!!!
Alle Beiträge dieses Benutzers finden
Diese Nachricht in einer Antwort zitieren to top
Anzeige
30
Antwort schreiben 


Möglicherweise verwandte Themen...
Themen Verfasser Antworten Views Letzter Beitrag
  slk datei zum Frontpanel wandeln kruz_007 3 4.964 11.06.2008 21:38
Letzter Beitrag: jg

Gehe zu: