INFO: Dieses Forum nutzt Cookies...
Cookies sind für den Betrieb des Forums unverzichtbar. Mit der Nutzung des Forums erklärst Du dich damit einverstanden, dass wir Cookies verwenden.

Es wird in jedem Fall ein Cookie gesetzt um diesen Hinweis nicht mehr zu erhalten. Desweiteren setzen wir Google Adsense und Google Analytics ein.


Antwort schreiben 

Zwei Queue-Frage an die Experten



Wenn dein Problem oder deine Frage geklärt worden ist, markiere den Beitrag als "Lösung",
indem du auf den "Lösung" Button rechts unter dem entsprechenden Beitrag klickst. Vielen Dank!

29.01.2011, 16:19
Beitrag #11

Cruzaderz Offline
LVF-Gelegenheitsschreiber
**


Beiträge: 81
Registriert seit: Apr 2008

2010
-
de_en

22846
Deutschland
Zwei Queue-Frage an die Experten
@Lucki: Nene - das muss schon so kontinuierlich wie möglich sein, weil ich ja den Verlauf korrelieren möchte. Der Versatz in Punkten wird dann durch die Messfrequenz geteilt und schon kenne ich den Wert in Sekunden. Ob dabei mal 5 oder gar 50 Werte aus dem DAQ kommen sollte nichts ausmachen, weil immer eine konstante Anzahl Werte per Array in den Korrelator geschoben wird.

...Den bösen Fehler hatte ich btw. ungewollt und unbewusst in dem Thread (Suche USB-9213) erzeugt, weil halt die -1 fürs Lesen aller Daten fehlte. Als Ergebnis hat er zwar mit 9 Hz gelesen aber auch immer nur 9 Werte raus geholt und da die Schleife auch ein paar ms frisst haben diese sich letztlich akkumuliert, bis der Puffer überlief Huh


Zum gezeigten VI: Ich habe mir inzwischen selbst eingestanden, dass es sehr unglücklich strukturiert war. Darum sind nun die "nice to know" Quellen in eigene Schleifen gewandert und übernehmen dort auch gleich die Darstellung, so dass 3 Queues weniger nötig sind. Momentan kämpfe ich mit den beiden Datenquellen für die Temperaturverläufe. Deren Synchronität ist zwar im Sekundentakt (gemittelter Verlauf) wichtig aber das könnte man via zweier Q's und getrennter While-Schleifen recht gut abarbeiten. Wo es gerade klemmt ist die Korrelation, die wahlweise eine der beiden Quellen nutzt. Lege ich aber wie bisher beide Q's an einen case und wähle in diesem aus, wer weiter verarbeitet wird, wartet die Schleife trotzdem immer auf beide Werte auch wenn einer davon im Case verpufft. Ich muss die Q's daher irgendwie vorher "umschalten", d.h. die Daten der einen lesen, während die Daten der anderen mit "Queue leeren" zeitgleich vernichtet werden. Schaltet man die andere Quelle auf den Korrelator wird der Spieß einfach umgedreht. So bekäme der Korrelator immer nur einen verlauf und wartet nicht auf den anderen (vorausgesetzt "Q leeren" erwartet keine enthaltenen WerteWink)

Achja - und der Fehler mit der Keithley-Karte ist inzwischen auch halbwegs klar: 1000 Hz Einstellung entsprechen reell 998,4 Hz Taktung - hahaha, böse Falle. Bisher habe ich es leider noch nicht geschafft wie bei der NI-Box "alle Daten" zu lesen, egal ob es nun 900 oder 1100 sind - er wartet scheinbar immer auf die Anzahl, die als Puffer eingestellt wird. Und setzt man den auf -1 oder 0 meckert er, dass der Wert > 1 sein muss. Mal schauen... nochmal ins sub-VI... Vielleicht ist der Fehler ja ähnlich wie anfangs bei der 9213?!

Viele Grüße,
Dennis
Alle Beiträge dieses Benutzers finden
Diese Nachricht in einer Antwort zitieren to top
Anzeige
30.01.2011, 01:47 (Dieser Beitrag wurde zuletzt bearbeitet: 30.01.2011 02:05 von Cruzaderz.)
Beitrag #12

Cruzaderz Offline
LVF-Gelegenheitsschreiber
**


Beiträge: 81
Registriert seit: Apr 2008

2010
-
de_en

22846
Deutschland
Zwei Queue-Frage an die Experten
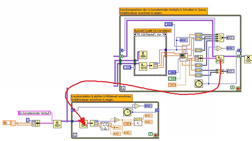
[attachment=61179:SUB_Date...relation.vi]Och menno - LV ist doch echt ein gemeines Programm. Den ganzen Tag habe ich das VI umgeschrieben und mir wirklich Gedanken über den Datenfluss gemacht und nun klemmt es noch mehrSad. Das ursprüngliche "all in one" VI wo alles in einer einzigen while steckte hat irgendwas zwischen 5 und 25 % CPU gezogen. Dieses hier zieht fast durchgehend 100% und insbesondere die Korrelationsschleife braucht länger als 1000 ms. Interessanterweise braucht sie immer irgendwas um 1000 oder 2000 aber nie z.B. 1500 ms. Wenn man etwas wartet und nicht am Rechner arbeitet rattert sie mit Durchlaufzeiten von 5-10 ms die Queue runter, um dann wieder nachzuhängenSad. Könnt ihr mir sagen, was ich hier falsch mache? Sind Queues generell Systembremsen? In meinen steckt ja noch nicht mal viel drin - nen paar Arrays zu vielleicht 500 Werten ist doch eigentlich nix...?!

Vorgesehener Ablauf des Programms:

-1,2,3 (s.o.) laufen autark und werden ggf. über lokale Variablen beeinflusst ebenso wie jetzt auch der Thermostat (6)
-4 und 5 laufen in Queues und werden unabhängig voneinander skaliert
-Beide skalierten Verläufe laufen in eine Schleife, die von einem davon die Werte puffert, glättet und ggf. differenziert (warum waren hier eigentlich die ersten 3 differenzierten Werte immer "falsch"?! -> daher der workaround mit Länge +5 und hinten die ersten 5 vom array wieder löschen)
-Das Queue dieser Aufarbeitung läuft in den Kreuzkorrelator

...Und eigentlich nur letzterer macht Zicken. Wie gesagt habe ich Schon Werte deutlich unter 20 gesehen (was auch normal sein sollte) und sonst nur Werte zwischen 1850 und 2150 und ab und zu mal 900-1100. Das spricht doch irgendwie dafür, dass die Schleife nen Timing bekommt aber mehr als die Queue hängt doch nicht dran. Und solange diese Werte hat sollte die Korrelation doch schnell durchlaufen (was sie ja auch ab und zu mal tut...)?!

Diesmal etwas mehr Anhang - vielleicht steckt der Fehler ja im sub-VI?? Ist aber rel. unwahrscheinlich, da die "all in one" Version fast identische sub-VIs genutzt hat.

Lv86_img(Kompatibel gespeichert aus 2010)


PS: Die KPCI dauert mal +10, mal -10 - Sie ist nicht die Ursache, wie man an der leeren Queue sieht.

PPS: Kurzer Trockentest: Simulierter Verlauf mit 10.000 Werten läuft etwa 4-5 Mal pro sek durch den Korrelator incl. Gererierung des Verlaufes, Puffer und co. Hier sind es i.d.R. nur 270 oder ~1500 Werte...


Angehängte Datei(en) Thumbnail(s)
   

Sonstige .vi  _MAIN.vi (Größe: 203,74 KB / Downloads: 223)

Sonstige .vi  DEV_Durchflussmesser_an_USB.vi (Größe: 24,04 KB / Downloads: 227)

Sonstige .vi  DEV_Huber_Unistat_ein_aus_an_COM6.vi (Größe: 28,58 KB / Downloads: 204)

Sonstige .vi  DEV_Huber_Unistat_T_int_und_PMA_setzen_an_COM6.vi (Größe: 25,35 KB / Downloads: 201)

Sonstige .vi  DEV_Keithley_2000_Amps_lesen_an_COM5.vi (Größe: 30,43 KB / Downloads: 191)

Sonstige .vi  DEV_Keithley_2000_Volt_lesen_an_COM5.vi (Größe: 30,46 KB / Downloads: 206)

Sonstige .vi  DEV_KPCI_3108_lesen_an_PCI.vi (Größe: 12,5 KB / Downloads: 194)

Sonstige .vi  DEV_USB_9213_mit_9_Hz_lesen_an_USB.vi (Größe: 30,1 KB / Downloads: 207)

Sonstige .vi  SUB_Array_mitteln.vi (Größe: 25,97 KB / Downloads: 190)

Sonstige .vi  SUB_Datenaufbereitung_f_r_Kreuzkorrelation.vi (Größe: 44,29 KB / Downloads: 209)

Sonstige .vi  SUB_Kreuzkorrelation.vi (Größe: 193,21 KB / Downloads: 232)

Sonstige .vi  SUB_RTD_Cal_fitten.vi (Größe: 28,09 KB / Downloads: 214)
Alle Beiträge dieses Benutzers finden
Diese Nachricht in einer Antwort zitieren to top
30.01.2011, 11:24
Beitrag #13

Lucki Offline
Tech.Exp.2.Klasse
LVF-Team

Beiträge: 7.699
Registriert seit: Mar 2006

LV 2016-18 prof.
1995
DE

01108
Deutschland
Zwei Queue-Frage an die Experten
' schrieb:Stimmt natürlich, nur: Kartenpuffer << RAM (Queue).
Es kann durchaus sein, daß ich mich mit der Meinung, daß die DAQmx-Datenerfssung in der Regel eine Producer-Consumer-Struktur überflüssig macht, weil es selbst schon eine ist, zu weit aus dem Fenster gelehnt habe. Ich habe das noch nie von anderer Seite so gehört, deshalb erwarte ich Widerspruch und freue noch über jede Diskussion.

Zu Deinem Einwand: Es ist richtig, was Du sagst, nur läuft der Einwand ins Leere. Der Kartenpuffer ist zwar tatsächlich klein. Aber der ist doch nicht identisch mit dem DAQmx- Empfangspuffer, der sich per Konfiguration fast beliebig groß machen läßt und der sich im RAM des PC befindet. Die Datenübertragung zwischen zwischen Karte und diesem Puffer erfolgt über DMA.

(Nebenbemerkung: Es scheint hier einen Unterschied zu geben zwischen den klassischen Treibern für ältere Karten und DAQmx. Bei den älteren Treibern konnte man über Eigenschaftsknoten festlegen, ob nur der Kartenpuffer, nur der PC-RAM-Puffer oder beides verwendet werden soll. Bei DAQmx habe ich solche Einstellungen bisher nicht gefunden, bin aber froh darüber. Ich gehe davon aus, daß das Zusammenspiel zwischen den beiden Pufferbereichen von LV jetzt so intelligent gemanaged wird, dass sich der Programmierer darüber keine Gedanken zu machen braucht.)

Gruß Ludwig
Alle Beiträge dieses Benutzers finden
Diese Nachricht in einer Antwort zitieren to top
30.01.2011, 13:55
Beitrag #14

Cruzaderz Offline
LVF-Gelegenheitsschreiber
**


Beiträge: 81
Registriert seit: Apr 2008

2010
-
de_en

22846
Deutschland
Zwei Queue-Frage an die Experten
Okay - Fehler gefunden: Es war die Erkennung des ersten Maximalwertes in der Korrelationsfunktion. Anbei ein Screenshot des Teils, der zuerst das Gesamtmaximum ermittelt, dann den ersten Wert über 0,5*diesem ermittelt und ab dort den ersten, der wieder darunter geht. Ausgewertet wurde dann nur der Bereich von 0 bis hier und schon hatte ich das erste Maximum. Funktioniert, frisst aber scheinbar reichlich CPU-Leistung. Habt ihr eine elegantere Lösung?!

Vielen Dank und Gruß,
Dennis


Angehängte Datei(en) Thumbnail(s)
   
Alle Beiträge dieses Benutzers finden
Diese Nachricht in einer Antwort zitieren to top
30.01.2011, 14:29
Beitrag #15

dimitri84 Offline
Astronaut
*****


Beiträge: 1.496
Registriert seit: Aug 2009

2020 Developer Suite
2009
DE_EN

53562
Deutschland
Zwei Queue-Frage an die Experten
' schrieb:Zu Deinem Einwand: Es ist richtig, was Du sagst, nur läuft der Einwand ins Leere. Der Kartenpuffer ist zwar tatsächlich klein. Aber der ist doch nicht identisch mit dem DAQmx- Empfangspuffer, der sich per Konfiguration fast beliebig groß machen läßt und der sich im RAM des PC befindet. Die Datenübertragung zwischen zwischen Karte und diesem Puffer erfolgt über DMA.
Was mir "ein Sicherheitsgefühl verleiht" ist: Produce-Schleife beinhalten nur das DAQ-Rd und das füllen der Queue - da kann relative wenig schiefgehen/ ins Stocken geraten. In der Consumer-Loop ist dann ein ganzer Haufen an Code - Darstellung/Verarbeitung/TDMS-Write/etc... Wenn's denn stockt, dann da. Und dann wird weder Kartenpuffer noch DAQmx-Empfangspuffer beansprucht und sone Queue kann viel schlucken ... DAQ-Read wird nicht ausgebremst.

Keine Ahnung ob diese Vorgehensweise nur eine sehr sehr theoretische Fehlerquelle ausmertzt, geschweige denn überhaupt irgendwas ausmertzt...

Dann finde ich aber auch 2 Schelifen toll, da man schließlich fast nur noch mit (mind.) DualCores zu tun hat.


Gruß dimitri

„Sag nicht alles, was du weißt, aber wisse immer, was du sagst.“ (Matthias Claudius)
Webseite des Benutzers besuchen Alle Beiträge dieses Benutzers finden
Diese Nachricht in einer Antwort zitieren to top
30.01.2011, 16:09 (Dieser Beitrag wurde zuletzt bearbeitet: 30.01.2011 16:10 von Cruzaderz.)
Beitrag #16

Cruzaderz Offline
LVF-Gelegenheitsschreiber
**


Beiträge: 81
Registriert seit: Apr 2008

2010
-
de_en

22846
Deutschland
Zwei Queue-Frage an die Experten
Dem stimme ich zu. In meinem Projekt stecken die beiden kontinuierlichen Erfassungen jetzt fast alleine in den Erzeugerschleifen, da selbst ein Graph ggf. mal nen paar ms
fressen kann und - sofern er hinter der Erfassung kommt - diese paar ms dann als Versatz akkumuliert. Insofern bin ich wirklich froh über eure Hilfe mit den Queues, da diese die durchgängige Erfassung erst wirklich möglich macht.

Zitat:Dann finde ich aber auch 2 Schelifen toll, da man schließlich fast nur noch mit (mind.) DualCores zu tun hat.
Außer wir armen Studenten - meiner ist nen P4@2600/2GB und damit liege ich noch rund 50% über dem, was die anderen bei uns als Messrechner einsetzen. Nur einer geht drüber - die verwenden einen i5@2800/8GB, weil sie Bilder einer Hochgeschwindigkeitskamera auswerten und einen Laser danach positionieren. Damit haben sie ihren Core2duo/4GB regelmäßig in die Knie gezwungen...Wink
Wobei: Nach dem, was ich jetzt hier gelernt habe werde ich sie mal auf Queues ansprechen. Evtl. ist das Design ja linear und sie nutzen tatsächlich nur einen Kern...?!?!?


Aber doch nochmal die Frage in eigener Sache betreffend die letzte in meinem VI zu verarbeitende Queue: Wie vorher pendelt die Dauer der Schleife immer so um den Wert des Taktes, d.h. mal 900, mal 1000 aber nie 100, 200... auch wenn die Queue voll gelaufen ist. Dann plötzlich steht dort ein paar Mal 10...7...5... und ein paar - aber nicht alle - Elemente werden abgearbeitet und dann springt sie wieder in den 1000er takt. Habt ihr da eine Erklärung für? Eigentlich sollte diese Schleife doch nur einen Takt haben, wenn die Queue keine Elemente mehr hat und ansonsten "so schnell wie möglich" laufen?!?

Viele Grüße,
Dennis


Angehängte Datei(en) Thumbnail(s)
   
Alle Beiträge dieses Benutzers finden
Diese Nachricht in einer Antwort zitieren to top
Anzeige
31.01.2011, 00:33 (Dieser Beitrag wurde zuletzt bearbeitet: 31.01.2011 00:39 von Lucki.)
Beitrag #17

Lucki Offline
Tech.Exp.2.Klasse
LVF-Team

Beiträge: 7.699
Registriert seit: Mar 2006

LV 2016-18 prof.
1995
DE

01108
Deutschland
Zwei Queue-Frage an die Experten
@Dimitri
Die hast ja wieder Recht, wenn Du schreibst, daß eine Queue zwischen Datenerzeugung und -empfang die Unterbrechung der Datenerzeugung wirksam verhindert, wenn bei Datenempfang und -verarbeitung mal etwas ins Stocken gerät.

Nur ist eben "Queue" nur ein anderer Ausdruck für "FIFO-Puffer", und der DAQmx-Datenpuffer ist genau so einer, und zwar mit ähnlichen Leitungsmerkmalen wie der FIFO-Puffer der sich "Queue" nennt (z.B Puffergröße bereffend) (Es stehen lediglich für diesen Puffer nicht so viele Funktionen zur Verfügung wie bei den Queues - schließlich ist der Puffer ja nur für die einfache Zwischenspeicherung von DAQmx- Daten bestimmt).

Alle was Du an der Queue lobst trifft also auch auf den QAQmx-FIFO-Datenpuffer zu.
Und außerdem: Die Meßkarten besorgen die Datenerfassung mit eigenem Prozessor (und/oder FPGA) autark, und der Datentransport zum Puffer im PC-RAM geschieht per DMA, also ohne nennenswerte Mitwirkung der Main-CPU. Es handelt es sich also hier schon um eine Erzeuger-Verbraucher-Struktur mit getrennten Prozessoren, ohne daß man zwei Kerne der Main-CPU dafür verschwendet. Genialer und einfacher geht es nicht. Bei einer "Doppel-FIFO-Pufferung" mit zusätzlicher Queue und insgesamt drei Prozessor(-kernen) kann ich nur noch Resourccen- und Performance-Verschwendung konstatieren.

Gruß Ludwig

@Cruza..
Entschuldige bitte die Diskusion über Deinen Kopf hinweg mit Dimitri. Die vielen VIs haben mich im Moment etwas abgeschreckt, es ist recht aufwändig sich das alles anzusehen.
Alle Beiträge dieses Benutzers finden
Diese Nachricht in einer Antwort zitieren to top
31.01.2011, 06:45 (Dieser Beitrag wurde zuletzt bearbeitet: 31.01.2011 06:49 von dimitri84.)
Beitrag #18

dimitri84 Offline
Astronaut
*****


Beiträge: 1.496
Registriert seit: Aug 2009

2020 Developer Suite
2009
DE_EN

53562
Deutschland
Zwei Queue-Frage an die Experten
Ok, überzeugt. Aber arbeitet der Protagonist überhaupt mit DAQmx? Haben ja nicht alle Treiber son Puffer, oder?

BTW::offtopic2:ich schreibe heute eine MATLAB/LabVIEW-KlausurBig Grin



@Cruza: ich hoffe auch mein Abschweifen vom Thema stört dich nicht zu sehr.

„Sag nicht alles, was du weißt, aber wisse immer, was du sagst.“ (Matthias Claudius)
Webseite des Benutzers besuchen Alle Beiträge dieses Benutzers finden
Diese Nachricht in einer Antwort zitieren to top
31.01.2011, 10:54
Beitrag #19

Lucki Offline
Tech.Exp.2.Klasse
LVF-Team

Beiträge: 7.699
Registriert seit: Mar 2006

LV 2016-18 prof.
1995
DE

01108
Deutschland
Zwei Queue-Frage an die Experten
' schrieb:BTW::offtopic2:ich schreibe heute eine MATLAB/LabVIEW-KlausurBig Grin

Das schaffst Du doch, viel Spaß dabei. Die Fragen werden doch wohl nicht so schwer sein wie diese hier und auch die Zeitbegrenzung nicht so arg.
Alle Beiträge dieses Benutzers finden
Diese Nachricht in einer Antwort zitieren to top
30
Antwort schreiben 


Möglicherweise verwandte Themen...
Themen Verfasser Antworten Views Letzter Beitrag
  zwei Plots in einem X-Y Graphen mit zwei Achsen bachatero18 7 6.785 20.11.2019 15:06
Letzter Beitrag: Lucki
  Wie auf abgearbeitete Queue warten mez15 11 10.147 28.09.2017 13:02
Letzter Beitrag: TR61
  Datum Uhrzeit Queue DeleteAll 8 7.035 24.03.2017 15:47
Letzter Beitrag: GerdW
  TDMS in Queue laden gifo 8 6.775 07.01.2016 16:41
Letzter Beitrag: GerdW
  Fehlercluster via Queue hansi9990 23 17.885 07.08.2015 14:11
Letzter Beitrag: hansi9990
  Queue und (kein) Dataflow NoWay 9 8.907 01.06.2015 11:56
Letzter Beitrag: Kiesch

Gehe zu: