INFO: Dieses Forum nutzt Cookies...
Cookies sind für den Betrieb des Forums unverzichtbar. Mit der Nutzung des Forums erklärst Du dich damit einverstanden, dass wir Cookies verwenden.

Es wird in jedem Fall ein Cookie gesetzt um diesen Hinweis nicht mehr zu erhalten. Desweiteren setzen wir Google Adsense und Google Analytics ein.


Antwort schreiben 

Dieses Thema hat akzeptierte Lösungen:

cDAQ-9181 + Mikrofon = immer größer 43 dB ??



Wenn dein Problem oder deine Frage geklärt worden ist, markiere den Beitrag als "Lösung",
indem du auf den "Lösung" Button rechts unter dem entsprechenden Beitrag klickst. Vielen Dank!

22.12.2015, 16:49 (Dieser Beitrag wurde zuletzt bearbeitet: 08.01.2016 12:24 von mmmm.)
Beitrag #1

mmmm Offline
LVF-Grünschnabel
*


Beiträge: 13
Registriert seit: Oct 2015

13.0f2 (32-Bit)
2015
DE


Deutschland
cDAQ-9181 + Mikrofon = immer größer 43 dB ??
Hallo Leute,

ich hoffe ihr könnt mir bei meinem folgenden Problem weiterhelfen!
Vielen Dank Smile

Mein Messaufbau:
Ich verwende ein cDAQ-9181 Chassis mit einem NI 9232 Modul und schließe daran das Mikrofon MC230 mit einem Kabel an. Das Kabel hat am einen Ende einen Stecker den National Instruments "Screw Terminal" Anschluss nennt (Ziemlich schade, aber National Instruments hielt es anscheinend nicht für notwendig diesem "Screw Terminal" einen anständigen eindeutig identifizierbaren Namen zu geben, siehe Datenblatt des NI 9232 (http://www.ni.com/datasheet/pdf/en/ds-535) auf Seite 1 unten rechts) und am anderen Ende ist ein BNC-Stecker, an dem das Mikrofon MC230 dran steckt. Dieses Kabel ist ein Original National Instruments Kabel. Verwende ich nun das "Sound Level Meter (DAQmx).vi" aus der [SoundVib_Common Examples.lvlib]-Bibliothek der vorimplementierten LabVIEW-Programme, so lässt sich das Mikrofon auch korrekt betreiben. (Eingangsanschluss = Pseudodifferentiell, Erregungsquelle = Intern, Erregungswert = 0,004 A). Die korrekte Funktionsweise und Ausgabe des "Exponential Average"-Wertes und LAEQ-Wertes konnte ich anhand des Diagramms und einer Kontrollmessung mit einem geeichten Pegelmesser (NTi Audio XL2-TA) überprüfen. (Alles gültig für Werte > 43 dB)

Mein Problem:
Wenn es im Versuchsraum komplett leise ist (d.h. unter 43 dB), zeigt mir der NTi Audio XL2-TA einen Pegel von ca. 30 dB an, das LabVIEW Programm jedoch 42 dB. Trenne ich das MC230-Mikrofon vom NI 9232-Modul im cDAQ-9181 Chassis und schließe es am XL2-TA an, dann zeigt mir dieser immer noch ca. 30 dB an. Somit kann es nicht am Mikrofon liegen.

Meine Fragen:
- Hat das cDAQ-9181 Chassis oder das NI 9232 Modul ein so großes Hintergrundrauschen, dass mir mein Mikrofon IMMER über 43 dB anzeigt?
- Kann ich da irgendwas dagegen unternehmen?
- Kann es ein anderes Problem sein?

Weiterführende Infos:
- Anleitung XL2-TA http://www.nti-audio.com/Portals/0/data/...Manual.pdf
- Mikrofon MC230: Das MC230 ist die Microphon Kapsel des M2230. Datenblatt http://elimex.hu/upload/files/NTI_M2230.pdf
Alle Beiträge dieses Benutzers finden
Diese Nachricht in einer Antwort zitieren to top
Anzeige
23.12.2015, 10:39 (Dieser Beitrag wurde zuletzt bearbeitet: 23.12.2015 10:46 von GerdW.)
Beitrag #2

GerdW Offline
______________
LVF-Team

Beiträge: 17.534
Registriert seit: May 2009

LV2019 (LV2021)
1995
DE_EN

10×××
Deutschland
RE: cDAQ-9181 + Mikrofon = immer größer 43 dB ??
Hallo mmmm,

Zitat:Ziemlich schade, aber National Instruments hielt es anscheinend nicht für notwendig diesem "Screw Terminal" einen anständigen eindeutig identifizierbaren Namen zu geben
Wieso - das sind doch eindeutig screw terminals !?

Ich könnte deinen Ärger ja verstehen - wenn du es selbst schaffen würdest, korrekte Namen zu verwenden:
Zitat:Ich verwende ein cDAQ-9181 Modul mit einer NI 9232-Kassette
Aha, eine "Kassette" in einem "Modul"? NI nennt die Teile "Chassis" und "Modul" (in dieser Reihenfolge!)…

Hier noch der Link zum Manual für dein Messmodul! Da findest du auch alle offiziellen Bezeichnungen drin…

Zitat:Verwende ich nun das "Sound Level Meter (DAQmx).vi" aus der [SoundVib_Common Examples.lvlib]-Bibliothek der vorimplementierten LabVIEW-Programme, so lässt sich das Mikrofon auch korrekt betreiben.
Da du hier auf ein VI aus einem Toolkit verweist, wäre es schön, wenn du dieses anhängen würdest. Nicht jeder installiert alle möglichen Toolkits…
Wenn das VI aber für "laute Umgebungen" funktioniert, sollte es das auch bei "leiser Umgebung" tun. Wie wird denn dort der dB-Wert berechnet?

Zitat:Hat das cDAQ-9181 Modul oder die NI 9232-Kassette ein so großes Hintergrundrauschen, dass mir mein Mikrofon IMMER über 43 dB anzeigt?
Was passiert, wenn du den Signaleingang kurzschließt (oder einen rauscharmen Widerstand anschließt)?

Alle Beiträge dieses Benutzers finden
Diese Nachricht in einer Antwort zitieren to top
08.01.2016, 10:54
Beitrag #3

mmmm Offline
LVF-Grünschnabel
*


Beiträge: 13
Registriert seit: Oct 2015

13.0f2 (32-Bit)
2015
DE


Deutschland
RE: cDAQ-9181 + Mikrofon = immer größer 43 dB ??
Hallo GerdW!

Vielen Dank für deine Antwort. Ich habe deine Kritik berücksichtigt und meinen Beitrag bezüglich der Begriffe 'Modul' und 'Chassis' angepasst.

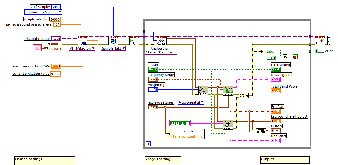
Im Anhang habe ich dir das "Sound Level Meter (DAQmx).vi" angehängt, das ich zum Ausprobieren verwende. Ohne die entsprechenden SubVI's geht es aber leider nicht. Ich hab auch einen Screenshot vom Blockdiagramm angehängt.

Wenn ich den Signaleingang über einen 50 Ohm Widerstand kurzschließe, dann zeigt mir das Sound Level Meter (DAQmx).vi immer noch 42 dB an. (Ich hab dazu ein Foto mit dem Namen "Messaufbau" angehängt. Dort wo der 50 Ohm Abschlusswiderstand hängt, geht normalerweise ein Kabel weg, das in einen schallisolierten Behälter führt und mit dem Mikro verbunden ist.) Es sieht also schon so aus, als würde das Chassis oder das Modul keine feinere Auflösung der Spannungsmessung mehr schaffen. Aber das kann doch nicht sein oder?

Vielen Dank für eure Unterstützung und viele Grüße,
mmmm


Angehängte Datei(en) Thumbnail(s)
       

13.0 .vi  Sound Level Meter (DAQmx).vi (Größe: 42,37 KB / Downloads: 388)
Alle Beiträge dieses Benutzers finden
Diese Nachricht in einer Antwort zitieren to top
08.01.2016, 11:36
Beitrag #4

GerdW Offline
______________
LVF-Team

Beiträge: 17.534
Registriert seit: May 2009

LV2019 (LV2021)
1995
DE_EN

10×××
Deutschland
RE: cDAQ-9181 + Mikrofon = immer größer 43 dB ??
Hallo mmmm,

bitte Profil_ergaenzen

Zitat:Wenn ich den Signaleingang über einen 50 Ohm Widerstand kurzschließe, dann zeigt mir das Sound Level Meter (DAQmx).vi immer noch 42 dB an.
Wie sieht denn das Rohsignal deines Mikrofons aus - direkt nach dem DAQmxRead?

Alle Beiträge dieses Benutzers finden
Diese Nachricht in einer Antwort zitieren to top
22.01.2016, 14:18
Beitrag #5

mmmm Offline
LVF-Grünschnabel
*


Beiträge: 13
Registriert seit: Oct 2015

13.0f2 (32-Bit)
2015
DE


Deutschland
RE: cDAQ-9181 + Mikrofon = immer größer 43 dB ??

Akzeptierte Lösung

Hi GerdW!

Leider sieht es dort genauso aus Sad
Ich hab allerdings jetzt eine Lösung für mein Problem gefunden. Ich hab nämlich noch einen 10x-Verstärker hier rumliegen gehabt und den hab ich jetzt zwischen Mikro und NI9232 Modul geklemmt und jetzt komm ich bis Pegel von ca. 34 dB runter, weil das Hintergrundrauschen jetzt nicht mehr so viel ausmacht. Trotzdem vielen Dank für deine Antworten!!
Alle Beiträge dieses Benutzers finden
Diese Nachricht in einer Antwort zitieren to top
30
Antwort schreiben 


Möglicherweise verwandte Themen...
Themen Verfasser Antworten Views Letzter Beitrag
  NI - cDAQ-9174 Daten duplizieren Florian654 8 12.845 08.10.2018 08:20
Letzter Beitrag: GerdW
  cDAQ NI-9201 Itaurus 1 7.021 18.11.2014 00:27
Letzter Beitrag: jg

Gehe zu: