INFO: Dieses Forum nutzt Cookies...
Cookies sind für den Betrieb des Forums unverzichtbar. Mit der Nutzung des Forums erklärst Du dich damit einverstanden, dass wir Cookies verwenden.

Es wird in jedem Fall ein Cookie gesetzt um diesen Hinweis nicht mehr zu erhalten. Desweiteren setzen wir Google Adsense und Google Analytics ein.


Antwort schreiben 

das innere eines Graphen "herausschneiden"



Wenn dein Problem oder deine Frage geklärt worden ist, markiere den Beitrag als "Lösung",
indem du auf den "Lösung" Button rechts unter dem entsprechenden Beitrag klickst. Vielen Dank!

06.05.2010, 16:01
Beitrag #1

gottfried Offline
LVF-Guru
*****


Beiträge: 1.735
Registriert seit: Mar 2007

2019
2004
EN

20**
Oesterreich
das innere eines Graphen "herausschneiden"
Hallo

Ich beziehe mich (auch) auf
http://www.LabVIEWforum.de/index.php?sho...=16066&hl=
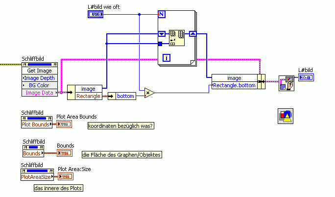
ich möchte nur den Darstellungsbereich im Graphen herausschneiden und (auch) kombinieren.

Die Größe bekomme ich über Plot Ares:Size

Die ganze Fläche des Graphen (also die Größe dessen, was ich mit "Get Image" bekomme; die steht auch in "Bounds"

"Plot Area Bounds" ist irgendwie mit der Position des Elements am Bildschim verbunden, keine Ahnung wie das gemessen wird.

OK - wie schneide ich das innerste des Graphen heraus (das klingt wie Jack the Ripper :-)

Bitte einen Tipp

Gottfried

Anhang: das will ich nicht: nur den Darstellungsbereich


Angehängte Datei(en) Thumbnail(s)
       

mein wöchentlicher (eigenwilliger) Beitrag zur Innovation
http://innovation1.wordpress.com/
Webseite des Benutzers besuchen Alle Beiträge dieses Benutzers finden
Diese Nachricht in einer Antwort zitieren to top
Anzeige
06.05.2010, 16:57 (Dieser Beitrag wurde zuletzt bearbeitet: 06.05.2010 16:58 von GerdW.)
Beitrag #2

GerdW Offline
______________
LVF-Team

Beiträge: 17.540
Registriert seit: May 2009

LV2019 (LV2021)
1995
DE_EN

10×××
Deutschland
das innere eines Graphen "herausschneiden"
Hallo Gottfried,

etwas Arithmetik ist da schon nötig. Einen Anstoß sollte dir dies geben:
   

Musst aber auch noch die Bounds mit einrechnen. Etwas herumspielen wird dir weiterhelfenSmile

Alle Beiträge dieses Benutzers finden
Diese Nachricht in einer Antwort zitieren to top
30
Antwort schreiben 


Möglicherweise verwandte Themen...
Themen Verfasser Antworten Views Letzter Beitrag
  Farbe eines Graphen Kathy 7 8.767 25.03.2009 13:36
Letzter Beitrag: Kathy
  Colormap eines 3D-Graphen Curtis Newton 5 6.431 11.08.2008 12:24
Letzter Beitrag: Curtis Newton

Gehe zu: