INFO: Dieses Forum nutzt Cookies...
Cookies sind für den Betrieb des Forums unverzichtbar. Mit der Nutzung des Forums erklärst Du dich damit einverstanden, dass wir Cookies verwenden.

Es wird in jedem Fall ein Cookie gesetzt um diesen Hinweis nicht mehr zu erhalten. Desweiteren setzen wir Google Adsense und Google Analytics ein.


Antwort schreiben 

globale Variable auf Frontpanel



Wenn dein Problem oder deine Frage geklärt worden ist, markiere den Beitrag als "Lösung",
indem du auf den "Lösung" Button rechts unter dem entsprechenden Beitrag klickst. Vielen Dank!

03.02.2010, 13:01
Beitrag #1

BTB Offline
LVF-Neueinsteiger


Beiträge: 5
Registriert seit: Feb 2010

2009
2008
de

12345
Deutschland
globale Variable auf Frontpanel
Hallo!

Ich hab einen String als globale Variable, in den ich an verschiedenen Stellen Statusinformationen über meine Datenverarbeitung eintrage. Diese Statusinformationen möchte ich, sobald sie auftauchen, auf dem Frontpanel meines Main.vi s anzeigen. Sprich: Ich möchte meine globale Variable auf dem Frontpanel anzeigen.

Ist und wenn ja wie ist das machbar?
Alle Beiträge dieses Benutzers finden
Diese Nachricht in einer Antwort zitieren to top
Anzeige
03.02.2010, 13:59
Beitrag #2

RoLe Offline
LVF-Guru
*****


Beiträge: 1.236
Registriert seit: Jul 2007

-
1997
en

0
Schweiz
globale Variable auf Frontpanel
Ist machbar, mit einem Anzeigeelement auf dem FP.
(ev. musst du die globaleV. auf lesen ändern, rechte MausTaste)

BTW: Ich verwende eigentlich nie globale Variablen

.·´¯)--> Leben ist das, was dir passiert, wenn du eifrig dabei bist andere Pläne zu machen <--(¯`·.
Alle Beiträge dieses Benutzers finden
Diese Nachricht in einer Antwort zitieren to top
03.02.2010, 14:33 (Dieser Beitrag wurde zuletzt bearbeitet: 03.02.2010 14:35 von BTB.)
Beitrag #3

BTB Offline
LVF-Neueinsteiger


Beiträge: 5
Registriert seit: Feb 2010

2009
2008
de

12345
Deutschland
globale Variable auf Frontpanel
Entweder hab ich Dich nicht verstanden oder Du mich.

Ich kann natürlich den Wert der globalen Variable an ein Anzeigeelement übergeben und anzeigen.
Dazu muss allerdings die Wertübergabe in meinem Main.vi ausgeführt werden.

Der Wert der String-globalen Variablen wird allerdings in diversen Sub-Vi s um weitere Einträge ergänzt und das möchte ich auf meiner Benutzeroberfläche anzeigen, sobald sich etwas am Wert der globalen Variablen ändert und nicht erst nach Abarbeitung der Sub-vi s.

Sprich: Ich möchte ein String-Anzeigeelement, das direkt auf Änderungen der globalen Variablen regiert.
Alle Beiträge dieses Benutzers finden
Diese Nachricht in einer Antwort zitieren to top
03.02.2010, 14:38
Beitrag #4

GerdW Offline
______________
LVF-Team

Beiträge: 17.538
Registriert seit: May 2009

LV2019 (LV2021)
1995
DE_EN

10×××
Deutschland
globale Variable auf Frontpanel
Hi BTB,

dann pack den String Indicator halt in eine Schleife!

Oder:
Benutze statt der globalen Variablen eine Queue, die du im MainVI ebenfalls in einer Schleife ausliest...

Alle Beiträge dieses Benutzers finden
Diese Nachricht in einer Antwort zitieren to top
03.02.2010, 15:28
Beitrag #5

BTB Offline
LVF-Neueinsteiger


Beiträge: 5
Registriert seit: Feb 2010

2009
2008
de

12345
Deutschland
globale Variable auf Frontpanel
Danke!

So haut s hin
Alle Beiträge dieses Benutzers finden
Diese Nachricht in einer Antwort zitieren to top
03.04.2012, 15:13 (Dieser Beitrag wurde zuletzt bearbeitet: 03.04.2012 15:14 von tan4a.)
Beitrag #6

tan4a Offline
LVF-Neueinsteiger


Beiträge: 1
Registriert seit: Mar 2012

2011
2011
DE



RE: globale Variable auf Frontpanel
Hallo Leute,

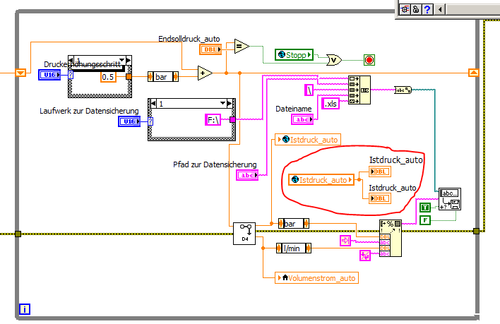
bin ziemlich neu in Sachen Programmierung. Mein Programm soll Ventile ansteuern. Nun in meinem MainVI sind ineinander gekoppelte SubVIs enthalten, die mir jeweils den istdruck in eine globale Variable reinschreiben. Ich möchte jetzt den sich laufend ändernden Wert der globalenvariable in dem MainVI anzeigen lassen! Komischer Weise wird im MainVI nicht der aktuelle Wert der globalen Variablen angezeigt. Mache ich was falsch, wenn ich einfach ein Anzeigeelment auf dem Frontpanel erstelle und den mit der globalen Variablen verdrahte?
Zum Verständnis das ein Snapscreen.

Vielen Dank, denn ich bin am Verzweifeln


Angehängte Datei(en) Thumbnail(s)
   
Alle Beiträge dieses Benutzers finden
Diese Nachricht in einer Antwort zitieren to top
Anzeige
03.04.2012, 15:44 (Dieser Beitrag wurde zuletzt bearbeitet: 03.04.2012 15:46 von eb.)
Beitrag #7

eb Offline
LVF-Lernwilliger
***


Beiträge: 292
Registriert seit: Mar 2008

2014
2008
EN

12xxx
Deutschland
RE: globale Variable auf Frontpanel
Hallo,

Also laut ScreenShot wird sowohl das SubVI als auch deine Anzeigeaktualisierung 1mal pro Schleifendurchlauf ausgeführt. Soweit schonmal gut.
Läuft jetzt aber das SubVI eine Weile und du möchtest eine Druckänderung sehen, WÄHREND das SUBVI LÄUFT, dann muss das Schreiben der globalen Variable INNERHALB des SUBVIs stattfinden und das AUSLESEN PARALLEL dazu. Also am einfachsten, indem du eine 2. While-Schleife mit dem Auslesen der globalen Variable beauftragst und deine Anzeige-Elemente beschreibst.
Vorraussetzung ist natürlich, dass das SubVI die Global MEHRMALS beschreibt, und nicht einfach 1mal am Ende der Ausführung.

Außerdem könnte (d)ein hochgeladenes (Beispiel-)VI helfen...

Ich hoffe man konnte mir folgen und es war ein klein wenig hilfreich
Gruß
Alle Beiträge dieses Benutzers finden
Diese Nachricht in einer Antwort zitieren to top
03.04.2012, 16:31
Beitrag #8

Lucki Offline
Tech.Exp.2.Klasse
LVF-Team

Beiträge: 7.699
Registriert seit: Mar 2006

LV 2016-18 prof.
1995
DE

01108
Deutschland
RE: globale Variable auf Frontpanel
Der Grundgedanke von Erik ist gut: Das aktualisieren der Anzeigen in einer parallelen Schleife zu machen. Nur wäre es dann höchst sinnvoll, sich von der globalen Variablen gleich mit zu verabschieden und für die Datenübertragung von den SubVIs eine Queue einzurichten (wurde hier auch schon gesagt). Der Vorteil: Man brauchte in der Schleife kein Wait und keinen ständigen Umlauf. Die Schleife macht genau dann einen Durchlauf und aktualisiert die Anzeige sofort, wenn ein neuer Wert vorliegt.
Alle Beiträge dieses Benutzers finden
Diese Nachricht in einer Antwort zitieren to top
30
Antwort schreiben 


Möglicherweise verwandte Themen...
Themen Verfasser Antworten Views Letzter Beitrag
  Timing, MAX & Virtuelle globale Variable RMR 2 5.830 11.05.2011 06:42
Letzter Beitrag: RMR
  Globale Variable erstellen lafayaise 2 21.353 07.07.2006 11:53
Letzter Beitrag: Y-P

Gehe zu: