INFO: Dieses Forum nutzt Cookies...
Cookies sind für den Betrieb des Forums unverzichtbar. Mit der Nutzung des Forums erklärst Du dich damit einverstanden, dass wir Cookies verwenden.

Es wird in jedem Fall ein Cookie gesetzt um diesen Hinweis nicht mehr zu erhalten. Desweiteren setzen wir Google Adsense und Google Analytics ein.


Antwort schreiben 

langer String nach Zeichenzahl gegliedert in array schreiben



Wenn dein Problem oder deine Frage geklärt worden ist, markiere den Beitrag als "Lösung",
indem du auf den "Lösung" Button rechts unter dem entsprechenden Beitrag klickst. Vielen Dank!

22.09.2014, 10:45
Beitrag #1

gammel Offline
LVF-Neueinsteiger


Beiträge: 5
Registriert seit: Sep 2014

9
-
kA



langer String nach Zeichenzahl gegliedert in array schreiben
Hallo,

ich habe folgendes Problem.
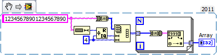
Ich erhalte Messwerte als String geliefert und ich weiß, dass ein Messwert 4 Zeichen lang ist. Nun möchte ich die einzelnen Messwerte in einem Array darstellen.

Bei meinem VI habe ich ein Beispiel String angegeben und ich weiß nicht was ich als Trennzeichen eingeben muss, damit er nach jeder vierten Zahl trennt.

Lv09_img2


Danke


Angehängte Datei(en) Thumbnail(s)
   
Alle Beiträge dieses Benutzers finden
Diese Nachricht in einer Antwort zitieren to top
Anzeige
22.09.2014, 11:15
Beitrag #2

jg Offline
CLA & CLED
LVF-Team

Beiträge: 15.864
Registriert seit: Jun 2005

20xx / 8.x
1999
EN

Franken...
Deutschland
RE: langer String nach Zeichenzahl gegliedert in array schreiben
Da dein Eingangsstring kein sinnvolles Trennzeichen enthält, kannst du auch nicht mit "Spreadsheet String to Array" arbeiten. Stattdessen musst du dich schrittweise durch den String arbeiten. Hier 2 Möglichkeiten, die mir auf die Schnelle einfallen:
   
Gruß, Jens

Wer die erhabene Weisheit der Mathematik tadelt, nährt sich von Verwirrung. (Leonardo da Vinci)

!! BITTE !! stellt mir keine Fragen über PM, dafür ist das Forum da - andere haben vielleicht auch Interesse an der Antwort!

Einführende Links zu LabVIEW, s. GerdWs Signatur.
Alle Beiträge dieses Benutzers finden
Diese Nachricht in einer Antwort zitieren to top
22.09.2014, 11:46
Beitrag #3

GerdW Offline
______________
LVF-Team

Beiträge: 17.534
Registriert seit: May 2009

LV2019 (LV2021)
1995
DE_EN

10×××
Deutschland
RE: langer String nach Zeichenzahl gegliedert in array schreiben
Noch einer:
   

Alle Beiträge dieses Benutzers finden
Diese Nachricht in einer Antwort zitieren to top
22.09.2014, 13:11
Beitrag #4

gammel Offline
LVF-Neueinsteiger


Beiträge: 5
Registriert seit: Sep 2014

9
-
kA



RE: langer String nach Zeichenzahl gegliedert in array schreiben
danke euch beiden. hat funktioniert. :-)
Alle Beiträge dieses Benutzers finden
Diese Nachricht in einer Antwort zitieren to top
22.09.2014, 13:18
Beitrag #5

Lucki Offline
Tech.Exp.2.Klasse
LVF-Team

Beiträge: 7.699
Registriert seit: Mar 2006

LV 2016-18 prof.
1995
DE

01108
Deutschland
RE: langer String nach Zeichenzahl gegliedert in array schreiben
Die einfachste von den 3 genannten Vorschlägen ist wohl die 2. Lösung von Jens. Und die ließe sich so noch weiter vereinfachen:
   
Alle Beiträge dieses Benutzers finden
Diese Nachricht in einer Antwort zitieren to top
22.09.2014, 13:26 (Dieser Beitrag wurde zuletzt bearbeitet: 22.09.2014 13:27 von GerdW.)
Beitrag #6

GerdW Offline
______________
LVF-Team

Beiträge: 17.534
Registriert seit: May 2009

LV2019 (LV2021)
1995
DE_EN

10×××
Deutschland
RE: langer String nach Zeichenzahl gegliedert in array schreiben
Hallo Lucki,

oder ganz ohne (relativ langsame) String-Parse-Funktion:
   
Wenn man ein Bytearray empfängt, kann man auch damit rechnen…

Alle Beiträge dieses Benutzers finden
Diese Nachricht in einer Antwort zitieren to top
Anzeige
22.09.2014, 13:43 (Dieser Beitrag wurde zuletzt bearbeitet: 22.09.2014 13:44 von jg.)
Beitrag #7

jg Offline
CLA & CLED
LVF-Team

Beiträge: 15.864
Registriert seit: Jun 2005

20xx / 8.x
1999
EN

Franken...
Deutschland
RE: langer String nach Zeichenzahl gegliedert in array schreiben
@Lucki:
FOR-Loop ist der While-Loop vorzuziehen, da hier der LV-Compiler schon vorab den benötigten Speicherplatz am Ausgang der Loop berechnen und reservieren kann. Bei der While-Loop kann er das nicht. Bei einem sehr langen String sollte die While-Loop also deutlich langsamer sein.

Gruß, Jens

Wer die erhabene Weisheit der Mathematik tadelt, nährt sich von Verwirrung. (Leonardo da Vinci)

!! BITTE !! stellt mir keine Fragen über PM, dafür ist das Forum da - andere haben vielleicht auch Interesse an der Antwort!

Einführende Links zu LabVIEW, s. GerdWs Signatur.
Alle Beiträge dieses Benutzers finden
Diese Nachricht in einer Antwort zitieren to top
22.09.2014, 13:43 (Dieser Beitrag wurde zuletzt bearbeitet: 22.09.2014 14:24 von Lucki.)
Beitrag #8

Lucki Offline
Tech.Exp.2.Klasse
LVF-Team

Beiträge: 7.699
Registriert seit: Mar 2006

LV 2016-18 prof.
1995
DE

01108
Deutschland
RE: langer String nach Zeichenzahl gegliedert in array schreiben
(22.09.2014 13:26 )GerdW schrieb:  Wenn man ein Bytearray empfängt,...
Wenn der String empfangen wird, z.B über eine serielle Schnittelle (worüber Gammler aber nichts verrät), dann gäbe es das ganze Problem der Sringtrennung sowieso nicht: einfach 4-byteweise aus dem Empfangspuffer lesen.

@Jens
Zitat:FOR-Loop ist der While-Loop vorzuziehen, da hier der LV-Compiler schon vorab...
Das ist schon klar, nur hat Gammel nichts gesagt, dass der String riesenlang ist. Also ist davon auszugehen, dass die Stringlänge des Beipieles in etwa repräsentativ für die Stringlänge ist.

Und in so einem Fall vertrete ich ein ganz anderes Optimierungskriterium als als Du und Gerd. Da frage ich nicht: Mit welcher Variante spare ich xx µs Ausführungszeit ein, sondern ich frage: Wie spare ich yy Sekunden Nachdenken ein, wenn ich den Code ein Jahr später wieder sehe und ihn verstehen muss.
Alle Beiträge dieses Benutzers finden
Diese Nachricht in einer Antwort zitieren to top
Antwort schreiben 


Möglicherweise verwandte Themen...
Themen Verfasser Antworten Views Letzter Beitrag
  Daten auslesen und in Array schreiben Daniel90 3 7.948 29.12.2015 18:01
Letzter Beitrag: Daniel90
  2D Array - Cast STRING to DBL stoevinho 7 7.221 28.01.2013 19:54
Letzter Beitrag: Lucki
  x und y Werte in Array schreiben Juli3 3 6.699 14.02.2009 08:42
Letzter Beitrag: kpa
  XY definieren und Signalwerte in 2D Array schreiben scarlettay 2 4.806 08.10.2008 17:19
Letzter Beitrag: jg
  Messwerte in Array schreiben Manuel85 4 11.172 09.11.2007 12:48
Letzter Beitrag: Manuel85
  Fequenzen in Array schreiben sVeNvÅeTh 4 5.543 03.10.2007 12:24
Letzter Beitrag: oenk

Gehe zu: