INFO: Dieses Forum nutzt Cookies...
Cookies sind für den Betrieb des Forums unverzichtbar. Mit der Nutzung des Forums erklärst Du dich damit einverstanden, dass wir Cookies verwenden.

Es wird in jedem Fall ein Cookie gesetzt um diesen Hinweis nicht mehr zu erhalten. Desweiteren setzen wir Google Adsense und Google Analytics ein.


Antwort schreiben 

mehrere Intensitätsdiagramme in einem 3D Diagramm



Wenn dein Problem oder deine Frage geklärt worden ist, markiere den Beitrag als "Lösung",
indem du auf den "Lösung" Button rechts unter dem entsprechenden Beitrag klickst. Vielen Dank!

02.07.2008, 14:11
Beitrag #1

chrisjal Offline
LVF-Neueinsteiger


Beiträge: 3
Registriert seit: Jul 2008

8.5
2008
de

85364
Deutschland
mehrere Intensitätsdiagramme in einem 3D Diagramm
   


Hallo,

ich habe Messwerte in einem 3D Raum aufgezeichnet und würde diese gerne in einem 3D Diagramm darstellen.

Für jede Ebene hab ich Messwerte, die als Intensitätsdiagramm dargestellt werden sollen. Das wär noch zu schaffen, aber ich will mehrere Ebenen übereinander legen. (s. Bild).

Wie kann ich denn das bewerkstelligen?
Bisher habe ich immer eine Ebene über die Funktion 3D Oberfläche parametrisch dargestellt.

Danke schonmal im Vorraus

Christian
Alle Beiträge dieses Benutzers finden
Diese Nachricht in einer Antwort zitieren to top
Anzeige
02.07.2008, 22:35 (Dieser Beitrag wurde zuletzt bearbeitet: 02.07.2008 22:36 von jg.)
Beitrag #2

jg Offline
CLA & CLED
LVF-Team

Beiträge: 15.864
Registriert seit: Jun 2005

20xx / 8.x
1999
EN

Franken...
Deutschland
mehrere Intensitätsdiagramme in einem 3D Diagramm
Hallo,

ja, das könnte man schon bewerkstelligen. Allerdings musst du dich dafür mit den ActiveX-Komponenten des 3D-Graphen ein wenig selber auseinandersetzen und nicht auf die mitgelieferten High-Level-VIs zurückgreifen.

Hast du dir mal das VI 3D-Surface.vi aus der Graph-Palette angeschaut? Die InvokeMethod Plot3DSurface bzw. Plot3DSimpleSurface enthält doch noch einen Anschluß wMatrix.
   

So, hier kann man noch ein weiteres Vektorfeld anschließen, das dann den Farbverlauf auf der Fläche "zMatrix" angibt. (offtopic: Somit kann man quasi 4dimensionale Daten darstellen).

Lange Rede, kurzer Sinn: Schliess an die zMatrix eine 2D-Array an, das aus denselben Werten besteht (somit legst du deine Darstellungsebene fest) und an die wMatrix kommen deine Daten. Hierzu noch ein kleiner Screenshot:

   

Beachte hierbei, der Graph ist auf Höhe z=2, wie gewünscht.

MfG, Jens

Wer die erhabene Weisheit der Mathematik tadelt, nährt sich von Verwirrung. (Leonardo da Vinci)

!! BITTE !! stellt mir keine Fragen über PM, dafür ist das Forum da - andere haben vielleicht auch Interesse an der Antwort!

Einführende Links zu LabVIEW, s. GerdWs Signatur.
Alle Beiträge dieses Benutzers finden
Diese Nachricht in einer Antwort zitieren to top
12.03.2010, 23:08
Beitrag #3

kalle Offline
LVF-Grünschnabel
*


Beiträge: 43
Registriert seit: May 2009

6.1 und 8.5
2008
de

18000
Deutschland
mehrere Intensitätsdiagramme in einem 3D Diagramm
Und wie kann man einstellen dass die Farbe im regenbogenformat variiert? bei mir wird sie nur in rottönen dargestellt. Eine entsprechende Eigenschaft zum Umstellen habe ich nicht gefunden.
Alle Beiträge dieses Benutzers finden
Diese Nachricht in einer Antwort zitieren to top
16.03.2010, 14:38
Beitrag #4

A.Berndsen Offline
LVF-Team
LVF-Team

Beiträge: 2.437
Registriert seit: Feb 2005

8.2.1 - 2011
2004
DE

724xx
Deutschland
mehrere Intensitätsdiagramme in einem 3D Diagramm
Eine Lösung auf die Schnelle wäre:

Rechter Mausclick auf den 3D-Graphen -> CWGraph 3D -> Eigenschaften
Reiter "Plots" -> für jeden Plot den "Color map style" auswählen (Color Spectrum).

Ob es programmatisch über Eigenschaftsknoten geht muß ich mir noch ansehen.

Grüße
Andreas

Geht nicht, gibts nicht!
Alle Beiträge dieses Benutzers finden
Diese Nachricht in einer Antwort zitieren to top
11.03.2011, 13:11 (Dieser Beitrag wurde zuletzt bearbeitet: 11.03.2011 13:14 von betas.)
Beitrag #5

betas Offline
LVF-Grünschnabel
*


Beiträge: 16
Registriert seit: Jun 2010

9.0
2009
de


Deutschland
RE: mehrere Intensitätsdiagramme in einem 3D Diagramm
Hallo,
ich greif das Thema noch mal auf.
Kann mir jemand erklären wie ich jetzt noch mehr Ebenen einfügen kann, also die Struktur.

hab das Bild schon nachgebaut.
Danke für eure Hilfe.


Angehängte Datei(en)
2009 .vi  3DOberfläche.vi (Größe: 30,86 KB / Downloads: 410)
Alle Beiträge dieses Benutzers finden
Diese Nachricht in einer Antwort zitieren to top
11.03.2011, 13:38
Beitrag #6

NWOmason Offline
Simultator
*****


Beiträge: 1.078
Registriert seit: Dec 2010

2012.SP1
2008
EN

93047
Deutschland
RE: mehrere Intensitätsdiagramme in einem 3D Diagramm
Hallo,

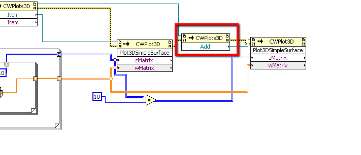
du kannst mittels "add" weitere Ebenen einfügen Smile

   

Beste Grüße,
NWO

9 von 10 Stimmen in meinem Kopf sagen: Ich bin nicht verrückt,
die andere summt die Melodie von Tetris
.

NI schrieb:To use the abort button is like using a tree to stop a car!

(20.01.2012 11:02 )NWOmason schrieb:  Getting Started with NI LabVIEW Student Training
http://zone.ni.com/devzone/cda/tut/p/id/7466

Introduction to NI LabVIEW - Learn LabVIEW Basics
http://www.ni.com/gettingstarted/labviewbasics/

Top 5 der Empfehlungen für LabVIEW-Einsteiger
http://www.ni.com/newsletter/51735/de/
Alle Beiträge dieses Benutzers finden
Diese Nachricht in einer Antwort zitieren to top
Anzeige
20.03.2011, 17:42 (Dieser Beitrag wurde zuletzt bearbeitet: 20.03.2011 17:44 von betas.)
Beitrag #7

betas Offline
LVF-Grünschnabel
*


Beiträge: 16
Registriert seit: Jun 2010

9.0
2009
de


Deutschland
RE: mehrere Intensitätsdiagramme in einem 3D Diagramm
Danke und hallo nochmal...

Kann ich die einzelnen Plots des Intensietätsgrafs auch über eine Schleife in den 3D Graph einfügen, würde ungern 100 mal den
ADD baustein etc. in meinem Programm einbinden.

danke....
Alle Beiträge dieses Benutzers finden
Diese Nachricht in einer Antwort zitieren to top
20.03.2011, 18:56
Beitrag #8

jg Offline
CLA & CLED
LVF-Team

Beiträge: 15.864
Registriert seit: Jun 2005

20xx / 8.x
1999
EN

Franken...
Deutschland
RE: mehrere Intensitätsdiagramme in einem 3D Diagramm
Natürlich kannst, einfach einmal probieren.

Wobei 100 Intensititätsgraphen in diesem 3D-Control, viel Spaß mit der Performance. Wink

Gruß, Jens

Wer die erhabene Weisheit der Mathematik tadelt, nährt sich von Verwirrung. (Leonardo da Vinci)

!! BITTE !! stellt mir keine Fragen über PM, dafür ist das Forum da - andere haben vielleicht auch Interesse an der Antwort!

Einführende Links zu LabVIEW, s. GerdWs Signatur.
Alle Beiträge dieses Benutzers finden
Diese Nachricht in einer Antwort zitieren to top
20.03.2011, 20:57
Beitrag #9

betas Offline
LVF-Grünschnabel
*


Beiträge: 16
Registriert seit: Jun 2010

9.0
2009
de


Deutschland
RE: mehrere Intensitätsdiagramme in einem 3D Diagramm
Habs schon ausgibig probiert,leider ohne erfolg,
könnte mir jemand mal die struktur zeigen,mit zufallszahlen..
danke..
Alle Beiträge dieses Benutzers finden
Diese Nachricht in einer Antwort zitieren to top
20.03.2011, 21:26
Beitrag #10

jg Offline
CLA & CLED
LVF-Team

Beiträge: 15.864
Registriert seit: Jun 2005

20xx / 8.x
1999
EN

Franken...
Deutschland
RE: mehrere Intensitätsdiagramme in einem 3D Diagramm
   
Gruß, Jens

P.S.: Shift-Taste beim Verfassen von Beiträgen nicht vergessen. Blink

Wer die erhabene Weisheit der Mathematik tadelt, nährt sich von Verwirrung. (Leonardo da Vinci)

!! BITTE !! stellt mir keine Fragen über PM, dafür ist das Forum da - andere haben vielleicht auch Interesse an der Antwort!

Einführende Links zu LabVIEW, s. GerdWs Signatur.
Alle Beiträge dieses Benutzers finden
Diese Nachricht in einer Antwort zitieren to top
30
Antwort schreiben 


Möglicherweise verwandte Themen...
Themen Verfasser Antworten Views Letzter Beitrag
  Mehrere Messdaten in einem XY-Graph darstellen tommyboy 3 19.842 17.10.2022 18:15
Letzter Beitrag: Manfred
  Mit einem Klick mehrere Taster aktivieren? Tobi82 2 6.008 15.05.2012 14:56
Letzter Beitrag: Tobi82
  Zwei Signale in einem Diagramm anzeigen lassen Miki 6 11.276 06.06.2005 08:40
Letzter Beitrag: Oliver Listing

Gehe zu: