INFO: Dieses Forum nutzt Cookies...
Cookies sind für den Betrieb des Forums unverzichtbar. Mit der Nutzung des Forums erklärst Du dich damit einverstanden, dass wir Cookies verwenden.

Es wird in jedem Fall ein Cookie gesetzt um diesen Hinweis nicht mehr zu erhalten. Desweiteren setzen wir Google Adsense und Google Analytics ein.


Antwort schreiben 

tdms Problem



Wenn dein Problem oder deine Frage geklärt worden ist, markiere den Beitrag als "Lösung",
indem du auf den "Lösung" Button rechts unter dem entsprechenden Beitrag klickst. Vielen Dank!

26.10.2011, 15:32
Beitrag #1

Larsi Offline
LVF-Neueinsteiger


Beiträge: 2
Registriert seit: Oct 2011

8.6 - 2009
2008
DE_EN



tdms Problem
Hallo Leute,

ich hab hier schon oft Hilfe gefunden, aber dieses mal hat die Suche leider keine Antwort auf mein Problem gegeben. Deshalb eine Frage an die Experten unter euch zum Thema: Einlesen von "verhunzten" tdms-Dateien.
Folgende Situation:
Ich habe ca. 2000 tdms Dateien gespeichert aber dummerweise vergessen das "TDMS close" vi nach jedem "tdms speichern" aufzurufen.
Soweit noch alles gut, aber beim Beenden des Programms hing das Programm verständlicherweise und versuchte die geschätzt 2000 Dateien zu schließen.
Nach ca. 1 min. wurde dann schlauerweise Labview per Task Manager abgewürgt.
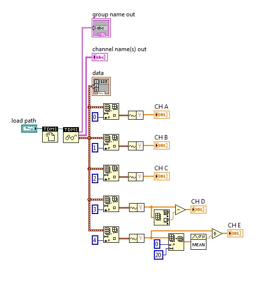
Jetzt kann bei einem Großteil der TDMS-Dateien - die ich per LabView öffne - nur noch die Infos der "channel names" und "Group name" lesen, jedoch nicht die eigentlichen Messdaten. Der Hohn bei der Angelegenheit ist, daß ich die Daten per Excel und tdms-pulg-in lesen kann. Nur ist das bei 2000 Dateien zu unpraktikabel. Hat irgendjemand eine Idee wie ich LabView überzeugen kann die Daten einzulesen und mir die Messdaten auszuspucken?
Anbei ein Screenshot vom Blockdiagramm der Datenauslese.


Angehängte Datei(en) Thumbnail(s)
   
Alle Beiträge dieses Benutzers finden
Diese Nachricht in einer Antwort zitieren to top
Anzeige
27.10.2011, 10:58 (Dieser Beitrag wurde zuletzt bearbeitet: 27.10.2011 11:05 von macmarvin.)
Beitrag #2

macmarvin Offline
CLA
***


Beiträge: 445
Registriert seit: Sep 2006

2014
2004
EN

81373
Deutschland
RE: tdms Problem
Ich würde an einer Kopie der Daten mal ein sauberes Defrag versuchen.
   


Edit:
Vl. hilft auch das VI von http://forums.ni.com/t5/DIAdem/Retreive-...592#M13327
Das fixt aber auch nur ein mögliches Fehlerbild.
Alle Beiträge dieses Benutzers finden
Diese Nachricht in einer Antwort zitieren to top
27.10.2011, 14:52
Beitrag #3

Larsi Offline
LVF-Neueinsteiger


Beiträge: 2
Registriert seit: Oct 2011

8.6 - 2009
2008
DE_EN



RE: tdms Problem
Hey danke für die Tips, habe beides ausprobiert, aber leider funktioniert beides nicht. Defrag hatte ich auch schon probiert, bringt alles keine Besserung. Werde mir aber mal das verlinkte Beispiel VI genauer anschauen, vielelicht komm ich noch auf ne Idee. Danke erstmal bis hierher.

Larsi
Alle Beiträge dieses Benutzers finden
Diese Nachricht in einer Antwort zitieren to top
29.10.2011, 14:08
Beitrag #4

rasta Offline
LVF-Gelegenheitsschreiber
**


Beiträge: 245
Registriert seit: Oct 2006

LabVIEW 2009-2017
2006
EN

53909
Deutschland
RE: tdms Problem
(26.10.2011 15:32 )Larsi schrieb:  Jetzt kann bei einem Großteil der TDMS-Dateien - die ich per LabView öffne - nur noch die Infos der "channel names" und "Group name" lesen, jedoch nicht die eigentlichen Messdaten. Der Hohn bei der Angelegenheit ist, daß ich die Daten per Excel und tdms-pulg-in lesen kann. Nur ist das bei 2000 Dateien zu unpraktikabel. Hat irgendjemand eine Idee wie ich LabView überzeugen kann die Daten einzulesen und mir die Messdaten auszuspucken?
Anbei ein Screenshot vom Blockdiagramm der Datenauslese.

Hallo,
vielleicht hilft angehängtes Beispiel mit direkten Anschluss der Gruppe bzw.Kanalnamen.

Gruß
Ralf


Angehängte Datei(en)
9.0 .vi  TDMSRead.vi (Größe: 17,75 KB / Downloads: 322)
Alle Beiträge dieses Benutzers finden
Diese Nachricht in einer Antwort zitieren to top
30
Antwort schreiben 


Möglicherweise verwandte Themen...
Themen Verfasser Antworten Views Letzter Beitrag
  Problem mit TDMS und npTDMS Python Jarrao 1 5.636 28.09.2019 15:22
Letzter Beitrag: jg
  Problem mit der "TDMS -write"-Funktion n4f3ts 1 5.652 26.03.2015 12:00
Letzter Beitrag: n4f3ts
  Problem bei TDMS lesen Neska 17 19.034 17.07.2013 07:51
Letzter Beitrag: GerdW
  Problem beim Streamen in TDMS Datei tobiasf5 2 8.771 26.09.2011 07:49
Letzter Beitrag: tobiasf5
  Problem beim Speichern TDMS Amina 8 9.927 03.03.2011 14:53
Letzter Beitrag: Amina
  TDMS Problem Amina 4 8.948 02.03.2011 21:46
Letzter Beitrag: jg

Gehe zu: